【导读】便携式医疗设备硬件设计中相互矛盾的要求对工程团队来说是一个永远的挑战。这些始终开启的设备不仅要效率高,寿命长,同时还要符合人体工程学设计以提高患者舒适度,特别是在需要24小时佩戴的情况下。相关系统不仅需要提供更高的性能,还应具有坚固的结构和超高的性价比。设计中采用的电源管理集成电路(PMIC)需要利用超低功耗架构,以优化健身跟踪和医疗可穿戴应用中的测量灵敏度,从而实现高信噪比 (SNR)。
无论是从普通消费者,还是医疗保健的角度来看,移动网络的日益普及已经成为可穿戴技术发展中最重要的考虑因素之一。最初以运动和健康作为目标市场方向的可穿戴设备,如今在医疗市场中也得到了广泛应用。新一代医疗可穿戴设备已经集成了一系列微机电系统(MEMS)传感器,如加速度计、陀螺仪和心率监测器等。随着时间的推移,还会添加用于确定脉搏变化和皮肤电导等参数的传感器,但问题是这些传感器都具有SNR问题。为了顺应医疗行业的发展趋势,设计人员需要寻找新的节能解决方案,并将这些解决方案与更好的降噪技术结合起来。
降低光测量噪声
各种生物因素都会影响光检测的准确性,设计工程师一直试图在提供更好的SNR技术来提高多种应用领域的测量灵敏度。低静态稳压器IC通常具有可降低SNR的特性,例如高幅值波纹、低频波纹和较长的建立时间。
心率是医疗领域的一个重要测量参数,不仅能简单的反映每分钟的心跳次数,还可以收集身体运动对于心跳的影响等大量信息,以便对心脏进行监测。一种称为光电容积脉搏波(PPG)的光学测量方法通过皮下组织中动脉和小动脉的扩张来测量血容量变化,它还可用于确定血液中的氧饱和度 (SPO2)。在医院里,医生会在我们的手指上夹上夹子,通过夹子把光注入手指,并在另一侧用光电二极管测量穿过手指的光透射变化。要确保连续可靠的心率测量,设计人员还需要解决几个问题。而操作的有效性还取决于多个因素,例如环境光的影响,LED和光电二极管之间的干扰,可穿戴设备在皮肤上的移动等等。
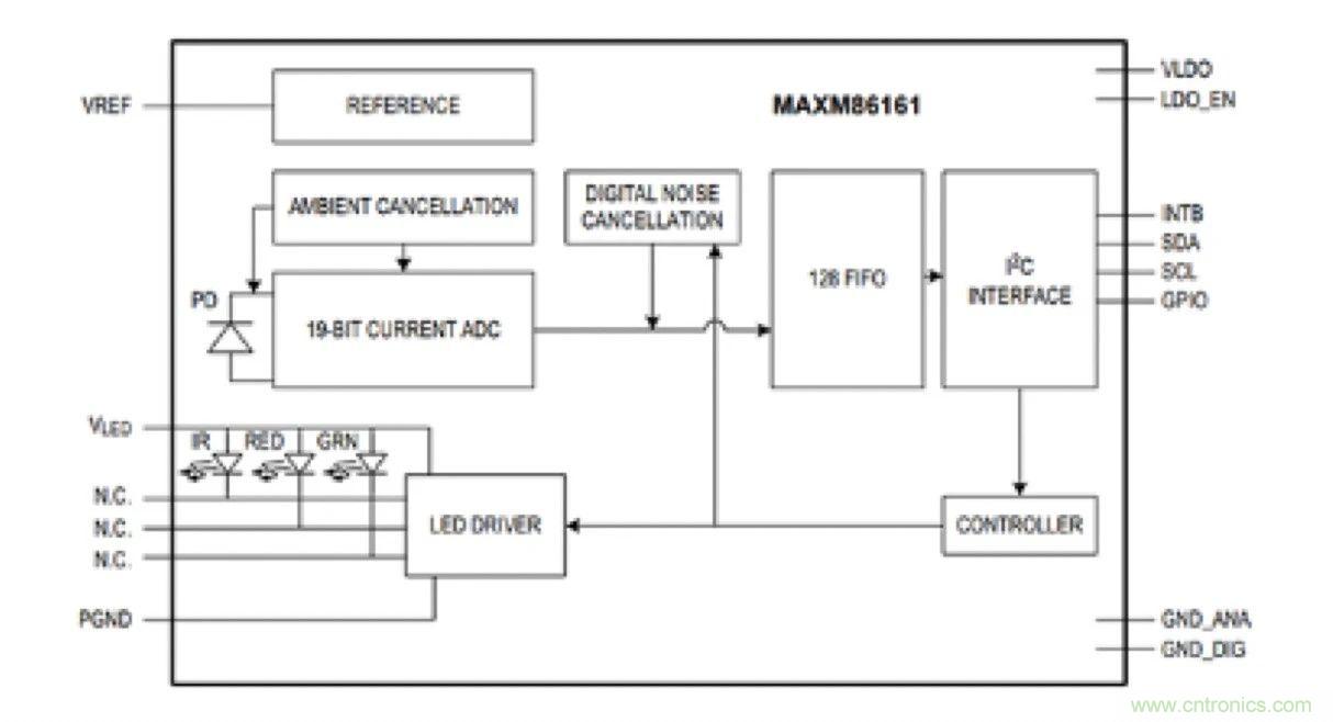
Maxim Integrated的MAXM86161(图1)是专门针对此类应用的完备的超低功耗单通道、光学数据采集系统。该传感器主要用于耳内医疗和移动应用,并针对反射心率(HR)、血氧饱和度(SPO2)和心率变异性(HRV)的连续监测进行了优化。
MAXM86161的发射器端具有三个可编程高电流LED驱动器,接收器端包含一个高效PIN光二极管和一路光学读取通道。光学读取通道具有一个低噪声信号调理模拟前端(AFE),由19位ADC和环境光消除(ALC)电路组成,可支持栅栏检测和替换算法。

图1: MAXM86161的简化框图
优化能源效率是改进光学测量机制的一个限制因素。为了提高效率,采用了新型开关结构代替标准的LDO稳压器,使用各种电感来提供正确的电源总线电压。电压调节元件必须具备较低的高频纹波,以便不会直接影响心率测量。LED必须在不同于锂离子电池的电压范围内工作。新升降压变压器技术的采用不仅可以节省电路板空间,还可以降低功耗。单电感多输出(SIMO)降压-升压结构可以大大减少输出特定电压时所需的电感器和IC数量。
通过下一代PMIC实现高效电源管理
随着个人和远程监控设备的日益成熟,减小尺寸、精确测量参数和延长电池寿命都变得至关重要??纱┐魃璞傅哪苄в呕呗杂胪;奔涔芾恚粗灰锌赡?,设备必须处于待机模式)息息相关??纱┐魃璞傅腜MIC需支持非常低的输入电压,并采用高能量密度电池架构。
Maxim Integrated的MAX20310是一款紧凑型电源管理集成电路(PMIC),适用于对尺寸和效率要求较高的空间受限电池供电应用。该器件采用单电感多输出(SIMO)升降压开关稳压器,可使用单个电感提供两个可编程电源轨,大大缩小了尺寸。
MAX20310使用锌空气、氧化银或碱性电池时,电池电压可降至0.7V。这种结构允许输出电压高于或低于电池电压。MAX20310还包括一个可编程电源控制器,允许器件用于要求真正关断的应用,或便携式医疗和可穿戴等始终导通的应用(见图2)。

图2: MAX20345的典型应用电路图
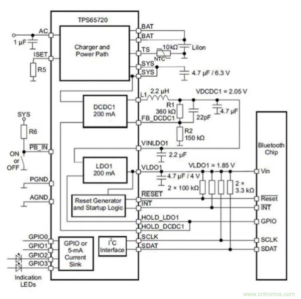
Texas Instruments开发的TPS6572x系列PMIC均集成了电池充电器和高效降压转换器,允许使用相对较小的电感和电容,解决方案尺寸更小。TPS65720可提供高达200mA的输出电流,而TPS657201、TPS657202和TPS65721均能够提供高达400mA的电流。所有TPS6572xPMIC还集成了一个200mA LDO,其输入电压范围为1.8V~5.6V,因此可以通过降压转换器输出或直接通过系统电压供电(见图3)。

图3: Texas Instruments的TPS6572x在轻负载时可进入节能模式,实现高达92%的效率
结论
先进的便携式技术可以监测身体活动、收集数据并提供实时响应,这将成为个性化护理的未来,为患者提供更大的便利并能提高医护人员的工作效率。穿戴式健康监护设备必须具有高精度、高可靠性、易于管理、使用寿命长等特点。通过采用能够同时满足功率预算和SNR需求的PMIC,可以生产出所需的监测设备,从而进一步造福社会。
作者:Mark Patrick
Mark于2014年7月加入贸泽电子欧洲团队,此前曾在Texas Instruments担任过8年应用支持和技术销售,并在欧时担任过高级营销职务。Mark获得了考文垂大学电子工程一级荣誉学位。
来源:贸泽电子。
推荐阅读:


