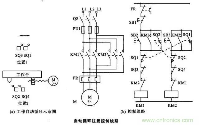
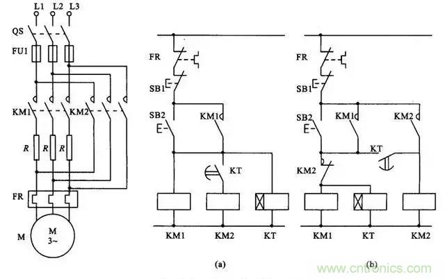
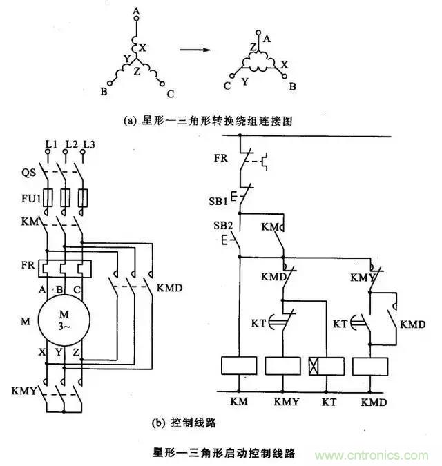
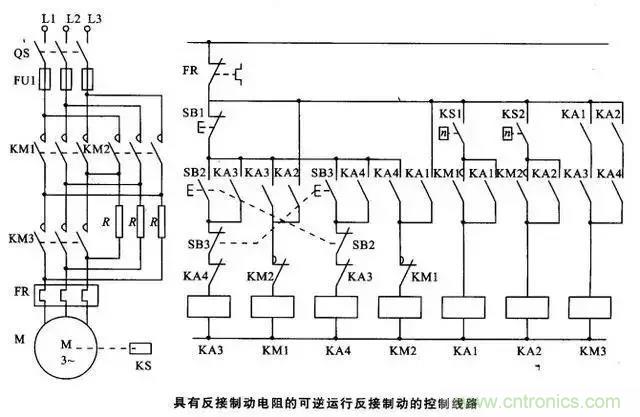
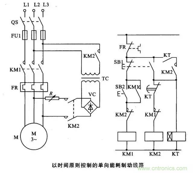
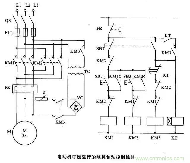
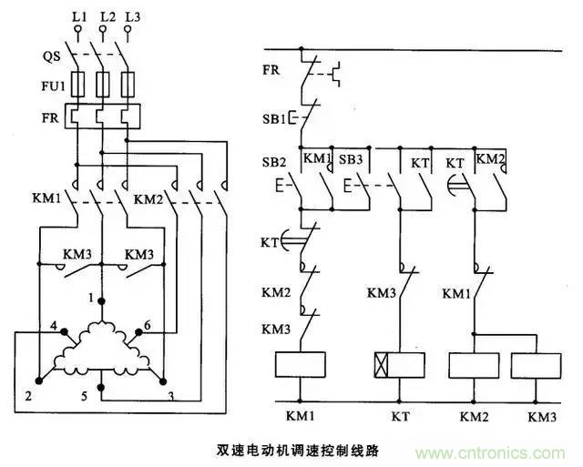
【导读】今天送给大家一些我收集的各类电气控制接线图,电子元件工作原理图,还有可控硅整流电路及负反馈调速装置原理等等。
今天送给大家一些我收集的各类电气控制接线图,电子元件工作原理图,还有可控硅整流电路及负反馈调速装置原理等等。

































发布时间:2019-10-10 责任编辑:lina
今天送给大家一些我收集的各类电气控制接线图,电子元件工作原理图,还有可控硅整流电路及负反馈调速装置原理等等。

































我爱方案网 ICGOO元器件商城 创芯在线检测 芯片查询 天天IC网 电子产品世界 无线通信???/a> 控制工程网 电子开发网 电子技术应用 与非网 世纪电源网 21ic电子技术资料下载 电源网 电子发烧友网 中电网 中国工业电器网 连接器 矿山设备网 工博士 智慧农业 工业路由器 天工网 乾坤芯 电子元器件采购网 亚马逊KOL 聚合物锂电池 工业自动化设备 企业查询 工业路由器 元器件商城 连接器 USB中文网 今日招标网 塑料机械网 农业机械 中国IT产经新闻网 高低温试验箱
关闭
关闭