【导读】很多工程师在上学时被老师讲的三极管的各种电路接法,和小信号模型分析给绕晕了。而且大学的课本大多数都是在讲三极管的放大特性。其实在实际的电路设计中,三极管的很多应用场景只是利用三级管的开关特性,我们往往是运用三极管来实现开关电路,做一些电平转换的功能。
这是由于两个原因造成的:由于数字电路的快速发展,模拟电路设计的比重越来越?。涣硗庠怂惴糯笃?,越来越便宜,各项特性也比分立器件实现的放大电路相对稳定,易于调试,集成度也高。
其实单独把三极管的开关特性弄清楚,只花了10%的时间,可能可以解决80%的问题。所以咱们单独理解一下“利用三极管设计开关电路”。
严格说起来,三极管与一般的机械接点式开关在动作上并不完全相同,但是它却具有一些机械式开关所没有的特点。图 1 所示,即为三极管电 子开关的基本电路图。由图可知,负载电阻被直接跨接于三极管的集电极与电源之间,而位居三极管主电流的回路上。

输入电压 Vin 则控制三极管开关的开启(open) 与闭合(closed) 动作,当三极管呈开启状态时, 负载电流便被阻断,反之,当三极管呈闭合状态时,电流便可以流通。详细的说,当 Vin 为低电压时,由 于基极没有电流,因此集电极亦无电流,致使连接于集电极端的负载亦没有电流,而相当于开关的开启, 此时三极管乃胜作于截止(cut off)区。同理,当 Vin 为高电压时,由于有基极电流流动,因此使集电极流过更大的放大电流,因此负载回路便被导通,而相当于开关的闭合,此时三极管乃于饱和区(saturatiON)。
1 三极管开关电路的分析设计
由于对硅三极管而言,其基射极接面之正向偏压值约为 0.6 V,因此欲使三极管截止,Vin 必须低于 0.6 V,以使三极管的基极电流为零。通常在设计时,为了可以更确定三极管必处于截止状态起见,往往使 Vin 值低于 0.3V。

黄色圈圈处,本质就是一个二极管。因为二极管模型比较简单,我们单纯看BE间的电压,理解成为让二极管导通的原理,就容易理解多了。
如果想让三极管打开,首先需要让这个二极管导通,则需要二极管两端的电压大于其导通电压。
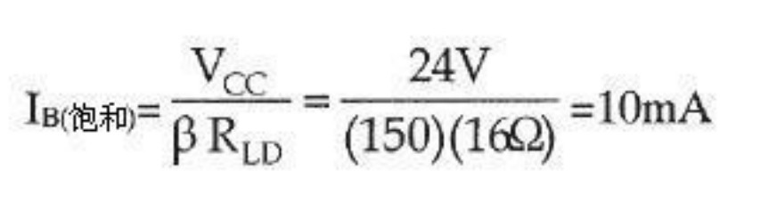
当然输入电压愈接近零伏特便愈能保证三极管开关必处于截止状态。欲将电流传送到负载上,则三极管的集电极与射极必须短路,就像机械开关的闭合动作一样。欲如此就必须使 Vin 达到够高的准位,以驱动三极管使其进入饱和工作区工作,三极管呈饱和状态时,集电极电流相当大,几乎使得整个电源电压 Vcc 均跨在负载电阻上,如此则 Vce 便接近于 0,而使三极管的集电极和射极几乎呈短路。在理想状况下,根据奥姆定律三极管呈饱和时,其集电极电流应该为:

我们期望饱和,就需要让集电极电流达到 Ic这个值。
我们知道三极管是一个流控电流源:


β 和 α 称为三极管的电流分配系数,其中 β 值大家比较熟悉,都管它叫电流放大系数。三个电流中,有一个电流发生变化,另外两个电流也会随着按比例地变化。例如,基极电流的变化量 ΔI b = 10 μA , β = 50 ,根据 ΔI c = βΔI b 的关系式,集电极电流的变化量 ΔI c = 50×10 = 500μA ,实现了电流放大。
因此,要想让三极管饱和,则Ic需要足够大,由于在饱和之前,I c = βI b 基极电流最少应为:
式(1)上式表出了 IC 和 IB 之间的基本关系,式中的 β 值代表三极管的直流电流增益,对某些三极管而言, 其交流 β 值和直流 β 值之间,有着甚大的差异。欲使开关闭合,则其 Vin 值必须够高,以送出超过或等于 (式 1) 式所要求的最低基极电流值。由于基极回路只是一个电阻和基射极接面的串联电路,故 Vin 可由 下式来求解:

这是Vin至少需要保证大于的值,才能保证三极管进入饱和状态。当然这个电压值越高,越能保证饱和的状态。因为β值有一定的离散型,0.6V也有一定的离散型。
一旦基极电压超过或等于(式2) 式所求得的数值,三极管便导通,使全部的供应电压均跨在负载电 阻上,而完成了开关的闭合动作。
总而言之,三极管接成图 1 的电路之后,它的作用就和一只与负载相串联的机械式开关一样,而其启 闭开关的方式,则可以直接利用输入电压方便的控制,而不须采用机械式开关所常用的机械引动 (mechanical actuator)﹑螺管柱塞(solenoid plunger)或电驿电枢(relay armature)等控制方 式。为了避免混淆起见,本文所介绍的三极管开关均采用 NPN 三极管,当然 NPN 三极管亦可以被当作开关来使用,只是比较不常见罢了。
当然很多朋友在刚学习模电的时候也被PNP和NPN绕晕的不行不行的。本文暂时只讲NPN三极管。
N型半导体(N为Negative的字头,由于电子带负电荷而得此名,负极)
P型半导体(P为Positive的字头,由于空穴带正电而得此名,正极)。
记不住想想二极管,叫PN结

再想想,我们刚说的三极管里面有个二极管,那个二极管的方向。这样你就不会叫错了。
在图 2 的开关电路中,欲使开关闭合(三极管饱和) 所须的输入电压为多大,并解释出此时之负载电流与基极电流值解﹕由 2 式可知,在饱和状态下,所有的供电电压完全跨降于负载电阻上,因此由方程式(1) 可知:

因此输入电压可知道,Vce几乎为0,则直接欧姆定律求Ic﹕

同样,基级的串阻利用欧姆定律可以算出其两端的电压,再加上基级的导通电压,就可以算出,我想要让三极管饱和需要的输入电压Vin是多大。

欲利用三极管开关来控制大到 1.5A 的负载电流之启闭动作,只须要利用甚小的控制电压和电流即可。此外,三极管虽然流过大电流,却不须要装上散热片,因为当负载电流流过时,三极管呈饱和状态,其 VCE趋近于零,所以其电流和电压相乘的功率之非常小,根本不须要散热片。
但是,如果我们使用单片机来控制这个灯,则需要降低1k那个电阻的阻值。因为根据上面的计算3.3V不足以使得这个三极管饱和。
同时,我们也需要考虑单片机的GPIO驱动能力。
三极管开关与机械式开关的比较
截至目前为止,我们都假设当三极管开关导通时,其基极与射极之间是完全短路的。事实并非如此,没有任何三极管可以完全短路而使 VCE=0,大多数的小信号硅质三极管在饱和时,VCE(饱和) 值约为0.2 V,纵使是专为开关应用而设计的交换三极管,其 VCE(饱和) 值顶多也只能低到 0.1 V左右,而且负载电流一高,VCE(饱和) 值还会有些许的上升现象,虽然对大多数的分析计算而言,VCE(饱和)值可以不予考虑,但是在测试交换电路时,必须明白 VCE(饱和) 值并非真的是 0。
虽然 VCE(饱和)的电压很小,本身微不足道,但是若将几个三极管开关串接起来,其总和的压降效应就很可观了,不幸的是机械式的开关经常是采用串接的方式来工作的,如图 3(a)所示,三极管开关无法模拟机械式开关的等效电路(如图 3(b)所示)来工作,这是三极管开关的一大缺点。


三极管开关和传统的机械式开关相较,具有下列四大优点﹕
(1)三极管开关不具有活动接点部份,因此不致有磨损之虑,可以使用无限多次,一般的机械式开关,由于接点磨损,顶多只能使用数百万 次左右,而且其接点易受污损而影响工作,因此无法在脏乱的环境下运作,三极管开关既无接点又是密封的,因此无此顾虑。
(2)三极管开关的动作速度较一般的开关为快,一般开关的启闭时间是以毫秒 (ms)来计算的,三极管开关则以微秒(μs)计。
(3)三极管开关没有跃动(bounce) 现象。一般的机械式开关在导通的瞬间会有快速的连续启闭动作,然后才能逐渐达到稳定状态。
(4)利用三极管开关来驱动电感性负载时,在开关开启的瞬间,不致有火花产生。反之,当机械式开关开启时,由于瞬间切断了电感性负载样 上的电流,因此电感之瞬间感应电压,将在接点上引起弧光,这种电弧非但会侵蚀接点的表面,亦可能造成干扰或危害。
三极管开关的测试
三极管开关不像机械式开关可以光凭肉眼就判断出它目前的启闭状态,因此必须利用电表来加以测试。
在图 5 所示的标准三极管开关电路中,当开关导通时,VEC 的读值应该为 0,反之当开关切断时,VCE 应对于 VCC。
三极管开关在切断的状况下,由于负载上没有电流流过,因此也没有压降,所以全部的供应电压均跨降在开关的两端,因此其 VCE 值应等于 VCC,这和机械式开关是完全相同的。如果开关本身应导通而未导通,那就得测试 Vin 的大小了。欲保证三极管导通,其基极的 Vin 电压值就必须够高,如果 Vin 值过低,则问题就出自信号源而非三极管本身了。假使在 Vin 的准位够高,驱动三极管导通绝无问题时,而负载却仍未导通,那就要测试电源电压是否正常了。
在导通的状态下,硅三极管的 VBE 值要根据数据手册,查看其值的离散型和范围是否符合器件资料。
一旦 VBE 正常且有基极电流流动时,便必须测试 VCE 值,假使 VCE 趋近于 VCC,就表示三极管的集基接面损坏,必须换掉三极管。假使 VCE 趋近于零伏特,而负载仍未导通,这可能是负载本身有开路现象发生,因此必须检换负载。

当 Vin 降为低电压准位,三极管理应截止而切断负载,如果负载仍旧未被切断,那可能是三极管的集基极和集射极短路,必须加以置换。
因为一个三极管,虽然能够实现低压控制高压的,但是一个三极管会让逻辑 反一下。有时我们需要2个三极管来实现正逻辑。

基本三极管开关之改进电路
有时候,我们所设定的低电压准位未必就能使三极管开关截止,尤其当输入准位接近 0.6 V的时候更是如此。想要克服这种临界状况,就必须采取修正步骤,以保证三极管必能截止。下图就是针对这种状况所设计的两种常见之改良电路。

左边的电路,在基射极间串接上一只二极管,因此使得可令基极电流导通的输入电压值提升了0.6 V,如此即使 Vin 值由于信号源的误动作而接近 0.6V时,亦不致使三极管导通,因此开关仍可处于截止状态。
右边的电路加上了一只辅助-截止(hold-off)电阻 R2,适当的 R1,R2 及 Vin 值设计,可于临界输入电压时确??亟刂?。由图 6(b)可知在基射极接面未导通前(IB0),R1 和 R2 形成一个串联分压电路,因此 R1 必跨过固定(随 Vin 而变) 的分电压,所以基极电压必低于 Vin 值,因此即使 Vin接近于临界值(Vin=0.6 伏特) ,基极电压仍将受连接于负电源的辅助-截止电阻所拉下,使低于 0.6 V。由于 R1,R2 及 VBB 值的刻意设计,只要 Vin 在高值的范围内,基极仍将有足够的电压值可使三极管导通,不致受到辅助-截止电阻的影响。
加速电容
在要求快速切换动作的应用中,必须加快三极管开关的切换速度。下图为一种常见的方式,此方法只须在 RB 电阻上并联一只加速电容器,如此当 Vin 由零电压往上升并开始送电流至基极时,电容器由于无法瞬间充电,故形同短路,然而此时却有瞬间的大电流由电容器流向基极,因此也就加快了开关导通的速度。稍后,待充电完毕后,电容就形同开路,而不影响三极管的正常工作。

一旦输入电压由高准位降回零电压准位时,电容器会在极短的时间内即令基射极接面变成反向偏压,而使三极管开关迅速切断,这是由于电容器的左端原已充电为正电压,因此在输入电压下降的瞬间,电容器两端的电压无法瞬间改变仍将维持于定值,故输入电压的下降立即使基极电压随之而下降,因此令基射极接面成为反向偏压,而迅速令三极管截止。适当的选取加速电容值可使三极管开关的切换时间减低至几十分之微秒以下,大多数的加速电容值约为数百个微微法拉(pF) 。
加速电容构成微分电路,利用电容两端电压不能突变的特性让输入瞬间的变化量直接引入到三极管基极,用过冲加快三极管的状态变化。等过渡过程结束后又回归到两个电阻的直流分压,所以电容不影响饱和深度。
电容加速电路也是经常在设计中用到的一种实用电路。如图所示:

这是在脉冲放大器电路中的一种的应用。其中的三极管VT1是工作在开关状态下。
开头提到的所谓加速,就是加快响应速度,加快对输入信号的响应速度。
从图1中的三极管VT1来看,就是要求三极管在截止,饱和两种状态之间的转换速度越快越好。
那么图中的电路是如何起到加速作用呢?
为了做一个比较与便于理解,先简单分析没有加入加速电容之前的电路,如下图所示:

没有加电容之前
在图中,当输入Ui是矩形脉冲信号加到VT1基极时,
若Ui为高,VT1饱和导 通,若Ui为低,VT1截止。
在接入C1后,其可等效成如下图所示的微分电路:

此时还是加入同样的输入信号Ui:
当Ui从低 —>高时,由于微分电路的作用,使加到基极的电压出现一个尖顶脉冲,使基极的电流很大,从而加快了VT1从截止进入导通的速度,缩短了时间。在t0之后,对C1的充电很快就结束,这时Ui加到基极的电压较小,维持VT1导 通。
当Ui从高 —>低时,即t1时刻,由于C1上原先的电压极性为左正右负,
这一电压加到基极为负顶脉冲,加快了从基区抽出电荷,使VT1以更快的速度从饱和转换到截止,缩短了VT1的截止时间。

上述的Ui和Uo的波形如图4所示,直观反映了电容加速电路的工作原理。
应用三极管开关的典型应用:
1.低边开关

2.高边开关

3.基极电阻

4.非门电路

5.与门

6.或门

7.H桥

8.振荡器

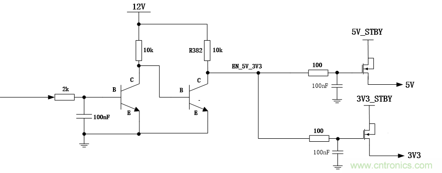
9、带隔离的三极管开关电路

部分内容整理自:
《8张图让你彻底理解晶体管开关电路》——出处不明,来自互联网
《三极管在电路中的使用》——百度文库
《提高开关速度 -- 电容加速电路》——博客园 ImProgrammer
推荐阅读:





