【导读】UCC28780 是一款高频有源钳位反激变换控制器,可用来设计高功率密度的 AC-DC 电源,符合严苛能耗标准,比如 DoE Level VI 和 EU CoC V5 Tier-2。
有用过此芯片的工程师也经常提问到,有没有更快更好的方式调试和使用好该芯片呢?下面和小编一起认识下 UCC28780 吧!
UCC28780 基础认识
作为 TI HVP 系列里的新生代,UCC28780 具有以下几个优势:
1. 控制算法可编程,可以用来优化算法去驱动 SiMOSFET 和 GaN FET。
2. 可驱动 GaN FET 和 driver 集成器件,效率更高。
3. 宽输入范围内通过自动调整技术,死区时间优化和可变开关频率控制算法来实现 ZVS (零电压开关)。
4. 基于输入输出变化,自适应多模式控制,降低可听到的噪声,提高效率。
5. 高达 1MHz 的可变开关频率使得外部无源器件尺寸更小,提高功率密度。
6. 可用在机顶盒,笔记本,台式机电源,USB PD,快充等。
7. 与带漏源电压检测功能的同步整流控制器共同工作,就能达到更高的转换效率。

典型应用

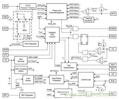
芯片内部简化框图
UCC28780 深入了解
■ 丰富、简单的 Pin 脚定义和设置
UCC28780 有 16 个 pin 脚,提供 SOIC 和 WQFN 两种封装形式供工程师选择,设置了丰富而又简单设置的 Pin 脚,来调节和优化有源钳位反激方案的参数。
比如下面几个 Pin 脚:
● Bur:连接外部分压电阻设置轻载下的 burst 模式下的电平,调节峰值电流
● CS:低端 FET 电流检测,检测和控制每个周期的峰值电流
● NTC:通过负温度系数电阻,进行温度检查和?;?/div>
● RTZ:连接外部电阻调节自适应的过渡到零延迟
● SET:用来设置外部 FET 是 GaN 还是 Si 器件,控制器会选择相应优化算法
● SWS:通过 network 与 SWNode 相连来检测 FET 上电压从而达到 ZVS 控制
■ 多种运行模式,提高效率
● 在不同的输入电压和输出功率下,内置四种运行模式来提高效率,降低损耗。
● 自适应幅度调制模:在重载下调初级整峰值电流;
● 自适应间歇振荡模式:在中低负载范围内调节每个脉冲群的脉冲数量;
● 低功率模式:降低脉冲群的两个脉冲的初级峰值电流;
● 待机功率模式:在无负载时通过降低突发群的 频率降低系统损耗;
表一


整个负载范围内的控制法则
UCC28780 独特的间歇振荡模式控制在有源钳位反激中提高了轻载时的效率,同时降低了常规间歇振荡模式的缺点:输出纹波和可听噪声。 集成了?;ぬ匦岳创锏阶畲笙薅鹊目煽啃?,比如软启动,输入电压?;?,过温保护,输出过压保护,输出过载保护,过流以及输出短路等。
■ 带自动调整的自适应 ZVS (零电压开关) 控制
我们以下面的框图来了解一下 UCC28780 的 ZVS 控制。
● 高电压检测网络从开关节点电压 (Vsw) 处给 SWS pin 脚提供电压。
● ZVS 鉴别器识别是否达到了 ZVS 要求,判断调整 PWMH 的导通时间 (tDM), 通过检测 Vsw 电压是否达到了预定的 ZVS 阈值 (VTH(SWS)),图中 tz 为目标零电压转换时间,由内置 PWMH to PWML 死区时间优化器控制。

自适应 ZVS 控制框图
虚线为当前开关周期波形,Vsw 电压值还没有达到阈值 ZVS 阈值 (VTH(SWS)),ZVS 鉴别器发送一个调整信号增加 tDM 时间用在下一个开关周期,在图中以实线表示。
磁化电流增加,使得下一个周期的 Vsw 比上一个周期的 Vsw 电压更低,在同样 tz 的时间下能够达到 ZVS 阈值 (VTH(SWS))。
这样在一些开关周期后,tDM 优化器将电路设置和锁定到零电压开关状态。稳定后,对 tDM 进行微调,幅度为一个 LSB(最低位),这么小的微调不会影响电路状态。
如下图所示,ZVS 控制非???,在 15 个开关周期内既能将电路锁定在 ZVS 状态运行,ZVS 调整环路锁定和微调一个 LSB。在 ZVS 锁定前由于 tDM 时间不够长,反向激励电流 IM-不足,UCC28780 以谷底开通模式启动。

自适应 ZVS 控制的自动调整过程
■ 死区时间优化
芯片控制两个死区时间,不仅控制 tz (上管关闭到下管导通) 时间,同时控制 tD (PWML-H) (下管关闭到上管导通) 时间。
对于不同的 FET 器件(GaN 和 Si)控制算法不一样。
通过对 SET pin 脚进行设定:
当 VSET=0V 时,ACF 应用使用 GaN 功率 FET 器件 (寄生参数较 Si MOSFET 小很多),Vsw 的压摆率很高,所以固定增加一个 40nS 的延迟导通。
当 VSET=5V 时,ACF 应用使用 Si 功率 MOSFET,由于 MOSFET 寄生参数 Coss 会随着 MOSFET 漏源电压 VDS 反向非线性变化,Vsw 电压会有一个斜坡上升过程,所以控制器会对辅助绕组电压进行过零检测 (ZCD),在此基础上增加 50nS 延迟再开通上管。
该控制算法对死区时间可逐周期调整,避免上管硬开通的同时,快速开通上管减少了上管的体二极管导通时间。

使用 GaN 和 Si FET 优化 tD(PWML-H) 控制
UCC28780 实测性能
90V~264V 通用电压输入,输出 20V, 2.25A,使用 GaN FET 和同步整流 UCC24612,使用该芯片进行有源钳位反激 (ACF) 拓扑设计,测试结果如下:

满载效率 VS 输入电压

效率 VS 负载

输出纹波电压 (115V 输入、2.25A 输出)

纹波电压 (115V 输入、0.9A 输出)

负载瞬态相应(115V 输入,0A 到 2.25A 负载切换)
在不同输入电压下满载高达 93% 以上的效率,符合严苛的能源标准:DoE Level VI 和 EU CoC V5 Tier-2 等。纹波电压满载时低至 30mV,0.9A 负载时低至 43.6mV,以及良好的负载瞬态相应。这些都说明了 UCC28780 在有源钳位反激拓扑下优异的性能,值得大家重点关注。
推荐阅读:



