【导读】从我做开关电源近二十年,算是老手了,我深有体会的是,开关电源最难的是环路参数,非常不好确定,普遍不大稳定就是环路没有调好,这个是一个大问题了,太多搞不定的就是这个问题了,还有变压器参数的选择也是一个难点。以下根据我的工作经验给大家总结开关电源设计的一些注意事项。
一、电源设计项目前期各个参数注意细节

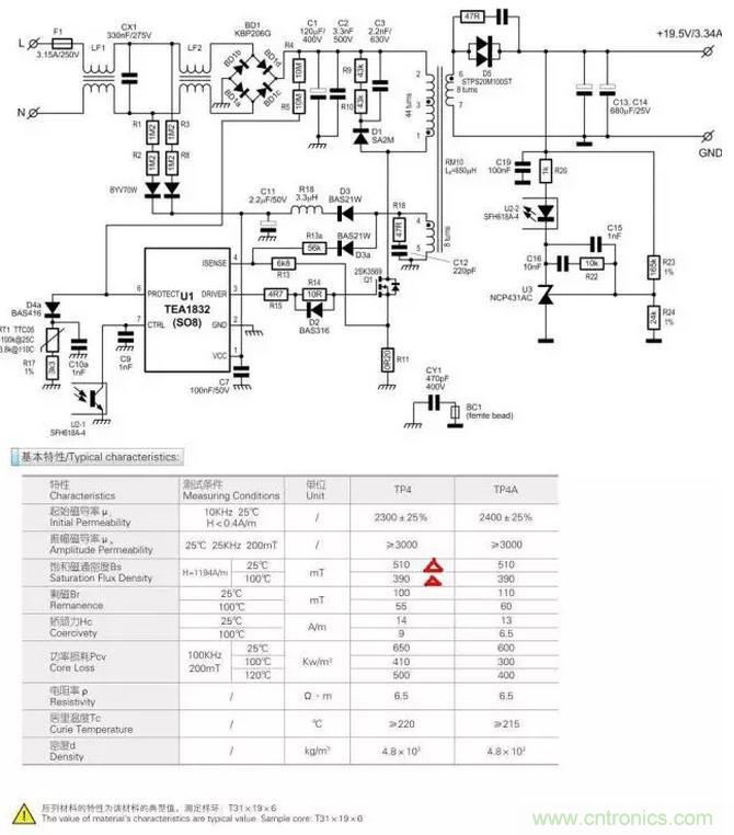
借鉴下NXP的这个TEA1832图纸做个说明。分析里面的电路参数设计与优化并做到认证至量产。 在所有的元器件中尽量选择公司仓库里面的元件,和量大的元件,方便后续降成本拿价格。
贴片电阻采用0603的5%,0805的5%,1%,贴片电容容值越大价格越高,设计时需考虑。
1、输入端,FUSE选择需要考虑到I^2T参数。保险丝的分类,快断,慢断,电流,电压值,保险丝的认证是否齐全。保险丝前的安规距离2.5mm以上。设计时尽量放到3mm以上。需考虑打雷击时,保险丝I2T是否有余量,会不会打挂掉。
2、这个图中可以增加个压敏电阻,一般采用14D471,也有采用561的,直径越大抗浪涌电流越大,也有增强版的10S471,14S471等,一般14D471打1KV,2KV雷击够用了,增加雷击电压就要换成MOV+GDT了。有必要时,压敏电阻外面包个热缩套管。
3、NTC,这个图中可以增加个NTC,有的客户有限制冷启动浪涌电流不超过60A,30A,NTC的另一个目的还可以在雷击时扛部分电压,减下MOSFET的压力。选型时注意NTC的电压,电流,温度等参数。
4、共模电感,传导与辐射很重要的一个滤波元件,共模电感有环形的高导材料5K,7K,0K,12K,15K,常用绕法有分槽绕,并绕,蝶形绕法等,还有UU型,分4个槽的ET型。这个如果能共用老机种的最好,成本考虑,传导辐射测试完成后才能定型。
5、X电容的选择,这个需要与共模电感配合测试传导与辐射才能定容值,一般情况为功率越大X电容越大。
6、如果做认证时有输入L,N的放电时间要求,需要在X电容下放2并2串的电阻给电容放电。
7、桥堆的选择一般需要考虑桥堆能过得浪涌电流,耐压和散热,防止雷击时挂掉。
8、VCC的启动电阻,注意启动电阻的功耗,主要是耐压值,1206的一般耐压200V,0805一般耐压150V,能多留余量比较好。
9、输入滤波电解电容,一般看成本的考虑,输出保持时间的10mS,按照电解电容容值的最小情况80%容值设计,不同厂家和不同的设计经验有点出入,有一点要注意普通的电解电容和扛雷击的电解电容,电解电容的纹波电流关系到电容寿命,这个看品牌和具体的系列了。
10、输入电解电容上有并联一个小瓷片电容,这个平时体现不出来用处,在做传导抗扰度时有效果。
11、RCD吸收部分,R的取值对应MOSFET上的尖峰电压值,如果采用贴片电阻需注意电压降额与功耗。C一般取102/103 1KV的高压瓷片,整改辐射时也有可能会改为薄膜电容效果好。D一般用FR107,FR207,整改辐射时也有改为1N4007的情况或者其他的慢管,或者在D上套磁珠(K5A,K5C等材质)。小功率电源,RC可以采用TVS管替代,如P6KE160等。
12、MOSFET的选择,起机和短路情况需要注意SOA。高温时的电流降额,低温时的电压降额。一般600V 2-12A足够用与100W以内的反激,根据成本来权衡选型。整改辐射时很多方法没有效果的时候,换个MOSFET就过了的情况经常有。
13、MOSFET的驱动电阻一般采用10R+20R,阻值大小对应开关速度,效率,温升。这个参数需要整改辐射时调整。
14、MOSFET的GATE到SOURCE端需要增加一个10K-100K的电阻放电。
15、MOSFET的SOURCE到GND之间有个Isense电阻,功率尽量选大,尽量采用绕线无感电阻。功率小,或者有感电阻短路时有遇到过炸机现象。
16、Isense电阻到IC的Isense增加1个RC,取值1K,331,调试时可能有作用,如果采用这个TEA1832电路为参考,增加一个C并联到GND。
17、不同的IC外围引脚参考设计手册即可,根据自己的经验在IC引脚处放滤波电容。
18、更改前:变压器的设计,反激变压器设计论坛里面讨论很多,不多说。还是考虑成本,尽量不在变压器里面加屏蔽层,顶多在变压器外面加个十字屏蔽。变压器一定要验算delta B值,delta B=L*Ipk/(N*Ae),L(uH),Ipk(A),N为初级砸数(T),Ae(mm2)有兴趣验证这个公式可以在最低电压输入,输出负载不断增加,看到变压器饱和波形,饱和时计算结果应该是500mT左右。变压器的VCC辅助绕组尽量用2根以上的线并绕,之前很大批量时有碰到过有几个辅助绕组轻载电压不够或者重载时VCC过压的情况,2跟以上的VCC辅助绕线能尽量耦合更好解决电压差异大这个问题。
19、更改后:变压器的设计,反激变压器设计论坛里面讨论很多,不多说。还是考虑成本,尽量不在变压器里面加屏蔽层,顶多在变压器外面加个十字屏蔽。变压器一定要验算delta B值,防止高温时磁芯饱和。delta B=L*Ipk/(N*Ae),L(uH),Ipk(A),N为初级砸数(T),Ae(mm2)。(参考TDG公司的磁芯特性(100℃)饱和磁通密度390mT,剩磁55mT,所以ΔB值一般取330mT以内,出现异常情况不饱和,一般取值小于300mT以内。我之前做反激变压器取值都是小于0.3的)附,学习zhangyiping的经验(所以一般的磁通密度选择1500高斯,变压器小的可以选大一些,变压器大的要选小一些,频彔高的减小频彔低的可以大一些吧。)
变压器的VCC辅助绕组尽量用2根以上的线并绕,之前很大批量时有碰到过有几个辅助绕组轻载电压不够或者重载时VCC过压的情况,2跟以上的VCC辅助绕线能尽量耦合更好解决电压差异大这个问题。
附注:有兴趣验证这个公式的话,可以在最低电压输入,输出负载不断增加,看到变压器饱和波形,饱和时计算结果应该是500mT左右(25℃时,饱和磁通密度510mT)。
借鉴TDG的磁芯基本特征图。
20、输出二极管效率要求高时,可以采用超低压降的肖特基二极管,成本要求高时可以用超快恢复二极管。
21、输出二极管并联的RC用于抑制电压尖峰,同时也对辐射有抑制。
22、光耦与431的配合,光耦的二极管两端可以增加一个1K-3K左右的电阻,Vout串联到光耦的电阻取值一般在100欧姆-1K之间。431上的C与RC用于调整环路稳定,动态响应等。
23、Vout的检测电阻需要有1mA左右的电流,电流太小输出误差大,电流太大,影响待机功耗。
24、输出电容选择,输出电容的纹波电流大约等于输出电流,在选择电容时纹波电流放大1.2倍以上考虑。 24、2个输出电容之间可以增加一个小电感,有助于抑制辐射干扰,有了小电感后,第一个输出电容的纹波电流就会比第二个输出电容的纹波电流大很多,所以很多电路里面第一个电容容量大,第二个电容容量较小。
25、输出Vout端可以增加一个共模电感与104电容并联,有助于传导与辐射,还能降低纹波峰峰值。
26、需要做恒流的情况可以采用专业芯片,AP4310或者TSM103等类似芯片做,用431+358都行,注意VCC的电压范围,环路调节也差不多。
27、有多路输出负载情况的话,电源的主反馈电路一定要有固定输出,或者假负载,否则会因为耦合,burst模式等问题导致其他路输出电压不稳定。28、初级次级的大地之间有接个Y电容,一般容量小于或等于222,则漏电流小于0.25mA,不同的产品认证对漏电流是有要求的,需注意。
算下来这么多,电子元器件基本能定型了,整个初略的BOM可以评审并参考报价了。BOM中元器件可以多放几个品牌方便核成本。如客户有特殊要求,可以在电路里面增加功能电路实现。如不能实现,寻找新的IC来完成,相等功率和频率下,IC的更改对外围器件影响不大。如客户温度范围的要求比较高,对应元器件的选项需要参考元器件使用温度和降额使用。
二、电源PCB设计阶段应注意的细节
1、PCB对应的SCH网络要对应,方便后续更新,花不了多少时间的。
2、PCB的元器件封装,标准库里面的按实际情况需要更改,贴片元件焊盘加大;插件元件的孔径比元件管脚大0.3mm,焊盘直径大于孔0.8mm以上,焊盘大些方便焊接,元器件过波峰焊也容易上锡,PCB厂家做出来也不容易破孔。还有很多细节的东西多了解些对生产是很大的功劳啊。
3、安规的要求在PCB上的体现,保险丝的安规输入到输出距离3mm以上,保险丝带型号需要印在PCB上。PCB的板材也有不同的安规要求,对应需要做的认证与供应商沟通能否满足要求。相应的认证编号需印到PCB上。初级到次级的距离8mm以上,Y电容注意选择Y1还是Y2的,跨距也要求8mm以上,变压器的初级与次级,用挡墙或者次级用三层绝缘线飞线等方法做爬电距离。
4、桥堆前L,N走线距离2.5mm以上,桥堆后高压+,-距离2.5mm以上。走线为大电流回路先走,面积越小越好。信号线远离大电流走线,避免干扰,IC信号检测部分的滤波电容靠近IC,信号地与功率地分开走,星形接地,或者单点接地,最后汇总到大电容的“-”引脚,避免调试时信号受干扰,或者抗扰度出状况。
5、IC方向,贴片元器件的方向,尽量放到整排整列,方便过波峰焊上锡,提高产线效率,避免阴影效应,连锡,虚焊等问题出现。
6、打AI的元器件需要根据相应的规则放置元器件,之前看过一个日本的PCB,焊盘做成水滴状,AI元件的引脚刚好在水滴状的焊盘上,漂亮。
7、PCB上的走线对辐射影响比较大,可以参考相关书籍。还有1种情况,PCB当单面板布线,弄完后,在顶层敷整块铜皮接大电容地,抑制传导和辐射很有效果。
8、布线时,还需要考虑雷击,ESD时或其他干扰的电流路径,会不会影响IC。
三、电源调试阶段应注意的细节
1、万用表先测试主电流回路上的二极管,MOSFET,有没有短路,有没有装反,变压器的感量与漏感是否都有测试,变压器同名端有没有绕错。
2、开始上电,我的习惯是先上100V的低压,PWM没有输出。用示波器看VCC,PWM脚,VCC上升到启动电压,PWM没有输出。检查各引脚的?;すδ苁欠癖淮シ?,或者参数不对。找不到问题,查看IC的上电时序图,或者IC的datasheet里面IC启动的条件。示波器使用时需注意,3芯插头的地线要拔掉,不拔掉的话最好采用隔离探头挂波形,要不怎么炸机的都不知道。用2个以上的探头时,2根探头的COM端接同1个点,避免影响电路,或者夹错位置烧东西。
3、IC启动问题解决了,PWM有输出,发现启动时变压器啸叫。挂MOSFET的电流波形,或者看Isense脚底波形是否是三角波,有可能是饱和波形,有可能是方波。需重新核算ΔB,还有种情况,VCC绕组与主绕组绕错位置。也有输出短路的情况,还有RCD吸收部分的问题,甚至还碰到过TVS坏了短路的情况。
4、输出有了,但是输出电压不对,或者高了,或者低了。这个需要判断是初级到问题,还是次级的问题。挂输出二极管电压电流波形,是否是正常的反激波形,波形不对,估计就是同名端反了。检查光耦是否损坏,光耦正常,采用稳压管+1K电阻替换431的位置,即可判断输出反馈431部分,或者恒流,或者过载?;さ缺;さ亩鳌3<侍?,光耦脚位画错,导致反馈到不了前级。431封装弄错,一般431的封装有2种,脚位有镜像了的。同名端的问题会导致输出电压不对。
5、输出电压正常了,但是不是精确的12V或者24V,这个时候一般采用2个电阻并联的方式来调节到精确电压。采样电阻必须是1%或者0.5%。
6、输出能带载了,带满载变压器有响声,输出电压纹波大。挂PWM波形,是否有大小波或者开几十个周期,停几十个周期,这样的情况调节环路。431上的C与RC,现在的很多IC内部都已经集成了补偿,环路都比较好调整?;仿返鹘诿挥行Ч梢约扑阆碌绺懈辛刻蠡蛘咛?,也可以重新核算Isense电阻,是否IC已经认为Isense电阻电压较小,IC工作在brust mode。可以更改Isense电阻阻值测试。
7、高低压都能带满载了,波形也正常了。测试电源效率,输入90V与264V时效率尽量做到一致(改占空比,匝比),方便后续安规测试温升。电源效率一般参考老机种效率,或者查能效等级里面的标准参考。
8、输出纹波测试,一般都有要求用47uF+104,或者10uF+104电容测试。这个电解电容的容值影响纹波电压,电容的高频低阻特性(不同品牌和系列)也会影响纹波电压。示波器测试纹波时探头上用弹簧测试探头测试可以避免干扰尖峰。输出纹波搞不定的情况下,可以改容量,改电容的系列,甚至考虑采用固态电容。
9、输出过流保护,客户要求精度高的,要在次级放电流?;さ缏罚缶炔桓叩?,一般初级做过流?;?,大部分IC都有集成过流或者过功率保护。过流保护一般放大1.1-1.5倍输出电流。最大输出电流时,元器件的应力都需要测试,并留有余量。电流保护如增加反馈环路可以做成恒流模式,无反馈环路一般为打嗝?;つJ健W龊霉鞅;せ剐枰馐月?电解电容的测试,客户端有时提出的要求并未给出是否是容性负载,能带多大的电容起机测试了后心里比较有底。
10、输出过压保护,稳定性要求高的客户会要求放2个光耦,1个正常工作的,一个是做过压?;さ摹N抟蟮?,在VCC的辅助绕组处增加过压?;さ缏罚蛘逫C里面已经有集成的过压?;?,外围器件很少。
11、过温保护一般要看具体情况添加的,安规做高温测试时对温度都有要求,能满足安规要求温度都还可以,除非环境复杂或者异常情况,需要增加过温?;さ缏?。
12、启动时间,一般要求为2S,或者3S内起机,都比较好做,待机功耗做到很低功率的方案,一般IC都考虑好了。没有什么问题。
13、上升时间和过冲,这个通过调节软启动和环路响应实现。
14、负载调整率和线性调整率都是通过调节环路响应来实现。
15、保持时间,更改输入大电容容量即可。
16、输出短路?;ぃ衷贗C的短路保护越做越好,一般短路时,IC的VCC辅助绕组电压低,IC靠启动电阻供电,IC启动后,Isense脚检测过流会做短路?;?,停止PWM输出。一般在264V输入时短路功率最大,短路功率控制住2W以内比较安全。短路时需要测试MOSFET的电流与电压,并通过查看MOSFET的SOA图(安全工作区)对应短路是否超出设计范围。
17、空载起机后,输出电压跳。有可能是轻载时VCC的辅助绕组感应电压低导致,增加VCC绕组匝数,还有可能是输出反馈环路不稳定,需要更新环路参数。
18、带载起机或者空载切重载时电压起不来。重载时,VCC辅助绕组电压高,需查看是否过压,或者是过流?;ざ?。
还有变压器设计时按照正常输出带载设计,导致重载或者过流?;で氨溲蛊鞅ズ汀?/div>
19、元器件的应力都应测试,满载、过载、异常测试时元器件应力都应有余量,余量大小看公司规定和成本考虑。 性能测试与调试基本完成。调试时把自己想成是设计这颗IC的人,就能好好理解IC的工作情况并快速解决问题。 这些全都按记忆写的,有点乱,有些没有记录到,后续想到了再补上。
四、EMC等测试之前的注意细节
1、温升测试,45℃烤箱环境,输入90,264时变压器磁芯,线包不超过110℃,PCB在130℃以内。其他的元器件具体值参考下安规要求,温度最难整的一般都是变压器。
2、绝缘耐压测试DC500V,阻值大于100MΩ,初次级打AC3000V时间60S,小于10mA,产线量产可以打AC3600V,6S。建议采用直流电压DC4242打耐压。耐压电流设置10mA,测试过程中测试仪器报警,要检查初次级距离,初级到外壳,次级到外壳距离,能把测试室拉上窗帘更好,能快速找到放电的位置的电火花。
3、对地阻抗,一般要小于0.1Ω,测试条件电流40A。
4、ESD一般要求接触4K,空气8K,有个电阻电容模型问题。一般会把等级提高了打,打到最高的接触8K,空气15K。打ESD时,共模电感底下有放电针的话,放电针会放电。电源的ESD还会在散热器与不同元器件之间打火,一般是距离问题和PCB的layout问题。打ESD打到15K把电源打坏就知道自己做的电源能抗多大的电压,做安规认证时,心里有底。如果客户有要求更高的电压也知道怎么处理。参考EN61000-4-2。
5、EFT这个没有出现过问题2KV。参考EN61000-4-4。
6、雷击,差模1K,共模2K,采用压敏14D471,有输入大电解,走线没有大问题基本PASS。碰到过雷击不过的情况,小功率5W,10W的打挂了,采用能抗雷击的电解电容。单极PFC做反激打挂了MOSFET,在输入桥堆后加入二极管与电解电容串联,电容吸收能量。LED电源打2K与4K的情况,4KV就要采用压敏电阻+GDT的形式。参考EN61000-4-5。
EFT,ESD,SURGE有A,B,C等级。一般要A等级:干扰对电源无影响。
7、低温起机。一般便宜的电源,温度范围是0-45℃,贵的,工业类,或者LED什么的有要求-40℃-60℃,甚至到85℃。-40℃的时候输入NTC增大了N倍,输入电解电容明显不够用了,ESR很大,还有PFC如果用500V的MOSFET也是有点危险的(低温时MOSFET的耐压值变低)。之前碰到过90V输入的时候输出电压跳,或者是LED闪几次才正常起来。增加输入电容容量,改小NTC,增加VCC电容,软启动时间加长,初级限流(输入容量不够,导致电压很低,电流很大,触发?;ぃ┐?.2倍放大到1.5倍,IC的VCC绕组增加2T辅助电压抬高;查找保护线路是否太极限,低温被触发(如PFC过压易被触发)。
五、传导整改注意细节
基本性能和安规基本问题解决掉,剩下个传导和辐射问题。这个时候可以跟客户谈后续价格,自己优化下线路。 跟安规工程师确认安规问题,跟产线的工程师确认后续PCB上元器件是否需要做位置的更改,产线是否方便操作等问题?;蛘哂写駻I,过回流焊波峰焊的问题,及时对元器件调整。
1、传导和辐射测试大家看得比较多,论坛里面也讲的多,实际上这个是个砸钱的事情。砸钱砸多了,自然就会了,整改也就快了。能改的地方就那么几个。
2、这个里面看不见的,特别重要的就算是PCB了,有厉害的可以找到PCB上的线,割断,换个走线方式就可以搞掉3个dB,余量就有了。
3、一般看到笔记本电源适配器,接电脑的部分就有个很丑的砣,这个就是个EMI滤波器,从适配器出线的部分到笔记本电脑这么长的距离,可以看成是1条天线,增加一个滤波器,就可以滤除损耗。所以一般开关电源的输出端有一个滤波电感,效果也是一样的。

4、输入滤波电感,功率小的,UU型很好用,功率大的基本用环型和ET型。公司有传导实验室或者传导仪器的倒是可以有想法了就去折腾下。要是要去第三方实验室的就比较痛苦了,光整改材料都要带一堆。滤波电感用高导的10K材料比较好,对传导辐射抑制效果都不错,如果传导差的话,可以改12K,15K的,辐射差的话可以改5K,7K的材质。
5、输入X电容,能用小就用小,主要是占地方。这个要配合滤波电感调整的。
6、Y电容,初次级没有装Y电容,或者Y电容很小的话一般从150K-30M都是飘
的,或者飞出限值了的,装个471-222就差不多了。Y电容的接法直接影响传导与辐射的测试数据,一般为初级地接次级的地,也有初级高压,接次级地,或者放2个Y电容初级高压和初级地都接次级的地,没有调好之前谁也说不准的。
Y电容上串磁珠,对10MHz以上有效果,但也不全是。每个人调试传导辐射的方法和方式都有差异机种也不同,问题也不同,所以也许我的方法只适合我自己用。无Y方案大部分是靠改变变压器来做的,而且功率不好做大。
7、MOSFET吸收,DS直接顶多能接个221,要不温度就太高了,一般47pF,100pF。RCD吸收,可以在C上串个10-47Ω电阻吸收尖峰。还可以在D上串10-100Ω的电阻,MOSFET的驱动电阻也可以改为100Ω以内。
8、输出二极管的吸收,一般采用RC吸收足够了。
9、变压器,变压器有铜箔屏蔽和线屏蔽,铜箔屏蔽对传导效果好,线屏蔽对辐射效果好。至于初包次,次包初,还有些其他的绕法都是为了好过传导辐射。
10、对于PFC做反激电源的,输入部分还需要增加差模电感。一般用棒形电感,或者铁粉芯的黄白环做。
11、整改传导的时候在10-30MHz部分尽量压低到有15-20dB余量,那样辐射比较好整改。
开关频率一般在65KHz,看传导的时候可以看到65K的倍频位置,一般都有很高的值。
总之:传导的现象可以看成是功率器件的开关引起的振荡在输入线上被放大了显示出来,避免振荡信号出去就要避免高频振荡,或者把高频振荡吸收掉,损耗掉,以至于显示出来的时候不超标。
六、辐射整改注意细节
1、PCB的走线按照布线规则来做即可。当PCB有空间的时候可以放2个Y电容的位置:初级大电容的+到次级地;初级大电容-到次级地,整改辐射的时候可以调整。
2、对于2芯输入的,Y电容除了上述接法还可以在L,N输入端,保险丝之后接成Y型,再接次级的地,3芯输入时,Y电容可以从输入输出地接到输入大地来测试。
3、磁珠在辐射中间很重要,以前用过的材料是K5A,K5C,磁珠的阻抗曲线与磁芯大小和尺寸有关。如图所示,不同的磁珠对不同的频率阻抗曲线不同。但是都是把高频杂波损耗掉,成了热量(30MHz-500MHz)。一般MOSFET,输出二极管,RCD吸收的D,桥堆,Y电容都可以套磁珠来做测试。
4、输入共模电感:如果是2级滤波,第一级的滤波电感可以考虑用0.5-5mH左右的感量,蝶形绕法,5K-10K材质绕制,第一级对辐射压制效果好。如果是3芯输入,可以在输入端进线处用三层绝缘线在K5A等同材质绕3-10圈,效果巨好。
5、输出共模电感,一般采用高导磁芯5K-10K的材料,特殊情况辐射搞不定也可以改为K5A等同材质。
6、MOSFET,漏极上串入磁珠,输入电阻加大,DS直接并联22-220pF高压瓷片电容可以改善辐射能量,也可以换不同电流值的MOS,或者不同品牌的MOSFET测试。
7、输出二极管,二极管上套磁珠可以改善辐射能量。二极管上的RC吸收也对辐射有影响。也可以换不同电流值来测试,或者更换品牌
8、RCD吸收,C更改容量,R改阻值,D可以用FR107,FR207改为慢管,但是需要注意慢管的温度。RCD里面的C可以串小阻值电阻。
9、VCC的绕组上也有二极管,这个二极管也对辐射影响大,一般采取套磁珠,或者将二极管改为1N4007或者其他的慢管。
10、最关键的变压器。能少加屏蔽就少加屏蔽,没办法的情况也只能改变压器了。变压器里面的铜箔屏蔽对辐射影响大,线屏蔽是最有效果的。一般改不动的时候才去改变压器。
11、辐射整改时的效率。套满磁珠的电源先做测试,PASS的情况,再逐个剪掉磁珠。
fail的情况,在输入输出端来套磁环,判断辐射信号是从输入还是输出发射出来的。
套了磁环还是fail的话,证明辐射能量是从板子上出来的。这个时候要找实验室的兄弟搞个探头来测试,看看是哪个元器件辐射的能量最大,哪个原件在超出限值的频率点能量最高,再对对应的元件整改。
辐射的现象可以看成是功率器件在高速开关情况下,寄生参数引起的振荡在不同的天线上发射出去,被天线接收放大了显示出来,避免振荡信号出去就要避免高频振荡,改变振荡频率或者把高频振荡吸收掉,损耗掉,以至于显示出来值的时候不超标。
磁珠的运用有个需要注意的地方,套住MOSFET的时候,MOSFET最好是要打K脚,套入磁珠后点胶固定,如果磁珠松动,可能导电引起MOSFET短路。有空间的情况下尽量采用带线磁珠。
七、PCB定型改版试生产注意细节
传导辐射整改完成后,PCB可以定型了,最好按照生产的工艺要求来做改善,更新一版PCB,避免生产时碰到问题。
1、验证电源的时刻到了,客户要求,规格书。电源样品拿给测试验证组做测试验证了。之前问题都解决了的话,验证组是没问题的,到时间拿报告就可以了。
2、准备小批量试产,走流程,准备物料,整理BOM与提供样机给生产部同事。
3、准备做认证的材料(保险丝,MOSFET等元器件)与样机以及做认证的关键元器件清单等文档性材料。关键元器件清单里面的元件一般写3个以上的供应商。认证号一定要对准,错了的话,后续审厂会有不必要的麻烦。剩下的都是一些基本的沟通问题了。
做认证时碰到过做认证的时候温升超标了的,只能加导热胶导出去。或者提高效率,把传导与辐射的余量放小。这种问题一般是自己做测试时余量留得太少,很难碰到的。
4、一般认证2个月左右能拿到的。2个月的时间足够把试产做好了。
5、试产问题:基本上都是要改大焊盘,插件的孔大小更改,丝印位置的更改等。
6、试产的测试按IPS和产线测试的规章制度完成。
碰到过裸板耐压打不过的,原因竟然是把裸板放在绿色的静电皮上操作;也有是麦拉片折痕处贴的胶带磨损了。
7、输入有大电容的电源,需要要求测试的工序里面增加一条,测试完毕给大电容放电的一个操作流程。
8、试产完成后开个试产总结会,试产PASS,PCB可以开模了。量产基本上是不会找到研发工程师了,顶多就是替代料的事宜。
9、做完一个产品,给自己写点总结什么的,其中的经验教训,或者是有点失败的地方,或者是不同IC的特点。项目做多了,自然就会了。
整个开发过程中都是一个团队的协作,所以很厉害的工程师,沟通能力也是很强的,研发一个产品要跟很多部门打交道,技术类的书要看,技术问题也要探讨,同时沟通与礼仪方面的知识也要学习,有这些前提条件,开发起来也就容易多了。
八、20年经验资深工程师的感慨
我顺便提一下,上面原理图中18的此饱和是500MT,即5000高斯,0,5特斯拉,普通铁氧体到不了5000吧,顶多4000,好像才3500吧,所以一般的磁通密度选择1500高斯,变压器小的可以选大一些,变压器大的要选小一些,频彔高的减小频彔低的可以大一些吧。
从我干开关电源近二十年,算是老手了,我非常深有体会的是,开关电源最难的是环路参数,非常不好确定,普遍不大稳定就是环路没有调好,这个是一个大问题了,太多搞不定的就是这个问题了,还有变压器参数的选择也是一个难点,有人说变压器的分量非常大,确定多少匝比,规格,如果铁损线损一样最好,绞在一起了,无法确定哪个多哪个少了,还有,如何确定磁通密度多少为最合适,也是非常难了,这个多年的经验非常重要,许多人变压器不懂设计,还有,风铃可以磁通大一些,自冷要小一些,都不是一件容易的事情。
现在是很多人知识匮乏,没有无线电技术的知识,那一些新手根本不懂,把PCB布成整齐的非常随意的任意走线了,很像精细,那根本胡闹,不能用的版了,新一代的知识多元化,诱惑太大了,什么人都可以上大学了,比如一些职高的普高没毕业的人也上大学了,应试教育也是大问题,人才质量不行了,什么也不懂的人多了,他们照样搞开发,能做成什么好产品,最重要的是知识和学问,却又是最不在乎是又是学问,浮躁社会浮躁的人,满脑子就是短平快,要知道欲速则不达,只会抄袭模仿拿来主义山寨之风,模仿制造低劣产品,因为所谓的开发人员就是搬运工,而且所谓人才流动,半拉子一下就飞了,成了政治资本,干过了什么项目,还有不少其实是调试工,技术人员,冒充什么开发人员,老板急于求成,用的其实是伪人才,伪人才只能制造伪劣产品了,就是只会克隆产品复制了,还做不好,大功率的其实不少老外的产品哪个做成了,小功率的相对容易简单一些不少还是做成了,但做不好的多多了。
我谈这个是非常普遍存在的社会现实,比如一位做12伏100安,抄袭模仿八九个月没有做成,最终失败打水漂了,其实可以做成的,我见过那个产品,同开发人员一交流,发现学问不行,我对那位陈老板说凶多吉少九成以上要失败的,他不信,就是我完全模仿一个地方也不能漏下,难道做不成,结果呢,真的做不成了,相当多人都以为一抄就成一步到位,总是这么说,结果岂不,哪个成功了,一败涂地了。其实,那个12伏100安真的不难,就是要有一些学问,失败的原因就在这里了。
原谅我谈了别的方面的了,不过,确实千真万确,非常普遍而且常态化的我们这个社会的现实了,普遍的从业人员就是知识匮乏,技术和能力不行,就是生搬硬套,克隆主义至上,,好像我们这个社会就是假大空的社会,多数的产品都是这么去干的。成了不少其实有不少老外非常不错的产品,我都见过不少了,怎么都没有见到我们做的实际产品了,其实大帮小帮都在抄袭,怎么见不到东西呀,因为都失败了打水漂了,我在这里说了大实话的,非常真实的不要误解了。如果有何不妥,多多见谅吧。
有一个非常真实的事例,比如01年我国一公司就做成了LLC多谐振的产品,由于效率高一时非常轰动,模仿者也登门而至,我是在03年初开始非常费劲,与同事大半年了,说来奇怪,原机占空比大仿做的就小了,当时的土办法就是把环流加大,但效率降低了,另一家深圳的某一家公司一直做不成,耗了不少财力,老板火了起来把那位总工炒掉了。我03年底离开了,改用SG3525,主结构有了,按照规律,3525的死区时间还可以调整呢,占空比大了,就这样做成功了,我是不会生搬硬套,比较灵活的,人家做不成做不好我就可以做到了,这种情况很多,所以不要完全克隆死板做,必须要会搞电路设计,如果是这样,好多产品是可以做成的,可以模仿参考,结合自主设计,我的这一事例不也充分说明了吗,学问和灵活最重要了,就是这么一回事。真正模仿成功还做的不错的技术功夫也非常不错了,许多人不懂这个道理,就是难道不成,不相信,真的如此,失败多多了,即使一些做成了,也是不三不四的,产品性能和质量是一个大问题,还是一句话,伪人才制造伪劣产品,现实上伪人才多得去了,产品冒牌货多同样的人才冒牌货一样多了,其实,大家相信的倒是谎言的多,一抄就成一步到位就是成了最大的谎言了。满口子多么省事节省成本,甚至更有甚者,全打包连图纸都没有,坏了就是修电器一样,把坏的找出来换掉就可以了,这个就是投机主义干事了,肯定这样做的问题特别大,他们就是把财力花在营销广告战了。



