桃花源qm花论坛(品茶),凤楼阁论坛官网入口网址,一品楼品凤楼论坛最新动态,风楼阁全国信息2024登录入口

你的位置:首页 > 电源管理 > 正文

KO传统开关的MEMS开关,用在这些电路上是极好的

发布时间:2018-09-19 责任编辑:wenwei

【导读】微型机电系统(MEMS)开关一直被标榜为性能有限的机电继电器的出色替代器件,因为它易于使用,尺寸很小,能够以极小的损耗可靠地传送0 Hz/dc至数百GHz信号,有望彻底改变电子系统的实现方式。
 
与传统机电继电器相比,ADI 的MEMS开关技术使RF 和DC开关性能、可靠性及小型化实现了跨越式发展。
 
以 ADI 的宽带、单刀四掷 (SP4T) 开关 ADGM1304 为例,该产品采用 ADI 公司的 MEMS 开关技术制造而成,此技术支持实现高要求 RF 应用所需的高功率、低损耗、低失真GHz开关。
 
KO传统开关的MEMS开关,用在这些电路上是极好的
 
下图是该开关的横截面示意图。它是一种三端子配置的静电 驱动悬臂梁式开关。其在功能上类似于场效应晶体管 (FET),端子可用作源极、栅极和漏极。
 
KO传统开关的MEMS开关,用在这些电路上是极好的
MEMS开关设计的横截面,图中所示为悬臂开关梁 (不成比例)
 
● 与固态继电器等其他开关替代产品不同,ADGM1304具备出色的精度,并提供从0 Hz (DC)到14 GHz的RF性能;
 
● 与机电继电器相比,高度可靠的ADGM1304可将冷开关生命周期提高10倍,同时延长ATE系统工作寿命,减少由于继电器故障导致的代价高昂的停机;
 
● 与DPDT继电器设计相比,集成式电荷泵无需外部驱动器,这进一步减小了ATE系统尺寸,而多路复用器配置也可简化扇出式结构。
 
无论与谁相比,MEMS 开关 ADGM1304 都“更胜一筹”。那么,这款“无人能敌”的 MEMS 开关应用在哪些电路上比较好呢?ADI 官方给出的建议是——
 
可切换RF衰减器
 
RF 衰减器网络常用于RF仪器仪表设备,例如矢量网络分析仪、频谱分析仪和信号发生器。通过衰减器路由RF信号可以让设备接受更高功率信号,从而提高仪器的动态范围。在矢量网络分析仪、频谱分析仪、信号发生器之类的RF衰减应用中,在信号通过网络后维持其带宽至关重要。信号的降级会降低设备性能。因此,用于路由的开关的RF特性是衰减器网络的重要组成部分。
 
ADGM1304 MEMS开关具有很低且平坦的插入损耗、超宽 RF带宽和高可靠性,适合用作可切换的RF衰减器。ADGM1304作为SP4T开关,还能带来额外的灵活性。图1显示了一个衰减器网络配置示例,其使用两个ADGM1304 开关和三个不同的衰减器??氐牡谒耐ǖ烙糜谕?中的非衰减路由。
 
KO传统开关的MEMS开关,用在这些电路上是极好的
图1.采用ADGM1304 MEMS开关的切换式RF衰减器
 
可重复配置RF滤波器
 
可重复配置的RF滤波器对很多RF前端应用非常有利。它能节省更多空间。随着应用的空间越来越受限,经济好用的可重复配置RF滤波器无疑要比多个频率相关的滤波器更有吸引力。
 
为了开启集总元件(电容、电感),需要ADGM1304 MEMS 开关,其具有很低且平坦的插入损耗、超宽RF带宽、低寄 生效应、低电容和高线性度,因此非常适合可重复配置滤波器应用。
 
在无线通信或移动无线电等应用中,频段和/或模式的数量不断增加。利用可重复配置RF滤波器,相同元件可以支持更多频段/模式。
 
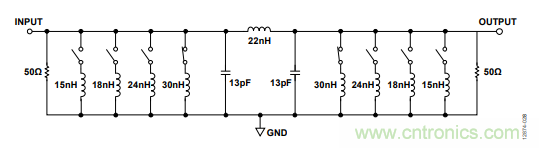
图2所示为一个可重复配置带通滤波器示例。所示拓扑是一个一般化的两部分、感性耦合、单端带通滤波器,标称中心频率为400 MHz(UHF频段)。注意,MEMS开关与各分流电感串联。
 
KO传统开关的MEMS开关,用在这些电路上是极好的
图2.利用两个ADGM1304 MEMS开关实现的可重复配置带通滤波器
 
开关的作用是将分流电感包括或排除于电路中。更改分流电感值会影响滤波器的带宽和中心频率。使用15 nH到30 nH 的电感值会显著改变带宽和中心频率,使滤波器可动态配置以工作在超高频(UHF) 或甚高频 (VHF) 波段,同时保留 输入和输出端口的50 Ω匹配。
 
MEMS 开关的低 RON 值和大带宽使其成为此类应用的理想之选——
 
● 低RON可降低串联电阻对分流电感质量因数的不利影响
● 大带宽支持实现更高频率的带通滤波器
 
 
推荐阅读:
 
如何设计电感式触摸金属按钮面板
Vishay诚邀您莅临2018中国国际工业博览会机器人展,一起“触摸明日科技”
德州仪器希望小学在江西省萍乡市湘东区腊市镇正式落成并启用
AI赋能加速进化 高通AI & IoT开发技术开放日即将召开
MEMS惯性传感器轻松解决应急救援“定位”问题
要采购开关么,点这里了解一下价格!
特别推荐
技术文章更多>>
技术白皮书下载更多>>
热门搜索

关闭

?

关闭