【导读】各位工程师在设计电路时,可能会遇到需要负电压供电的系统,例如使用负电压为IGBT提供关断负电压、运放系统中用正负对称的偏置电压供电。那么该如何产生一个稳定可靠的负电压呢?本文将为你介绍不同的解决方案。
负电压设计根据不同的负载电流有很多不同方案,以下是给出几种目前市面比较常见的负电压方案,可以根据不同场合使用合适的方案。
一、工频变压器输出正负电压

图1 工频变压器正负输出电源
各位工程师看到图1的电路是否有很强的亲切感,是否能想起大学时接触电子设计时的情景?此经典电路优点比较明显,电路结构简单、极低干扰噪声、稳定性好;同时此电路也有缺点,输入交流电范围窄(一般是220VAC±5%),体积重量大;虽然此电路缺点明显目前还有一些应用采用此方案设计。此方案主要是利用变压器产生负电压在通过线性稳压器7905进行稳压。
二、电源模块输出负电压
由于电子元件制造工艺技术越来越好,能量损耗越来越低,这样一来越来越有利于电源的??榛⒄埂6以谏杓粕弦材茏龅叫⌒突?,轻型化设计。
1、非隔离负压输出负电压

图2 非隔离稳压输出模块

图3 非隔离??榈恼涑鲇敫菏涑鼋臃?/div>
如图3所示,此电源??橛τ糜氤S玫腖M7805类似,而且不需要安装散热片。如上图,我们需要正负电压给运放等供电时,只需要两个E78xxOS-500电源即可实现。
2、隔离电源??槭涑稣旱缪?/div>

图4 隔离电源??檎核肥涑?/div>

图5 E_URADD-6W电源典型应用
在电力、工业、通讯等对抗干扰性能要求较高的场合,一般需要对电源进行隔离处理来隔离从总电源端的干扰。此种应用时如果需要用到负电压,可以直接采用隔离电源??橹苯邮涑稣旱缪垢低彻┑?。
三、Buck-Boost拓扑设计输出负电压
除了采用隔离??榉桨福颐腔箍梢匝≡裥酒约荷杓聘貉沟缏?,此处我们介绍一下较容易设计的非隔离负压输出Buck-Boost电路。如图6此电路只需要主控芯片、电感、电容等芯片,目前MPS的DC-DC电源芯片都支持Buck-Boost的设计结构,可以根据不同输出电流选择合适型号。

图6 Buck-Boost拓扑原理
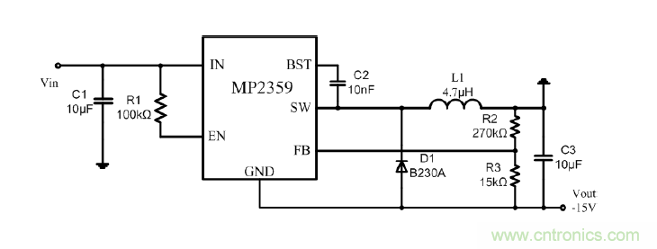
从图6的拓扑中可以看出输入电压与输出电压极性是相反的,因此Buck-Boost拓扑结构又简称为倒相拓扑。图7是采用MP2359DT设计的-15V电源电路,MP2359DT是采用SOT23-6的封装,整个电路占用PCB面积较小。

图7 MP2359负电压输出电路
四、总结
负电压设计方案多种多样,哪一个方案适合你的设计,还是需要综合考虑不同应用、不同技术要求而定。
推荐阅读:
特别推荐
- 强强联手!贸泽电子携手ATI,为自动化产线注入核心部件
- 瞄准精准医疗,Nordic新型芯片让可穿戴医疗设备设计更自由
- 信号切换全能手:Pickering 125系列提供了从直流到射频的完整舌簧继电器解决方案
- 射频供电新突破:Flex发布两款高效DC/DC转换器,专攻微波与通信应用
- 电源架构革新:多通道PMIC并联实现大电流输出的设计秘籍
技术文章更多>>
- 瑞典Ionautics新一代HiPIMS设备HiPSTER 25落地瑞士Swiss PVD
- CITE 2026:以科创之钥,启电子信息新局
- 迈来芯单线圈驱动芯片:二十载深耕,实现无代码开发与高能效双突破
- 工业智能化利器:树莓派的多元应用与优势
- 电容选型核心指南:特性、误区与工程实践
技术白皮书下载更多>>
- 车规与基于V2X的车辆协同主动避撞技术展望
- 数字隔离助力新能源汽车安全隔离的新挑战
- 车用连接器的安全创新应用
- Melexis Actuators Business Unit
- Position / Current Sensors - Triaxis Hall
热门搜索
友情链接(QQ:317243736)
我爱方案网 ICGOO元器件商城 创芯在线检测 芯片查询 天天IC网 电子产品世界 无线通信???/a> 控制工程网 电子开发网 电子技术应用 与非网 世纪电源网 21ic电子技术资料下载 电源网 电子发烧友网 中电网 中国工业电器网 连接器 矿山设备网 工博士 智慧农业 工业路由器 天工网 乾坤芯 电子元器件采购网 亚马逊KOL 聚合物锂电池 工业自动化设备 企业查询 工业路由器 元器件商城 连接器 USB中文网 今日招标网 塑料机械网 农业机械 中国IT产经新闻网 高低温试验箱
关闭
?
关闭




