一、电动汽车BMS简介
电池管理系统(BATTERY MANAGEMENT SYSTEM简称BMS)是连接车载电力电池和电动汽车的重要纽带,其主要功能包括:电池物理参数实时监测,电池状态评估,在线诊断和报警,均衡控制等。为什么电动汽车BMS会兴起呢?
电动汽车的动力和储能电池均是采用电池组的形式,但基于现有的制造水平,单体电池之间尚不能达到性能的完全一致,在通过串并联方式组成大功率、大容量动力电池组后,苛刻的使用条件也易诱发局部偏差,从而引发安全问题。为对电池组进行合理有效的管理控制,BMS性能至关重要。

图1 BMS产品图片
二、BMS的工作原理
BMS与电动汽车的动力电池紧密结合在一起,那么BMS是如何保证对电池组进行合理有效的管理控制呢?它具体的工作如下。
l监测电池的整体情况,通过传感器对电池的电压、电流、温度进行实时检测;
l管理电池的工作状态,对电池进行漏电检测、热管理、电池均衡管理、报警提醒,计算剩余容量(SOC)、放电功率,报告电池劣化程度(SOH)和剩余容量(SOC)状态;
CAN总线接口与车载总控制器、电机控制器、能量控制系统、车载显示系统等进行实时通信,最终保证对电池组进行合理有效的管理控制,具体的结构框图如图2所示。
图2 BMS架构框图
三、BMS应具备的三要素
那么要如何保证BMS正常工作呢?让我们从BMS在汽车内部的工作环境着手吧。
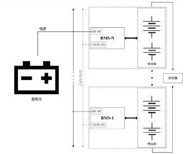
首先,应避免BMS??橹涞南嗷ジ扇牛缭词淙肭岸耸褂酶衾隓C-DC电源。一台车里有很多BMS???,每个??槎技写有畹绯乩锶〉纾咛宓缍的诓靠蛲既缤?所示。为保证每个??楣┑绮换嵯嗷ゴ?,同时保证BMS单个??榈亩懒⑿裕虼诵枰贐MS的电源输入前端使用隔离DC-DC电源,并且输入电压范围应较宽。

图3 电动汽车内部BMS框图
其次,应保证BMS能够与电动汽车进行实时通信,通信前端做CAN隔离处理。汽车内部的通信环境较为恶劣,存在着浪涌、脉冲等干扰信号,为保证正常通信,同样基于系统间低耦合性和配合电源安规的考虑,CAN端也需要做隔离处理,并且对防护等级和传输速率要求较高。
最后,应保障驾驶人员的人身安全,需要较高等级的电源隔离防护。由于多个电池串联后,电池组的电压非常高,一般可达500VDC左右,是属于对人体有安全威胁的电压,为保障蓄电池低压侧的安全,一般也会用隔离DC-DC隔开高压和低压侧。
四、BMS电源与信号隔离推荐方案
由于BMS的安全性考虑,系统之间需要进行电源和信号隔离,BMS主板供电来源于电池组。一般是12V(也有24V),采用较多的是2W/3W隔离DC-DC电源模块,如:ZY2405WHB1CS-2W,ZY2405WRBDD-3W。部分功率要求高的场合也会选用6W隔离DC-DC电源???,如:E2412URAD-6W。对于EMI要求高的场合,可以在隔离DC-DC电源??槭淙攵思?pi;型滤波电路,具体的产品实物如图4所示。
图4 ZLG致远电子隔离DC-DC电源???/span>
考虑到BMS的安全性,多采用CAN通信,相应的在防干扰,隔离等方面就要花费很大心思。如下图5所示,ZLG致远电子专门的CTM系列隔离CAN收发器,隔离电压达到3500VDC(如:CTM1051KT/CTM1051KAT),工作温度-40℃~+85℃,符合“ISO 11898-2”标准,标准DIP-8 引脚封装,超小体积,在BMS、充电桩、电动汽车等领域被广泛应用。
图5 ZLG致远电子CTM1051K(A)T实物图
推荐阅读:
Maxim串行器和解串器技术满足未来ADAS和信息娱乐系统要求


