桃花源qm花论坛(品茶),凤楼阁论坛官网入口网址,一品楼品凤楼论坛最新动态,风楼阁全国信息2024登录入口

你的位置:首页 > 电源管理 > 正文

设计适合工业、电信和医疗应用的鲁棒隔离式I2C/PMBus数据接口

发布时间:2017-06-14 来源:Maurice O''''Brien 责任编辑:wenwei

【导读】工业和仪器仪表(I&I)、电信以及医疗应用的一个关键要求是需要一个可靠接口来传输数据。(I2C)总线是一种双线制双向总线,用于集成电路之间的低速、短距离通信。(I2C)是由飞利浦公司于20世纪80年代早期为单个电路板上的IC开发,其应用依然在不断增长。电源管理总线(PMBus)是一种速度相对较慢的双线式通信协议,该协议基于(I2C),可针对电源进行数字管理。PMBus协议定义了一种开放标准数字电源管理协议,能为电源转换器或连接的其他器件通信提供便利。
 
图1显示隔离栅在(I2C)接口和与该接口相连的每个系统之间提供电流隔离,既允许在两点之间传输数字数据,又可防止接地电流流过;这样可以消除耦合到通信总线上的噪声,从而降低信号失真和误差。
 
设计适合工业、电信和医疗应用的鲁棒隔离式I2C/PMBus数据接口
图1. 隔离功能
 
电信应用中使用的PCB通常集成数字控制电源转换器以及工作在不同地电位的电路。 为确保实现无差错的卡片插入/移除操作以及鲁棒的工作性能,必须隔离每一个接口;但(I2C)接口隔离很复杂,因为总线是双向的。 光耦合器就不满足这样的要求,因为它是单向的。 图2显示PMBus通信链路,该链路可将原边上的ADM1075(-48 V热插拔)以及数字电源监控器与副边相隔离,它采用12 V和3.3 V电源供电。ADM3260双通道I2C隔离器集成DC-DC转换器,可隔离SDA和SCL信号。其隔离电源(3.3V_ISO)为ADuM3200双通道数字隔离器供电,后者可用来隔离SHDN和RESTART信号。
 
设计适合工业、电信和医疗应用的鲁棒隔离式I2C/PMBus数据接口
图2. 典型的隔离式PMBus通信链路
 
由于在低压域中,原边参考–48 V而副边参考地,因此需进行隔离。 如果(I2C)端口不小心直接连接–48 V电源,那么隔离可以防止器件永久性受损。 隔离还能提供针对线路浪涌或接地环路产生的高压或电流的保护——系统有多重接地时便可能会发生这种情况。 隔离电源通道(3.3 V_ISO)允许副边为原边供电,无需另行使用低压电源——这种低压电源在–48 V域中不常见,且难以生成。 跨越隔离栅的全部额外I/O信号都需要使用同样可由ADM3260供电的隔离器。 为实现鲁棒的数据通信链路,连接(I2C)总线的每个(I2C)器件都必须隔离。
 
隔离式(I2C)应用示例有:
 
  • I2C、SMBus或PMBus接口隔离
  • 用于电源的电平转换I2C接口
  • 网络
  • 以太网供电
  • 中央交换
  • 电信与数据通信设备
  • 隔离数据采集系统
  • −48 V分布式电源系统
  • −48 V电源???/li>
 
通常需通过I2C总线并跨越隔离栅传输精密转换器数据(ADC或DAC)。 图3显示两个隔离数据采集系统。 这些应用还需要隔离式电源来为副边的转换器和放大器供电。
 
设计适合工业、电信和医疗应用的鲁棒隔离式I2C/PMBus数据接口
 
设计适合工业、电信和医疗应用的鲁棒隔离式I2C/PMBus数据接口
图3. (a)隔离式I2C ADC与放大器 (b)隔离式I2C DAC与放大器
 
某些应用要求通道间隔离,其中每条通道都与其他所有通道隔离,如图4所示。
 
设计适合工业、电信和医疗应用的鲁棒隔离式I2C/PMBus数据接口
图4. 通道间隔离I2C ADC与放大器
 
在较为庞大的系统中,不同的电压域之间需要进行电平转换。 一个例子便是在电信机架式系统中的每个线路卡上隔离PMBus。 图5是一款典型的电信应用,具有多个线路卡,可插入到–48 V背板中。 本应用中,隔离器对I2C逻辑信号进行电平转换操作,将其从–48 V背板转换为完全隔离式+12 V系统。
 
使用隔离式DC-DC电源或ADI的isoPower®集成式DC-DC转换器技术可实现I2C通信链路的电源隔离。 使用光耦合器或ADI的iCoupler技术可实现信号隔离。
 
设计适合工业、电信和医疗应用的鲁棒隔离式I2C/PMBus数据接口
图5. –48 V应用中的PMBus信号隔离与电平转换
 
实现隔离式I2C接口
 
必须在原边智能器件(比如ADC或DAC)与副边处理器之间实现双向数据传输,并且电源必须从原边传输至副边。 如需隔离数据链路,就必须同时隔离数据线路和电源。 所有连接I2C链路的器件都必须与I2C总线隔离,如图6所示。
 
设计适合工业、电信和医疗应用的鲁棒隔离式I2C/PMBus数据接口 
图6. 隔离式I2C接口
 
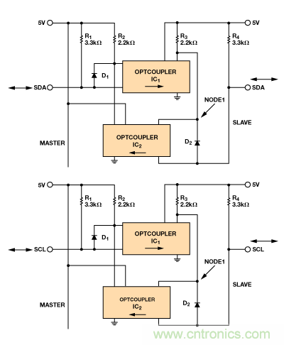
隔离式I2C接口挑战
 
由于I2C接口是双向的,进行隔离的同时避免总线毛刺和锁定将有一定难度。 图7是一个基于光耦合器的接口。 光耦合器是单向的,因此每条双向I2C线路必须分割为两条单向线路。 隔离一个完整的I2C接口需要用到4个光耦合器和几个无源器件。 由此产生的成本、PCB面积以及复杂性降低了简单的低成本双线式I2C接口本身的价值。 注意,还需要一个隔离式电源。
 
设计适合工业、电信和医疗应用的鲁棒隔离式I2C/PMBus数据接口
图7. 基于光耦合器的I2C接口
 
隔离技术: 数据和功率
 
图8比较了两种主要的隔离技术。iCoupler技术(a)使用厚膜工艺技术构建微型片内变压器,实现2.5 kV隔离。 较古老但广泛采用的光耦合器解决方案(b)则采用发光二级管(LED)和光电二极管。 LED用于将电信号转换为光,光电二极管则用于将光转换回为电信号。 电光转换本身的低转换效率导致功耗相对较高;光电二极管的慢速响应则限制其速度;而老化问题会限制其使用寿命。
 
通过使用晶圆级工艺制造片内变压器,则iCoupler通道能以较低的成本相互集成,以及与其他半导体功能集成。 一个例子便是集成DC-DC转换器的热插拔双通道I2C隔离器ADM3260。iCoupler隔离技术在很多方面克服了光耦合器所造成的限制: 这些易于使用的器件缩小整体解决方案尺寸、系统成本和功耗,同时提升了性能和可靠性。 此外,采用iCoupler技术,则性能不会因为电流传输比(CTR)而下降——标准光耦合器的CTR会随着时间推移而老化——并且iCoupler是双向技术,而光耦合器技术是固有单向技术。
 
设计适合工业、电信和医疗应用的鲁棒隔离式I2C/PMBus数据接口
图8. 隔离技术比较: (a) iCoupler隔离 (b) 光耦合器隔离
 
不久前,在隔离端创建一个低压电源尚需使用相对较大且昂贵的独立DC-DC转换器,或者需采用定制的分立电路,如图9所示。这些方法是仅有的替代方案,哪怕对于I2C数据通信或其他只需少量隔离式电源的应用亦是如此。
 
设计适合工业、电信和医疗应用的鲁棒隔离式I2C/PMBus数据接口
图9. 用于电源隔离器的分立式–48 V至5 V电源解决方案
 
为了解决这一问题,ADI开发了一款完整的全集成式解决方案,利用微变压器跨越隔离栅实现信号和电源传输。 这是对我们完善iCoupler技术的延伸,是一种突破性的替代方案,称为isoPower。 该方案可利用单个元件实现高达5 kV的信号与电源隔离,无需使用隔离式电源,大幅缩小典型I2C总线的PCB面积、缩短设计时间并降低总系统成本。
 
集成DC-DC转换器的双通道I2C隔离器
 
图10将使用分立元件的PMBus隔离解决方案与完全集成式解决方案进行了比较。 这款分立式方案需要使用4个光耦合器进行隔离、一个隔离式电源以及复杂的模拟电路来防止闩锁并抑制毛刺。 隔离式电源采用变压器驱动器IC来驱动分立式变压器,并与简单的整流器和低压差调节器配合,净化隔离供电轨。 该设计需要8个IC和多个无源器件,导致接口成本上升、PCB面积增加、可靠性下降。
 
集成式解决方案采用单个IC,搭配所有I2C接口都会配备的去耦电容以及上拉电阻后,可提供完全隔离的双向I2C接口与隔离电源。 ADM3260不会产生任何毛刺和锁定问题,具有经过UL认证的2.5 kV rms隔离额定值,采用20引脚SSOP封装。 该器件提供双向隔离式数据与时钟线路和隔离式电源,无光耦合器的尺寸、成本和复杂性问题。
 
该单芯片解决方案能够显著缩减隔离式I2C接口所需的成本、设计时间和PCB面积,同时提升可靠性。 该产品无需修改即可采用3.3 V或5 V电源供电,避免采用分立式设计时所必需的设计变更,同时提供150 mW输出功率(5 V)或65 mW输出功率(3.3 V),可用来上电ADC、DAC或隔离端的其他小系统。
 
设计适合工业、电信和医疗应用的鲁棒隔离式I2C/PMBus数据接口
图10. 隔离式I2C设计对比: (a) 分立式解决方案 (b) 集成式解决方案
 
瞬变?;?/strong>
 
为了让隔离式接口能够在工业应用等恶劣工作条件下运行,iCoupler和isoPower隔离技术提供高于25 kV/ìs的共模瞬变抗扰度。 它确定原边和隔离端之间电位差上升沿和下降沿上的最大压摆率,确保耦合到总线的瞬变信号不会损坏连接总线的器件或破坏已传输的数据,同时增强数据链路可靠性。
 
2.5 kV隔离?;ず腿现?/strong>
 
该隔离解决方案的器件原边与隔离端之间隔离额定值为2.5 kV rms。 此隔离额定值保证电流无法从原边流入I2C总线,并且耦合至总线的电压或瞬变信号不会到达逻辑端。 2.5 kV隔离?;せ挂馕蹲?,可以保护逻辑端的用户与设备不受总线端的高电压或瞬变影响。 ADM3260的2.5 kV隔离额定值正在接受下列机构的认证: 美国保险商实验所(UL)、德国电气工程师协会(VDE)和加拿大标准协会(CSA)。 UL 1577认证要求所有器件的隔离栅都要100%经过生产测试。 ADM3260提供:
 
  • UL认证
  • 依据UL 1577,1分钟2500 V rms
  • VDE合格证书
  • IEC 60747-5-2 (VDE 0884, Part 2)
  • VIORM = 560 VPEAK
  • CSA元件验收通知#5A
 
PCB布局
 
进行正确的PCB布局对于确保在实际设计中实现2.5 kV的额定隔离性能至关重要。 主要考虑因素是逻辑端GND和总线端GND之间的爬电距离(导线表面之间沿壳体的最短距离)和电气间隙(最短空气距离)。 ADM3260的逻辑接口不需要外部电路。 输入和输出供电引脚需要电源旁路,如图11所示。欲了解有关PCB布局指南和电磁辐射(EMI)控制的更多信息,请参考AN-0971应用笔记"isoPower器件的辐射控制建议"。
 
设计适合工业、电信和医疗应用的鲁棒隔离式I2C/PMBus数据接口
图11. ADM3260推荐的印刷电路板布局
 
ADM3260应用与优势
 
ADM3260热插拔隔离器同时提供数据和电源隔离。 两路无闩锁、双向通信通道支持完整的隔离式I2C/PMBus接口和集成式DC-DC转换器,提供最高150 mW、3.15 V至5.25 V范围的隔离式电源。拥有双向通道则无需将I2C/PMBus信号分成单独的发送信号与接收信号,供独立光耦合器使用。集成式DC-DC转换器能以小尺寸实现完整的隔离式I2C/PMBus接口。 采用20引脚SSOP封装的ADM3260如图12所示,该器件具有5.3 mm爬电距离,工作温度范围为–40°C至+105°C,千片订量报价为2.99美元/片。
 
除了为热插拔中央交换局线路卡提供I2C总线隔离,ADM3260还可用来隔离恶劣工业环境下的数据采集设备、通过以太网提供电源和电平转换,以及用于其他各类应用中。
 
设计适合工业、电信和医疗应用的鲁棒隔离式I2C/PMBus数据接口
图12. ADM3260隔离式I2C/PMBus接口
 
结论
 
工业与仪器仪表、电信和医疗应用中的隔离式I2C/PMBus链路解决方案要求做到尺寸小、性能稳定、价格适中。 通过集成芯片级变压器隔离,单芯片可实现完全隔离式I2C/PMBus数据链路,并包含隔离式电源。 热插拔、双通道I2C隔离器ADM3260集成DC-DC转换器,是一款紧凑、可靠、低成本、高性能解决方案,可用于这些标准严苛的应用中,并显著减少电路复杂程度,大幅缩短设计时间。
 
参考文献
 
I2C数字隔离器
 
数字隔离器产品选型与资源指南
 
采用isoPower™技术的iCoupler®产品:利用微变压器跨越隔离栅实现信号和功率传输
 
 
 
 
 
推荐阅读:


 
 
 

关闭

?

关闭