桃花源qm花论坛(品茶),凤楼阁论坛官网入口网址,一品楼品凤楼论坛最新动态,风楼阁全国信息2024登录入口

你的位置:首页 > 电源管理 > 正文

工程师超简易方式理解运放——不学后悔

发布时间:2016-11-23 责任编辑:sherry

【导读】说实话,我最怕的就是解决运放使用的问题,最喜欢的也是用运放解决问题,一个孩子送了我一些进口啤酒让我给他讲讲如何规避运放使用误区,我喝了后就开始胡说了。

1、选运放要在双电源供电和单电源供电方式下做出迅速决定,原则上讲所有的运放都可以单电源供电,只不过是信号地的问题制约了你,特别是目前的低功耗CMOS运放使得很多人认为双电源供电的运放落伍,实际不然,如果在运放应用初级阶段没什么把握建议从正负双电源供电的运放开始玩,成功率相对高。
选运放要在双电源供电和单电源供电方式下做出迅速决定,原则上讲所有的运放都可以单电源供电,只不过是信号地的问题制约了你,特别是目前的低功耗CMOS运放使得很多人认为双电源供电的运放落伍,实际不然,如果在运放应用初级阶段没什么把握建议从正负双电源供电的运放开始玩,成功率相对高。
2、运放应用设计是在速度与功耗,噪音与功耗,精度与速度的权衡中做出最佳决策,别去追求你不需要的性能指标,那样也是一种浪费。学习德国人用LM224做个跟随器做成的低通滤波器就是一门艺术手法。

3、单电源供电CMOS运放没有你想象的那样能随你所愿,电路上和双电源使用的运放没有任何区别。最起码它有时就是不输出0就够烦你,另外它要处理失调丝毫不那么简单,有AD的系统可千万别轻视失调对LSB的影响。

4、差动接法如果用单电源CMOS运放搭不一定工作正常,尤其共模抑制比等性能不好提高,有时还要防振荡。还有一点就是目前的5V供电CMOS运放由于有效作用范围变窄,噪音变得也就敏感多了。
运放
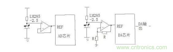
5、基准使用时慎用运放添足,尤其做面对需要5V模拟的时候,下图中的让DA输出5V就要慎重选用,图中的运放是轨对轨的供电的CMOS运放,千万别忽视了5V供电的运放可没法输出5V的事实,哪怕50mv差距对基准来说麻烦来了,当然尺子不准了。
运放
6、不是所有的运放都有“负轨” 的能力,很多单电源供电的运放的输入可以到-0.5V或更多,别忘好好看看datasheets,大多数CMOS单电源供电的运放真怕负的,而且坏得几乎没有什么觉察,没谱的情况下更要学会使用钳位电路,这太重要了,下图有时也要留着位置,使用一个封装内的双二极管,招数还有很多,不唯一不限制,但也要考虑负作用。
运放
要采购滤波器么,点这里了解一下价格!
特别推荐
技术文章更多>>
技术白皮书下载更多>>
热门搜索

关闭

?

关闭