【导读】随着工业控制系统的不断大型化、复杂化及综合化,对于控制系统的能源的提供者—工业导轨式开关电源的要求也越来越高了,其集中体现在如何提供大功率的开关电源和如何提高导轨式开关电源的使用的可靠性,为了达到这个目的,导轨式开关电源的并联技术和冗余功能得到了很大的发展。
市场上也出现了不少具有并联和冗余功能的导轨式开关电源。但是在生产实践中如何正确地使用和选择导轨式开关电源来实现并联和冗余的功能,仍存在不少问题。比如说:如何能实现100%的冗余功能,不同功率的电源在并联时会产生什么样的问题,电源内部的调节性能对并联运行的电源产生的影响,并联电源安装位置及排列对电源使用寿命的影响,以及采用不同电源启动时间对并联运行可能带来的后果等。本文将对实践中使用导轨式开关电源并联和冗余技术的问题作些探讨。
1.输出电压连接方法对并联运行电源的影响
由于在电源设计中,输出接线端子一般都按单个电源的最大容量来计算和选定的,因此电源并联运行时,各电源的输出端电压不能直接地连接,这样连接的终端会出现过载现象。PULS电源采用了二个输出端子,如图1所示。从电源单元到负载的连接线应使用相同长度和横截面的导线。同时输出电压必须连接在一个公共的接线端上。这样保证每个电源不会在传输导线上产生不同的电压降,避免输出回路电流的产生。采用被动式均流技术的并联运行时各个并联电源的输出电压值必须完全一致,为了达到这个目的,许多可并联的开关电源输出电压是可调的,如PULS电源的输出为24~28V可调。这样在所有并联的电源接上负载以前,各个开关电源的输出电压就可调整到一致的电压值。

2.不同的开关电源启动特性对并联运行电源的影响
不同的电源的启动特性对电源并联运行的正常与否将会产生很大的影响,由于开关电源在上电后大约需要0.3~1.5s的时间才能使输出电压稳定。而采用启动时间的差别较大的开关电源时,往往会给并联运行电路的正常启动带来很大的麻烦。如果两个开关电源并联工作,其中一个电源启动时间比较短,只需0.3s,其电压很快就稳定下来,马上承担负载的电流;而在第一电源输出电压已稳定的情况下另一个并联开关电源仍处于启动状态,不能正常工作,这时第一个电源必须承担全部的负载电流,从而进入过负载状态,电源安全装置起作用,关断输出电压;恰在此时,另一个开关电源进入稳定状态,输出电压承受负载电流,此时第一个电源因为输出电压已关断,第二个开关电源必须承受所有的负载,则又进入过负载状态,引起第二个开关电源关断。在电路设计时如果没有充分考虑到保险措施的话,往往会将电源烧坏或者常常要启动多次才会进行正常工作的状态。因此电源在并联工作时必须考虑到开关电源的启动时间。一般的经验是开关电源的启动时间必须小于20%的电源过负载的时间,这样才能保证在并联运行时可靠启动,同时建议可并联的开关电源不要采用Hiccup输出负载特性,这样会给电源的诊断带来困难。德国PULS电源集团公司(以下简称PULS公司)的新一代产品DIMENSION充分考虑了电源并联工作时特点,加大了电源的过负载能力,其POWER OVERLOAD具有可维持4秒钟的150%过负载能力。这样,PULS电源并联工作是就不必考虑电源的启动时间的影响,大大方便了使用者和设计者。
3.突变输出负载对并联运行的导轨式开关电源的影响
在并联运行时,电源中为了给它的控制电路供电,须提供一个辅助电压,这在启动时通过采用一个电容来实现(这也就是为什么电源启动时有延迟时间的原因)。当电源的功率部分正常工作后,其控制电路由本身的电源供电,当两个电源并联运行时,如果一开始带的负载很少,那么其中一个电源的功率部分基本关断(这不仅对被动式或主动式均流方法都是一样的)。这时这个电源的内部的辅助电源也关断了,当负载突变时,这个电源必须像启动状态一样,慢慢地重新建立起来,这要经过一个延迟(大约0.5s)才能使电源功率部分正常工作,在这延迟时间内,只有一个电源进行工作,而且处于负载电流的极限状态,这时往往会引起过载保护动作,切断输出的电压。因此并联运行的电源必须保证在电源空载的情况下,内部辅助电源照常工作,这样,当出现突变负载时所有电源能及时地分担负载。在并联运行时,并联运行的电源应该具有承受较高外来电压的能力,不然的话,一个较高的外来电压将会损坏并联电源。为了避免这种现象的发生,须考虑串接一个隔离二极管。PULS公司的DIMENSION充分考虑了突变输出负载的特点,通过加大了电源的过负载能力,来解决由于负载突变而可能发生电源瞬间过负载的问题。这样,PULS电源并联工作方法比一般的开关电源的并联来的更加可靠、安全和方便。
4.导轨式开关电源的简单的并联运行模式
在使用导轨式开关电源时,为了提供超过单个电源所能达到的输出最大功率,可以通过电源并联的方法来增加输出的电流量。简单的并联运行模式是要求二个或多个电源直接并联,而不产生任何损坏的现象,其重要的一点就是电源对输出功率的承受力,所谓的简单并联并不考虑电流的均流问题,而是考虑在启动时或负载变化时的并联电源可能产生的问题。人们将两个电源简单地并联起来,并将它的输出电源调整到尽可能一致,这样在工作实践中往往会出现这种现象:电源1首先承担全部负载,一直到它的电流极限,然后电源2承受余下的电流,如果这样并联运行作为冗余功能使用,同时采用不同的输入源的工作的话,那么这种方式是受欢迎的,因为它可以对输入源寿命起延长?;ぷ饔茫ㄈ绲绯氐龋?。如果这样并联运行作为提高输出总功率,即加大电流量的情况下,这种不均流的工作方式将带来不良的后果,因为这样一个电源一直工作在满负载的状态下,其电源的寿命大大减少,并联电源的可靠性大大降低,这个电源往往也会过早地损坏。所以一般并联电源必须合理地分配电流,这里有两种实现的方法。

4.1 采用被动式均衡电流的并联运行模式

被动式均衡电流的并联运行模式特点是:当输出电流增大时,其输出电压会微量的减少,其输出电压是所谓的软特性:输出电压随着输出电流的增加而稍微下降。其电源在空载到满负载之间的输出电压的波动大约为4%~5%额定电压即1V左右。这样当二个电源并联时,由于不同的电流负载产生了不同的输出电压,一个是有稍高输出的电压的电源首先承受负载电流,随着电流量的增加,这个电源输出电压略降,低于另一个电源的输出电压,这样另一电源承受负载电流,通过这样阶梯式交替的方法达到均衡电流的作用。均衡电流的平衡程度如何,取决于所有并联电源的输出电压的初始调节和设置值。必需指出,这个方法的实现其输出电源必须采用一个共同的接线端。
一般来讲,在大多数应用场合中,具有输出电压的软特性下降曲线的开关电源基本上能满足并联运行的均流的要求。PULS电源SL强力型系列采用了这种被动式的并联工作方式,为了方便用户的使用,PULS电源上面具有输出电压特征的选择开关,即单个运行或并联运行的选择开关??卮蚩?ldquo;S”状态时,这时输出电压特征是硬特性,输出电压的大小与输出的电流无关。当打开“P”状态时,即为并联运行方法,电源输出电压特征软特性。开关电源的输出电压值随输出电流增加而减少,以达到均衡电流的目的。这样PULS电源给并联运行或单个运行提供了一个经济而又可靠的性价比高的导轨式开关式电源。
4.2 采用主动式均衡电流的并联运行模式
主动式均衡电流的并联模式必须采用一根附加的均流线,这根均流线作为反馈信号传送到电源的控制器来调节每个电源在所有的条件下提供相同的输出电流,这时,电源电压输出的软特征是不需要的,输出电压在任何场合下不受电流大小的影响,所以与被动式均衡电流相比,其输出电压精度高,同时与输出电路的类型无关;但是对于开发和安装来说,费用较高,因为在电源内部需要一个精确度较高的电流测试线路和一个附加的电流调节器,同时也多一个接线端口。PULS电源的SL40.301三相24/40A的电源采用这种技术,所有的电源经过均流线和地线相连接,如图4所示。

5.导轨式开关电源的冗余运行模式
为了提高供电电源的可靠性,在许多工业应用场合都采用冗余电源的方案,这就是说在并联的电源中至少有一个电源处于后备状态。这样当并联电源中任一电源发生损坏时,这个后备电源自动切换到工作状态,已保证并联电源继续提供设计的总功率,这种冗余方案称为N+1冗余,为了进行更高地提高可靠性,也可采用N+M的冗余方案,所有M个电源都处于后备状态,即使M个电源发生故障时,并联电源仍能正常工作,提供给负载所需的功率。为了保证冗余电源运行模式的高可靠性,其电路的设计要考虑的问题比一般并联电源的方案多得多。比如说,必须考虑任何一个电源不应长期在功率极限或电流极限状态下工作。这样产生的热量会影响寿命和提高损坏的概率,在最坏的状况下,冗余决不允许输出回路的电压短路的现象出现,这会引起负载回路的短路,完全不能实现冗余功能。因此为了100%地实现冗余功能,各个电源之间必须互相隔离,这一般可采用串接一个隔离二极管来实现,如采用PULS公司生产的SLR01、SLR02隔离二极管???。同时PULS公司还生产将隔离二极管集成在开关电源的冗余电源,如PULS公司的SLR2、SLR5和SLR10的冗余电源。在实现冗余工作方案是,必须考虑设备的检测能力,以提高系统工程的安全性。当冗余电源中任何一个电源出现故障时,必须要有一个显示信号,及时地观察到哪个电源坏了,以便尽快地进行现场处理。因此冗余电源中,任一电源的工作状态需有一个检测装置。PULS公司的隔离二极管??樯隙加懈鞲龅缭吹淖刺允镜?,并有一个与控制器相连接的断电器触点。能将电源的工作状态及时地送入控制系统中,实现监控。在制定冗余电路方案时,电源的输入电压与电网连接时,冗余电源的输入电源应连接在不同的相线上,这样当一个相线出现问题时,连接在其他相线上的电源仍能继续工作,这样大大提高了冗余电源系统的可靠性。对于三相电源来讲,开关电源必须具有缺相工作功能,即三相电源能在两相状态下工作,以提供冗余电源的可靠性。
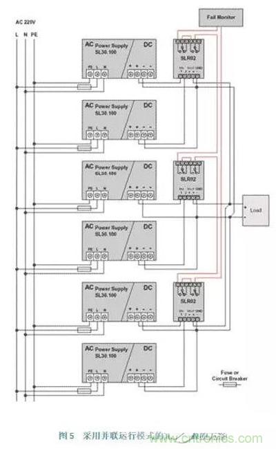
图5表示了一个采用PULS电源实现的5+1的冗余电源的方案。其输出功率为3 600W/24V/150A的并联式冗余电源。这个方案采用了6个SL30.100和3个SLR02的冗余模块。3个SLR02的冗余??榻械牡缭垂ぷ髯刺悠鹄?,成为一个综合信号送入控制系统进行监控。每个SLR02的冗余??槎寄芟允舅拥牡缭垂ぷ髯刺?,隔离二极管也防止了输出回路的短路现象的出现。

6.结语
本文对如何正确采用导轨式开关电源并联和冗余技术,对各种可能在实际应用发生问题作了探讨。值得一提的是,最近德国PULS普世电源公司推入市场的DIMENSION概念性电源,不仅其效率高》 95%,体积小,比一般同类导轨式开关电源小60%以上,引起了市场巨大的反响,同时它独创的超强的过载能力不仅解决了瞬时过载问题,而且在实现并联和冗余功能中遇到的不同启动时间问题,突变输出负载的问题,被动式均衡并联输出电压变动问题,主动式均衡并联电路设计复杂问题,乃至冗余电路可能发生的短路问题都成功地得到了解决。该产品无疑大大的方便了用户的使用,又大大提高了系统的可靠性,在导轨式开关电源技术的新开发的道路上又领先了一大步。




