桃花源qm花论坛(品茶),凤楼阁论坛官网入口网址,一品楼品凤楼论坛最新动态,风楼阁全国信息2024登录入口

你的位置:首页 > 电源管理 > 正文

攻略大科普:如何快速掌握模块电源的并联设计

发布时间:2015-08-24 责任编辑:echolady

【导读】本文详细介绍了多个电源???/a>的并联设计。简要说明了几种常见的电源??椴⒘τ?。小编对比了串联设计电路,考虑到了??榈缭床⒘杓乒讨械墓潭ǖ缪故涑鑫侍狻⑹涑鲎杩购透涸氐缌魑侍?,分析了快速设计??榈缭床⒘杓频募记伞?/strong>

在平时的工作应用过程中,工程师需要依据工作要求将多个??榈缭唇辛阶榛蛄阶橐陨喜⒘源死次纸细叩氖涑龉β?,确保系统正常运行。然而,与串联设计相比,多个电源??榈牟⒘杓撇唤鲂枰悸堑焦潭ǖ缪故涑鑫侍?,还要权衡并联后输出阻抗和负载电流问题,因此并联设计要相对麻烦一些。

下拉电阻并连法(DropResistor)

攻略大科普:如何快速掌握模块电源的并联设
下拉电阻并联示意图

下拉电阻并联法是一种比较常用的多电源??椴⒘绞?。在两组电源??榈氖涑龆耍直鸫覦rop电阻,再并联使用,完成后的电路并联情况如上图所示。此种方式主要利用输出电流对R1及R2形成的线性电压降,使得两组电源??榛峋×看锏狡胶夤┯Ω涸氐哪康模苊馐涑龅缪菇细叩牡缭茨?槔刺峁┐蟛糠莸母涸匦枨?。此种并联方式的成本较低,适合使用在精度要求不高的系统应用中。

解耦二极管并联法(DecouplingDiode)

攻略大科普:如何快速掌握??榈缭吹牟⒘? src=
解耦二极管并联示意图

上图为使用解耦二极管并联方法的电路图。该方法属于输出并联应用方式,其具体的应用方法为在二组电源??榈氖涑龆朔直鸫由隙?,之后再并联使用。其原理与下拉电阻并联法相同,都是使用D1与D2取代电阻起到并联作用。而使用解耦二极管的好处在于,可将二极管用来防止不同电源??橹涑龅缪鼓媪鞯搅硪桓龅缭茨??,这在某些电源架构上是需要的。

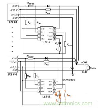
电流均流并联法(CurrentShare)

攻略大科普:如何快速掌握模块电源的并联设
电流均流并联示意图

上图为使用电流均流并联法的电路设计图。从图中我们可以看到,在电路中设计有专用IC进行并联使用。在此种方式中,每一个被并联进入电路系统的电源模块本身需具备有遥感或削减的功能才能够进行均流控制。依据实际使用经验,在使用这种方法进行均流时,每一个电源模块都可以均流输出,对电源??榈氖倜邪镏?,但成本相对较高,适合应用于有较高精确度要求的应用场合。

相关阅读:

专家教你快速设计多??榈缭创缏?/a>
技术帝解析:大功率模块电源的散热问题
新手早知道:??榈缭幢赜械牧街质涑霰;?/a>

要采购电源??槊矗阏饫锪私庖幌录鄹?

关闭

?

关闭