桃花源qm花论坛(品茶),凤楼阁论坛官网入口网址,一品楼品凤楼论坛最新动态,风楼阁全国信息2024登录入口

你的位置:首页 > 电源管理 > 正文

反激变压器设计过程的知识梳理及设计心得分享

发布时间:2015-03-12 责任编辑:sherryyu

【导读】电子电源中反激变压器设计是很重要的,但是很多人并不是很整体的了解反激变压器的设计流程,本篇文章小编就对反激变压器的设计进行了较为详细很有条理的的介绍,同时详细给出了反激匝数比设计及双路采样设计的相关心得。
 
反激变压器是在电子电源当中比较受欢迎的一种设计。很多新手都通过反激电源的制作来熟悉电源设计,目前网络上关于反激变压器的学习资料五花八门且比较零散,本文就将对反激变压器的设计进行从头到尾的梳理,将零散的知识进行整合,并配上相应的分析,帮助大家尽快掌握。
 
在本节当中,将介绍匝数比n、Dmax、UOR的设计技巧,其中包括选取原则和限制因素。
介绍匝数比n、Dmax、UOR的设计技巧
UOR、Dmax、n的设计方法
 
UOR的设置和输出电压有关
 
匝数比越大,漏感越大;高输出电压,匝数比较低,尖峰也会较??;
 
例如:5V输出,匝数比可以分别取15、20、25(也就是UOR不同),不同的匝比实际获得的漏感会大不相同,效率也会差别较大。
 
通用输入,普通反激变换,600V的MOS管作限制:
 
3.3V输出,UOR一般为60-75V,45V二极管;
 
5.0V输出,UOR一般取70-80V,45~60V二极管;
 
12V输出,UOR一般控制在80-120,100V二极管;
 
24V输出,UOR一般可以取到100V以上,具体看漏感控制的效果;
 
上面是综合考虑到各方面的因数后,折中的取值(经验值),根据使用的磁芯不同,参数会稍有变化。当然,5V输出也有很多人取100V左右,这是根据控制芯片及产品要求等而定,主要取决于实际情况,这里没有绝对答案。
 
UOR的设置和输入电压有关,
 
原因很简单,UOR决定了DMAX;
 
UOR(DMAX)计算的第一步,是确定输入电压,即如何准确确定HVDCmin。特别是CIN容量不足,或者是要求产品的工作温度非常低时,需特别注意。很容易理解,如果最小直流电压不准确的话,所有计算的结果几乎没有实际意义。
 
UOR的设置和磁芯漏感有关
 
匝数比越大,漏感越大,在低压输入及低成本设计时,需要非常小心。因为这两种情况下,MOS可能不会拥有太大的电压裕量可供调整。
 
低压输入时,要么是100VMOS,要么是200VMOS,一旦超出,很难弥补;低成本设计时,磁性元件(EE型磁芯)和半导体器件本来就烂,很难控制。
 
注:磁芯种类繁多,即使两种类型的磁芯输出功率可能一致,其表现出来的电气性能差别很大,特别是气隙和漏感的影响。不过采用合理的设计,可以在一定程度上削弱漏感尖峰电压。采用特殊的工艺,可以降低(气隙)边缘磁通对绕组的影响。
 
UOR的设置跟磁芯的结构也有关系
 
这一点在反激变换中尤其明显。如果磁芯无法选择(更改),尽可能确保初次级平铺一层。否则可能无法获得满意的气隙和漏感控制。磁芯种类繁多,并非所有种类的磁芯都适合所有规格输出。例如:
 
采用EE型磁芯,中心柱太短,如果初次级平铺一层,UOR可能不会太高;
 
采用EER型磁芯,中心柱太长,如果初次级平铺一层,UOR可能不会太低;
 
但这不是绝对的,因为初次级的漆包线可以采用多股绕制来确保平铺,不过有些情况即使采用多股线也无法满足要求。
 
UOR的设置跟磁芯损耗有关
 
UOR越高,磁感应强度越大,磁芯损耗会越大,在准谐振反激变压器设计中需特别注意,否则磁芯损耗非常大,也比较容易饱和(但在普通的DCM、CCM变压器设计中并不明显)。
[page]

UOR的设置跟MOS、次边二极管、电解电容有关
 
应该通过设置UOR及KRP来满足半导体元件的有效电流、峰值电流、耐压等,还有电解电容的纹波电流。因为设计常规的产品,功率半导体器件和输出电容几乎是“常量”。
 
UOR的设置和输出电流有关
 
如果输出电流很大,此时次级一般会控制在3-4T,显然原边也不会太高。否则过大的DMAX会给次级造成极大的电流应力,此时也需要将KRP跟UOR紧密联系起来。
 
UOR的确定跟气隙有关
 
一般把气隙控制在0.2-0.8mm(中心柱),以减小边缘磁通损耗,此时也需要将KRP跟UOR紧密联系起来。UOR也应该跟挡墙的宽度有关(初次级隔离电压),因为中心柱长度直接决定了单层NP的大?。↖RMS可以算出来)。这很难理解,牵扯的变量太多了,可以一步一步去仔细分析、计算。如果自己绕变压器绕的比较多的话,应该很容易明白。
 
原边UOR的确定跟控制芯片有关
 
原因很简单,UOR决定了DMAX;即区分电压模式控制还是电流模式控制。
 
看了这么多,大家一定也有所感触,其实UOR的取值是一个综合的优化过程,这部分的内容就说到这里,下面额外讲一些关于双路采样的小心得。
 
双路采样心得
双路采样心得
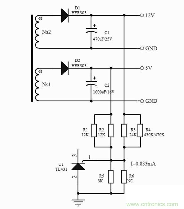
假设VO1=5V2A,VO2=12V0.5A,要求负载调整率尽可能的高;
 
一些建议:
 
负载调整率与NP无直接关系;尽可能采用长宽比高的磁芯,此类磁芯耦合较佳;NS较高调整率会相对较好(满足单层平铺的情况下,耦合良好的原因);尽可能减小漏感(采用较大的LP、较小的气隙、初次级平铺、采用三明治绕法等等);尽量采用CCM模式设计,因为CCM模式下,LS/LP比值相对更??;调整率与R1-6之间的比率密切相关,建议每一路偏置电阻均采用串联或者并联的方法实现;调整率与D1、D2的VF密切相关(应该也包括速度,如肖特基、快恢复之分);
 
下偏置电阻计算
 
已知VREF=2.5V,假设R5=3K,R6=NC,总的偏置电流为:
 
I=2.5V/3K=0.833mA
 
注:R6用于微调输出电压,改变R6,则VO1、VO2会同步上升或者下降。
[page]

VO1上偏置电阻计算
 
已知VREF=2.5V,VO1=5V,总偏置电流等于0.833mA,则VO1的上偏置电流为:
 
0.833mA/2=0.417mA(反馈电流比例占50%)
 
Vo1的上偏置电阻为:
 
VO1-VREF/0.417mA=5V-2.5V/0.417mA=6K
 
设置R1=12K,R2=12K。
 
VO2上偏置电阻计算
 
已知VREF=2.5V,VO2=12V,总偏置电流等于0.833mA,则VO2的上偏置电流为:
 
0.833mA/2=0.417mA(反馈电流比例占50%)
 
Vo2的上偏置电阻为:
 
VO2-VREF/0.417mA=12V-2.5V/0.417mA=22.78K
 
设置R3=24K,R2=430-470K调整。
 
NS1匝数计算
 
已知VO1=5V,假设VF=0.5V,那么NS1两端的电压为5.5V;
 
假设NS1=5T,那么NS1每一匝的电压为:
 
5.5V/5T=1.1V
 
简易优化分析
 
当NS1=4T时,1.375V/T;
 
当NS1=5T时,1.100V/T;
 
当NS1=6T时,0.917V/T;
 
当NS1=7T时,0.786V/T;
 
从上述计算我们可以得知,NS值越大,每一匝的电压越低。这意味着V/T越低,电压计算值会越精确。最终选择NS1=7T,即变压器每一匝的电压为0.786V/T;
 
NS2匝数计算
 
已知VO2=12V,假设VF=0.5V,那么NS2两端的电压必须为:
 
12V+VF=12.5-12.8V之间
 
取NS2=16T,则0.786V*16T=12.576V,减去VF值,VO2=12V左右。
 
偏置电阻计算出来了,NS1、NS2的匝数也计算出来了。接下来要处理唯一不确定的因数-----------二极管的VF值。
 
需要注意的是,规格书提供的VF值,在此处往往并没有太多的参考价值,建议还是用实验的方法来选择。在满足电压、电流应力和封装的条件下,需要尽可能的多准备一些不同类型、品牌的二极管。这会存在N种不同的组合,例如5V输出,我们可以选45V、60V、100V的肖特基。12V输出,可以选用100V的肖特基或者超快恢复二极管,必要时,200V的HER303都是有可能的。在变压器设计良好的情况下,双路的负载调整率应该仅仅取决于二极管的VF值是否精确匹配。
 
千万不要随便改变采样电阻比率,以达到合适的电压精度,否则会越调越复杂。另外,变压器的匝数比计算和绕制工艺也非常关键。关于叠加绕组、非50%比率采样,建议查阅相关资料。
 
本篇文章对反激变压器的匝数设计进行了较为详细的介绍,并给出了双路采样的相关心得。在下一节当中,将为大家带来QR模式变压器设计,也就是临界模式的分析与计算。
 
要采购磁芯么,点这里了解一下价格!
特别推荐
技术文章更多>>
技术白皮书下载更多>>
热门搜索

关闭

?

关闭