【导读】利用虚拟仪器构建监控系统,有效地提高了开关磁阻电机控制系统的实用性和可靠性,能够快速实现监测和调整电机运行时的参数。下面是电路设计详解。
该方案以装有数据采集卡的 PC机和 DSP作为硬件基础,利用 LabVIEW软件将各类传感器传送的信号进行实时处 理,同时记录和显示各项数据,然后再利用相应的算法完成对数据的分析。数据是采用PCI-6143数据采集卡,并以LabVIEW8.6为开发环境编写程序而获取的。考虑到该系统可能在比较恶劣的工作环境下使用,为了更安全有效地实现实时控制,同时利用DSP 作为PC 机的备用处理器。实验用样机是一台8/6极,功率为150 W 的SRM。
位置信号检测

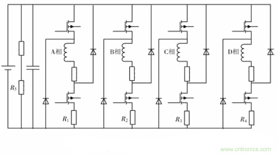
当然,在稳态运行时,绝对位置编码器也完全可以取代光电位置传感器以提供更为准确的转速信息。只是相对于光电位置传感器来说,绝对位置编码器价格昂贵,且较易损坏,并不适合于振动较剧烈的场合。实验电机的电路结构如图2所示。其中,R1~R4分别为与电机四相串联的小电阻,R5则为用于测量绕组电压的分压电阻。
相关阅读:
案例解析:直流电机调速与测速电路??榈纳杓?/a>
名厂专家:新型传感器如何提升电机性能降低功耗
恶补电机知识:世上最全单相电机电容接线图





