桃花源qm花论坛(品茶),凤楼阁论坛官网入口网址,一品楼品凤楼论坛最新动态,风楼阁全国信息2024登录入口

你的位置:首页 > 电源管理 > 正文

且看单端反激电路“玩转”逆变电源!

发布时间:2014-11-09 责任编辑:echolady

【导读】相信大家都知道,电池供电的逆变电源通常由两级组成,前级DC/DC电路将电池电压变换成直流约350V 电压,后级DC/AC电路将直流350V电压变换为交流220V电压。本文以24V电池供电,输出电压350V/1KW为例,深度解析单端反激电路如何玩转逆变电源前级DC/DC电路。

在这类逆变电源中,前级DC/DC电路一般供电电压较低(12V、24V或 48V),输入电流较大,功率管导通压降高、损耗大,所以电源效率很难提高。其电路形式有:单端反激、单端正激、双管正激、半桥和全桥等,对于中小功率(约0.5~1kW)而言,单端反激电路具有一定优势,如:电路简单、控制方便、效率高等。

一、常规单端反激电路结构

常规单端反激电路结构如图1所示,该电路的缺点在于功率管VT截止时,变压器初级的反峰能量,被VD1、C 1和R 1组成的吸收电路消耗掉;而且在输出功率相同的情况下,功率管通过电流(相对于多管并联)大,导通压降高,损耗大,所以效率和可靠性较低。

且看单端反激电路“玩转”逆变电源!
图1:常规单端反激单路结构
 
二、多管并联的单端反激电路结构

如图2所示,该电路的特点是,主功率电路采用4只功率管并联,每只功率管通过的电流为单管应用时的1/4(假定4只功率管参数一致),则功率管的导通压降也 应为单管应用时的1/4.根据计算,在输出550W时,理论上,4管并联比单管可减小通态损耗约20W,提高效率近3个百分点。

且看单端反激电路“玩转”逆变电源!
图2: 4只功率管并联主功率电路
 
[page]  
三、采用能量回馈技术的单端反激电路结构

采用能量回馈技术的单端反激电路结构如图3所示,其主要波形如图4所示。在本电路中,用电容C 2、电感L 1、二极管VD1和VD2组成变压器初级反峰吸收电路,可使大部分反峰能量回馈到输入电容C 1上,减少了能量损耗,提高了电路效率。

且看单端反激电路“玩转”逆变电源!
图3:初级反峰吸收电路
且看单端反激电路“玩转”逆变电源!
图4:初级反峰吸收电路主要波形
 
其工作原理如下:

(1)t 0~t 1阶段:t 0时刻功率管截止,变压器初级电感L 、漏感L K、电容C 2和功率管输出电容C 0开始谐振,并很快使C 2电压达到U 0(N 1/N 2),随后次级二极管导通,初级电压被钳位到U 0(N 1/N 2),初级电感L 退出谐振,到t 1时刻I K为0,同时C 2和C 0上电压达到最大值,即开关管电压U S达到最大值(U IN+U C2MXA)。
(2) t 1~t 2阶段:在L K、C 2、C 0继续谐振,同时电感L 1参与谐振,C 2、C 0给输入电容C 1回馈能量,并且给L 1补充能量,到t 2时刻谐振停止,C 2电压又下降到U 0(N 1/N 2)。
(3)t 2~t 3阶段:t 2时刻开始,电感L 1给输入电容C 1回馈能量。C 2电压被钳位在(N 1/N 2)U 0、C 0即开关管上电压为U IN+(N 1/N 2)U 0,均保持不变,到t 3时刻,L 1中能量释放完毕。
(4)t 3~t 4阶段:开关管完全截止,C 2电压、C 0电压(即开关管电压)继续保持不变。
(5)t 4~t 5阶段:t 4时刻功率管导通,其电压U S开始下降,C 0开始通过开关管放电,并很快放完毕(全部损耗在功率管上);C 2和L 1开始谐振,即把C 2中的能量转移到L 1中,在t 5时刻L 1中电流达到最大值,功率管完全导通。
(6)t 5~t 6阶段:t 5时刻L 1通过VD1和VD2给输入电容C 1回馈能量,并给C 2充电到-U IN,到t 6时刻L 1中能量释放完毕。
(7)t 6~t 7阶段:该阶段功率管继续处于完全导通状态。
以上过程形成一个完整工作周期,可以看出,变压器漏感中的能量大部分被回馈到输入电容C 1中(C 0中有部分能量被消耗掉),所以电源效率得到提高。
[page]
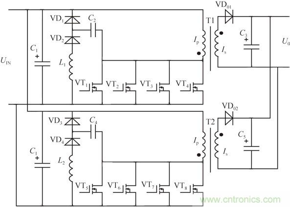
四、两路单端反激并联电路结构

若要增加输出功率,采用如图5并联结构,该电路结构可输出功率约1.1kW,用一只SG3525控制即可。

且看单端反激电路“玩转”逆变电源!
图5:两路单端反激并联电路结构
 
五、试验结果

由两路单端反激并联组成的逆变电源前级DC/DC电路(见图5),输出功率约1.1kW,试验结果如表1所示。

表1:前级DC/DC试验结果
且看单端反激电路“玩转”逆变电源!
 
由上述DC/DC电路组成的1kVA逆变电源,输出AC220V50Hz正弦波,试验结果如表2所示,该电源体积320×200×60mm3。

表2:1kVA逆变电源试验结果
且看单端反激电路“玩转”逆变电源!

相关阅读:

反激开关管Vds电压尖峰波形,5大独门绝技全搞定!
专家答疑:反激式转换器中工程师为何“偏爱”BJT
技术分享:反激电源及变压器的最大占空比实现
要采购开关么,点这里了解一下价格!
特别推荐
技术文章更多>>
技术白皮书下载更多>>
热门搜索

关闭

?

关闭