【导读】UPS供电系统是电力、通信、银行等行业的必备电源。本文所设计的UPS智能监控系统具备以下环节和功能:能在各种复杂的电网环境下运行;在运行中不会对市电产生附加的干扰;输出电性能指标应该是全面的、高质量的,能满足负载的各项要求。
引言
UPS供电系统是电力、通信、银行等行业的必备电源,从产生到现在已有几十年的发展历程,在技术不断发展和改进的过程中,其?;すδ芤苍诓欢系胤⑸浠?。UPS根据主机内逆变器的工作状态可分为:后备式、在线式及在线互动式。他们的作用是对市电进行滤波、稳压调整,以便向负载提供更为稳定的电压,同时,通过充电器把电能转变为化学能储存在蓄电池内,一旦电力中断、电网电压或电网频率超出UPS的输入范围,可在极短的时间内开启自身的储备电源,向负载供电。
本文所设计的UPS智能监控系统具备以下环节和功能:能在各种复杂的电网环境下运行;在运行中不会对市电产生附加的干扰;输出电性能指标应该是全面的、高质量的,能满足负载的各项要求;UPS本身应具有很高的效率,有接近实际市电的输出能力;是一台智能化程度很高的设备,有高度智能化的自检功能,自动显示、报警、状态记忆功能以及通讯功能。
1 总体设计
该设计由主监控单元、交流检测单元、电池检测与巡检单元、馈线检测及调压单元、绝缘监察及接地选线单元等单元模块组成。这些??橹渫ü诓縍S485进行通信,实现对电源柜的交流配电、蓄电池充放电过程、电池状态、调压状态、母线对地电阻、馈出线开关状态的实时监测、控制和报警处理。整个系统通过RS232和上位机进行通信以进行历史数据的查询和统计。
2 各单元介绍
2.1 主监控单元
主监控单元调度整个系统的运行。主监控单元由主监控板、320x240点阵液晶显示屏、键盘及指示灯等组成,完成蓄电池充放电管理,运行及控制参数的设定和显示,告警记录的存储、查询,通过RS232和上位机通信,通过RS485控制内部各单元。

2.2 交流检测单元
该单元主要完成三相交流电压、电流及频率的采集;同时具有交流失电、缺相、过压、欠压等告警功能;告警时继电器告警接点闭合。通过调节板上电位器可校正三相交流电压显示值。
2.3 电池检测与巡检单元
该单元由电池检测板和电池巡检板组成(可选),主要完成电池组电压(合母电压)、充/放电电流、环境温度及单体电池电压的采集;电池熔丝状态检测;可通过输出模拟电压、电流给定来控制其他厂家的??榛蛳嗫氐缭慈啻シ宓牡缪够虻缌鞲?具体情况与厂家协商),提高了系统的兼容性;按时计量;同时完成合母过欠压、电池过充、电池馈电及单体电池失效告警等功能;通过调节电池检测板和电池巡检板上的电位器可分别校正合母电压和单体电池电压显示值。如图2中所示。
2.4 馈线检测及硅链调压单元
由馈线检测CPU板、开关量输入板组成,实时检测合母和控母的馈线开关状态。通过开关量扩展口,可以检测24路馈线。当出现开关变位或控母电压越限时告警并通过硅链自动调节控母电压(最多7节硅链凋压)。通过调节馈线检测板上电位器可校整控母电压显示值。
2.5 绝缘监察及接地选线单元
由绝缘监察检测板和接地选线扩展板组成,主要功能是实时监测母线对地电阻,自定位接地支路。当母线对地电阻低于告警设定值时,告警继电器闭合;通过接地选线扩展口连接接地选线,最多支持24路选线。
[page]
3 关键电路单元设计
3.1 电流检测电路
电池充放电电流的大小尤为关键。电路图如图1所示,因为是既检测充电电流也检测放电电流,故在小电阻上的电压又是两个方向,在电路检测中用两个通道分别检测,这样也便于分别进行信号的调理,同时也便于用A/D转换器的一个输入通道来测量。
3.2 合母电压的监测
合母电压监测电路如图2所示。合母电压流过电阻R16、R17、R54,在电阻R17上取样,故而电阻R17应选用高精度电阻。R16和R54因为要比电阻R17大得多,又是出现在分母上,故而不必选用高精度电阻。LL的作用是抑制共模干扰??梢酝ü鹘诘缥黄鱎p的大小来使所要监测电压的大小符合A/D转换器输入电压要求。
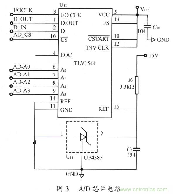
3.3 A/D转换
A/D转换芯片采用TLV1544。TLVl544的主要特点是:宽范围的单电源供电,VCC可为2.7~5.5V;芯片内部有着较高的转换速率,转换时间小于10μs;芯片提供4路外部输入通道,通过编程给芯片不同的状态字设置可以任意选择4个输入通道之一;芯片有4个端口作为同步串行接口,通过SPI总线的形式与微处理器连接;11位A/D转换,足以满足系统的要求。如图3所示。

控制对从选定的通道中输入的模拟信号的采样开始。由高变低开始模拟输入信号的采样;由低变高使采样和保持功能处于保持状态,并开始模/数转换。独立于输入/输出时钟信号,当为高时,开始工作。为低的持续时间控制开关电容阵列采样周期的持续时间。当不用时,接高电平。引脚(E0C)在A/D转换结束时变为高电平来表明转换完成。本单元通过查询EOC电平来判断是否转换完成从而进行数据的读取。
3.4 通信电路设计
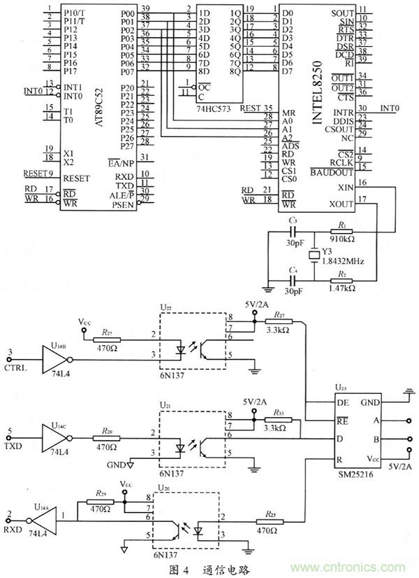
整个系统内部通过RS485进行通信。具体电路如图4所示。因为控制芯片都采用AT89C52,作为主监控单元CPU只有一个串口,而其并口也没有充分利用起来,故通过可编程串行接口芯片8250扩展串口,用并口来模拟串口。

3.5 X5045电路设计
X5045电路的设计如图5所示。本器件将四种功能合于一体:上电复位控制、看门狗定时器、降压管理以及具有块?;すδ艿拇蠩EPROM。它有助于简化应用系统的设计,减少印制板的占用面积,提高可靠性。将其与CPC以SPI总线方式连接,读写简单,其内部的EEPROM还可以保护一些重要数据。

3.6 系统时钟设计
采用功能齐全的时钟芯片DS1306。DS1306的时间、日历和报警器可以通过写相应的寄存器位来设置和初始化。通过读相应寄存器就可获得日历和时间。DSl306的电源供给有三种运行方式,本系统采用可充电电池的方式,如图6所示。

4 结语
(1)本智能电源监控系统根据电池的特点进行智能电池充放电管理,在实际使用中起到了延长电池使用寿命的作用;
(2)各??榈?85通信使得系统具有完善的告警处理及事故追忆功能从而可以全面掌握系统运行状态。




