【导读】开关稳压电源的电路设计方法不只一种,这里为大家介绍一种自激反馈开关稳压电源电路设计,该开关稳压电源电路设计有别于其他的普通开关电源设计,到底有什么好的优点呢?请看下文详细的自激反馈开关稳压电源电路设计。
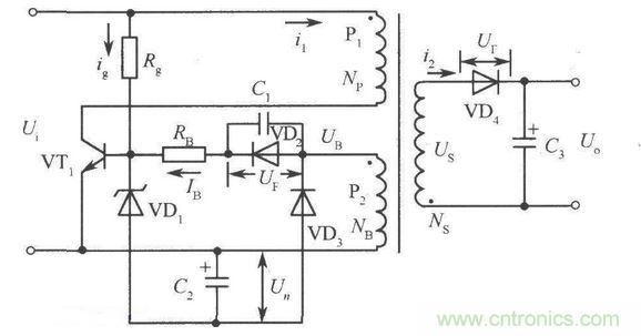
自激反馈开关稳压电源基本原理如图所示。当加上输入电压时,电流经Rg流向开关管VTl的基极,使VTl导通,此时变压器副边的二极管反向偏置,无电流流过,于是VTl集电极电流和变压器绕组Np中流动的电流相等。由于是从零启动,因此基极电流不大就能使VTl导通。

发布时间:2014-07-05 责任编辑:sherryyu

我爱方案网 ICGOO元器件商城 创芯在线检测 芯片查询 天天IC网 电子产品世界 无线通信???/a> 控制工程网 电子开发网 电子技术应用 与非网 世纪电源网 21ic电子技术资料下载 电源网 电子发烧友网 中电网 中国工业电器网 连接器 矿山设备网 工博士 智慧农业 工业路由器 天工网 乾坤芯 电子元器件采购网 亚马逊KOL 聚合物锂电池 工业自动化设备 企业查询 工业路由器 元器件商城 连接器 USB中文网 今日招标网 塑料机械网 农业机械 中国IT产经新闻网 高低温试验箱
关闭
关闭