一.先来认识一下反激变换器
1.反激基本电路:

2.工作原理:
变压器的一次和二次绕组的极性相反,这大概也是Flyback名字的由来:
a.当开关管导通时,变压器原边电感电流开始上升,此时由于次级同名端的关系,输出二极管截止,变压器储存能量,负载由输出电容提供能量。
b.当开关管截止时,变压器原边电感感应电压反向,此时输出二极管导通,变压器中的能量经由输出二极管向负载供电,同时对电容充电,补充刚刚损失的能量。
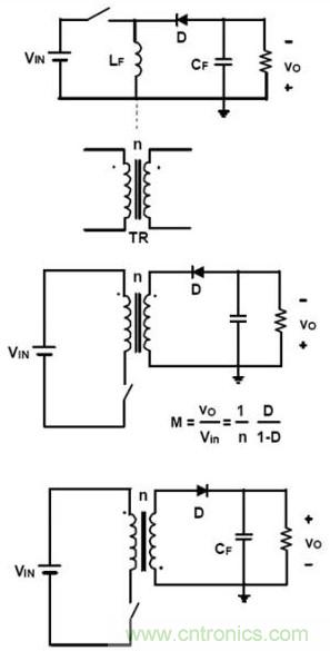
3.反激电路的演变
可以看作是隔离的Buck/Boost电路:

4.在反激电路中,输出变压器T除了实现电隔离和电压匹配之外,还有储存能量的作用,前者是变压器的属性,后者是电感的属性,因此有人称其为电感变压器,有时我也叫他异步电感。
[page]
二.Flyback的工作模式:
1.DCM(discontinuous current mode)&CCM(continuous current mode)
根据次级电流是否有降到零,反激可以分为DCM和CCM两种工作模式。两种模式有其各自的特点。下面两种工作模式时的波形(理想波形)。

3.工作模式:
1)电压电流波形
2)用电感变压器模型来标示工作工作过程;也可以原副边分开讨论,用电压源来代替中间的转换。

4.波形震荡的来源:
1)开关管关断时的震荡来源于漏感;
2)断续时的震荡,主要原边电感了,因没有了反射电压嵌位。我们可以把反射电压当作一个电压源。

5.实际不理想时开关管所承受的电压是什么样的?

(1)开关管电压分为几部分:
Vds=VDC+VRo(N*Vo)+Vlk
b. (2)VDC没有什么好解释的;VRo是因原边开关管关断副边二极管导通,输出电压通过变压器反映到原边的电压(N*Vo);除了变压器制约住的电压还有制约不住的漏感电压Vlk,既然是漏感电压,当然和变压器的漏感有关系了。
c. (3)如果来限制漏感电压那,RCD吸收钳位电路,利用电容吸收,靠二极管钳位,通过电阻把漏感能量消耗掉。设计的原则是让RCD能够消耗掉漏感能量,发挥该有的作用,但又不能过猛成为原边一个吃激磁电感能量负载。
[page]
6. 变压器,电压电流波形,二极管反向恢复:
1)反激的变压器与其说是变压器莫如说是电感,但我们又不能否认它是变压器;
2)变压器都会存在或多或少的漏感,相对于原边变存在,相对于复边亦存在;
3)电压波形的两处震荡:
a.CCM模式时,只有开关管关断时,由于漏感引起的震荡(Lk和C);
b.DCM模式时,还有副边电流为零,原边电感失去NVo嵌位,引起震荡(Lm和C);
c.所有的震荡,甚至包含功率转换的基本开关,都是EMI的来源;
4)同时,我们知道二极管存在反向恢复问题:
a.CCM模式,会有该问题;
b.DCM模式,因电流已将到零了,所以基本不存在这个问题;

三.再谈Vds:
Vds=VDC+VRo(n*Vo)+Vlk;
这个公式我再谈两点:
a.如果还考虑到副边整流管的压降,应该是n*(Vo+VDsec);因VDsoec很小,忽略了,前提是n不大时。
b.在我们设计时,输入电压和输出电压是定下来,我们无能为力,但是匝比是我们自己设计的。有时候,我们为了迁就选择标准的管子,我们电压偏高时,就要来轻微的调整匝比来满足我们的设计。
四. 再谈一下断续和连续的问题:
1. 原副边的制约关系:
a. Uo=D/(1-D)Vin 这是Flyback的电压制约公式,这里没有负载参数,说明理论上输出电压不受负载影响,这个最经常出现的公式只是在CCM下成立的奥。
b. 如果在DCM模式下,原边与副边靠的功率守恒来制约,这样输出电压的公式为:
Vo=VinTon*Sqrt(R0/2TLp)
输出电压与负载大小有关系,电压与负载成反比,因此原则上开环不能空载运行的哈,不要忘了呀。
2. 断续和连续的真实波形是怎样的
看看自己对连续和断续是否理解了,加深一下印象哈,我们尝试着去把基本的问题弄懂;其实反激真是很神奇的一个拓扑,简单而又十分高深;对于最基本的问题,我也是了解了其中的30%而已。小功率机种Flybck真是最佳选择,多小那?在LLC没有被人们掌握好之前,200W都有用的,现在75W以上的人们开始考虑用LLC了,效率却是做得更好。
3. 在开关管关断时有来源于漏感的震荡;在转入DCM时也有震荡,但这个震荡是主电感在震荡了。我有时根据这个震荡来判断你是DCM还是CCM,这是我自己所采用的方法,不知道对不对哈。
[page]
五.再谈Flyback的变压器
1.在反激电路中,输出变压器T除了实现电隔离和电压匹配之外,还有储存能量的作用,前者是变压器的属性,后者是电感的属性,因此有人称其为电感变压器,有时我也叫他异步电感。
2.Flyback电路没有输出滤波电感,或者更准确的说反激可以没有输出滤波电感,用蔡明的话来讲,这是为什么?我得理解是因第一条,实际上在电流回路中已经有了电感了,所以可以不在有;
3.Flyback的变压器要存储能量,这不是变压器的属性,这是电感的属性;
变压器要存储能量,所以变压器一般要开气息;有的朋友可能对我前面的话不理解,存储能量和气息有什么关系?是因一旦开了气息,能量主要保存在气息中。
六.总结

【相关阅读】
电源设计必看:提高驱动电源效率的八大技巧
http://m.5r3h.cn/power-art/80022822
电子设计锦囊:PCB电路板的散热技巧
http://m.5r3h.cn/cp-art/80022748
电源设计必看:开关电源设计经典问答
http://m.5r3h.cn/power-art/80022682




