BMS (Battery Management System)电池管理系统主要分为两部分,第一部分是前端模拟测量?;さ缏? (AFE),包括电池电压转换与量测电路、电池平衡驱动电路、开关驱动电路、电流量测、通讯电路;第二部分是后端数据处理模块,就是依据电压、电流、温度等前端计算,并将必要的信息通过通信接口回传给系统做出控制。
因此,透过BMS能准确量测电池组使用状况,保护电池不至于过度充放电,平衡电池组中每一颗电池的电量,以及分析计算电池组的电量并转换为驾驶可理解的续航力信息,确保动力电池可安全运作。电池管理系统广泛应用于电动工具,电动自行车,电动汽车,储能电站,UPS等产品的电池中,预测2013年至2015年全球BMS市场产值成长幅度将大幅跃升至25%~35%。针对这一市场趋势,大联大控股世平推出ADI、ON Semi 、TI 电池管理系统方案。
一、ADI全隔离式锂离子电池监控和?;は低?/strong>
1. 方案特点
锂离子电池组包含大量的电池单元,必须正确监控才能提高电池效率,延长电池寿命确保安全性。方案中的 6 通道 AD7280A 器件充当主监控器,向系统演示平台评估板提供精确的电压测量数据,而 6 通道 AD8280 器件充当副监控器和?;は低?。
AD8280 是一款用于锂离子电池组的纯硬联机安全监控器,配合 AD7280A 使用时,可提供具有可调阈值检测和共享或单独报警输出的低成本、冗余、备用电池监控器。它具有自测功能,因此适合混合动力电动汽车等高可靠性应用或者不间断电源等高压工业应用。AD7280A 和 AD8280 均从监控的电池单元获得电源。
ADuM5404集成一个DC-DC转换器,用于向ADuM1201和ADuM1401隔离器的高压端供电,以及向AD7280ASPI接口提供VDRIVE电源。这些4信道、磁性隔离电路是安全、可靠、易用的光耦合器替代解决方案。

图1 方案框图
[page]
2. 芯片参数:
2.1 ADI AD7280A 参数
单颗处理 4 - 6 s 前端
12 Bit ADC 采样,平均每信道采样时间 1 us
能够对 6 个信道的电压和温度进行监测,典型
精度达 ±1.6 mV (典型值)
多个 AD7280A 可采用菊花链连接,单个电路
板最多可监控 48 个电池单元,转换只需 7 μs
提供被动式电池单元平衡控制功能
转换模式下功耗小于 6 mA
断电模式下功耗小于 1.8 uA
SPI 通信提供 CRC 校验保证数据的可靠性
2.2 ADI AD8280 参数
电压范围:6.0 V – 30 V
多路输入可监控 3 - 6 路电池电压和 2 个温度
可调监控阀值:过压、欠压、过温
报警选项:单独或者共享报警
可通过菊花链方式连接
二、ON Semi 电池监护方案

图2 ON Semi 电池监护方案
三、TI推出电池主动式均衡负载技术
1.方案特点
TI推荐电动车所采用的主动均衡方式:每个电池芯藉由矩阵开关控制变压器与充电线路的组合,形成一个有调整功能的电压/电流「蓄水池」的功能,当电池芯由于多次充放电后产生不一致性而导致整组电池充放电容量下降,可藉由后端连接蓄水池的线路做调整,充电时不会因为监控到某个电池芯内压过高而停止充电,放电时也可以完全的100%的释放能源,进而延长电动车的行驶距离。
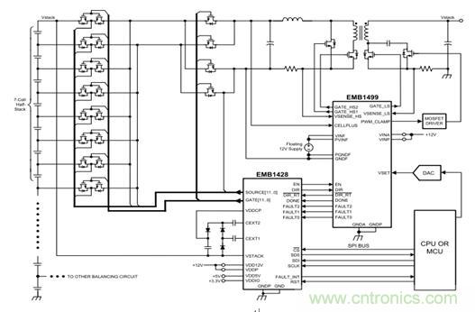
TI在隔离式DC-DC主动均衡技术的能源转换效率高达87%。像EM1410芯片组由5颗核心芯片加上5颗电源供应芯片所组成,其中最主要的EMB1432为十四信道AFE芯片、EMB1428为七信道闸控制器芯片,与EMB1499为七信道电压控制芯片等,来建构十四通道双向主动式电池芯均衡功能,串联14颗电池芯与最高60V工作电压,提供5V双向均衡电压与最大750V堆栈输出电压能力,并满足AECQ-100车用电子验证标准。

图3 方案特点
2.芯片参数:
2.1 EMB1432Q
单颗处理 14S前端模拟;最高输入耐压60V;输出电压误差为+/- 1mV;SPI 通讯支持1MHz;符合ACE-Q100汽车规范。
2.2 EMB1428Q
最高输入耐压60V;SPI 通讯支持1MHz;最低待机功耗(<100uA);符合ACE-Q100汽车规范。
2.3 EMB1499Q
最高输入耐压60V;SPI 通讯支持1MHz;最低待机功耗(<30uA);符合ACE-Q100汽车规范 。
相关阅读:
电动汽车电池管理系统硬件设计技术
http://m.5r3h.cn/power-art/80015809
ADI成功突破数字电源障碍推出ADP1055
http://m.5r3h.cn/power-art/80022576
TI推两款实现最高能源效率与最低待机功耗的反激式电源方案
http://m.5r3h.cn/power-art/80022556



