直流稳压电源是任何电子电路试验中不可缺少的基础仪器设备,基本在所有的跟电有关的实验室都可以见到。对于一个电子爱好者来说,直流稳压电源也是必不可少的。要得到一个电源,一般有两种方法:一是购买一台成品电源,这样最为省事:二是自己制作一台电源(因为你是电子爱好者),当然相比于第一种方法会麻烦很多。很显然这篇文章不是教你如何去选购一台直流稳压电源……
基本的恒压恒流电源结构框图如图1所示。由电压基准源、调整管、误差放大、电压取样以及电流取样组成。电压基准源的作用是为误差放大器提供一个参考电压,要求电压准确且长时间稳定并且受温度影响要小。取样电路、误差放大和调整管三者组成了闭环回路以稳定输出电压。这样的结构中电压基准源是固定的,电压和电流的取样电路也是固定的,所以输出电压和最高的输出电流就是固定的。而一般的可变恒压恒流电源是采用改变取样电路的分压比例来实现输出电压以及最高限制电流的调节。

图1 基本恒压恒流电源框图

图2 基本稳压电源简图
图2中所示的是一个基本输出电压可变的稳压电源简图,可以很明显地看出这个电路就是一个由运算放大器构成的同相放大器,输出端加上了一个由三极管组成的射极跟随器以提高输出能力,因为射极跟随器的放大倍数趋近于1,所以计算放大倍数时不予考虑。 输入电压V+通过R1和稳压二极管VD产生基准电压Vref,然后将Vref放大1+R3/R2倍,即在负载RL上的得到的电压为Vref(1+R3/R2),因为R3可调范围是0~R3max,所以输出电压范围为Vref~Vref(1+R3max/R2)。这不就和我们常用的LM317之类的可调稳压芯片一样了,只是像LM317之类的芯片内部还集成了过热?;さ裙δ?,功能更加完善,但是也有它的弊端,主要因为它是将电压基准、调整管、误差放大电路都集成在了一个芯片上,因此在负载变化较大时芯片的温度也会有很大的变化,而影响半导体特性的主要因素之一就是温度,所以使用这种集成的稳压芯片不太容易得到稳定的电压输出,这也正是高性能的电压基准都是采用恒温措施的原因,比如LM399、LTZ1000等。
[page]

图3 一只正在FLUKE 8808A 五位半数字万用表中“服役”的LM399H
图3是我从FLUKE 8808A五位半数字万用表中拍的恒温电压基准LM399H。扯远了,言归正传(欲了解更多关于电压基准源的知识,请参看以前《无线电》杂志2008年第7期中张利民老师有关电压基准的文章)。这种以改变取样电阻阻值来改变输出电压的稳压电源应用是比较普遍的,图4照片中是我们实验室中大量使用的稳压电源,就是使用调节取样电阻阻值来调节输出电压的,电压电流的显示是使用一片专用的电压测量芯片ICL7107实现的,这种电源价格低廉易于普及,但也有显而易见的缺点,因为进行电压调节的可变电阻经过长时间使用会出现接触不良的情况,这导致的后果是相当严重的,假设你正在将电压从5V慢慢地向6V调整,因为某个点电位器接触不良,相当于电位器开路,从图2可以看出,R3开路的话,输出电压就是能输出的最高电压,那么你心爱的电路板就可能会回到文明以前了。

图4 常用的稳压电源

图5 Agilent E3640A数控稳压电源
所以更高端的电源如图5所示的Agilent E3640A采用数字控制的方法来实现电压以及电流调节的,使用按键或旋转编码器进行设定,这样就根除了调节环节的隐患。
[page]
然而一切事物都不可能完美,因为数控电源的输出电压都是以最小步进电压值为间隔的离散的电压点,所以不能像模拟控制的电源那样输出连续的电压。但这个缺点对我们平时的实验基本没有影响,所以这样的电源在我们看来还是“完美”的。这篇文章要讲的就是制作一个这样“完美”的数控恒压恒流电源。图6就是这台电源的实物照片。

图6 本文所讲述的数控稳压电源

图7 面板特写
本文所讲的数控恒压恒流电源特性如下:
1.输出电压设定:0~20V/0.05V步进;
2.电压输出误差:整个输出范围内实测小于±10mV(FLUKE 8808A五位半数字万用表测试);
3.输出电流设定:0~3A/0.01A步进;
4.电流显示误差:小于±5mA(FLUKE 8808A五位半数字万用表测试);
5.输出纹波峰峰值小于8mV@2A(Agilent 54641D示波器测试);
6.具有关闭设定参数记忆功能;
7.具有输出使能功能;
8.三个常用电压值直接设置(3.3V、5V、12V)(可通过程序修改);
9.使用12864液晶显示器,实时显示设定的电压值、电流值,当前通过测试得到的电压值、电流值以及输出状态(图7所示)。
[page]
先做一下原理简析,电源部分的原理图见图8所示。这是个恒压恒流电源,所以它的结构和图1框图中所示结构的就不会有太大的差异。首先220V的交流市电经过变压器T1变压后得到交流双12V输出,即有中间抽头的交流24V,VD1~VD4组成了桥式整流电路,这个相信大家不会陌生。在这个桥式整流的上方还多了两只可控硅VT1、VT2,方向和VD1、VD2相同,这两个可控硅的作用是进行电压档位切换的。当电源的设定输出电压在8V以内时,P4端口的第4脚HI/LOW为低电平(该电平由单片机控制提供),IC1、IC2两只光电耦合器不工作,所以可控硅VT1、VT2断开,此时的整流桥由VD1、VD2、VD3和VD4组成,这时进入整流桥的是交流12V。当电源的设定输出电压高于8V时,P4端口的第4脚HI/LOW为高电平,这时IC1、IC2两只光电耦合器上电工作,VT1、VT2工作,交流24V被加到了VT1、VT2上,VD1和VD2此时被反偏而截至,交流12V断开,所以此时的整流桥由VT1、VT2、VD3和VD4组成,对交流24V进行整流。这样就实现了电压档位的切换,以代替传统以继电器切换的方式,因为没有机械部件所以寿命更长、可靠性更高。

图8 原理图1(电源部分)
与图1中的结构图相比这个电源的电压电流值都是可以调节的,所以不是取样电路可调就是基准电压可调。这里我们使用了调基准电压的方法,因为取样电路的调整一般是通过改变两个分压电阻的阻值来调整,要数字控制不容易实现,虽然现在有数控电阻但大多只有8位,精度太低不能满足要求。在这里调节基准电压是使用了一只12位的双通道电压输出型DA转换器TLV5618(IC5),关于这个芯片使用可以参考2010年1月份《无线电》杂志中我写的数字示波表的文章,其中有详细的描述这理解不多说了。TLV5618是双通道12位的DA转换器,A通道用于最高输出电流的设定,B通道用于输出电压的设定。使用REF191E(IC6)作为TLV5618的电压基准,这也就是整个电源的电压基准,基准电压为2.048V,因为REF191E的温度系数为5ppm,负载调整率为4ppm,而且输出电流高达30mA所以完全满足稳压电源对基准的需求,属于“高配”。TLV5618使用2.048V的基准,输出电压0~4.095V时对应的输入数据为0~4095,我们在这里只取其0~4.000V的输出电压范围,步进1mV。对其进行5倍放大就得到了0~20.00V的输出电压,步进5mV,而我们的电源所采用的步进是50mV,这样就有足够的余量对DA转换器的输出带内误差进行修正,但实际使用中不经修正也是满足要求的。
[page]

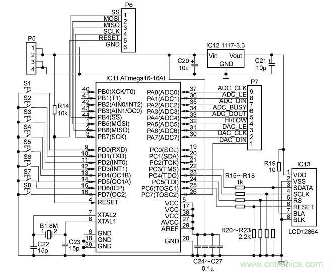
图9 原理图2(控制部分)
误差放大器使用了高精度双运算放大器OPA2277P(IC9),因为它有着超低的失调电压和超低的温度漂移系数,以对提高电源的精度和稳定度有着至关重要的作用。TLV5618的B通道输出电压用于设定输出电压,该电压送到IC9A的同相输入端,反相输入端输入通过R8、R9和R10组成的1/5分压电路分压后的输出电压,两者进行比较输出误差电压用以控制调整管进行输出电压的调整,进而实现稳压的目的。对输出电压和电流的测量为了能和输出DA转换器对应,所以使用了一片12位4通道的AD转换器ADS7841E,一通道用于输出电压的测量,二通道用于输出电流的测量。ADS7841E需要一片4.096V的电压基准,所以使用REF198E(IC7)为其提供,REF198E和REF191E是同系列芯片,就不多说了。输出电压经过1/5分压后一路送入电压误差放大器IC9A,而另一路送到了ADS7841E(IC8)的第2脚,即ADS7841E的第一模拟输入单通道进行AD转换,ADS7841E的输入范围是0~4095V,对应的输出数据为0~4095,测试转换的电压分辨率为1mV,但是输入电压是经过1/5分压的,所以转换后的数值再乘以5才能得到输出电压值,所以电压测量的最小分辨率为5mV。
为了提高输出电流取样的精度,所以输出电流取样使用了一只DALE产的0.04Ω3W 1%精度的低阻值电阻R5,流过1A的电流可以产生40mV的压降,然后使用仪表放大器AD620(IC10)对R5两端的压降进行25倍放大,可以得到1V/1A的电流取样关系,0~3A的输出电流对应0~3V的取样输出电压,可以同时满足DA转换器和AD转换器的要求。电流取样所得到的电压一路送到IC9B进行误差放大,另一路送到AD转换器的第二输入通道进行AD转换,测量输出电流。因为ADS7841E的输入范围是0~4095V,对应的输出数据为0~4095,所以电流测量的最小分辨率为1mA。 AD620的放大倍数由R6和R7的并联值决定,计算公式为Rg=49.4kΩ/(G-1),其中G为放大倍数,带入G=25可得,Rg=2.058kΩ,因为2.058kΩ不是标准阻值,故而使用多圈电位器调整得到,为了提高电路的可靠性,所以使用3kΩ的固定电阻和10kΩ的电位器并联使用,即使电位器失效,也不致使电路参数发生巨大变化而损坏。TLV5618的A通道的输出电压送到IC9B的同相输入端,IC9B的反相输入端输入电流取样的电压,由IC9B进行误差放大输出控制调整管。因为有VD7和VD8的存在,当输出电流小于限制电流时IC9B的同相输入端的电压高于反相输入端的电压,此时IC9B输出达到饱和,IC9B的输出电压高于IC9A的输出电压,所以IC9B的输出电压被VD8隔离,此时由IC9A控制调整管,电路工作在分压状态。当输出电流超过最高输出电流时IC9B反相输入端的电压高于同相输入端的电压,此时IC9B的输出电压低于IC9A,于是接管调整管以实现输出电流的恒流,电路工作在恒流状态。因为电源输出电压的最小值是0V,所以IC9和IC10必须工作在双电源下,而IC9和IC10对负电源电流的需求很?。ǖ陀?0m A),所以使用一片有100mA电流输出能力的电荷泵芯片MAX660(IC3)将+5V电压镜像成-5V为IC9和IC10提供负电压,L1和C8组成LC滤波器以滤除纹波,使产生-5V电压更纯净。
更多DIY作品:
发烧友DIY:30RMB自制便携式耳机放大器
http://m.5r3h.cn/rf-art/80022179
站长必备:能触摸的的网站访客计数器DIY
http://m.5r3h.cn/gptech-art/80022156
新年福利,教你DIY一个“温暖”鼠标“抗寒”
http://m.5r3h.cn/cp-art/80022149






