【导读】锂电池因其使用寿命长,可重复次数多等优点得到了广泛应用,而单个锂电池由于制造工艺、环境等差别,将对锂电池组串联充电的平衡性造成影响,因此如何解决锂电池组充电的不平衡问题将是本文要讲述的内容。
随着国际原油价格飞涨,各种新型能源的研究成为公众关注的焦点。电能作为动力能源已经在各种车辆上得到广泛应用。锂电池以具有较高的能量质量比和能量体积比,无记忆效应,可重复充电次数多,使用寿命较长等优点成为动力电能的首选。
作为一种新型动力技术,锂电池在使用中必须串联才能达到使用电压的需求,单体性能的参差不齐并不全缘于电池生产技术问题,即使每只电池出厂时电压,内阻完全一致,使用一段时间以后,也会产生差异,这使得解决动力电池充电技术问题成为迫切需要解决的技术问题。本设计在充分考虑工业成本控制和稳定性要求的基础上,采用能耗型部分分流法对动力锂电池充电进行均衡管理,改善了电池组充电的不平衡性,提高了工作性能。
锂电池组充电方案选择
1、单节锂电池充电要求
对单节锂离子电池的充电要求(GB/T18287-2000)首先是恒流充电,即电流一定,而电池电压随着充电过程逐步升高,当电池端电压达到4.2V(4.1V),改恒流充电为恒压充电,即电压一定,电流根据电芯的饱和程度,随着充电过程的继续逐步减小,当减小到10mA时,认为充电终止,充电曲线如图1所示。

图1:锂电池充电曲线
2、锂电池组充电特性
在动力电池组中由于各单体电池之间存在不一致性。连续的充放电循环导致的差异,将使某些单体电池的容量加速衰减,串联电池组的容量是由单体电池的最小容量决定的,因此这些差异将使电池组的使用寿命缩短。造成这种不平衡的主要原因有:
●电池制作过程中,由于工艺等原因,同批次电池的容量、内阻等存在差异;
●电池自放电率的不同,经长时间积累,造成电池容量的差异;
●电池使用过程中,使用环境如温度、电路板的差异,导致电池容量的不平衡。
[page]
3、充电方案选择
为了减小不平衡性对锂电池组的影响,在充电过程中,要使用均衡电路。
目前对于锂电池组进行均衡管理的方案主要有2种,能耗型和回馈型。能耗型是指给各个单体电池提供并联支路,将电压过高的单体电池通过分流转移电能达到均衡目的?;乩⌒褪侵竿ü芰孔黄鹘ヌ逯涞钠钅芰坷∷突氐绯刈榛虻绯刈橹械哪承┑ヌ濉?br />
理论上,当忽略转换效率时,回馈不消耗能量,可实现动态均衡。但由于回馈型设计控制方法复杂,制造成本较高,本充电器采用能耗型设计。
能耗型按能量回路处理方式又可以分为断流和分流。断流指在监控单体电压变化的基础上,满足一定条件时把单体电池的充电回路断开,充电电流完全通过旁路电阻。通过机械触点或电力电子部件组成的开关矩阵,动态改变电池组内单体之间的连接结构。而分流并不断开工作回路,而是给每只电池增加一个旁路电阻,当某单体电池高于组内其他电池时,将充电电流的全部或一部分导入旁路电阻。从而实现对各个单体电池的均衡充电。由于动力锂电池组功率较大,在综合考虑充电效率,热管理等方面因素之后,我们使用部分分流法为充电器的设计方案。
系统设计及分析
1、系统整体结构
如图2系统框图所示,工频交流电通过开关电源转化为18V/5A的直流电输出给升压电路,升压电路根据CPU的控制信号为电池组充电提供一定的充电电流,电压监控电路将电池的实时电压情况反馈给CPU,CPU通过升压电路实现对电池组整体充电电压、电流的控制。通过均衡电路实现各个单体电池充电速率调整,以保证整个电池组充电的一致性。

图2:系统整体框图
2、升压电路
电能的输入转化环节由开关电源电路和调压电路两部分组成??氐缭唇淙氲墓て到涣鞯缱?8V/5A直流电输出。由于当前开关电源技术已经相当成熟,在此就不再赘述。
[page]
升压电路的作用是将开关电源输出的直流电调节转化为电池组充电所要求的电压、电流,并能够根据充电状态对输出电压、电流进行实时调节。
升压电路如图3所示。

图3:升压电路
其中R1、R2、Q1构成电源反接?;さ缏罚琎5是整个升压电路的开关,Q2、Q4、U1构成场效应管Q3驱动级电路,Q3、L1、D1、C4、C5构成BOOST升压调节电路,R9、R10、C6为电压采样电路。
在充电器正常工作时,开关电源的正负极输出分别接到DC+,DC-,开关管Q5关断。CPU根据电池监控电路反馈的电压计算出的PWM占空比,输出相应的调制信号。PWM调制信号经过驱动级放大调整,控制Q3开关状态,以产生所需要的输出电压。
由于稳态条件下,电感两端电压在一个开关周期内的平均值为零??傻茫?br />

其中,UL为电感两端电压在一个开关周期内的平均值;U0为输出电压;Ui为输入电压;T为开关周期;ton为Q3处于通态的时间;toff为Q3处于断态的时间。令UL=0,在电感电流连续的工作过程中有:

因此只需要调节PWM输出的占空比,就能有效地控制电池的充电电压。
由于单个锂电池的电压过小,为得到更大的工作电压,一般需要将锂电池串联使用。电池组充电过程中,需要对每个电池的电压情况进行实时监控,以保证每个电池工作在正常工作状态下,避免发生过充现象,损坏锂电池。
串联锂电池电池组中,各个锂电池的基准电平不同。假设电池组中的电池电压分别为a1,a2,?,则对地第一节电池电压为a1,第二节电池电压为a1+a2,以此类推。
[page]
在电压监控中我们需要对各个电池的实时电压进行比较,就必须设计一定的电路,将各个电池的电压转化到同一基准上。采取光耦隔离取样的方法可以实现电平转化,考虑到线性光耦价格是普通光耦的10倍以上,出于工程中成本控制需要,将普通光耦线性化连接以实现电压的采集和实时监控。

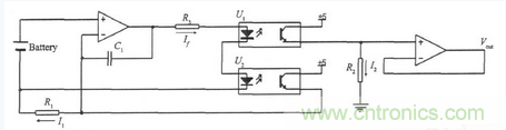
图4:电压监控电路
在如图4所示的单体电池电压监控电路中,使用了同一型号同一批次的两个普通光耦器件和两个运算放大器。两个光耦中,一个用于输出,另外一个用于反馈。反馈用来补偿发光二极管时间、温度特性上的非线性。

从式(5)可知,该测量电路的电压增益只与电阻R1,R2的阻值有关,与光耦的电流传输参数等无关,从而实现了对电压信号的线性隔离。经如图所示电路转化后电池电压被转化为具有统一参考地的输出电压Vout。
[page]
4、部分分流控制电路
如图5分流控制电路所示,充电过程中,当某一单体电压明显高于组内其他电池时,CPU将控制端口拉高,则Q1导通,Q2基极电位被拉低,Q2导通,部分电能从旁路电阻R4分流,降低该电池充电速率,从而实现电池组各单体电池充电速率同步。
其中

Iequ为旁路电阻R4上所流过的电流,即均衡电流;P为旁路电阻R4上所消耗的功率;Ubat为电池两端电压。

图5分流控制电路
均衡电流大小的选择会直接影响充电器的性能。
电流大,充电器整体发热量大,工作稳定性差。电流小,电压调整幅度小,速率可调整幅度小。经反复实验,当Iequ≈0.1Icharge时,调整能力和发热量达到最佳平衡状态。
由于充电时Ubat的范围为3~4V,该充电电池标称容量为2000mAh,最大充电电流为2A.综合上面因素,R4选择将两个47Ω电阻并联。
结束语
由于单体锂电池在制造工艺、工作环境等方面的差别,会造成锂电池组串联充电的不平衡性。运用部分分流法设计的能耗型锂电池组均衡充电器,良好地解决了电池组充电的不平衡问题。有效地防止过充现象,提高了锂电池使用的安全性,增加了电池组的充电容量,延长了锂电池组的使用寿命。经过反复试验,选择最适参数,控制了发热量,保证了充电器的长期稳定工作。在设计过程中,充分考虑了实际生产的需求。在保证实用性和可靠性的前提下,简化设计,选择常用器件,提高了性价比,具有良好的应用前景。
相关阅读:
危害锂电池使用寿命的四大“误区”
http://m.5r3h.cn/power-art/80021298
锂电池短路保护设计:功率MOSFET及驱动电路的选择与设计
http://m.5r3h.cn/cp-art/80021668
防止锂离子电池组短路新方法
http://m.5r3h.cn/cp-art/80020985
专家讲解:如何实现电池组的高精度电池测量
http://m.5r3h.cn/power-art/80021470



