【导读】本文介绍了一款功率稳压逆变电源,应用于低压电器长延时热脱扣试验,适用于对断路器、热继电器等低压电器作长延时特性的校验和测试,具有工作稳定可靠、输入功率因数高、输出精度高、波形失真度小、效率高的优点。
目前国内大多数采用的长延时热脱扣试验方案是通过变压器直接对断路器施加一个电压以获得测试电流。在测试过程中,由于电网电压的波动、载流电路中引线电阻变化、负载本身电阻发热变化,使测试电流随之变动,难以满足国家标准的要求。本文介绍了一种功率稳压逆变电源,具有工作稳定可靠、输入功率因数高、输出精度高、波形失真度小、效率高的优点。
标称功率300W的逆变电源,用于家庭电风扇、电视机,以及日常照明等是不成问题的。300W逆变器,利用12V/60AH蓄电池向上述家用电器供电,一次充满电后,可使用近5小时。不过,即使蓄电池电压充足,启动180立升的电冰箱仍有困难,因启动瞬间输出电压下降为不足180V而失败。电冰箱压缩机标称功率多为100W左右,实际启动瞬间电流可达2A以上,若欲使启动瞬间降压不十分明显,必须将输出功率提高至600VA.如在增大输出功率的同时,采用PWM稳压系统,可使启动瞬间降压幅度明显减小。无论电风扇还是电冰箱,应用逆变电源供电时,均应在逆变器输出端增设图1中的LC滤波器,以改善波形,避免脉冲上升沿尖峰击穿电机绕组。

图1
采用双极型开关管的逆变器,基极驱动电流基本上为开关电流的1/β,因此大电流开关电路必须采用多级放大,不仅使电路复杂化,可靠性也变差而且随着输出功率的增大,开关管驱动电流需大于集电极电流的1/β,致使普通驱动IC无法直接驱动。虽说采用多级放大可以达到目的,但是波形失真却明显增大,从而导致开关管的导通/截止损耗也增大。目前解决大功率逆变电源及UPS的驱动方案,大多采用MOSFET管作开关器件。
MOSFET管的应用
近年来,金属氧化物绝缘栅场效应管的制造工艺飞速发展,使之漏源极耐压(VDS)达kV以上,漏源极电流(IDS)达50A已不足为奇,因而被广泛用于高频功率放大和开关电路中。
除此而外,还有双极性三极管与MOSFET管的混合产品,即所谓IGBT绝缘栅双极晶体管。顾名思义,它属MOSFET管作为前级、双极性三极管作为输出的组合器件。因此,IGBT既有绝缘栅场效应管的电压驱动特性,又有双极性三极管饱合压降小和耐压高的输出特性,其关断时间达到0.4μs以下,VCEO达到1.8kV,ICM达到100A的水平,目前常用于电机变频调速、大功率逆变器和开关电源等电路中。
一般中功率开关电源逆变器常用MOSFET管的并联推挽电路。MOSFET管漏-源极间导通电阻,具有电阻的均流特性,并联应用时不必外加均流电阻,漏源极直接并联应用即可。而栅源极并联应用,则每只MOSFET管必须采用单独的栅极隔离电阻,避免各开关管栅极电容并联形成总电容增大,导致充电电流增大,使驱动电压的建立过程被延缓,开关管导通损耗增大。
MOSFET的驱动
近年来,随着MOSFET生产工艺的改进,各种开关电源、变换器都广泛采用MOSFET管作为高频高压开关电路,但是,专用于驱动MOSFET管的集成电路国内极少见。驱动MOSFET管的要求是,低输出阻抗,内设灌电流驱动电路。所以,普通用于双极型开关管的驱动IC不能直接用于驱动场效应管。
目前就世界范围来说,可直接驱动MOSFET管的IC品种仍不多,单端驱动器常用的是UC3842系列,而用于推挽电路双端驱动器有SG3525A(驱动 N沟道场效应管)、SG3527A(驱动P沟道场效应管)和SG3526N(驱动N沟道场效应管)。然而在开关电源快速发展的近40年中,毕竟有了一大批优秀的、功能完善的双端输出驱动IC.同时随着MOSFET管应用普及,又开发了不少新电路,可将其用于驱动MOSFET管,解决MOSFET的驱动无非包括两个内容:一是降低驱动IC的输出阻抗;二是增设MOSFET管的灌电流通路。为此,不妨回顾SG3525A、SG3527A、SG3526N以及单端驱动器UC3842系列的驱动级。

图2
图2a为上述IC的驱动输出电路(以其中一路输出为例)。振荡器的输出脉冲经或非门,将脉冲上升沿和下降沿输出两路时序不同的驱动脉冲。在脉冲正程期间,Q1导通,Q2截止,Q1发射极输出的正向脉冲,向开关管栅极电容充电,使漏-源极很快达到导通阈值。当正程脉冲过后,若开关管栅-源极间充电电荷不能快速放完,将使漏源极驱动脉冲不能立即截止。为此,Q1截止后,或非门立即使Q2导通,为栅源极电容放电提供通路。此驱动方式中,Q1提供驱动电流,Q2提供灌电流(即放电电流)。Q1为发射极输出器,其本身具有极低的输出阻抗。
[page]
为了达到上述要求,将普通用于双极型开关管驱动输出接入图2b的外设驱动电路,也可以满足MOSFET管的驱动要求。设计驱动双极型开关管的集成电路,常采用双端图腾柱式输出两路脉冲,即两路输出脉冲极性是相同的,以驱动推挽的两只NPN型三极管。为了让推挽两管轮流导通,两路驱动脉冲的时间次序不同。如果第一路输出正脉冲,经截止后,过一死区时间,第二路方开始输出。两路驱动级采用双极型三极管集射极开路输出,以便于取得不同的脉冲极性,用于驱动 NPN型或PNP型开关管。
前级驱动IC内部缓冲器的发射极,在负载电阻R1上建立未倒相的正极性驱动脉冲使三极管Q截止。在驱动脉冲上升沿开始,正极性脉冲通过二极管D加到MOSFET开关管栅-源极,对栅源极电容CGS充电,当充电电压达到开关管栅极电压阈值时,其漏源极导通。正脉冲持续期过后,IC内部缓冲放大器发射极电平为零,输出端将有一定时间的死区。此时,Q的发射极带有CGS充电电压,因而Q导通,CGS通过Q的ec极放电,Q的集电极电流为灌电流通路。R2为开关管的栅极电阻,目的是避免开关管的栅极在Q、D转换过程中悬空,否则其近似无穷大的高输入阻抗极容易被干扰电平所击穿。采用此方式利用普通双端输出集成电路,驱动MOSFET开关管,可达到比较理想的效果。为降低导通/截止损耗,D应选用快速开关二极管.Q的集电极电流应根据开关管决定,若为了提高输出功率,每路输出采用多只MOSFET管并联应用,则应选择ICM足够大的灌流三极管和高速开关二极管。
TL494应用
目前所有的双端输出驱动IC中,可以说美国德州仪器公司开发的TL494功能最完善、驱动能力最强,其两路时序不同的输出总电流为SG3525的两倍,达到400mA.仅此一点,使输出功率千瓦级及以上的开关电源、DC/DC变换器、逆变器,几乎无一例外地采用TL494.虽然TL494设计用于驱动双极型开关管,然而目前绝大部分采用MOSFET开关管的设备,利用外设灌流电路,也广泛采用TL494。为此,本节中将详细介绍其功能及应用电路。其内部方框图如图3所示。其内部电路功能、特点及应用方法如下:
A.内置RC定时电路设定频率的独立锯齿波振荡器,其振荡频率fo(kHz)=1.2/R(kΩ)。C(μF),其最高振荡频率可达300kHz,既能驱动双极性开关管,增设灌电流通路后,还能驱动MOSFET开关管。
B.内部设有比较器组成的死区时间控制电路,用外加电压控制比较器的输出电平,通过其输出电平使触发器翻转,控制两路输出之间的死区时间。当第4脚电平升高时,死区时间增大。
C.触发器的两路输出设有控制电路,使Q1、Q2既可输出双端时序不同的驱动脉冲,驱动推挽开关电路和半桥开关电路,同时也可输出同相序的单端驱动脉冲,驱动单端开关电路。
D.内部两组完全相同的误差放大器,其同相输入端均被引出芯片外,因此可以自由设定其基准电压,以方便用于稳压取样,或利用其中一种作为过压、过流超阈值?;?。
E.输出驱动电流单端达到400mA,能直接驱动峰值电流达5A的开关电路。双端输出脉冲峰值为2×200mA,加入驱动级即能驱动近千瓦的推挽式和桥式电路。

图3
TL494的各脚功能及参数如下:第1、16脚为误差放大器A1、A2的同相输入端。最高输入电压不超过VCC+0.3V.第2、15脚为误差放大器A1、A2的反相输入端。可接入误差检出的基准电压。第3脚为误差放大器A1、A2的输出端。集成电路内部用于控制PWM比较器的同相输入端,当A1、A2任一输出电压升高时,控制PWM比较器的输出脉宽减小。同时,该输出端还引出端外,以便与第2、15脚间接入RC频率校正电路和直接负反馈电路,一则稳定误差放大器的增益,二则防止其高频自激。另外,第3脚电压反比于输出脉宽,也可利用该端功能实现高电平?;?。第4脚为死区时间控制端。当外加1V以下的电压时,死区时间与外加电压成正比。如果电压超过1V,内部比较器将关断触发器的输出脉冲。第5脚为锯齿波振荡器外接定时电容端,第6脚为锯齿波振荡器外接定时电阻端,一般用于驱动双极性三极管时需限制振荡频率小于40kHz.第7脚为接地端。第8、11脚为两路驱动放大器NPN管的集电极开路输出端。当第8、11脚接Vcc,第9、10脚接入发射极负载电阻到地时,两路为正极性图腾柱式输出,用以驱动各种推挽开关电路。当第8、11脚接地时,两路为同相位驱动脉冲输出。第8、11脚和9、10脚可直接并联,双端输出时最大驱动电流为2×200mA,并联运用时最大驱动电流为400mA.第14脚为内部基准电压精密稳压电路端。输出5V±0.25V的基准电压,最大负载电流为10mA.用于误差检出基准电压和控制模式的控制电压。TL494的极限参数:最高瞬间工作电压(12脚)42V,最大输出电流250mA,最高误差输入电压Vcc+0.3V,测试/环境温度≤45℃,最大允许功耗1W,最高结温 150℃,使用温度范围0~70℃,保存温度-65~+150℃。
[page]
TL494的标准应用参数:Vcc(第12脚)为7~40V,Vcc1(第8脚)、Vcc2(第11脚)为40V,Ic1、Ic2为200mA,RT取值范围1.8~500kΩ,CT取值范围4700pF~10μF,最高振荡频率(fOSC)≤300kHz。

图4
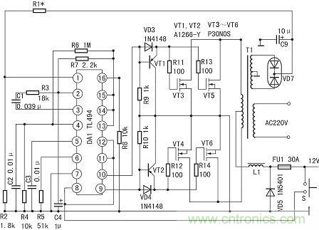
图4为外刊介绍的利用TL494组成的400W大功率稳压逆变器电路。它激式变换部分采用TL494,VT1、VT2、VD3、VD4构成灌电流驱动电路,驱动两路各两只60V/30A的MOSFET开关管。如需提高输出功率,每路可采用3~4只开关管并联应用,电路不变。TL494在该逆变器中的应用方法如下:
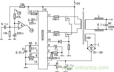
第1、2脚构成稳压取样、误差放大系统,正相输入端1脚输入逆变器次级取样绕组整流输出的15V直流电压,经R1、R2分压,使第1脚在逆变器正常工作时有近4.7~5.6V取样电压。反相输入端2脚输入5V基准电压(由14脚输出)。当输出电压降低时,1脚电压降低,误差放大器输出低电平,通过PWM电路使输出电压升高。正常时1脚电压值为5.4V,2脚电压值为5V,3脚电压值为0.06V.此时输出AC电压为235V(方波电压)。第4脚外接R6、 R4、C2设定死区时间。正常电压值为0.01V.第5、6脚外接CT、RT设定振荡器三角波频率为100Hz.正常时5脚电压值为1.75V,6脚电压值为3.73V.第7脚为共地。第8、11脚为内部驱动输出三极管集电极,第12脚为TL494前级供电端,此三端通过开关S控制TL494的启动/停止,作为逆变器的控制开关。当S1关断时,TL494无输出脉冲,因此开关管VT4~VT6无任何电流。S1接通时,此三脚电压值为蓄电池的正极电压。第9、10脚为内部驱动级三极管发射极,输出两路时序不同的正脉冲。正常时电压值为1.8V.第13、14、15脚其中14脚输出5V基准电压,使13脚有5V高电平,控制门电路,触发器输出两路驱动脉冲,用于推挽开关电路。第15脚外接5V电压,构成误差放大器反相输入基准电压,以使同相输入端16脚构成高电平?;な淙攵?。此接法中,当第16脚输入大于5V的高电平时,可通过稳压作用降低输出电压,或关断驱动脉冲而实现?;ぁT谒つ姹淦髦惺涑龀沟目赡苄约负趺挥?,故该电路中第16脚未用,由电阻R8接地。
该逆变器采用容量为400VA的工频变压器,铁芯采用45×60mm2的硅钢片。初级绕组采用直径1.2mm的漆包线,两根并绕2×20匝。次级取样绕组采用0.41mm漆包线绕36匝,中心抽头。次级绕组按230V计算,采用0.8mm漆包线绕400匝。开关管VT4~VT6可用60V/30A任何型号的N沟道MOSFET管代替。VD7可用1N400X系列普通二极管。该电路几乎不经调试即可正常工作。当C9正极端电压为12V时,R1可在3.6~4.7kΩ之间选择,或用10kΩ电位器 调整,使输出电压为额定值。如将此逆变器输出功率增大为近600W,为了避免初级电流过大,增大电阻性损耗,宜将蓄电池改用24V,开关管可选用VDS为 100V的大电流MOSFET管。需注意的是,宁可选用多管并联,而不选用单只IDS大于50A的开关管,其原因是:一则价格较高,二则驱动太困难。建议选用100V/32A的 2SK564,或选用三只2SK906并联应用。同时,变压器铁芯截面需达到50cm2,按普通电源变压器计算方式算出匝数和线径,或者采用废UPS- 600中变压器代用。如为电冰箱、电风扇供电,请勿忘记加入LC低通滤波器。
由于本文中的交流稳流源实质上是一个电压型电流源,即通过快速调节输出电压来实现输出稳流。当输出开路时,输出电压会迅速上升到到直流母线电压附近,而不会像电流型电流源那样升得很高。尽管如此,负载开路时,输出电压仍会迅速上升,并引起输出电压以LC谐振频率进行振荡,这两者均会导致输出波形严重畸变;此外,当输出负载重新接上时会引起输出瞬态过流。因此,所描述的交流稳流逆变电源应用于低压电器长延时热脱扣试验,适用于对断路器、热继电器等低压电器作长延时特性的校验和测试。
相关阅读:
工程师分享:一款可调稳压电源电路设计方案
http://m.5r3h.cn/power-art/80021586
DIY必备!自制大功率稳压电源【附详细电路】
http://m.5r3h.cn/power-art/80021443
应对汽车PMIC挑战:一款高功率电源管理解决方案
http://m.5r3h.cn/power-art/80021508






