【导读】现代汽车空调系统由制冷系统、供暖系统、通风和空气净化装置及控制系统等组成,已成为衡量汽车功能是否齐全的标志之一。为了满足汽车空调中越来越苛刻的需求,需要优秀的产品不断提高汽车空调系统的安全性、可靠性及燃油经济性。本文以安森美半导体为例对汽车空调系统四大类器件进行盘点。
汽车空调系统是实现对车厢内空气进行制冷、加热、换气和空气净化的装置,可以为乘车人员提供舒适的乘车环境,降低驾驶员的疲劳强度,提高行车安全。今天,空调装置已成为衡量汽车功能是否齐全的标志之一。为了满足汽车空调中越来越苛刻的需求,需要优秀的产品不断提高汽车空调系统的安全性、可靠性及燃油经济性。
汽车空调系统结构及供电要求
现代汽车空调系统由制冷系统、供暖系统、通风和空气净化装置及控制系统等组成。图1中的绿色部分是安森美半导体为汽车空调系统提供的各种器件。

图1:安森美半导体为汽车空调系统提供的器件(绿色方框)
汽车空调系统典型的供电架构是为微控制器(MCU,亦俗称“单片机”)、传感器及其他板载控制芯片、LED供电。通常,单片机消耗电流一般小于50mA;风门位置传感器、光线传感器、温度传感器等需要的电流也小于50 mA;板载控制芯片,如A/D芯片、总线并转串或运放等也是这样;作为背光和按钮显示的LED的电流消耗取决于按钮的数量及整体亮度,通常与单片机相关。所以,整个系统的电流一般在150mA以内。
24 V系统电源供电需要考虑高耐压产品,满足热管理要求,以及电源效率和成本控制等问题。其结构有两种,一种是24 V电源经大功率TVS(瞬态电压抑制器),由低压降稳压器(LDO)转换为5 V,同时为电机驱动供电,TVS可用来防止易受攻击的电路受到电气过应力及快速过电压的影响;另一种是24 V电源经成本较高的DC/DC降压到12 V,再经LDO转换为5 V并为电机驱动供电。
12 V系统电源供电经LDO为MCU、传感器及其他器件供电,同时直接为DC电机和步进电机等电机驱动供电。12 V系统要考虑的是系统成本、低静态电流(Iq)和封装。适用于汽车空调的LDO包括NCV4264-2、NCV8660B、NCV8664、NCV8669、NCV4269A、NCV4279A、NCV4299、NCV4299AD、NCV4266、NCV8501、NCV8502、NCV2931、NCV8768和NCV8769。
安森美半导体还提供为传感器供电、具有完善?;すδ艿牡缪垢嫫?,如NCV8184。这是一款单片LDO跟随稳压器,提供可调节的缓冲输出电压,可密切匹配参考输入电压(精度可达±3 mV)。该器件的输出电流能力(Iout)为70 mA,在50 mA电流时的典型压降仅为0.35 V;静态电流仅为70 μA,并有使能引脚。

图2:电压跟随器框图
丰富的汽车空调系统驱动方案
下页内容:汽车空调系统驱动的四大类对象
[page]
汽车空调系统驱动的对象主要有风门执行器、智能高低边、鼓风机和LED。
1. 风门执行器驱动
风门执行器驱动的拓扑结构因不同整车厂的配置需求而异,有直流电机、单极性步进电机及双极性步进电机几种。直流电机集成了位置传感器,将风门位置信号反馈给单片机。为控制直流电机的正转或反转,需要使用2个高边(HS)开关及2个低边(LS)开关组成全桥电路。通常,这些高边或低边开关已经集成各种完善的?;?,如过压?;ぁ⒐乇;ぜ肮卤;さ?。单极性步进电机需使用4个低边开关,而双极性步进电机需使用4个高边开关和4个低边开关来驱动。
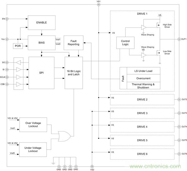
直流电机风门执行器的正常工作电流约为100 mA,最大堵转电流小于450 mA;另外需要H桥驱动来改变运行方向,以及故障诊断报告功能和芯片内?;すδ?。安森美半导体的NCV77xx系列器件(如NCV7718)可用于驱动直流电机风门执行器,其中NCV7718是一款6路半桥驱动器,芯片内部连接了高低边,以H半桥作为输出。
该器件以6路PMOS作为高边驱动,6路NMOS作为低边驱动,能够提供0.55 A持续驱动电流,内部集成了续流二极管。NCV7718最大功耗仅为5 μA,能以正向、反向、制动及高阻态工作,通过16位SPI接口控制,带有专门设计用于汽车及工业运行控制应用的保护功能,如欠压及过压锁定、过流关断、过温?;ぁ⒄锒?、驱动状态、低负载?;ぜ肮收媳ǜ娴取?br />

图3:NCV7718 6路半桥驱动
安森美半导体还提供用于汽车空调的单极性及双极性步进电机驱动器。单极性步进电机驱动器包括NCV7608和NCV7240等。NCV7608是8路高低边可配置驱动器,每通道能提供350 mA驱动电流及完善的?;すδ?;NCV7240是8路低边驱动器,每通道能提供600 mA驱动电流,可采用16位SPI接口控制,具有完善的保护功能(如开路诊断、过载保护及过温?;さ?。这两款器件分别采用SOIC28和SSOP24封装。

图4:汽车空调双极性步进电机驱动器AMIS30730
双极性步进电机驱动器包括AMIS-30730和NCV70501等。AMIS-30730是LIN接口单芯片智能步进电机驱动器方案,驱动电流为300 mA,内部包含MCU、ROM、RAM、EEPROM。NCV70501是SPI接口步进电机驱动器,驱动电流为300 mA,可以实现进气风门的低噪声设计,可以通过设置内部寄存器来改变电机的方向和步数等。

图5:汽车空调双极性步进电机驱动器NCV70501
下页内容:智能高低边驱动、 鼓风机驱动和LED驱动
[page]
2. 智能高低边驱动
SmartFET是用于外部负载(如中央电器盒中的继电器)的高/低边驱动。这些驱动自身需要额外的保护功能,如短路?;?、热关断(有或者没有自动恢复功能)、过压?;?、逻辑电平控制(单片机直接控制)和ESD?;さ?。安森美半导体的高/低边智能驱动器件有NCV8440、NCV8440、NCV8401、NCV8402、NCV8403、NCV8406等低边驱动器,以及NCV8450、NCV8452等高边驱动器。这些器件是带?;さ腗OSFET,在其基础上增加了多种?;すδ芗案弑呋虻捅咔?。例如,NCV8452高边SmartFET,器件的导通阻抗为200 mΩ,过压?;さ燃段?1 V,输出电流限制值为1 A,集成了丰富的保护特性,如短路?;ぁ⒐乇;?、过温关断及自动重启、内部钳位二极管过压保护、ESD?;ぜ奥呒缙娇刂频?。

图6:NCV8452高边SmartFET框图
3. 鼓风机驱动
鼓风机驱动包含有刷直流电机及无刷直流电机(BLDC)等类型。有刷直流电机采用PWM控制,最大工作电流为30 A,需要功率MOSFET。无刷直流电机需要用到预驱动器及功率MOSFET。安森美半导体提供用于无刷直流电机的三相预驱动器,如LV8901、LV8902及MC33033/5等。安森美半导体还提供用于鼓风机驱动的一系列功率MOSFET,如NVB5860N/NL、NVMFS5830NL、NVMFS5832NL、NVB5404N、NVB5405N、NVD5802及NVD5890N等。

图7:三相电机预驱动
4. LED驱动
安森美半导体采用恒流稳流器(CCR)的LED驱动器可用来驱动汽车空调应用中的LED。其中包括适合低噪声系统的双端可调节输出版本及三端可调节输出版本。这些器件内置LED热?;?,能够替代低成本LDO,可抑制由于电压波动引起的LED亮度变化,有助于缩短设计和认证时间。这些低电流CCR LED驱动器包括NSI50010YT1G、NSI45015WT1G、NSI45020T1G、NSI45020AT1G及NSI45020JZT1G等。
车载总线收发器及系统基础芯片
汽车中使用的分散、分布式系统需要通过LIN、CAN及FlexRay™ 等行业标准接口进行互连。安森美半导体提供符合这些标准接口技术的车载总线收发器,如用于汽车空调的NCV7321 LIN收发器。该器件的最高通信速率为20 kbps,具备高压模拟和数字功能,符合欧洲LIN物理层规范2.1版及美国SAE J2602-2规范,符合OEM要求,同时具有出色的电磁兼容(EMC)性能,系统ESD?;つ芰Ω叽?3 kV。
在系统基础芯片(SBC)方面,安森美半导体提供多种集成了车载网络、电源(如线性稳压器、DC-DC稳压器)、监控(如看门狗、SPI、状态、中断)及I/O的器件,如NCV7420和NCV7425,两款器件都集成了LIN收发器及3.3 V或5 V稳压器,输出电流能力分别为50 mA及150 mA。
汽车空调是安森美半导体在汽车应用中所关注的核心应用之一。安森美半导体提供一系列应用于汽车空调应用的产品,包括电源供电、电机驱动、SmartFET和分立器件。这些器件均通过了汽车级产品认证,有助于汽车整车厂商满足汽车空调中越来越苛刻的需求,不断提高汽车空调系统的安全性可靠性及燃油经济性。





