【导读】机载计算机主机对其电源部件的体积和重量提出了进一步小型化的要求,然而现有的机载计算机电源,已经普遍采用了开关式稳压电源,而且大部分都是集成模块,要进一步缩小电源的体积,减轻其重量,就有一定的难度。以下就实现电源小型化的途径进行分析和探讨。
机载计算机电源的小型化途径
机载计算机是一种抗恶劣环境计算机,其电源部件也必须满足抗恶劣环境的要求,例如必须适应-55℃~+60℃的环境温度和较宽的输入电压变化范围;还要耐振动、撞击,抗电磁干扰等高可靠性要求。因此,在分析和探讨电源小型化的方案时,须考虑到工作在恶劣环境下仍然满足各项电气性能指标。
采用功率密度更大的DC/DC变换器???/strong>
随着功率电子学的兴起与快速发展,DC/DC变换器集成电源???/a>已被大量开发并投放市场,而且得到了越来越广泛的应用,但各供应商生产的??榈缭?,其工作频率、变换效率各不相同,在输出功率相同的情况下,体积、重量相差较大,同时应用环境也各不相同,因而设计体积小、重量轻,又能适应恶劣环境下使用的电源部件,真正可选用的电源??椴⒉欢?,只有几种国外电源??榭裳∮茫缑拦腣ICOR、abbott,法国的GAA等电源???。
优先选用具有多路输出电压的电源???/strong>
单路电压输出与多路电压输出的电源模块,各有优缺点,前者只有一路输出电压,是直接受调控的,因而输出电压的精度高,后者输出电压好几路,但只有主回路输出的电压精度高,其余的是间接受到控制,因而输出电压的精度比较低。由于多种电压要由多块单输出??槔词迪郑砸戎苯硬捎枚嗦返缪故涑瞿?樘寤?。为了减小体积和重量,在满足技术要求的前提下,应优先选用多路电压输出的电源???,如美国的abbott和法国的GAA??槎加卸嗦肥涑觥?/p>
采用低压差线性集成稳压器作为二次稳压
在普遍采用开关式集成稳压??榈那榭鱿拢咝约晌妊蛊鳎ㄌ乇鹗堑脱共畹南咝约晌妊蛊鳎┤匀还惴旱乇徊捎?。例如采用三端低压差线性集成稳压器,将5V经二次稳压得到3.3V,将±15V经二次稳压获得精密的±10V电源。
必要的少量外围分立元件也尽量采用体积小、重量轻的片式表面贴装元件
采用集成电源??樽槌傻牡缭床考?,仍有少量的分立元件,如滤波用的电感器、X电容器和Y电容器,以及调节电压的电阻器等,也一律采用贴片式。
电源部件所需的某些非标准输出电压,当无法从单块电源??榛竦檬保刹捎帽曜嫉缪故涑龅男⌒偷缭茨??,进行相互串联得到.例如将体积小的±15VGAA电源模块作单路输出而得到±30V,再相互串联得到±60V。
当一家供应商不能满足体积、重量要求时,可采用多家供应商提供的电源模块进行组合设计。
要减小整个电源的体积和重量,将电源??榛逄诨淠诒诶媒鹗艨翘迳⑷仁欠浅1匾?。
某机载计算机电源的小型化设计
某机载计算机对电源的技术要求
(1)输入电压28.5V(23~32VDC);
(2)输出电压
电压种类+5V±15V±24V±60V+12V
输出电流5A0.8A2A0.1A0.2A
稳压精度≤±1%≤±1%≤±1%≤±2%≤±2%
纹波燥声Vpp≤50mV≤80mV≤100mV≤100mV≤100mV
(3)工作温度-55℃~+60℃;
(4)外形尺寸178mm×105mm×20mm;
(5)重量≤0.5kg;
(6)满足其它机载条件。
根据技术要求确定电源部件的设计方案
根据该电源部件输出电压种类多,给定的外形尺寸小,且输入电压变化范围大,工作温度范围宽等特点,必须选用小型、高可靠性的军档电源???。
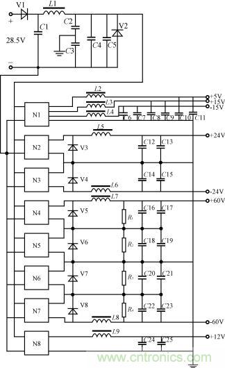
(1)5V(5A),±15V(0.8A)选用美国生产的abbott三路输出NB50TM/5/15/15—C电源???,该??槭涑?V(5A),±15V(0.83A),工作温度-55℃~+100℃,金属壳封装,外形尺寸为76.2mm×50.8mm×9.7mm,其性能满足设计要求。
(2)±24V(2A)选用两块美国生产的VICOR电源??镸IJ23MX/S,该??槭涑?4V(3.1A),工作温度-55℃~+100℃,外形尺寸为57.9mm×45.7mm×12.7mm,其性能满足设计要求。
(3)±60V(0.1A),+12V(0.2A)分别选用法国生产的GAA电源模块MGDB04JF(/T)和MGDS04JE(/T),前者输出±15V(130mA)或30V(130mA),后者输出+12V(330mA),工作温度均为-55℃~+100℃,外形尺寸为32mm×19.3mm×7mm,利用前者两块串联可得60V电压,性能满足设计要求。

图题:电源电路图
电源电路的组成
电源电路见图中电源电路图。
散热与分立元器件的处理
(1)由于各种电源??榈暮穸炔煌?,为了将??榛逄肯涮迳⑷?,在计算机箱体的后壁作适当结构处理,使不同高度的??榛宥寄芙艨炕浜蟊?,并在中间涂导热胶或散热护垫,以减少接触热阻。
(2)滤波电容采用CA45、CAK45型片式固体电解质钽电容器,其外形最大尺寸为7.3mm×4.3mm×2.8mm,滤波电感采用小型磁芯绕制的电感器。
(3)28.5V输入端采用TVS瞬变电压吸收二极管(1.5KE43A)和小型的抗干扰滤波器。
应用效果
该电源部件中的所有元器件全部组装在178mm×105mm的板面内,元器件最大高度≤13mm,重量≤0.5kg。电源经各项性能测试和高低温实验,并与计算机联试,其各项技术性能均达到设计要求,满足整机需要。


