中心议题:
- 直流电源主回路工作原理
- 电压跟踪电路
解决方案:
- 采用三相桥式全控整流
- 采用双路电源并联输出的方法得到低纹波直流高压直流电源
- 本样机选用西安电力电子技术研究所生产的KK200 整流晶闸管
引言
高压直流电源已越来越广泛的应用于工业、医学、核物理、检测等领域。对于X 光机,粒子加速器,电子束焊机,电子束曝光机等一些应用场合,对电压的水平要求比较高,它们均要求低纹波电压。文章对几种用于高压直流电源的电路拓扑结构分别进行了介绍,并对它们进行了比较,指出了各自的优缺点。
近年来,随着新的电力电子器件的应用使得高压直流电源出现了频率高,效率高,功率密度高,可靠性高等新特性。高频化可以提高电源性能,减少变压器的体积和纹波系数,但也带来了新的技术问题。过高的频率会导致开关管开断频繁,开关损耗增大,影响开关管寿命并使整机效率下降?! ?br />
鉴于以上问题,本文采用双路电源并联输出的方法得到低纹波直流。在开关管频率受限的今天,本方法可以在频率较低的情况下得到低纹波直流?! ?br />
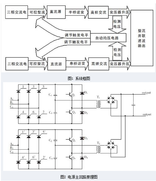
1 主回路工作原理
电源的系统框图及主回路原理图别如图1 和图2 所示。

电源的系统框图及主回路原理图
[page]
主电路含有两套完全相同的半桥逆变电路,逆变开关元件选用IGBT.每一路均采用独立的三相全控整流桥供电,逆变电路采用PWM 方式,工作频率远高于谐振频率, 逆变后的电压波形为方波。 电路的功率调节通过控制全控整流桥的移相角来实现。IGBT 的触发脉冲参数:0 kHz~20 kHz、占空比45%,-5 V~+15 V,上下桥臂脉冲相差半个周期如图3 所示,两路半桥逆变电路的输出波形如图4 所示。将两路电压并联,即可得平直电压。

电压波形示意图
可见,加大输出电容值也可以减少纹波,或者采用多个电容并联的方式减少ESR 值?! ?br />
2 电压跟踪电路
由于采用两路输出并联来获得平直的直流电压, 设备正常工作的关键问题是两路并联电源的电压平衡问题,即要求两路输出的电压幅值时刻保持相同。为使两路输出保持一致,元器件参数应选取一致,还需要一套输出电压检测、比较及自动调节电路,实际设计的电路工作过程如图5 所示。

图5 电压跟踪电路结构框图
在检测电路中主要包含隔离和离散化两部分电路,隔离电路可以有效地抑制系统噪声, 消除接地回路的干扰。把检测到的输出电压离散化是为了解决当相近的模拟量直接比较时运放输出抖动的问题, 同时可以使后面的比较电路的反应速度调节方便。在离散化电路中具体由锯齿波来调制经过隔离的输出电压来实现。它将检测到的电压信号,转化为脉宽与其电压成正比的方波信号?! ?br />
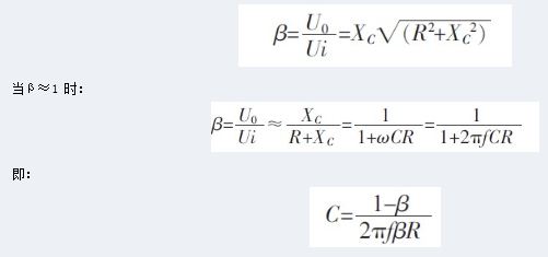
在具体应用中,应根据频率范围来设计合理的RC 滤波电路。滤波器的输出与其输入之比β 为:

RC 滤波电路
[page]
3 实验结果
应用本方案试制了一套小功率系统,以此来验证电路的可行性。
为了方便调试,样机采用晶闸管整流,本样机选用西安电力电子技术研究所生产的KK200 整流晶闸管。三相电经过一个降压变压器(变比10∶1)接到2 个整流桥?! ?br />
三相全控整流桥输出直流平均电压为:Ud=1.35U1cosα式中,U1-输入三相线电压有效值;α-三相桥式全控整流控制角?! ?br />
本样机整流桥进线线电压有效值为380 V,采用三相桥式全控整流,所以整流桥输出最大直流平均电压为380*1.35 / 10=51.3 V 左右?! ?br />
T1、T2 变压器变比1:40,负载阻抗100 kΩ。下面给出了各路逆变频率为13 kHz 时的相关波形图:

图6 实验波形
图6 中所标的电压值为乘以分压器变比以后的值。图6(a) 为没有经过并联的两路分别输出时的电压波形,可以看到,单路电压输出存在缺口,而且缺口处脉动较大,并有一定的毛刺。图中6(b)为两路并联后输出的电压波形(未经电容滤波),与图6(a)相比较,可以清楚地看到两路并联后,大的缺口在输出波形中消失,输出电压脉动明显减小,纹波变低,达到了实验目的,验证了设计思想的正确性。
4 结论
通过小功率试验的验证,证明了该方案的可行性,采用本方案可以在较低的工作频率下达到输出低纹波直流电压的目的,可以减小半导体开关元件的损耗,提高元器件使用寿命和设备的稳定性,同时对控制等辅助电路的要求也降低;另外并联后输出电压的脉动频率高且幅值小,容易滤波,所以可以减小输出端的滤波电容。由于电路是两路电源并联的结构,可以提高电源的输出容量。






