- 直流系统基本原理探讨
- 防止外部电源倒灌充电机
- 通过对硅链的自动控制,调整控制母线的输出
1 引言
直流充电机系统根据其整流方式可以分成相控式充电机和高频??槭匠涞缁?,二者各有千秋。相控式充电机是一项使用时间长,技术非常成熟的产品,其特点是运行稳定,输出功率大,但是这类充电机输出精度低,自动化程度低,许多参数需要在平时运行过程中调整。高频??樽槠潦蔷攀甏⒄蛊鹄吹囊幌钚录际?,其特点是组屏简单,输出精度高,维护方便,自动化程度高。经过近二十年的发展,各方面都在不断完善,现在是一种日趋成熟的产品,而且应用日渐广泛,初步取代相控式的地位。下面就这两类充电机的基本原理作一详细介绍。
2 相控式充电机系统原理
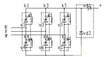
相控式充电机系统原理图如图1所示。相控式充电机的核心技术包括触发脉冲形成、可控硅整流、电感电容滤波、稳压稳流、限流过流?;?、过压欠压告警等。以下介绍相控式充电机系统各部分的工作过程。

图1相控式充电机系统原理图
三相市电380V交流,首先经过隔离变压器。隔离变压器有三个作用:首先,对可控硅的交流输入进行降压隔离;其次,产生同步电压;然后,给后级控制回路提供辅助电源。根据脉冲触发电路的不同,变压器线圈绕接方式也有差异,有Y/△1,Y/△11等。从变压器的二次输出的交流电源,在进入可控硅之前,经过一次阻容吸收,以吸收交流尖峰,从而净化输入。在可控硅前级,串入三个?;と鄱掀?。
2.2可控硅整流部分
随着现代集成技术的发展,功率大、体积小的可控硅??槿〈嗽吹牡ピ煽毓瑁话阋桓銮疟凼且桓隹煽毓枘?椋隹煽毓枘?樽槌梢桓鋈嗳厍牛偌由弦桓鲇行鞫芎透衾攵茏槌傻亩苣?椋妥槌闪顺涞缁恼鞑糠郑?),虚线框内表示为一个模块。照下面的接线方式,可控硅的触发顺序为V1、V2、V3、V4、V5、V6。

图2充电机的整流部分
2.3滤波部分
从可控硅整流出来的直流,波形并不是直线,还有很多交流成分,必须经过滤波。因此,在后级串入一个电感,并且并上一只电容和电阻,这样,直流纹波就非常小了。
2.4充电机输出采样部分
采用可控硅作为整流器件的直流系统,对输出的控制是通过改变可控硅的移相角来实现的,因而需要有采样作为反馈,因此,在滤波回路的后面,串入一个电流传感器,获取输出电流采样,并入一个电压传感器,获取电压采样。在控制电路中,主要的输出调节电路是一个比例积分电路,电压采样和电流采样可以分别作为它的一个输入分支,比例积分电路的输出端直接与脉冲触发电路的一个控制管脚相连,这样,通过内部逻辑回路的切换,轻松实现充电机输出的稳压或稳流。从而在电流传感器后端,输出的已经是稳定的直流。
2.5输出负荷部分
图中VD3的作用是一个逆阻二极管,防止外部电源倒灌充电机。二极管后边的开关就是充电机输出开关。从这里出去的直流分为三路:一路去电池,一路去动力合闸母线,另一路为控制母线提供前级电源。
2.6调压及母线采样部分
通常,比如DC220V直流系统,所配备的蓄电池组,浮充电压在243V以上,对于大多数控保护元器件,这个电压已经超出其额定电压范围。因此,在回路中串入一个调压装置。通过对硅链的自动控制,调整控制母线的输出,使其稳定在220V输出。给控制负荷提供安全电源。在控制母线上也有一个电压采样,用来采集控制母线电压。一方面给调压装置提供电压反馈,另一方面为控制母线的电压状态监视提供比较电位。
[page]
2.7电池采样部分
在电池充电回路,串有一个电流传感器,并有一个电压传感器,电流传感器为电池的充电电流控制提供反馈,电压传感器为电池的充电电压控制提供反馈。
合闸母线为动力负荷提供电源。因此,负荷大,工作时瞬间输出电流大,需要直接从蓄电池提供能量,因此,动力负荷一般直接和蓄电池组相连。
3 高频??槭匠涞缁低郴驹?/strong>
高频模块式充电机系统基本原理如图3所示。

图 3 高频??槭匠涞缁低郴驹硗?/div>
由高频??樽槌傻某涞缦低?,在系统原理上和相控充电机一样。但是,他们还有以下几方面的区别。
⑴ 由于高频??榫哂辛己玫氖淙牍费购褪涑龉费贡;?,而且具有良好的限流功能,因此,在输入侧和输出侧不需另加熔断器?;ぁS捎诟咂的?楸旧砭哂械缪沟缌飨允竟δ埽壹嗫仄饕部梢韵允鞠低持械钠渌问?,因此,在高频系统中,相控系统中常用的表记也可以省略。
⑵ 在由高频??樽槌傻南低持校话慊剐枰涮准嗫仄?,一方面控制高频模块的输出,另一方面,控制多个模块的并机工作,同时检测整个系统的其他数据。监控器一方面要和高频??橥ㄑ?,另一方面也可以和其他设备进行通讯。
⑶ 高频模块系统可以由多个??椴⒒ぷ?,容易组成大型系统。同时,具有带电插拔功能,维护非常方便。而且,单个模块实际上就是一个完整的直流系统。
⑷ 高频模块的内部原理框图如图4所示。单个高频??楸旧砭褪且桓鐾暾闹绷飨低?。模块输出精度高,稳压精度、稳流精度、纹波系数都能达到0.5%以下。而且,转换效率高。高频??槟诓坎捎酶咂当溲蛊?,体积非常小巧,省去了相控系统中笨重的隔离变压器。

图4高频??槟诓吭砜蛲?/div> 4 结论
随着数字化改革的不断深入,数字化产品越来越推广普及,数字花产品会越来越受到欢迎。而且,随着大功率高频??榈奈适?,高频充电机将以其无与比拟的优势,成为直流电源系统的主流产品。
特别推荐
- 强强联手!贸泽电子携手ATI,为自动化产线注入核心部件
- 瞄准精准医疗,Nordic新型芯片让可穿戴医疗设备设计更自由
- 信号切换全能手:Pickering 125系列提供了从直流到射频的完整舌簧继电器解决方案
- 射频供电新突破:Flex发布两款高效DC/DC转换器,专攻微波与通信应用
- 电源架构革新:多通道PMIC并联实现大电流输出的设计秘籍
技术文章更多>>
- 从分立器件到集成???,安森美全链路提升UPS功率密度与效率
- 村田参展CES 2026
- 2025智能戒指排名前十选购指南:从健康监测到穿戴的全面解析
- 如何利用专业工具链大幅缩短电源开发时间?
- 直通引脚开关实现通道密度与精度双飞跃
技术白皮书下载更多>>
- 车规与基于V2X的车辆协同主动避撞技术展望
- 数字隔离助力新能源汽车安全隔离的新挑战
- 车用连接器的安全创新应用
- Melexis Actuators Business Unit
- Position / Current Sensors - Triaxis Hall
热门搜索
LCR测试仪
lc振荡器
Lecroy
LED
LED?;ぴ?/a>
LED背光
LED调光
LED模拟调光
LED驱动
LED驱动IC
LED驱动???/a>
LED散热
LED数码管
LED数字调光
LED显示
LED显示屏
LED照明
LED照明设计
Lightning
Linear
Litepoint
Littelfuse
LTC
LTE
LTE功放
LTE基带
Marvell
Maxim
MCU
MediaTek




