中心议题:
- 矩阵级联型变频器的拓扑结构及其特点
- 矩阵级联型变频器的实现方法
- 矩阵级联型变频器的系统仿真
解决方案:
- 将矩阵变换器引入H桥级联型高压变频器
1 引言
近几年,H桥级联式高压变频器得到了很快的推广和普及,其“完美无谐波”的特点,被更多的人所赞誉和接受,这主要归功于一个简单的思路,即:用相对独立的低压变换单元,通过串联的办法来解决高压问题。思路很简单,但实现起来方法却各有不同。
本文就提出了一种将矩阵变换器引入H桥级联型高压变频器的新方法,并替换其中的H桥功率单元,舍弃了直流环节和串、并联电解电容器组,实现了交—交形式的直接变换,因此大大延长了变频器的使用寿命,体积也可以减小许多。
2 拓扑结构及其特点
2.1 矩阵变频器
矩阵式变换器,主要由矩阵开关以m×n阵列形式构成,当用作电机驱动时m和n的值都取3,组成矩阵变频器,其电路拓扑如图1所示。

图1 矩阵变换器
虚线框内为矩阵开关,由两支反串联的IGBT构成,也可以由两支反并联的晶闸管构成,它的作用是实现电流的双向控制。
(1)特点:
- 可以实现四象限运行;
- 无需电解电容器;
- 无需电力变压器;
- 体积小,重量轻;
- 效率高。
(2)缺点:
- 开关型功率器件数量多;
- 功率器件需要能耗型吸收电路;
- 采用IGBT时,受器件耐压限制,高电压变换难于实现。
[page]
2.2 交—交变频器
交—交型变频器,主要由电力变压器和三个单相交—交变换器共同组成,一般通过星形连接形成三相输出,电路拓扑结构如图2所示。

图2 交—交变频器
虚线框内为单相交—交变换器功率单元,由数支反并联的晶闸管构成,作用也是实现可换向整流控制。但是需要说明的是,晶闸管的关断需要依赖电源交流电压的自然换向才能实现。
(1)特点:
- 可以实现四象限运行;
- 无需电解电容器;
- 效率较高。
(2)缺点:
- 需要电力变压器,体积大,较重;
- 晶闸管数量多,需要能耗型吸收电路;
- 晶闸管的关断依赖电源的交流电压;
- 输出谐波较大;
- 输出频率范围因谐波原因受到较大的限制。
2.3 H桥级联型高压变频器
H桥级联型高压变频器,主要由移相式输入变压器和多个H桥单相逆变单元共同组成,单元与单元之间串联,并最终进行星形连接,从而实现三相输出。如图3所示,是一个3kV H桥级联型高压变频器的电路拓扑形式,它的每一个相电压由3个H桥单元串联而成。

图3 H桥级联型高压变频器
虚线框内为H桥单相逆变单元,由三相输入整流、滤波电容组和H桥逆变电路(全桥)共同组成,本质是一个AC-DC-AC变换器。
(1)特点:
- 功率因数高;
- 输入、输出电流波形接近正弦波,谐波?。?/li>
- 效率较高;
- 高电压变换容易实现。
[page]
(2)缺点:
- 需要复杂的电力变压器;
- 体积大,较重;
- 功率器件数量多;
- 依赖直流电容器,如果采用电解电容器,还需要定期维护。
2.4 矩阵级联型高压变频器
本文提出的矩阵级联型高压变频器,主要由移相式输入变压器和多个矩阵单相变换单元共同组成,它是在H桥级联型变频器基础上,将矩阵变换单元引入并替代H桥单相逆变单元而形成的,其单元与单元之间也采取串联及星形连形式,并最终实现三相输出的。拓扑结构如图4所示,是一个3kV矩阵级联型高压变频器的电路形式,它的每一个相电压由3个3×2矩阵变换单元串联而成,三相共需要9个这样的单元。

图4 矩阵级联型高压变频器
虚线框内为3×2矩阵变换单元,通过虚拟整流技术及可三电平输出的PWM控制技术,实现了三相交流电输入和单相三电平交流电的输出,可以适应感性负载的变化。
(1)特点:
- 可以实现四象限运行;
- 无需电解电容器,寿命较长;
- 变流器的体积较H桥单元的??;
- 输入、输出电流波形接近正弦波,谐波小;
- 功率因数高;
- 效率较高;
- 高电压变换容易实现;
- 输出频率范围宽。
(2)缺点:
- 需要复杂的电力变压器,体积大,较重;
- 功率器件数量多;
- 功率器件需要能耗型吸收电路。
[page]
3 矩阵级联型变频器的实现方法
矩阵级联型高压变频器,采用3×2矩阵变换单元相互串联而成,实现了高电压的输出,具有与H桥级联型高压变频器相似的特点,同时又具备矩阵、交—交变换器的四象限运行能力。
其实现方法是:三相高压交流电经移相变压器的降压、隔离和相移,形成互差一定角度的三相交流电。将该三相交流电分别送到各个矩阵变换单元,经虚拟整流、换向、PWM斩波控制和三电平转换,得到单相的交流电输出。将数台矩阵变换单元的输出端串联起来,并组合成星形,便得到了可直接驱动高压电动机的三相交流电。每台矩阵变换单元通过一对光纤接受控制器的指令和PWM信号,同时也能向控制器传送状态和告警信息。矩阵变换单元,采用虚拟整流技术,没有真正的直流环节,不需要平波电容器,所以使用寿命得到延长,可以减少维护量,甚至可以设计出免维护的产品。
3.1 虚拟整流技术
虚拟整流技术的实现,主要通过三相同步检测电路取得同步控制信号,然后控制功率器件来模拟二极管桥式整流电路对三相交流电进行整流,同时防止输入的三相交流电相间短路。其原理如图9所示,是一个输出方向固定的虚拟整流电路。仿真波形如图5所示,它们分别是矩阵变换单元的三相输入电压、6路同步信号和虚拟整流后得到的输出电压波形。

图5 方向固定的虚拟整流仿真波形
3.2 换向技术
换向技术,是通过可换向虚拟整流技术实现的,可以设计一个逻辑转换电路接收由控制器发出的输出方向给定信号,可以在任意时刻改变虚拟整流电路的输出方向,仿真波形如图6所示。

图6 输出可换向的虚拟整流波形
[page]
3.3 PWM斩波控制
对虚拟整流波形进行斩波控制,便可以得到占空比可任意调节的PWM波形。如图7所示,是通过SPWM控制得到的输出波形图。可以看出它的包络就是虚拟整流得到的波形。

图7 输出经SPWM斩波控制的输出波形
3.4 三电平控制
虽然经过上述过程实现了输出的斩波控制,但是它仅仅实现了通和断的转换,并不能为负载提供续流能力。而变频器应对的都是感性的负载,因此矩阵变换单元必须具备输出续流环节,为此考虑采用三电平控制策略是必须的。
4 矩阵级联型变频器的系统仿真
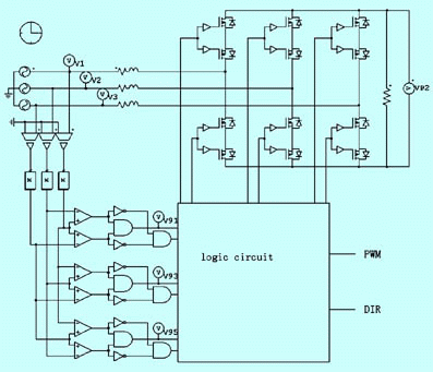
矩阵级联型高压变频器采用的矩阵变换单元,本质上是一个三相输入,单相输出的AC-AC变换器,即图4虚线框内所指的部分,仿真的具体电路原理如图8所示。

图8 矩阵变换单元电路仿真原理图
图8所示逻辑电路,其作用是完成三电平的转换和安全机制的处理,限于篇幅的原因不做进一步的分解。
讨论如何建立矩阵级联型变频器系统仿真模型,应首先讨论如何建立单相矩阵级联模型。
[page]
4.1 单相矩阵级联
以图4所示的A相为例,建立由3个矩阵变换单元串联而成的仿真模型,将电网输入电压相互相移20°,每个变换单元在产生SPWM控制信号之前,将三角波参照自身互相相移120°,其他部分完全相同。把变换单元A1、A2和A3尾首相连,A1的首和A3的尾悬空并用于测量。于是得到单相串联输出波形图如图9所示,参照图4,它们分别是:变换单元A1输入三相电压、A1输出单相电压、A2输出单相电压、A3输出单相电压、A相总输出单相电压波形,以及A相给定的基波电压。

图9 单相矩阵级联的仿真波形
通过上述仿真模型得出的结果,不难看出由3个具有三电平输出能力的矩阵变换单元,可以通过串联得到3×2+1=7个电平数,这与H桥级联型变频器的情况相类似,不同的是矩阵级联变换器输出的电平是虚拟整流波形的包络。值得说明的是,矩阵变换单元串联的越多,其输入电压和调制三角波的相移角度也会选择的越紧密,系统输出就越接近正弦波。
4.2 三相矩阵级联
将单相矩阵级联串组合成星形连接,便形成了三相输入三相输出的交流电。如图10所示,

图10 三相矩阵级联电压输出图
它们分别是A相单台矩阵变换单元输出电压、A相输出总电压、B相输出总电压和A-B总输出线电压的波形图。
5 结论
本文揭示和描述了一种新型的矩阵级联型高压变频器,并着重阐述了它的拓扑形式、组成原理、实现方法和研究内容等。矩阵级联式高压变频器具有矩阵变频器、交—交变频器和H桥级联型高压变频器的三重特点,采用虚拟的多重化整流和PWM逆变技术,不需要电容器组,具有体积小,效率高,低谐波,长寿命等特点,所以对它进行深入的研究将具有十分重要的意义。本文对比了矩阵变频器、交—交变频器和H桥级联型高压变频器的拓扑原理、技术特点和优缺点等。




