- 基于开关电源的??榈纳杓?/strong>
- 采用双管正激式DC/ DC 变换器
- 利用无源PFC 电路的原理, 改善电路中电流的畸变
- 外加DC/ DC 变换器抑制电网侧谐波电流噪声
引 言
随 着我国科技生产水平的不断提高,各行各业对供电质量的要求越来越高,而智能高频开关电源作为一种继电保护装置和控制回路装置,为生活和生产中的供电的可靠 性提供了有力的保障。当市电供电中断时还可以作为后备电源,所以说智能高频开关电源是对供电质量保证的重要组成部分之一。它具有高度灵活组合、自主监控的 特点,另外可靠性强、稳定性好且具有体积小、噪声低、节能高效、维护方便等也是它的一大优点。
可以说智能高频开关电源是一种集计算机技术、控制技术、通信技术于一体的高科技产品,可实现系统的自动诊断、自动测试和自动控制。本文主要阐述的是智能高频开关电源的整流模块的设计方案。
1 系统总体结构介绍
智 能高频开关电源系统的总体结构主要由主监控单元、配电???、交流配电单元、整流模块等组成, 系统总体的结构图如图1 所示。系统中的各个监控单元受主监控单元的管理和控制,通过通信线将各个监控单元采集的信息送给主监控统一管理。主监控显示直流系统各种信息,用户也可以 触摸显示屏查询信息及操作,系统信息还可以接入到远程监控系统中。系统除了交流监控、直流监控、开关量监控等基础单位外,还配置了绝缘监测、降压装置、电 池巡检等功能单元,以达到对直流系统进行全面监控的目的。

图1 系统控制原理图
工作时两路市电 (交流) 经过交流切换装置输入一路交流, 给各个整流模块供电。整流??榻淙肴嘟涣鞯缱晃绷鞯?,给备用电源(蓄电池) 充电, 同时也给合闸母线负载供电,另外合闸母线通过降压装置给控制母线供电。所以说本文设计的整流??槭墙骱统涞缌较罟δ芙岷嫌谝惶宓囊恢中滦偷恼髂?椤?br />
2 整流??榈纳杓?/strong>
整流??槭侵悄芨咂悼氐缭聪低持械囊桓鲋匾糠?,关系到系统的直流电压输出和工作时电压输出的稳定状况。本文的设计主要是对??檎髟淼母慕屯晟?, 利用无源PFC 和DC/ DC 变换器的原理, 使得改进后的??槟芄挥行瓿烧髯饔谩?br />
本 文设计的整流??榈墓ぷ髟砜蛲既缤? 所示,工作时, ??槭紫韧ü览状砗吐瞬ǘ允淙氲娜嘟涣鹘写?,这样才能保证模块后级电路的安全; 经过处理后的三相交流经过整流和无源PFC 后转换成高压直流时,这时转换的高压直流要经过DC/DC变换器再次转换成可变的直流电压输出; 另外??榭刂撇糠只褂懈涸鸸?、过流以及短路保护等作用,这样才能保证输出电压的稳定, 也同时能对??楦鞑考斜;ぁD?榛乖谠冻碳嗫刂刑峁┝?四遥 (???、遥调、遥测、遥信) 接口。

图2 整流??榈牡墓ぷ髟硗?/div> [page]
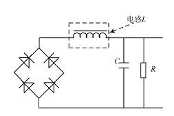
即功率因数校正( Pow er Factor Correct ion, PFC)是指有效功率与总耗电量( 视在功率) 之间的关系,也就是有效功率除以总耗电量( 视在功率) 的比值。无源PFC 是指不使用晶体管等一些有源器件组成的校正电路,一般情况下由二极管、电阻、电容和电感等无源器材组成。本文的PFC 主要是在整流桥堆和滤波电容之间加1 个电感, 具体原理如图3 所示,利用电感上的电流不能突变的特性来平滑电容充电强脉冲的波动,改善电路中电流的畸变,并且利用电感上的电压超前于电流这一特性来补偿滤波电容电流超 前电压的特性, 使功率因数和电磁干扰都得以改善。
这种方式只是一种简单的补偿措施, 只能做到抑制电流瞬时突变的目的, 但电流畸变的校正及功率因数的补偿能力都很差 。
DC/ DC 变换器将一个固定的直流电压变换为可变的直流电压,这种控制具有加速平稳、快速响应的性能,同时可以收到节约电能的效果。用直流斩波器代替变阻器可节约20% ~ 30%的电能。直流斩波器不仅能起到调压作用, 还能起到有效抑制电网侧谐波电流噪声的作用。

图3 无源PFC原理图
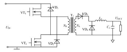
本 文的DC/ DC 变换器采用双管正激式DC/ DC 变换器, 它的原理如图4 所示, 变压器T 1 起隔离和变压的作用,在输出端要加一个电感器L o ( 续流电感) 起能量的储存及传递作用, 变压器初级无再有复位绕组, 因为VD1 , VD2 的导通限制了两个调整管关断时所承受的电压。输出回路需有一个整流二极管VD3 和一个续流二极管VD4 ( VD3 , VD4 最好均选用恢复时间快的整流管) 。输出滤波电容CO 应选择低、大容量的电容, 这样有利于降低纹波电压。双管正激式DC/ DC 变换器的工作特点如下:
(1) 在任何工作条件下, 为使两个开关管所承受的电压不会超过UIN , Ud ( UIN 为输入电压; Ud 为VD1 ,VD2 的正向压降) , VD1 , VD2 必须是快恢复管, 其在实际设计和调试中恢复时间越短越好。
(2) 与单端正激式DC/ DC 变换器相比, 它无须复位电路, 这有利于简化电路和变压器的设计; 它的功率器件可选择较低的耐压值;它功率等级也会很大。
(3) 两个开关管的工作状态一致, 会同时处于通态或断态。所以使用在智能高频开关电源这样大功率等级电源中比较适合。

图4 双管正激式DC/DC变换器的电路图
平 滑滤波原理: 整流电路将交流电变为脉动直流电, 但其中含有大量的交流成分( 称为纹波电压) 。为了获得平滑的直流电压,应在整流电路的后面加接滤波电路, 以滤去交流部分。此时在桥式整流电路输出端与负载之间并联一个大电容,采用电容滤波后使二极管得到的时间缩短, 由于电容CO 充电的瞬时电流较大, 形成了浪涌电流, 容易损坏二极管, 故在选择二极管时,必须留有足够的电流裕量, 以免烧坏。
3 整流??榈墓δ芙樯?/strong>
整流??槌四芙淙氲慕涣鳎?80 V、50 Hz) 变换成额定的直流输出(5A/ 230 V) 之外, 还具有?;すδ芎蜕柚霉δ?,现将??榈谋;すδ芎蜕柚霉δ芙樯苋缦拢?br />
3. 1 ?;すδ芙樯?/strong>
(1) 输出过压?;ぁJ涑龅缪构呋岫杂玫缟璞冈斐芍卮笫鹿?, 为杜绝此类事故的发生, 在??槟诓可栌泄贡;さ缏罚背鱿止购竽?樽远?, 同时??榈墓收现甘镜屏?, ??樽远顺龉ぷ髯刺?, 从而不会影响到整个系统的正常运行。
(2) 输出限流?;?。因为每个整流??榈氖涑龉β适艿较拗疲?输出的电流不能过大。因此,对每个模块的输出电流最大限制为额定输出电流的1. 2 倍, 如果超出负载, ??樽远鞯褪涑龅缪挂源锏奖;つ?榈墓δ堋?br />
(3) 短路?;ぁU髂?榈氖涑鎏匦匀缤? 所示,输出短路时??樵谒布浒咽涑龅缪估偷搅悖?限制短路电流在限流点之下,此时??槭涑龉β屎苄?, 以达到?;つ?榈哪康?, 这样??槌て诳梢猿て诠ぷ髟诙搪纷刺恢劣谒鸹担钡惫收吓懦竽?榭梢宰远指垂ぷ?。

图5 整流??槭涑鎏匦?/div> [page]
(4) ??椴⒘;?。每个模块内部均有并联?;さ缏罚?可以保证??榉⑸收鲜弊远顺鱿低?,从而不影响其他正常??榈墓ぷ?。??椴⒘涑鍪疽馔既缤?所示。

图6 ??椴⒘涑鍪疽馔?/div>
(5) 过温?;?。??榈墓卤;ぶ饕潜;ご蠊β时淞髌骷?这些器件的结温和电流过载能力均有安全极限值, 正常工作的情况下,系统设计留有足够余量, 但在一些特殊条件下, 如环境温度过高、风机停转灯情况下, ??榧觳馍⑷绕魑露瘸欢ㄖ凳?, 就会自动关机?;?,当温度降低到能够正常工作的温度值时模块才自动启动。
(6) 过流?;?。过流?;ぶ饕潜;ご蠊β时淞髌骷?, 在变流的每一个周期, 如果通过的电流超过器件承受的电流, ??榫突峁乇展β势骷?,以达到?;すβ势骷哪康?。
3. 2 调节功能介绍
(1) 电压调节功能。??榈牡缪沟鹘谥饕侵甘涑龅缪沟牡鹘冢?在??榈氖涑龆松栌械缪沟鹘诘缥黄鳎蹦?楹图嗫氐ピ嗔邮保涑龅缪挂部梢杂杉嗫叵低成瓒?, 这时电位器调节无效。
(2) 测量功能。??榈牟饬抗δ苤饕遣饬磕?榈氖涑龅缪购偷缌饕约澳?榈墓ぷ髯刺?, 并通过LCD 显示,可以使用户直观方便的了解模块和系统的工作状态。
(3) ??毓δ?。??兀?控制模块的开/ 关机状态, 以及备用电源( 蓄电池) 的均/ 浮充状态; 遥调:对输出电压和输出电流的调节控制; 遥测: 可以在??楣ぷ魇辈饬渴涑龅缌骱褪涑龅缪沟闹?; 遥信: 通过远程监控监测??榈墓ぷ髯刺?br />
4 结 语
本 文主要对智能高频开关电源系统中的整流??榻械纳杓朴胙芯?, 利用无源PFC 电路的原理, 改善电路中电流的畸变, 外加DC/ DC 变换器抑制电网侧谐波电流噪声, 体现了智能高频开关电源系统中整流??榈挠诺?,适用于铁路、矿山等变电场所。该系统虽然能够准确的进行交流变换, 但是在对备用电源充电时的均匀性方面都比较弱, 同时成本也比较高,同时在防雷滤波方面的改进也不是很完善, 所以还要在这些方面进一步的改善和提高。
特别推荐
- 强强联手!贸泽电子携手ATI,为自动化产线注入核心部件
- 瞄准精准医疗,Nordic新型芯片让可穿戴医疗设备设计更自由
- 信号切换全能手:Pickering 125系列提供了从直流到射频的完整舌簧继电器解决方案
- 射频供电新突破:Flex发布两款高效DC/DC转换器,专攻微波与通信应用
- 电源架构革新:多通道PMIC并联实现大电流输出的设计秘籍
技术文章更多>>
- 瑞典Ionautics新一代HiPIMS设备HiPSTER 25落地瑞士Swiss PVD
- CITE 2026:以科创之钥,启电子信息新局
- 迈来芯单线圈驱动芯片:二十载深耕,实现无代码开发与高能效双突破
- 工业智能化利器:树莓派的多元应用与优势
- 电容选型核心指南:特性、误区与工程实践
技术白皮书下载更多>>
- 车规与基于V2X的车辆协同主动避撞技术展望
- 数字隔离助力新能源汽车安全隔离的新挑战
- 车用连接器的安全创新应用
- Melexis Actuators Business Unit
- Position / Current Sensors - Triaxis Hall
热门搜索
友情链接(QQ:317243736)
我爱方案网 ICGOO元器件商城 创芯在线检测 芯片查询 天天IC网 电子产品世界 无线通信???/a> 控制工程网 电子开发网 电子技术应用 与非网 世纪电源网 21ic电子技术资料下载 电源网 电子发烧友网 中电网 中国工业电器网 连接器 矿山设备网 工博士 智慧农业 工业路由器 天工网 乾坤芯 电子元器件采购网 亚马逊KOL 聚合物锂电池 工业自动化设备 企业查询 工业路由器 元器件商城 连接器 USB中文网 今日招标网 塑料机械网 农业机械 中国IT产经新闻网 高低温试验箱
关闭
?
关闭





