中心议题:
- 空间脉宽调制原理
- 无速度传感器控制原理
- 空间脉宽调制技术的无速度传感器控制系统设计
解决方案:
- 无速度传感器控制系统的硬件设计
- 无速度传感器控制系统的软件设计
传统的异步电动机控制系统中的测量装置较多采用光电数字脉冲编码器,而它在使用的过程中易受到干扰,降低了系统的可靠性,且不适用于恶劣的工况环境。针对以上缺点,本文提出了空间脉宽调制技术(SVPWM)的无速度传感器控制,利用现代的数字信号处理技术,使得复杂的磁链和转速控制得以实现。并基于DSPTMS320F2812实现了异步电机无速度传感器的矢量控制。
1空间脉宽调制原理
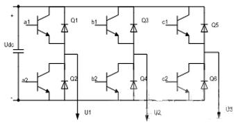
对异步电动机而言,加载到定子上的三相交流电产生旋转磁场,与转子的感应磁场交互作用产生扭矩而使转子旋转??占渎隹淼髦剖墙ㄗ拥娜嗟缌魇噶坑勺曜怀闪礁龅刃艺坏姆至?,其中一相相当于磁场电流,另一相则相当于扭矩电流??占涫噶靠刂圃谟诳刂贫ㄗ拥娜嗟缌鞯拇笮 ⑵德屎拖辔?,使其磁场分量维持在最大容许值,调节扭矩电流分量来控制扭矩的大小。并通过控制逆变器的开关模式,使电机的定子电压空间矢量沿圆形轨迹运动,从而明显降低转矩脉动。常用的三相电压源逆变主电路结构如图1所示。

图1三相电压源逆变电路结构图
三相逆变器共有8种开关状态(上桥臂导通开关状态为1,下桥臂导通开关状态为0),

[page]
2无速度传感器控制原理
无速度传感器的矢量控制就是通过检测异步电机的相电流和相电压,采用一定的观测技术观测出异步电机的转速,作为矢量控制系统中转速闭环的转速反馈。如图3所示。

图3控制原理系统框图
2.1转子磁链估计
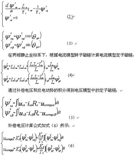
在转子磁场定向的矢量控制系统中,转子磁链的准确估计和控制是影响电机控制性能的关键因素之一。转子磁链估计有电压型和电流型两种。传统的电压模型算法简单,受电机参数变化影响小,但低速时观测精确度较低而且纯积分环节的误差积累和漂移问题严重。传统的电流模型不涉及纯积分项,低速的观测性能强于电压模型法,但高速时不如后者,而且受转子时间常数影响较大。
本文将电压模型和电流模型结合起来估算转子磁链,对电流模型计算的磁链进行PI运算,再用PI运算的结果补偿电压模型的磁链,通过调节PI参数的值,使得在高速时电压模型起主要作用,低速时使电流模型起主要作用,克服了它们的缺点,提高估算的准确性。
转子磁场定向控制中,在两相旋转坐标系和两相静止坐标系中的电流模型转子磁链方程分别如式(2),式(3)所示:

[page]
根据电压模型定子磁链可以计算得到电压模型转子磁链:

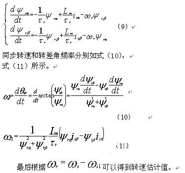
2.2转速估计原理
无速度传感器矢量控制系统的转速根据磁链估计模型输出的转子磁链进行估计得到。磁链矢量关系如式(9)所示:

3控制系统设计
基于无速度传感器矢量控制原理,选用TMS320F2812作为核心控制器设计控制系统的硬件,在CCS2000的编译平台上实现了软件程序编写。
3.1硬件设计
无速度传感器矢量控制系统也是由主电路和控制电路组成。系统以IGBT功率器件构成三相逆变电路。由整流电路、滤波电路、驱动?;さ缏泛虸GBT共同构成交一直一交电压型通用变频器主电路。以TMS320F2812为核心构成控制核心,DSP负责采样电机三相电流、实现无速度传感器矢量控制的算法、最后输出PWM驱动三相逆变桥工作。系统硬件的基本结构如图4所示。

图4硬件整体框架
[page]
采用大功率IGBT并联结构,IR21363S作为PWM驱动芯片,有三个独立的高压侧和低压侧输出信号,可以同时输出六路PWM信号,PWM工作频率可达500kHZ,具有欠压和过电流?;すδ?。采用霍尔和磁环配合检测异步电机两相电流,通过电阻分压方式检测直流母线电压,并通过RC滤波电路滤波,提高了AD采样的准确性和系统工作的可靠性。
3.2软件设计
系统软件采用C语言编写,主要包括主程序、定时器下溢终端子程序,具体程序流程图如图5、图6所示:

4结论
随着各种控制理论,数字信号处理器(DSP)的发展以及它们在电机控制中的广泛应用,电机的控制技术的发展进入了全新的阶段。通过本文的研究可以看出,以TMS320F2812为核心的无刷直流电机控制系统控制精度高、实时性强、系统的功耗低,并且可以实现的控制功能非常丰富,这些都是传统的控制系统所无法比拟的,充分体现了DSP控制的优越性。





