- 计算大功率电源中MOSFET的功率耗散
- 重新设定输入电压范围
- 改变开关频率
也许便携式电源设计工程师所面临的最大挑战在于向现代高性能CPU供电。最近,CPU供电电流每两年翻一倍。事实上,当今的便携式内核电源要求电流达到 40A,电压在0.9V至1.75V之间。但一方面电流要求持续增加,提供电源的可用空间却没有加大,这一实事将热设计推到难以超越的极限。
如此高的电流电源通常会分为两个或更多部分,每一部分提供15A至25A电流。这种方案消除了元件甄选的任务。例如,40A电源本质上可以分成两个20A电源。但由于该解决方案并不增加额外的板空间,它无法解决热设计的挑战。
用于高电流电源最难选择的元件是MOSFET场效应管,对于笔记本计算机尤为如此,在这种环境下,通常要为CPU自身保留散热器、风扇、散热管和其他散热器件。这样,电源经常需要与狭窄的空间、不流动的空气和附近元件耗散的热量对抗?;褂校税沧霸诘缭聪旅嫘⌒〉腜CB铜片,没有什么可以帮助电源散热。
MOSFET的甄选从选择能够应付所要求的电流、提供足够的散热通道开始,在确定了要求的散热量并确保了散热途径后结束。本文介绍了计算MOSFET功率耗散和确定其工作温度的步骤说明。随后,以通过多相位、同步矫正、降压CPU内核20A电源设计为例,对每个计算步骤进行了说明。
计算功率耗散
要确定一个MOSFET场效应管是否适于某一特定应用,需要对其功率耗散进行计算。耗散主要包括阻抗耗散和开关耗散:PDDEVICETOTAL=PDRESISTIVE+PDSWITCHING
由于MOSFET的功率耗散很大程度上取决于其导通电阻(RDS(ON)),计算RDS(ON)看似是一个很好的着手之处。但MOSFET的导通电阻取决于结温TJ。返过来,TJ又取决于MOSFET中的功率放大器耗散和MOSFET的热阻(ΘJA)。这样,很难确定空间从何处着手。由于在功率耗散计算中的几个条件相互依赖,确定其数值时需要迭代过程(图1)。

当允许的周围温度达到或略高于电源封装内和其供电的电路所期望的最高温度时结束。使计算的环境温度尽可能高看似很诱人,但这通常不是一个好主意。这样做将需要更昂贵的MOSFET、在MOSFET下面更多地使用铜片,或者通过更大或更快的风扇使空气流动。所有这些都没有任何保证。
在某种意义上,这一方案蒙受了一些“回退”。毕竟,环境温度决定MOSFET的结温,而不是其他途径。但从假设结温开始所需要的计算,比从假设环境温度开始更易于实现。
对于开关MOSFET和同步整流器两者,都是选择作为此迭代过程开始点的最大允许裸片结温(TJ(HOT))。大多数MOSFET数据参数页只给出25°C的最大RDS(ON),,但近来有一些也提供了125°C的最大值。MOSFETRDS(ON)随着温度而提高,通常温度系数在0.35%/°C至0.5%/°C的范围内(图2)。如果对此有所怀疑,可以采用更悲观的温度系数和MOSFET在25°C规格参数(或125°C的规格参数,如果有提供的话)计算所选择的TJ(HOT)处的最大RDS(ON):RDS(ON) HOT =RDS(ON) SPEC ×[1+0.005×(TJ(HOT)?TSPEC)]
[page]
其中,RDS(ON)SPEC为用于计算的MOSFET导通电阻,而TSPEC为得到RDS(ON)SPEC的温度。如下描述,用计算得到的RDS(ON) HOT确定MOSFET和同步整流器的功率耗散。讨论计算各MOSFET在假定裸片温度的功率耗散的段落之后,是对完成此迭代过程所需其他步骤的描述。

同步整流器的耗散
对于除最大负载外的所有负载,在开、关过程中,同步整流器的MOSFET的漏源电压通过捕获二极管箝制。因此,同步整流器没有引致开关损耗,使其功率耗散易于计算。需要考虑只是电阻耗散。
最坏情况下损耗发生在同步整流器负载系数最大的情况下,即在输入电压为最大值时。通过使用同步整流器的RDS(ON) HOT和负载系数以及欧姆定律,就可以计算出功率耗散的近似值:PDSYNCHRONOUS RECTIFIER=[ILOAD2×RDS(ON) HOT ]×[1>-(VOUT/VIN(MAX))]
开关MOSFET的耗散
开关MOSFET电阻损耗的计算与同步整流器的计算相仿,采用其(不同的)负载系数和RDS(ON) HOT :PDRESISTIVE=[ILOAD2×RDS(ON) HOT]×(VOUT/VIN)
由于它依赖于许多难以定量且通常不在规格参数范围、对开关产生影响的因素,开关MOSFET的开关损耗计算较为困难。在下面的公式中采用粗略的近似值作为评估一个MOSFET的第一步,并在以后在实验室内对其性能进行验证:PDSWITCHING=(CRSS×VIN2×fSW×ILOAD)/IGATE
其中CRSS为MOSFET的反向转换电容(一个性能参数),fSW为开关频率,而IGATE为MOSFET的启动阈值处(栅极充电曲线平直部分的VGS)的MOSFET栅极驱动的吸收电流和的源极电流。
一旦根据成本(MOSFET的成本是它所属于那一代产品的非常重要的功能)将选择范围缩小到特定的某一代MOSFET,那一代产品中功率耗散最小的就是具有相等电阻损耗和开关损耗的型号。若采用更小(更快)的器件,则电阻损耗的增加幅度大于开关损耗的减小幅度;而采用更大(RDS(ON)低)的器件中,则开关损耗的增加幅度大于电阻损耗的减小幅度。
如果VIN是变化的,必须同时计算在VIN(MAX)和VIN(MIN)处的开关MOSFET的功率耗散。MOSFET最坏情况下功率耗散将出现在最小或最大输入电压处。耗散为两个函数的和:在VIN(MIN) (较高的负载系数)处达到最大的电阻耗散,和在VIN(MAX)(由于VIN2的影响)处达到最大的开关耗散。最理想的选择略等于在VIN极值的耗散,它平衡了VIN范围内的电阻耗散和开关耗散。
如果在VIN(MIN)处的耗散明显较高,电阻损耗为主。在这种情况下,可以考虑采用较大的开关MOSFET,或并联多个以达到较低的RDS(ON)值。但如果在VIN(MAX)处的耗散明显较高,则可以考虑减小开关MOSFET的尺寸(如果采用多个器件,或者可以去掉MOSFET)以使其可以更快地开关。
如果所述电阻和开关损耗平衡但还是太高,有几个处理方式:
改变题目设定。例如,重新设定输入电压范围;改变开关频率,可以降低开关损耗,且可能使更大、更低的RDS(ON)值的开关MOSFET成为可能;增大栅极驱动电流,降低开关损耗。MOSFET自身最终限制了栅极驱动电流的内部栅极电阻,实际上局限了这一方案;采用可以更快同时开关并具有更低RDS(ON)值和更低的栅极电阻的改进的MOSFET技术。
由于元器件选择数量范围所限,超出某一特定点对MOSFET尺寸进行精确调整也许不太可能,其底线在于MOSFET在最坏情况下的功率必须得以耗散。
[page]
热阻
再参考图1说明,确定是否正确选择了用于同步整流器和开关MOSFET的MOSFET迭代过程的下一个步骤。这一步骤计算每个MOSFET的环境空气温度,它可能导致达到假设的MOSFET结温。为此,首先要确定每个MOSFET的结与环境间的热阻(ΘJA)。
如果多个MOSFET并联使用,可以通过与计算两个或更多关联电阻的等效电阻相同的方法,计算其组合热阻。热阻也许难以估计,但测量在一简单PC板上的单一器件的ΘJA就相当容易,系统内实际电源的热性能难以预计,许多热源在竞争有限的散热通道。
让我们从MOSFET的ΘJA开始。对于单芯片SO-8 MOSFET封装,ΘJA通常在62°C/W附近。对于其他封装,带有散热栅格或暴露的散热条,ΘJA可能在40°C/W和50°C/W之间(参见表)。计算多高的环境温度将引起裸片达到假设的TJ(HOT):TAMBIENT=TJ(HOT)-TJ(RISE)
如果计算的TAMBIENT比封装最大标称环境温度低(意味着封装的最大标称环境温度将导致超过假设的MOSFETTJ(HOT)),就要采取以下一种或所有措施:
提高假设的TJ(HOT)(HOT,但不要超过数据参数页给出的最大值;通过选择更合适的MOSFET,降低MOSFET功率耗散;或者,通过加大空气流动或MOSFET周围的铜散热片面积降低ΘJA。

另一方面,如果计算的比封装最大标称环境温度高得多,就要采取以下一种或所有措施:
降低假设的TJ(HOT);减少用于MOSFET功率耗散的铜散热片面积;或者,采用不那么昂贵的MOSFET。
这些步骤是可选的,因为本案例中MOSFET不会由于超过设定温度而损坏。然而,在TAMBIENT比封装的最大温度高时,这些步骤可以减小板面积和成本。
该过程中最大的不准确性来源于ΘJA。仔细研读ΘJA规格参数相关的数据页说明。典型的规格说明假设器件安装于1平方英寸的2盎司铜片。铜片承担了大部分的散热,而铜片的大小对ΘJA有显著影响。
例如,采用1平方英寸的铜片,D-Pak的ΘJAD-Pak可能是50°C/W。但如果铜片就设在封装引脚下,ΘJA值将会加倍(参见表)。采用多个并联MOSFET,ΘJA主要依赖于它所安装的铜片面积。两个元器件的等效ΘJA可能是只有一个元器件时的一半,除非铜片的面积加倍。就是说,增加并联MOSFET而不同时增加铜片面积,将使RDS(ON)减半,但对ΘJA的改变小得多。
最后,ΘJA的规格参数假设铜片散热面积不需考虑其他元器件的散热。在高电流时,在功率路径上的每个元件,甚至是PC板上的铜材料都会产生热量。为避免对的MOSFET过度加热,需要仔细计估算实际物理环境能达到的ΘJA值;研究所选择的MOSFET提供的热参数信息;检查是否有空间用于增加额外的铜片、散热器和其他器件;确定增加空气流动是否可行;看看在假设的散热通道有没有其他明显的热源,并要估算一下附近元件和空间的加热或冷却作用。
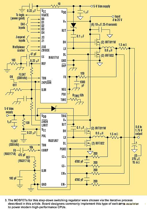
设计实例
图3所示CPU内核电源在40A提供1.3V。两个同样的20A电源在300kHz运行,提供40A输出电源。MAX1718主控制器驱动一个,而MAX1897从控制器驱动另一个。该电源输入范围在8~20V之间,指定封装的最高工组作环境温度60°C。
同步整流器包括两个并联的IRF7822MOSFET,在室温条件下组合的最大RDS(ON)为3.25mΩ,而假设TJ(HOT)为115°C时约为4.7mΩ。最大负载系数94%,20A负载电流和4.7mΩ最大RDS(ON),并联MOSFET的耗散约为1.8W。提供2平方英寸的铜片以进行散热,总ΘJA约为31°C/W。组合MOSFET的温度上升约为55°C,所以此设计将在60°左右的环境温度工作。
在室温下组合的最大RDS(ON)为6mΩ,在115°C(假设的TJ(HOT))为8.7mΩ的两个并联IRF7811WMOSFET组成开关MOSFET。组合CRSS为240pF。MAX1718以及MAX1897的1Ω栅极驱动输出约为2A.。当VIN=8V时,电阻损耗为0.57W,而开关损耗约为0.05W。在20V时,电阻损耗为0.23W,而开关损耗约为0.29W。在每个操作点的总损耗大体平衡,而在最小VIN处的最坏情况下,等于0.61W。
由于功率耗散水平不高,我们可以在这对MOSFET下面提供了0.5平方英寸的铜片,达到约55°C/W的总ΘJA。这样以35°C的升温,可以支持达80°C的环境温度。
本实例的铜散热片仅要求对MOSFET提供。如果有其它器件散热,也许要求铜散热片面积更大。如果空间不允许增加额外的铜散热片,可以减小总功率耗散,将热量扩散到散热量较低的地方,或采用其他方法散热。
[page]
热能管理是大功率便携设计中最困难的方面之一,它使上述的迭代过程成为必需。虽然这一过程使板设计者已经接近于最终设计,但还是必须通过实验室工作最终确定设计过程是否准确。在实验室中计算MOSFET的热能特性、确何其散热通道并检查计算结果,有助于确??煽康娜壬杓?。





