- 单相正弦脉宽调制逆变器的设计
- 驱动电路设计
- DC/AC变换采用全桥变换电路
- 采用主、控电路完全隔离的方法
- 利用SG3524生成SPWM信号
0 引言
当铁路、冶金等行业的一些大功率非线性用电设备运行时,将给电网注入大量的谐波,导致电网电压波形畸变。根据我们的实验观察,在发生严重畸变时,电压会出现正负半波不对称,频率也会发生变化。这样的供电电压波形,即使是一般的电力用户,也难以接受,更无法用其作为检修、测试的电源。同时,在这种情况下,一般的稳压电源也难以达到满意的稳压效果。为此,我们设计了该逆变电源。其控制电路采用了2片集成脉宽调制电路芯片SG3524,一片用来产生PWM波,另一片与正弦函数发生芯片ICL8038做适当的连接来产生SPWM波。集成芯片比分立元器件控制电路具有更简单、更可靠的特点和易于调试的优点。
1 系统结构及框图
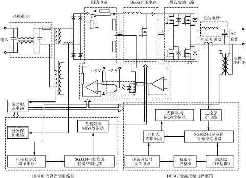
图1示出了系统主电路和控制电路框图。交流输入电压经过共模抑制环节后,再经工频变压器降压,然后整流得到一个直流电压,此电压经过Boost电路进行升压,在直流环上得到一个符合要求的直流电压350V(50Hz/220V交流输出时)。DC/AC变换采用全桥变换电路。为保证系统可靠运行,防止主电路对控制电路的干扰,采用主、控电路完全隔离的方法,即驱动信号用光耦隔离,反馈信号用变压器隔离,辅助电源用变压器隔离。过流保护电路采用电流互感器作为电流检测元件,其具有足够快的响应速度,能够在MOS管允许的过流时间内将其关断。

图1 系统主电路和控制电路框图
2 控制及保护电路
为了降低成本,使用两块集成PWM脉冲产生芯片SG3524和一块函数芯片ICL8038,使得控制电路简洁,易于调试。
2.1 SG3524的功能及引脚
图2所示为SG3524的结构框图和引脚图。

(a) SG3524引脚说明

(b) SG3524内部框图
图2 SG3524引脚及内部框图
SG3524工作过程是这样的:
直流电源Vs从脚15接入后分两路,一路加到或非门;另一路送到基准电压稳压器的输入端,产生稳定的+5V基准电压。+5V再送到内部(或外部)电路的其他元器件作为电源。
[page]
振荡器脚7须外接电容CT,脚6须外接电阻RT。振荡器频率f由外接电阻RT和电容CT决定,f=1.18/RTCT。本设计将Boost电路的开关频率定为10kHz,取CT=0.22μF,RT=5kΩ;逆变桥开关频率定为5kHz,取CT=0.22μF,RT=10kΩ。振荡器的输出分为两路,一路以时钟脉冲形式送至双稳态触发器及两个或非门;另一路以锯齿波形式送至比较器的同相端,比较器的反向端接误差放大器的输出。
误差放大器实际上是个差分放大器,脚1为其反向输入端;脚2为其同相输入端。通常,一个输入端连到脚16的基准电压的分压电阻上(应取得2.5V的电压),另一个输入端接控制反馈信号电压。本系统电路图中,在DC/DC变换部分,SG3524-1芯片的脚1接控制反馈信号电压,脚2接在基准电压的分压电阻上。误差放大器的输出与锯齿波电压在比较器中进行比较,从而在比较器的输出端出现一个随误差放大器输出电压高低而改变宽度的方波脉冲,再将此方波脉冲送到或非门的一个输入端。或非门的另两个输入端分别为双稳态触发器和振荡器锯齿波。双稳态触发器的两个输出端互补,交替输出高低电平,其作用是将PWM脉冲交替送至两个三极管V1及V2的基极,锯齿波的作用是加入了死区时间,保证V1及V2两个三极管不可能同时导通。最后,晶体管V1及V2分别输出脉冲宽度调制波,两者相位相差180°。当V1及V2并联应用时,其输出脉冲的占空比为0%~90%;当V1及V2分开使用时,输出脉冲的占空比为0%~45%,脉冲频率为振荡器频率的1/2,在本系统电路图(图1)中,两块SG3524都为并联使用。当脚10加高电平时,可实现对输出脉冲的封锁,进行过流?;?。
2.2 利用SG3524生成SPWM信号
按照上述SG3524的工作原理,要得到SPWM波,必须得有一个幅值在1~3.5V,按正弦规律变化的馒头波,将它加到SG3524-2内部,并与锯齿波比较,就可得到正弦脉宽调制波。我们设计的控制电路框图,以及实际电路各点的波形,如图3所示。

(a) 控制电路框图

(b) 各点波形
图3 控制电路框图及各点波形
正弦波电压ua由函数发生器ICL8038产生。ICL8038引脚和具体的接法如图4所示。正弦波的频率由R1,R2和C来决定,f=,为了调试方便,我们将R1及R2都用可调电阻,R2和R是用来调整正弦波失真度用的。在实验中我们测得当f=50Hz时,R1+R2=9.7kΩ,其中C=0.22μF。正弦波信号产生后,一路经过精密全波整流,得到馒头波uc,另一路经过比较器得到与正弦波同频率,同相位的方波ub。uc与1V基准经过加法器后得到ud,ud输入到SG3524-2的脚1,脚2与脚9相连,这样ud和锯齿波将在SG3524-2内部的比较器进行比较产生SPWM波ue。分相电路用一块二输入与门74LS08和一块单输入非门74LS05所组成。ub和ue加到分相电路后就可以得到驱动信号uf和ug,再将uf和ug加到MOS管驱动电路的光耦原边,就可以实现正弦脉宽调制。

图4 ICL8038用于正弦波信号发生
2.3 驱动电路设计
设计的驱动电路如图5所示,它由驱动脉冲放大和5V基准两部分组成。脉冲放大包括光耦Vo1,R1和R2,中间级的VT1,推挽输出电路VT2和VT3,对高频干扰信号进行滤波的C1;5V基准部分包括R4,VZ1和C2,它既为MOS管提供-5V的偏置电压,又为输入光耦提供副边电源。其工作原理是:
1)当光耦原边有控制电路的驱动脉冲电流流过时,光耦导通,使VT1基极电位迅速下降,VT1截止,导致VT2导通,VT3截止,电源通过VT2,栅极电阻R5,使MOS管导通;
[page]
2)当光耦原边无控制电路的驱动脉冲电流流过时,光耦不导通,使VT1基极电位上升,VT1导通,导致VT3导通,VT2截止,MOS管栅极电荷通过VT3,栅极电阻R5迅速放电,-5V偏置电压使之可靠地关断;
3)电阻R5和稳压管VZ2,VZ3用以?;OS管栅极不被过高的正、反向电压所损坏;
4)光耦Vo1采用组合光敏管型光耦6N136,具有光敏二极管响应速度快,线性特性好,电流传输大的优点,能满足实验的要求。

图5 MOS管驱动电路原理图
2.4 过流保护电路
过流?;な抢肧G3524的脚10加高电平封锁脉冲输出的功能。当脚10为高电平时,SG3524的脚11及脚14上输出的脉宽调制脉冲就会立即消失而成为零。过流信号取自电流互感器(对SG3524-1芯片串接在工频变压器的副边,对SG3524-2芯片串接在滤波电路前),经整流后得到电流信号加至如图6所示过流?;さ缏飞稀9餍藕偶又恋缪贡冉掀鱈M339的同相端。当过流信号使同相端电平比反相端参考电平高时,比较器将输出高电平,则二极管D2将从原来的反向偏置状态转变为正向导通,并把同相端电位提升为高电平,这一变化将使得电压比较器一直稳定输出高电平封锁脉冲,则Boost电路停止工作,在正常状态下,比较器输出零电平,不影响Boost电路工作。

图6 过流?;さ缏?/div>
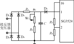
2.5 反馈调压电路
反馈调压电路图如图7所示。当逆变器正常工作时,逆变器的输出信号接反馈变压器,其二次电压经整流,滤波,分压得到反馈电压uo,显然,uo的大小正比于逆变器的输出电压。调节W1可调节负反馈电压的大小,从而调节逆变器输出电压的幅值。uo控制信号被送到SG3524-1芯片的误差放大器的反相端脚1。误差放大器的同相端脚2接参考电平。这样,SG3524的输出脉冲的占空比就受到反馈信号的控制。调节过程是这样的,当逆变器输出因突加负载而降低时,它会使加在SG3524-1的脚1的输入反馈电压下降,这会导致SG3524-1输出脉冲占空比增加,从而使得Boost电路输出电压升高,逆变桥的直流电压升高,逆变器输出交流电压升高。反之亦然。可见,正是通过SG3524-1的脉宽调制组件的控制作用,实现了整个逆变器的输出自动稳压调节功能。

图7 反馈调压电路
3 逆变器的实验结果
按本设计的SPWM逆变器方案试制了样机,其额定输出功率为300W,滤波器参数取L=0.7mH,C=5μF,滤波效果较好,样机的输出电压如图8所示。从直观看,电压波形正弦度较好(因条件所限,尚未测试THD)。用此样机带负载运行,效果较好。实验表明,本文提出的系统方案是切实可行的,可以用在铁路、冶金等大功率非线性用电设备附近,作为对电网输入电压要求较高的一类负载(如检修、测试设备)的电源。另外,为了满足客户的要求,本电路还可以提供60Hz/110V的正弦电源。

图8 输出电压波形





