中心议题:
- 大功率LED恒流驱动设计方案
- LED工作特性
- LED 常用驱动技术比较研究
解决方案:
- 基于PT4115 的恒流驱动设计
本文对LED 常用驱动技术进行了比较研究,得出大功率LED 采用恒流驱动的合理性。并对采用PT4115 的大功率LED 恒流驱动的设计原理进行了详细的介绍。该恒流驱动具有驱动原理简单、成本低、恒流效果好等优点。并且,该恒流源相对于其也恒流源具有输入电压范围宽泛、效率高的优点。对大功率LED 在太阳能行业上的应用具有很好的工程实用价值。
0 引言
光伏发电行业作为一种新兴行业,其发展具有突飞猛进的趋势。光伏照明是光伏产业中的支柱产业。由于光伏电池所发出来的电如果不经过一次变换的话是直流电,因此,LED 光源作为一种直流电光源,尤其适合光伏照明产业。但是,LED 的高效节能的优点要想保证的话,其驱动具有尤为重要的作用。本文对大功率LED 和小功率LED 适合的驱动进行了比较研究。并且提出一种基于PT4115 的高效率的大功率LED 恒流驱动解决方案。该种驱动电路简单、高效、成本低,适合当今太阳能产品的市场化发展。
1 LED 工作特性
LED 具有对电压敏感的特性,当LED 两端电压超过其导通电压后??山频娜衔湔虻缪筕F和正向电流IF 成比例关系。因此,电压的变化会引起电流的变化。

图1 LED 的VF 和IF 特性曲线线
从图1 可以看出电压的微小变化会引起电流的极大变化。由此,可以得出对于LED 应该采用恒流驱动,防止流过LED 电流的极大波动,影响LED 的使用寿命。因此,不管是交流恒流驱动还是直流恒流驱动,其输出端LED 两端电压的峰峰值最好控制电流在几十毫安。
2 LED 常用驱动技术比较研究
2. 1 电阻镇流驱动

图2 采用镇流电阻驱动的原理图
[page]
从图2 中可见,采用电阻镇流的驱动方式就是在LED 灯串上串联上镇流电阻。通过镇流电阻降低在LED 灯串上的电压,防止LED 过压被击穿。镇流电阻的驱动方式实际上就是通常所说的恒压驱动方式。该种驱动方式虽然简单,但是在镇流电阻上会有损耗,并且,损耗会随输入电压的增大而增大。因此,该种技术作为最早的驱动技术,已经随着技术的发展,逐渐被取代。
2. 2 PWM恒压驱动方式
众所周之,PWM驱动方式本身具有驱动效率高的优点。因此,采用PWM 恒压驱动方式具有效率高,驱动电路简单的优势。但是,镇流电阻这种恒驱动方式,已经不适合当今光伏照明的简洁、高效的趋势。因此,PWM恒压IC 随之出现。

图3 恒压驱动原理
对于采用恒压驱动(见图3) ,因输出到LED 负载两端的压降不变,如果其中一路的某颗LED 发生短路故障,则这个输出的恒压压降将全部降在其它LED 两端,则剩余的每颗LED 承受的电压可能超过电压额定值,而将其烧毁。
LED 因其VF 值特性原因做不到相同,随着温度及电流大小也有些VF 值也会发生变化,一般不适合并联设计。但是有些情况又不得不并联解决多颗LED 驱动成本问题,就像小功率LED 如果每一路采用一个恒流源会大大增加驱动成本,因此,就必须采用多组LED 灯串并联,而采用恒压驱动的方式进行驱动。
因此, 即使采用恒压驱动的方式, 也要选择PWM恒压驱动IC ,提高驱动效率。
迫于小功率LED 要想实现和大功率相同的照度,所需数量大,如果每路驱动使用一个恒流驱动,将大大增加驱动成本,鉴于此问题,小功率LED 适合采用恒压驱动方式。
2. 3 恒流驱动技术
对于恒流驱动实际上很大程度上是结合PWM恒压驱动高效率的特点,对其进行改造以最简单的方法实现恒流。
对于PWM恒压IC 内置一个基准电压,通过采样反馈端FB 端电压和内置电压比较,以控制PWM输出占空比,以实现恒压驱动。
要进行恒流控制就要在斩波输出端串联一个小电阻,采样其对地电压,然后对其进行放大并反馈到恒压控制端,以进行恒流控制。由于采样电阻串联在输出回路里,要降低落在电阻上的功耗,就要尽量减小电阻的阻值,通常选0. 1 Ω电阻。
采用恒流驱动,必须每一路LED 灯串有一个恒流源驱动。当灯串中单颗LED 发生短路故障时,由于输出电流不变,因此,并不影响其它LED 的光效,采用恒流驱动能大大提高LED 的使用寿命。
3 基于PT4115 的恒流驱动技术
3. 1 PT4115 芯片简介
1) 极少的外部原件
2) 很宽的电压输入范围:从8 V 到30 V
3) 最大输出1. 2 A 电流
4) 复用DIM 引脚进行LED 开关、模拟调光、PWM调光
5) 5 %的输出电流精度
6) LED 开路?;?br />
7) 高达97 %的效率
8) 输出可调的恒流控制方法
9) 内部含有抖频特性,极大的改善EMI
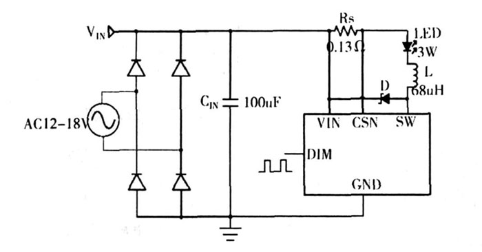
3. 2 典型应用电路

图4 PT4114 典型应用电路
对于PT4115 (见图4) 即可以应用于12~18 V 的交流,也可应用在8 V~30 V 的直流。因此,应用范围更加广泛。并且,驱动电路简单,所需元器件均价格低廉。适合批量、市场化。
[page]
3. 3 PT4115 恒流原理
保持采样端(CSN) 输入电压值为IC 内部设定值相对于VIN 电压值不变即可实现恒流。因为:
![]()
式中:ILED ---流过L ED 的电流;VCSN ---电压检测端电压;RS ---电流采样电阻。
从式(1) 可见,只要保证采样端电压相对于输入端电压不变,就能使流过LED 的电流恒定。
3. 4 PT4115 调光措施
PT4115 采用PWM 调光措施,当DIM 引脚电压低于0. 3 V 时关断LED 电流,高于2. 5 V 时开启LED 电流。
PWM调光措施相对于传统的线性调光,不影响LED 的光效。PWM 调光的基本原理是保持LED 正向导通电流恒定,而通过控制电流导通和关断的时间比例,即控制每个周期电流导通的时间。PWM 调光的优势是LED 正向导通的电流一直是恒定的,LED的色度就不会像模拟调光一样会变化。PWM调光可以在精确控制LED 的亮度的同时,也保证LED 发光的色度。
线性调光是通过改变流过LED 的电流来调整光效的,流过LED 的电流的变化必然会影响LED 的色度。
因此,PWM调光相对传统的线性调光具有很大的进步。
3. 5 PT4115 频抖改善EMI 的原理
频率抖动技术(Frequency Jitter) 是一种从分散谐波干扰能量着手解决EMI 问题的新方法。频率抖动技术是指开关电源的工作频率并非固定不变,而是周期性地由窄带变为宽带的方式来降低EMI ,来减小电磁干扰的方法。
频率抖动技术通过扩展电源噪声频谱的方式降低了窄带EMI.对于可以抖动多少的振荡器频(fs) ,存在一些局限性。其中一些局限因素是开关损耗和磁路设计。为了将升压电感尽可能的保持较小,并将开关损耗保持在可控范围内,频率抖动应不超过基本频率的20 %至30 %.
3. 6 PT4115 的动态温度调节和过温保护
对于PT4115 具有动态温度调节的功能,并且,可以在此功能的基础上实现过温?;?。
3. 6. 1 动态温度调节。

图5 动态温度调节原理图
从图5 中可见,DIM 端内部是一个1MΩ 的上拉电阻,连接到内部5V 电源上。DIM 端电压由内部上拉电阻和热敏电阻NTC 分压决定。从热敏电阻的特性可以知道,温度的变化会影响NTC 的阻值,进而影响DIM端电压,以实现PT4115 的动态温度调节。
[page]
3. 6. 2 过温?;さ氖迪?。
从图6 中可见,相对于图5 多了一个三极管,当温度升高时,NTC 电阻的阻值减小,其上的分压也减小,则相应的其下面电阻上的分压升高,当超过三极管的开通电压时, 三极管导通,DIM 端接地, 关断LED电流, 当温度降低时, IC 重启, 因此, 实现了PT4115 的过温保护。

图6 过温保护的实现原理图
3. 7 PT4115 工程应用中的经验
1) 电感越大,工作频率越低,恒流效果越好;
2) 输出电流越大,需要电感值越小,电感选择方便;
3) 通常电感越大,功率开关的开关损耗越小,但相应的电感的损耗会增大;
4) PT4115 内部自带过温?;すδ?,外部过温保护可设,对LED 实现双重保护;
5) PCB 布线要尽可能的将铜箔与PT4115 的Ex2posed PAD 和GND 的接触面积增大,以利散热;
6) 交流12V 整流管和续流二极管一定要选用低压降的肖特基二极管,以降低自身功耗;
7) 电感选取时,其饱和电流要求为输出电流的1. 5 倍。
4 实验结果
4. 1 效率测定
采用实验室精密仪表,对PT4115 的输出效率进行了测量,现以输出为3 颗LED 串联负载为例,其结果见表1.

表1 不同输入电压下,输出效率测定
从表1 可见, PT4115 的整体供电效率维持在91 %以上,相对于当前市场上的恒流源,是一款效率高的产品。并且,单路可以实现驱动最多7 颗1W的LED 串联。由于,外围电路简单, IC 封装体积小,可以将恒流驱动和LED 负载整合在一块铝基板上,实现驱动、散热一体化的模组方案。
4. 2 实验波形
通过示波器采样肖特基二极管两端的波形,同样以3 颗LED 负载为例进行采样。

图7 输入电压12 V 负载为3 颗LED 串联时的波形
从波形图7 与可见斩波波形没有毛刺,因此,谐波含量比较低,恒流驱动损耗小。
5 小结
本文通过对各种常用驱动技术进行比较,得出大功率LED 应采用恒流驱动的结论。并且,详细介绍了基于PT4115 的大功率LED 恒流驱动的原理、优点、及其电路实现。同时, 也详细叙述了在采用PT4115 实现恒流驱动过程中的经验总结。最后对其实验结果进行了描述,证明了该驱动的合理性、高效性、简洁性等突出优点。该恒流驱动具有很强的工程实用性。



