中心议题:
- 单片机在空调逆变器的运用
- 空调逆变器主回路分析
解决方案:
- 采用INTEL公司的单片机N87C196MC
- 片内集成一个3相波形发生器WFG
- 软件设计
引言
随着国内经济的飞速发展,空调车、豪华车也进入了新的发展阶段。空调逆变器是一种新型高效无污染“绿色”能源,其应用前景非常广阔。
SPWM技术是空调逆变器中主要的控制技术,要生成SPWM脉冲常采用两种方法:一是由模拟电路生成;二是由单片机等数字电路生成。前者电路复杂,抗干扰性能差,有温漂现象,系统可靠性和一致性低;数字方法则利用计算机实时计算,这样系统一致性很高,没用温漂现象,同时调试工作量大大降低。INTEL公司推出的16位微处理器N87C196MC/MD是专为电机拖动设置的低成本单片机芯片,片内集成了一个3相波形发生器WFG(Wave Form Generator),这一外设装置大大简化了产生SPWM波形的控制软件和外部硬件,完成整套控制电路十分简洁。
1 N87C1 96MC片内波形发生器简介
1.1 WFG的功能特点
N87C196MC片内WFG有3个同步的PWM??椋扛瞿?榘桓鱿辔槐冉霞拇嫫?、一个无信号时间发生器和一对可编程的输出,即WFG可产生独立的3对6个PWM波形,它们有共同的载波频率、无信号时间和操作模式。一旦工作以后,WFG只要求单片机在改变PWM的占空比时对WG COMPX寄存器改变赋值即可。
WFG产生SPWM波形是在下列专用寄存器的控制下完成的。
a.双向计数寄存器WG COUNT。16位双向计数器是3对输出信号的时基发生器。它的时钟频率是振荡频率处于2,每个状态周期WG COUNT改变一个计数值。用户可对WG RELOAD寄存器进行写操作,而它的值周期地装入到计数器中。
b.重装载寄存器WG RELOAD。该寄存器实际包含一对1 6位寄存器,当读或写该寄存器时,访问的是WG RELOAD寄存器。写到WG_RELOAD的值,被周期地(取决于操作方式)装入到第二个寄存器。这后一个寄存器叫做计数器比较寄存器,它是WG_COUNT实际与之比较的时间寄存器。
c.相位比较寄存器WG_COMPx。共有3个(X=1,2,3)可读写的16位相位比较缓冲器。每一个相位比较缓冲器有一个关联的比较寄存器,它的值与每次计数后的WG_COUNT相比较。这些寄存器不能直接被用户访问。
d.控制寄存器WG_CON。WG_CON是一个16位寄存器??煽刂萍剖绞郊安?个10位无信号时间(deadtime)。利用无信号时间重装载寄存器可以随时改变无信号时间。
e.输出控制缓冲寄存器WG_OUT??捎糜谘≡袷涑鲆诺氖涑鲂藕欧绞???啥悦扛鲆哦懒⒍ㄒ逵行ё刺?。
1.2 WFG的基本工作原理
a.从功能上,WFG可分为3部分:时基发生器、相位驱动通道和控制电路。
(1)时基发生器为PWM建立载波周期。该周期值取决于WG_RELOAD的值;
(2)相位驱动通道决定PWM波形的占空比,共有3个独立的相位驱动通道,每一个通道有一对可编程输出,每个相位驱动器包含一个可编程的无信号时间发生器;
(3)控制电路包含一些用来确定工作模式和其它配置信息的寄存器。
b.时基发生器WG_COUNT有4种工作方式。当选通波形发生器工作时,根据所选择的工作方式,作为时基发生器的WG_COUNT连续向上计数或向上/向下计数,每次计数时,WG_COUNT内容与计数比较寄存器WG_RELOAD的值作比较,当二者匹配时,按所选择的工作方式产生相应操作。
我们一般选择第0种工作模式,中心对准PWM方式:
载波周期Tc=(4×WG RELOAD)/Fxtal(μ s)
[page]
不考虑无信号时间,输出"有效"的时间Toutput=(4×WG_COMPx)/Fxtal(μ s)。
不考虑无信号时间,占空比=(WG COMPx/WG RELOAD)×100%。
其中Fxtal为XTAL1引脚上晶振频率,MHz;WG COMPx为16位值,等于或小于WG_RELOAD,如果大于WG_RELOAD的值输出占空比为1。
由上式可知,WG COMPX值的变化,改变了PWM波的占空比。而SPWM波形的产生正是由正弦规律的数据值经计算后赋给WG COMPX的,每一次中断都赋给WG COMPX一个随正弦规律变化的值,从而产生一系列脉宽不等的SPWM波。
c.WFG的中断。与波形发生器有关的中断有2种:WFG中断和EXTINT中断。WFG中断在重装载WG COUNT时产生。方式0在WG_COUNT=WG_RELOAD时产生一次WFG中断,每次中断都产生一个正弦规律的脉冲波,从而形成SPWM波。
EXTINT中断由?;さ缏凡???杀喑躺柚貌卸系姆绞绞潜哐卮シ⒒虻缙酱シ?,当控制系统检测到过流信号,单片机自动封锁SPWM波形,从而关断IGBT, 来?;さ缌Φ缱?a target="_blank" style="text-decoration:none;" >开关器件。
2 空调逆变器主回路
空调逆变电源主要由下列几个部分组成:
2.1 主电路
它的形式为DC/AC逆变电路。输入电压为DC600V,经输入接触器、预充电电路、支撑电容供给逆变器。主开关器件选用德国SIEMENS公司的2单元IGBT???,加上输出滤波电路构成空调逆变器。输出用隔离变压器得到三相四线电。
2.2 控制电路
N87C196MC微处理器以及少量外围芯片构成本电源控制电路,十分简洁。单片机产生三相6路SPWM信号,同时完成输入电压、输出电压、输入电流等采样,检测?;ぃ馑鳶PWM脉冲信号,?;GBT等功能。

图1 控制电路
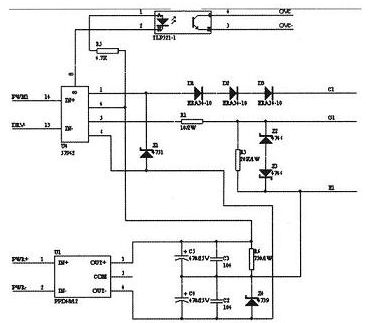
2.3 驱动电路
逆变器驱动电路采用日本三菱公司为驱动IGBT设计的专用集成电路M5 7962L,加少量外围元件构成。N87C196MC输出SPWM信号通过外围电路放大后直接给驱动???,驱动??橹苯忧疘GBT管,最大可驱动400AIGBT。当M57962L检测到IGBT管上C、E极电压高与8V,而且此时IGBT管开通时,持续时间大于2.5 μ s,则发出故障信号,同时封锁驱动波形,并且发出故障信号给N87C196MC,单片机产生EXTINT中断,封锁各路SPWM信号,高速关断IGBT。

图2 空调逆变器驱动电路[page]
3 软件设计
软件是整个控制系统的核心,所有的电路均为软件来服务,它决定逆变器的性能,如输出电压稳定度、输出谐波含量。
输出电压值、电流限流值均由瑞士LEM公司霍尔传感器来检测,经整理后给?;さ缏泛蚇87C196MC,经N87C196MC片内A/D通道转换成数字量。输出电压给定值经运算作为稳压的依据。
4 实验结果及结论
按照上述电路制作了一台三相35kVA的空调电源。主要参数是输入为DC600V,三相输出380V/50HZ。取载波频率6kHz,无信号时间2.5 μ s。采用输出滤波(滤波电容50 μ F,电感O.6mH)后输出电压,用FLUKE电源分析仪测,总谐波含量3%,效率为97%。
实验表明,在研制空调逆变器过程中,采用了INTEL公司单片机N87C196MC后,整个控制电路只需加少量外围器件,结构紧凑,降低了成本,提高了可靠性。通过测试取得了比较理想的结果。同时,只需通过改变软件,该系统即可用于单相逆变电源,应用十分灵活,因此作者认为N87C196MC单片机在电机拖动控制领域有良好的实用价值。





