- 太阳能路灯控制器的主要设计要求和发展阶段介绍
- 自适应单纯太阳能供电路灯控制器的设计
- 自适应单纯太阳能供电路灯控制器设计方案模拟
- MPPT电路介绍
- 过充过放?;そ樯?/strong>
- 智控开关,实时监测,预警功能介绍
- 亮度的自适应调节介绍
摘要:基于改善季节性负载光伏太阳能路灯运行可靠性的目的,采用新一代自适应单纯太阳能供电路灯控制器设计的方法,通过功率调节,电量检测和剩余电量计算、组网功能等对蓄电池的充、放电以及路灯的开、关、最大功率跟踪等智能控制,提高了太阳能电池的转换效率,延长了蓄电池的使用寿命,降低产品造价。得到了自适应单纯太阳能供电路灯控制器是提高季节性负载光伏太阳能路系统可靠性保证的结论。
大阳能路灯以其无需铺设电缆,不消耗常规能源等优点得到了广泛认可。然而太阳能路灯还存在一些问题造成其成本偏高,可靠性不稳定,、比如电池往往不到一年就需要更换,不仅提高了后期维护的费用,而且增加了客户的消费成本,也造成了资源浪费。其次是太阳能属于不稳定能源,而且能量分布不均,夏天能量充足,但路灯使用时间短,冬天有效光照时间短,但路灯使用时间长,大大降低了运行的可靠性,其原因主要受到太阳能路灯控制器性能的影响。太阳能控制器是太阳能光伏系统中的核心部分,主要完成对蓄电池的充、放电、调光和路灯的开、美控制,以及在过充、过放电、过载等情况发生时对系统进行及时和有效地?;?,保证照明时间,确??煽啃?,有效延长电池寿命,降低成本。
1 太阳能路灯控制器的主要设计要求和发展阶段
太阳能路灯控制器的技术和质量的主要要求有:
1)供电系统,根据太阳能路灯蓄电池板特性,要设计成恒流输出:
2)过充,过放保护;
3)具有系统功率调节功能;
4)建立网络控制系统;
5)根据市场要求,产品??榛?br />
太阳能路灯控制器的发展到日前为止已经经历了3个阶段:第一代功能比较简陋,开关灯控制需要外接光敏感应器,定时时间不可设置,没有电池保护电路,系统寿命非常短暂,很快就被市场淘汰:第二代在第一代的基础上,设置了电池?;さ缏?,通过太阳能路灯蓄电池组件搜集光敏数据,通过开关或程序设置定时,技术上有了阶跃式的发展,逐渐被市场接受:第三代路灯控制器在于多数商家采用了PWM充电控制功能,对蓄电池进行涓流充电,有效延长了电池寿命,降低了使用成本,从而进一步扩大市场占有率。
一个好的控制器可以弥补甚至解决纯太阳能路灯的诸多问题,提高其呵靠性。白适应太阳能供电路灯需要开发第四代控制器,它的特点是具有白适应灯的功率调节功能,电量检测和剩余电量计算是必备的:同时具有组网功能,这样可以保持整条街的路灯亮度一致,并可以进行通讯。
2 自适应单纯太阳能供电路灯控制器的设计
日前各种现代控制理论,如白适应控制、自学习控制、模糊逻辑控制、神经网络控制等先进控制理论和算法也大量应用在光伏发电系统中。其中自适应控制太阳能供电路灯控制器设计是值得推进的技术。
2.1设计目标
白适应单纯太阳能供电路灯的设计目标:主要针对支路和供行人和非机动车通行的居住区道路和人行道路灯,对于南风能供电或风光互补的路灯系统本设计同样适合:由于太阳能的不可靠性以及主干道的照明设计标准的严格性,单纯太阳能供电比市电供电的路灯控制器的设计更为复杂,如系统控制需要太阳能和市电切换,则在本设计的基础上进行精简就好了。目标地点位于北京市内。
2.2 自适应单纯太阳能供电路灯控制器设计特点及功能
白适应单纯太阳能供电路灯控制器设计方案的宗旨:通过精确控制,达到降低成本,提高可靠性的日的。主要具有以下几个特点及功能(以太阳能路灯储能器件为铅酸电池为例):
1)MPPT电路
根据太阳能路灯蓄电池板的特性,如将太阳能路灯蓄电池阵列的输出电压控制在某个恒定电压值附近,则太阳电池在整个工作过程中近似日标在最大功率点处,太阳能电池组件的能量转换效率最高。利用PWM技术并通过对负载稳压来实现对LED的恒流,从而保证了LED的可靠使用141.采用意法半导体公司的MPPT专用芯片SPV1020.跟踪效率可达98%,能量转换效率为95%.理论上,使用MPPT技术会比传统方法效率提高50%,实际测试中,由于周围环境影响与各神能量损失,最终的效率也可以提高20%-30%.
2)过充过放?;?/strong>
采用充电限压,电池温升检测策略,如蓄电池电36 V,充电截止电压42.5-43 V,充电截止温度80℃,充电截止温升30℃。不过绝大部分时间蓄电池基本处于欠充状态。同时通过对电池电压的数据实时采集,利用软件控制对电池采取限压?;ぃ和ü凳奔扑愕绯氐缌拷蟹拦涔疟;?,电量为100%时停止充电,电量为20%时停止放电,为延长其寿命,做了第二道防线。图1 为蓄电池过充保护流程图。

3)智控开关,实时监测,预警功能
进行太阳能路灯电池板电流检测,蓄电池电压检测,蓄电池电量监测,以及环境温度的检测,采用光开时关,并实时上传工作环境及状态数据,预警故障,保证系统的可靠性。图2为太阳能路灯的开、关控制流程网。

图2 路灯的开、关控制流程图
4)亮度的自适应调节
通常太阳能路灯厂家为了保证连续阴雨天的正常工作,只一味地加大蓄电池容量,一般蓄电池的容量可达电池板容量的5倍,其实这样做并不能解决问题。因为阴雨天工作的可靠性并不取决于电池的容量,而是由很多因素平衡而定的。根据当前地理位置,季节,时间,气象条件,光的辐射量,浮尘浓度,工作环境以及剩余电量,自适应调节灯的亮度,合理分配能量。由于设计为纯太阳能供电,不考虑双电源情况,所以要想提高系统可靠性,唯一的方案就是牺牲灯的亮度。
根据当天用电前的剩余电量和当天的充电量来进行白适应调节,在保证正常照明的同时,使电池的工作点长期保持在高电位,并且使充放电深度在30%以下,根据电池循环寿命曲线,可以延长电池寿命4-5倍,有效降低太阳能路灯的成本,提高可靠性。以下将分别阐述剩余电量和充电量的计算过程。
2.2.1 电池电量检测
1)电量检测的算法
大量的实验数据表明,电池老化时蓄电池的内阻与电荷之间有较高的相关性(0.88左右),蓄电池完全充电和完全放电时的内阻相差2-4倍,所以通过测量电池内阻可较准确地检测电池电量。
2)建立内阻一电量一循环周期的关系曲线
为了得到实时剩余电量值,要建立一个电量和内阻之间关系的数据库。
以时间为标准,就可以建立起内阻一电量一循环周期的关系曲线,然后通过Matlab的曲线拟合功能得出内阻,电量以及循环周期的关系式。蓄电池内阻与剩余电量关系曲线如
图3所示,剩余电量随着内阻的增大而成指数趋势减小。

3)在线检测电量
在太阳能路灯工作开始之前检测出剩余电量,采用交流压降内阻测量法测得内阻值,通过查做好的数据表,并进行数据校正,得到对应的电量值。
给电池施加一个固定频率和固定电流(日前一般使用l kHz频率、50 mA小电沆),然后对其电压进行采样,经过整流、滤波等一系列处理后通过运放电路计算出该电池的内阻值。图4为在线测量剩余电量硬件框图。

2.2.2充电量计算
充电量是通过太阳能电池板接收辐射强度和电池板面积计算得到的。太阳能电池板接收辐射强度为单日辐射强度与sin a的乘积,其中a为正午太阳辐射与电池板的平均夹角。电池板面积可参考配置计算部分的内容,并且经过优化得到的。
2.2.3剩余电量计算
通过计算电流在时域上的积分,可得出电量变化值,在路灯工作前检测到的电池电量作为初始电量,则剩余电量为初始电量减去电量变化值。同时通过对MPPT电路的输出电流做积分,作为电量变化的校正值,从而得到较准确的剩余电量值。图5为剩余电量计算流程图。

1)Zighee无线通讯系统连网
保证整条路的路灯的开,关时间一致,马路亮度均匀,保证驾驶安全,避免驾驶员视觉疲劳;实时传送数据,进行远程监测和控制:在线软件升级,降低维护及调试成本:待机睡眠,降低系统功耗。将Zigbee无线传感器网络技术应用于蓄电池牛产过程中的充放电参数检测中,将极大地提高产品测试的灵活性和可靠性,对提高蓄电池牛产质量和效率具有重要意义问。
2)??榛衫┱剐?/strong>
设计的控制器的供电系统可以是??榛模杓撇捎煤懔鞒涞绶绞?,所以电池板可扩展,LED模组可根据系统功率进行并联扩展。
根据如上计算,具体设计框图如图6所示,为太阳能路灯控制系统硬件框架。图7为太阳能路灯控制系统电路原理图。

图6 太阳能路灯控制系统硬件框架

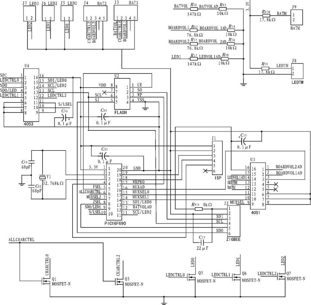
图7 太阳能路灯控制系统电路原理图
3 自适应单纯太阳能供电路灯控制器设计方案模拟
开关灯的时间根据天安门升降旗时间而定,如表1所示,全年最长点灯时长茌12月为14.52小时,最短为9.13小时。照明时间分为3个时段,第一个时段从当天天安门降旗时刻开始,为5个小时,第二个时段到早上5点,第三个时段从5点到灭安门升旗时刻,灯光亮度各时段权重比为5:2:3,如果以100 W光源为设计标准,则光源功耗最大为1.068 5 kW-h。
表1 照明策略基准参数

图8显示根据表1中的数据得m的各月太阳能电池板面积排列柱形罔,从而可以选定电池板的面积为柱形途中的拐点处2月的画积值,太阳电池板面积为2.2 IT12.蓄电池为115 Ah.这样选择的原因是这样可以保证全年85%的照明时间,剩下的15%为过放,不过要给白适应调节留下一个调节余量,所以选择以2月数据计算fn的太阳能面积的值,即2.216 2 m2,过放的情况为3个月,过放比率为25%,从而有100/e的调节空间。

图8 各月太阳能电池板对应面积排列柱形图
4 结 论
白适应单纯太阳能供电路灯控制器的设计,实现了以MPPT电路为控制核心的智能太阳能路灯控制器,具有外围电路简单,可靠性高的特点,实现了太阳能电池的最大功率点跟踪,采用了合理的蓄电池充放电策略,实现算法简单,既提高了太阳能电池板的使用效率,又延长了蓄电池的使用寿命,对于个别过分欠充、过充灯根据问题加大、减小电池板面积,更换电池或灯珠,根据每盏路灯的实际情况灵活调整其配置,可使每盏灯都工作在最佳状态,不但保证了正常照明,而且避免了资源浪费,也降低了产品造价,具有一定的参考和推广应用价值。




