中心议题:
- 电源的过压、欠压、失压保护
- 电网尖峰脉冲干扰的防治
- 工业控制机直流电源过压、欠压?;ぜ际?/strong>
- 电源的交流掉电?;?/strong>
电源抗干扰的解决方案:
- 滤波法
- 隔离法
- 吸收法
- 回避法
计算机用于工控自动化,对于提高产品的产量与质量、节约能源和材料、保障生产安全和减轻劳动强度、实现生产的现代化管理等等方面都具有重要的作用,是直接提高经济效益、最具发展潜力的重大领域。工业控制机要成功地运行,并产生预期的效益,是一个多因素且颇具难度的系统工程。根据我多年来的工控研究经验,其抗干扰性能是一个很重要的环节。它与工控机应具有一个好的硬件系统结构及有效的控制对策同算法同样重要,都关系到控制项目的成败。
工业控制机抗干扰技术主要包含:①电源抗干扰技术;②屏蔽和接地抗干扰技术;③输入/输出通道抗干扰技术;④通信抗干扰技术;⑤软件抗干扰技术。本文主要讨论电源抗干扰技术。
工业现场种类繁多的加工机械和动力设备的启停运转如电焊和电火花加工、晶闸管调压、变频设备等等,都是干扰源。这些干扰源既能以电磁场方式作用到工控机系统上,又能通过电源侵入计算机系统造成干扰。而通过电源造成干扰是最直接的,甚至是破坏性的,占工业控制机被干扰的绝大比例。雷击对工控机造成的干扰和破坏,大多数也是从电源入侵的。因此,要提高工业控制系统的抗干扰性能,首先要在电源上下功夫。
1 过压、欠压、失压?;?br />
工业现场的供电品质很差,常常不能达到国家对电网波动等级中规定的最低标准C级。表1列出了国家标准对电网波动等级的规定。当供电电压超过C 级规定时,通常称为过压或者欠压。而失压又称瞬时断电。产生瞬时断电,最常见的原因是用电设备突然短路而它的保险丝还没有熔断的瞬间。另外开关或刀闸触点接触不良或颤抖等也会产生瞬间断电。瞬间断电所允许时间国内尚无标准,表2列出了日本《工业用计算机环境标准》中规定的瞬间断电级别。

表1 国标电压波动等级表

表2 日本瞬时断电级别表
当过压或者欠压超过工控机电源工作范围时,会使电源失?;蛘咚鸹?,直接威胁工控机的安全。而瞬时过压或者欠压形成涌流,即使不超过工控机电源的工作范围,也会造成很强的干扰和破坏性。我们在某钢厂的控制项目的安装调试中发现,炼钢电炉的电极升降,或者大电机启停,常常造成近百伏的瞬时过压或者欠压(车间400 V低压侧供电)??朔埂⑶费沟姆椒ㄊ茄∮每淼缪狗段У挠胖士氐缭?,或者外加交流稳压器、UPS电源以及在工控机内设置欠压、掉电保护电路等抗干扰措施。
[page]
1.1 开关电源
开关电源是把220 V交流供电直接整流滤波之后,再采用20 kHz 频率的脉宽调制型振荡变换为交流,通过高频变压器隔离变换,再整流变为计算机所需要的多种直流电压输出。由于甩掉了传统的工频变压器,因此具有体积小、效率高、电网电压宽范围变化时输出不易过电压或欠电压的优点。目前,做得好的开关电源能够在100 V~300 V宽范围正常工作,完全不需要再使用交流稳压器。由于结构上的优势,开关电源抗雷击的能力比普通电源强,抗电网1个周期内的失压能力也比普通电源强。因此,工业控制机应选用优质的开关电源,而不应当再使用传统的变压器降压电源。
1.2 交流稳压器
交流稳压器的类型和产品都很多,有电子式、铁磁谐振式、分接开关式、伺服调整式和电源净化器等等。它们的共同特点是把电网电压波动±10%甚至±15%的范围稳定到±1%~±2%以内。选用时应优选具备抗电网干扰能力,或者原、副边具有隔离的类型。例如电源净化器(也称净化电源),采用大功率的LC滤波器,若在输入端加入3 kV尖峰干扰,在输出端只有低于3 V的输出。除了具有抑制尖峰干扰性能之外,对半周失压、过压、欠压等干扰有极好的动态响应。铁磁谐振方式的交流稳压器有很好的电网抗干扰能力和原、副边隔离,可靠性很高,只是它的动态响应较差。计算机控制系统使用这两种类型的交流稳压器效果较好。
1.3 UPS(Uninterruptible Power System)
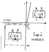
UPS,即不间断电源。UPS最适合的应用领域是电网突然掉电,而计算机不能停止工作或者需要一个充足的时间?;ぶ匾莸某『稀K孀偶际醯慕?,目前的UPS除了不间断供电之外,还具备过压、欠压保护功能,软件监控功能等等。其中在线式的UPS还具备与电网隔离、强抗干扰特性,是高可靠性控制系统的最佳选择。图1示出了工业控制系统使用UPS的正确方法。正常工作时,电子开关K接到触点1上,工控系统由UPS逆变供电,一旦UPS发生故障,电子开关K立即转换到触点2上,由市电供电。这种正常情况下由UPS逆变供电,市电作为备用的方法是最有效的电源抗干扰方法。因为UPS逆变的输出电压非常稳定干净,完全隔离了工业现场供电电源的各种干扰污染,而且抗雷击效果也较其他的方式好。由于逆变器输出的交流电压与市电同步锁相,因此,开关由1切换到2位置时,不会引起大的干扰。

图1 工业控制系统使用UPS的正确方法
2 电网尖峰脉冲干扰的防治
工业现场的电网污染严重。但对工业控制机来说,危害最严重的是电网尖峰脉冲干扰。图2示出了尖峰脉冲的形状。在炼钢厂、 轧钢厂或者大量使用晶闸管设备、电火花设备、电力机车等地方,这种尖峰干扰为害尤厉。其幅度大的可达数百伏甚至上千伏,而脉宽一般为μS数量级。雷电也常以尖峰脉冲方式入侵。尖峰脉冲幅度很大时,会破坏工控机开关电源输入滤波器、整流器甚至主振管。再加之其频谱很宽,也会窜入计算机造成干扰。对尖峰脉冲干扰的防治方法,主要有滤波法、隔离法、吸收法和回避法。

图2 电网正弦波上的尖峰干扰
2.1 滤波法
主要是采用电源滤波器滤除尖峰干扰。图3示出了典型的电源滤波器原理图。L1、L2是绕在同一铁心上的共模轭流圈,对共模形式的干扰呈现很大的阻抗,而对工频和常模形式的干扰电感为零。因此对图2所示的形成常模形式的尖峰干扰无效。但电容C1、C2、C3却对其有一定的衰减。目前这类产品繁多,大多数按IEC/CISPR №。17出版物的规定指标生产。例如常州坚力电子有限公司生产的D、DZ、PC、K、T、F系列的电源滤波器,对共模干扰插入衰减,在10~30 MHz频率范围,可为20~50 dB以上。电源滤波器体积小,价格便宜,但效果一般。

图3 典型的电源滤波器电原理图
[page]
2.2 隔离法
采用1∶1隔离变压器供电是传统的抗干扰措施,对电网尖峰脉冲干扰有很好的效果。图4是典型的隔离变压器原理图。它抗干扰的原理是原边对高频干扰呈现很高的阻抗,而位于原边、副边绕组之间的金属屏蔽层又阻隔了原、副边所产生的分布电容,因此原边绕组只有对屏蔽层的分布电容存在,高频干扰通过这个分布电容而被旁路入地。

图4 1∶1隔离变压器屏蔽及接地方式图 a. 单屏蔽层 b.双屏蔽层
1∶1隔变效果的好坏,往往取决于屏蔽层的工艺。最好选用0.2 mm 厚的紫铜板材,原边、副边各加一个屏蔽层。通常,原边的屏蔽层通过一个电容器与副边的屏蔽层接到一起,再接到副边的地上。也可以原边的屏蔽层接原边的地线,副边的屏蔽层接副边的地线。并且接地引线的截面积也要大一些好。1∶1隔变还有效地隔离了接地环路的共模干扰,是个好办法,只是体积较大。
2.3 吸收法
就是使用一种新型高效的器件TVS(Transient Voltage Suppressor) 吸收工业控制机电源进线上的尖峰脉冲。TVS又称TVP,中文译作瞬变电压抑制器。TVP事实上是一种特殊的稳压二极管。当它的两端经受瞬间的高能量冲击时,它能以极高的速度把两端间的阻抗值由高阻抗变为低阻抗,吸收一个瞬间大电流,从而把它的两端电压箝制在一个预定的数值上,?;ち撕竺娴牡缏吩皇芩蔡哐辜夥迓龀宓某寤?。正因为如此,其防雷效果也很好。图5示出了它的伏-安特性曲线。TVP管和稳压管一样,是反向应用的。其中VR称为最大转折电压,是反向击穿之前的临界状态。VB是击穿电压,其对应的反向电流IT一般取值为1 mA。VC是最大箝位电压,当TVP管中流过峰值电流为Ipp的大电流时,管子两端电压就不再上升了。因此TVP管始终把被保护的器件或设备的端口电压限制在VB~VC的有效区内。与稳压管不同的是,Ipp的数值可达数百安培,箝位响应时间仅为1×10-12S。TVP最大允许脉冲功率PM=VC·Ipp。TVP管的PM分为四个档次,即500 W、1000 W、1500 W和5000 W。图6是TVP用于普通电源进线的原理图。这里采用的是双向TVP管。它对于电网的尖峰脉冲电压和雷电叠加电压等等干扰超过其额定的VC数值量,都能有效的吸收。在国外已广泛应用于计算机、通信和仪器仪表之中。过去使用的压敏电阻器,它的响应时间慢,通常为5×10-9S,它的使用温度范围窄,漏电流大,吸收电流小,并且体积也较大,因此已逐步被TVP取代。TVP的用途很多,它还可用作计算机通信口的防雷以及各种大功率器件的?;ず臀盏缏贰;箍梢杂米骷扑慊绷鞯缭吹墓贡;ず椭骰览妆;?。

图5 TVP的代表符号和伏安特性

图6 TVP管电源过压?;ぜ凹夥逡种频缏?nbsp; a.常用电路 b.全?;さ缏?/p>
2.4 回避法
就是拉专线供电方法。对于大型动力设备集中且干扰很大的工业现场,应当尽量少使用现场工频电源。采用非动力供电线路供电或者直接从非动力低压变压器“根部”拉专线供电的办法,避开大负荷动力线,减少电网干扰。这个方法很有效。因为电力导线存在电阻,大量的动力设备的运行和启停,在这个电阻上产生压降而成为强烈的干扰。尤其是尖峰脉冲干扰,在动力变压器根部明显减小,而在非动力变压器的低压输出根部,几乎不存在。这在很多工业现场都很实用。
2.5 其它方法
采用电源净化器、铁磁谐振交流稳压器、在线式UPS 等抗尖峰脉冲干扰效果都很好,只是体积大,价格贵。
[page]
3 工业控制机直流电源过压、欠压保护技术
前述的大量的抗干扰措施,都是在进入直流电源前的处理措施。工业控制机成年累月地运行,其直流电源本身也会受到干扰或者出故障,或者负载发生短路等等。这些都会使工业控制机出错造成事故。直流电源出故障的主要特征是输出电压不稳定、欠压或者掉电,而输出过压相对较少。直流电源的不稳定实际是反复的欠压过程,它直接干扰CPU或者外设接口的正常工作。而过压可能造成工业控制机的损坏。
3.1 直流电源的欠压?;ぜ际?br />
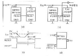
最常用的欠压?;ご胧遣捎玫缭醇嗍覫C电路监视直流电压的输出。当其低过某个限定值时,监视电路将持续产生复位信号使CPU 和外设接口处于复位状态,避免其不正常操作而带来的事故。当电源恢复其输出为正常值时,该电路经过一个规定的延迟时间后撤消复位信号,从而保证了工业控制机的正常工作。一个采用最新的电源监视IC的电路原理图示于图7。在图中,IMP809专门产生低电平有效的复位信号。如果μC或者μP的复位引脚是双向的,或者内部具有Watchdog Timer电路,例如68HC11,8098、80198系列等等,要在IMP809的RESET引脚上串联一个4.7 kΩ的电阻。此时,电路如图7b示。IMP809的复位输出与电源电压的时序关系如图7c所示。如果CPU的复位信号是高电平有效时,可以选用具有高电平RESET输出的IMP810,它在电路中的连接与图7相同。IMP809/810都采用3脚SOT23型封装,即只有米粒大小的表面安装元件。如果工业控制机还需要一个手动复位电路的话,可以按照图8结构电源监视电路。图中的IMP811具有手动复位输入引脚MR(Manual Reset )。当CPU需要高电平复位信号时,选用IMP812电路就行了。IMP811/812采用4脚SOT143型封装。图8b是它们的引脚图?!?nbsp;

图7 电源监视IC电路及时序图 a.一般用法 b.具有双向RESET引脚时的用法 c.时序图 d.引脚图

图8 具有手动复位的电源监视电路 a.手动复位电路b.引脚图
IMP809/810、811/812是美国IMP公司的产品。是美国Maxim 公司MAX809/810、811/812的改进型替代产品。它们的功耗更低,性能更好。 并且有六种监视电压门限,供3~5 V供电系统选用。表3列出了器件的分档后缀及其监视电压门限。

表3 IMP809/810/811/812电压 [page]
3.2 直流电源的过压?;ぜ际?br /> 直流电源输出过电压故障较少,但过电压具有破坏性。最有效的过压保护措施是使用2.3节的TVP瞬态电压抑制器件。它不但可以吸收电源因雷击或者干扰造成的过电压尖峰脉冲,而且对电源出现过压故障也有很好的?;ぁM?是使用TVP管构成的电源过压?;さ缏?。当电源发生过压故障时,TVP管被击穿而将电压箝位于TVP管的VC以内,从而?;ち丝刂谱爸?。 只是当电压持续过压时烧毁保险丝,而抑制电源线上的尖峰干扰通常不会烧毁保险丝,也不干扰计算机正常运行。

图9 直流过压?;さ缏?/p>
4 交流掉电?;?br />
交流掉电也是一个可能发生的故障,它也可能导致某些控制事故,即使是使用了UPS。因为UPS有时候也会发生故障。因此,如果能预知交流掉电的发生,并及时把所有的执行机构控制到安全的位置或者状态上,将会避免一些损失。同时,也把重要的数据或运行状态保存起来,这在某些系统里是非常必要的,因为重新运行需要这些数据。
一个实用的掉电检测电路如图10所示。220 V交流电流经桥式整流后驱动光电隔离管T1(TLP521)中的发光二极管发光,并使T1的光电三极管导通,给电容C1充电。C1上的电压经过R2,Rw分压后送到比较器U1(LM393)正极性输入端。当交流电正常工作时,调节电位器Rw使U1的“+”输入端的电压比“-”输入端(稳压管Dz的值)略高0.2 V左右,则U1输出高电平,触发器不翻转,其Q端输出高电平。当交流掉电时,C1不能被充电其电压将很快下降。于是,比较器U1输出低电平,触发RS触发器U2翻转,产生非屏蔽中断申请信号。如果在非屏蔽中断服务程序中,把有危险的控制机构调到其安全的位置,并且保存当前运行的重要数据和寄存器的状态,这就完成了掉电处理。通常,由于直流开关电源具有较大的输入电容器,因此从检测到交流掉电起,到直流失电计算机不能工作时为止,还有10 ms以上的时间,足够完成掉电处理操作。

图10 交流掉电检测电路
5 结束语
电源抗干扰措施是由工控系统开发者操作的项目,应用恰当与否取决于开发者的实践经验和对现场的深刻认识。电源抗干扰措施是控制系统的基础建设,首先做好它是成功的保证。




