中心议题:
- 脉冲调制器的结构
- 开关器件的比较
- 固态调制器硬件组成
- 固态调制器仿真过程及结构
在雷达发射机脉冲调制器中,广泛采用的是电真空管作为开关管。这种结构的脉冲调制器具有配套技术复杂、造价高、使用寿命短等缺点,尤其是其不适用于大功率、高重复频率等工作场合的缺陷,使其已经远远不能满足现代雷达的复杂信号处理的需求。
随着电力电子技术的快速发展,新型功率开关器件IGBT(绝缘栅双极晶体管)迅速占领了市场,满足了人们把大功率、超高频率开关元件实现固态化的期望,有着完全取代电真空管的趋势。这也为在雷达发射机脉冲调制器中采用IGBT作为开关管以替代电真空管奠定了理论和实践基础。
1 脉冲调制器的结构
根据脉冲调制器的任务,它基本由下列3部分组成:电源部分、能量储存部分、脉冲形成部分。其结构如图1所示。

电源部分的作用是把初级电源(例如市电)变换成符合要求的直流电源。直流电源包括低压电源和高压电源两种,低压电源供给调制脉冲预处理电路使用,高压电源供给调制脉冲形成电路使用。
能量储存部分的作用是为了降低对于电源部分的高峰值功率要求。因为脉冲调制器是在短促的脉冲期间给射频发生器提能量的,而在较长的脉冲间歇期间停止工作,因此为了有效地利用电源功率,可以采用储能元件在脉冲间歇期间把电源送来的能量储存起来,等到脉冲期间再把储存的能量放出,交给射频发生器。常用的储能元件有电容器和人工线(或称仿真线)。
脉冲形成部分是利用一个开关,控制储能元件对负载(射频发生器)放电,以提供电压、功率、脉冲宽度及脉冲波形等都满足要求的视频脉冲。常用的开关元件有真空三、四极管、氢闸流管、半导体开关元件(可控硅元件)和具有非线性电感的磁开关等。
真空管的通断可由栅极电压控制,通断利索,这种开关称为刚性开关,对应的调制器称为刚性调制器。氢闸流管、半导体开关元件和具有非线性电感的磁开关则只能控制其导通,而不能控制其关断,这种开关元件称为软性开关,对应的调制器称为软性调制器。
2 开关器件的比较
对传统的电真空器件(氢闸流管)和现代电力电子器件IGBT的电气性能进行比较。
2.1 传统电真空管器件
以真空三、四极管为调制开关的刚性调制器适应能力强,能适应各种波形、重复频率的要求,但这也是以体积、重量、结构和成本为代价的。为弥补自身不足以适应各种工作需要,刚性调制器又分为多种类型,但都避免不了其功率小、效率低的缺陷。
以氢闸流管为开关元件的软性调制器虽能克服刚性调制器的不足,但自身的缺陷也很突出,主要表现为:1)脉冲波形顶部抖动、后沿拖长;2)对负载阻抗的适应性差;3)对波形的适应性也差。
可见软性调制器只能适应于精度要求不高、波形要求不严格的大功率雷达中。并且不管是刚性还是软性调制器,其结构的复杂都使其可靠性降低,并且维修难度大。
2.2 现代电力电子器件
开关元件的固态化是发展的大趋势,尤其是电力电子器件在由传统型向现代型转变以后,许多新兴的器件迅速应用于这种电力转换领域。上世纪九十年代才现身市场的绝缘栅双极晶体管IGBT已成为现代电力电子器件发展的领头军,型号齐全,已经出现了由IGBT组成的功能完善的智能化功率??镮PM。
IGBT:Insulated Gate Bipolar Transistor绝缘栅双极晶体管是一种工作原理复杂的集成半导体器件。在结构上,集成了所有半导体器件的基本结构。如二极管、BJT、结型场效应管JFET、MOSFET、SCR。工艺上利用MOS工艺进行大面积功率集成,单元胞的体积越来越小,单元胞的数量越来越多。IGBT经过20年的发展,技术越来越成熟,功能越来越强大。从原来的平面栅型到沟槽型,又发展到非穿通型,直至现在的电场截至型.达到了6 000 V/600 A,通态压降1.3 V,开关频率达到纳秒级。
IGBT在大量产品中的良好表现,证明其是一种良好的功率开关器件。其主要优点表现在开关频率高、承载功率大、通态压降低、du/dt和di/dt耐量高、动态性能高、反向恢复快等,这些性能特点使其特别适应于在高频、大功率电路中出任开关器件的重任。
[page]
3 固态调制器硬件组成
对分别以氢闸流管和IGBT为中心所构成的两种脉冲调制器的性能、构造、成本、可维性及可靠性进行比较。
3.1 真空管脉冲调制器
以氢闸流管ZQM1-350/14型为例,其参数为14 000 V/350 A,陶瓷外壳,需要12.6 V/6 A的灯丝电源。其关断时,高压电源经充电电感和变压器的原边给仿真线充电,氢闸流管接通时,仿真线经氢闸流管对变压器原边放电,在变压器的副边产生高压脉冲去调制磁控管。氢闸流调制器的结构如图2所示。

充氢闸流管是由阳极、阴极、栅极(控制栅,有的还具有预点火栅或分压栅等)组成,将所有电极用绝缘外壳密封,利用低压氢气(氘气)作为工作及灭弧绝缘介质,是离子开关管中的一个分支,将触发脉冲(正极性)加到栅极,使阴-栅间隙产生辉光放电,放电扩展到阳栅间隙导致阳栅间隙击穿导通,使外电路通过阳极-栅极-阴极放电,而输出脉冲电流,是具有正启动特性的脉冲电真空器件,具有工作电压高,脉冲电流大,触发电压低,脉冲宽度窄,电流上升快,点火稳定等特点,广泛应用于国防、医疗、高能激光、科学研究等领域或场合。
氢闸流管作为开关时,开关的接通是由控制栅极上施加正触发脉冲来实现的。如果闸流管阳极具有足够高的正向电压,栅极一旦被触发,阳极-阴极之间将迅速导通,栅极就失去了对放电的控制作用。只有阳极电压降得很低,不足以维持放电电流时,闸流管才会截止。闸流管在放电结束后,要经过一段消电离时间,栅极才能恢复原来的控制功能。因此,闸流管脉冲调制器形成的脉冲波形顶部抖动、后沿拖长。
况且真空管调制器由于电子管的外围电路有偏压、帘栅、阳极等电源,这些电源是不可缺少且体积庞大的高压电源。调制器导通时的管压降较大,调制器效率较低。电子管极间电容的存在很难实现窄脉冲调制。另外由于电子管在真空度变差情况下可能会出现打火等现象,严重影响雷达发射机的可靠性。电子管阴极的寿命较短,也制约着电子管在调制器中的使用。
全固态调制器与电子管调制器相比具有效率高、体积小、重量轻、可靠性高、寿命长、维修费用低等优点。因此,研究固态调制器是一个极为重要的发展方向。
3.2 固态脉冲调制器
固态脉冲调制器就是以固态开关管IGBT替代电真空管的调制器。IGBT??椴捎?0只IGBT串联成网络使用,单片机驱动??槔玫テ纬赏骋坏拇シ⒙龀?,经驱动模块M57962L同步触发IGBT网络。其结构如图3所示。

该调制器采用充电电感,属于直流谐振充电,其自然谐振周期为:
![]()
其中:C0是仿真线的静电容
Tch等于调制器脉冲重复周期T0两倍,即调制器的脉冲重复频率是固定的。因此为了适应雷达工作于多种重复频率的要求,可在充电电路中串入一只二极管,称为充电二极管或保持二极管。这时只要充电电路的Tch值小于最小的脉冲重复周期就行了。
VD2和R1称为过电压?;さ缏?,它的作用是防止仿真线上出现过高的电压而损坏功率管。当仿真线向接近短路的负载放电时,其上的电压会变成负极性,由于功率管不能反向导电,这个负极性的电压不会消失,在下一个脉冲重复周期充电时,这个电压与电源电压的极性一致,所以仿真线将会充电到一个较高的电压值。如果这时负载打火并未消失,那么这一过程将会继续下去。在理论上可以证明,仿真线上的电压将会达到电源电压的6倍之多。当电路中接入VD2和R1之后,只要仿真线上出现负极性电压,就可以通过VD2放掉,从而防止了仿真线上过电压的产生。
[page]
R2C2称为反肩峰电路。当仿真线向不匹配的负载放电会在脉冲的前沿引起显著的肩峰。R2C2电路就是为了减小这种肩峰的,其电阻通常选择和负载阻抗相等,而电容的大小可按电路时间常数与脉冲前沿时间大致相当来确定。
功率开关管IGBT采用高速型MG400Q1US41,其参数为1 200V/400A,其参数如图4所示。工程中采用十管串联的方法以适应高电压的要求。驱动??椴捎肕57962L,其参数为1 200 V/400 A。

十管串联需要保证串联的10个管子同时导通、同时截止,否则先导通或者后截止的管子就因为要承受高电压而击穿,进一步击穿所有的管子,而形成调制器故障,造成不必要的损失。解决的办法是用单片机产生一路触发脉冲,同时触发驱动模块。因为驱动模块具有较高的输入阻抗,因此单片机的输出电流足够同时触发驱动模块。10个驱动??楸煌贝シ?,因其延迟的一致性,会使单片机的触发脉冲同时加到10个IGBT的栅极。
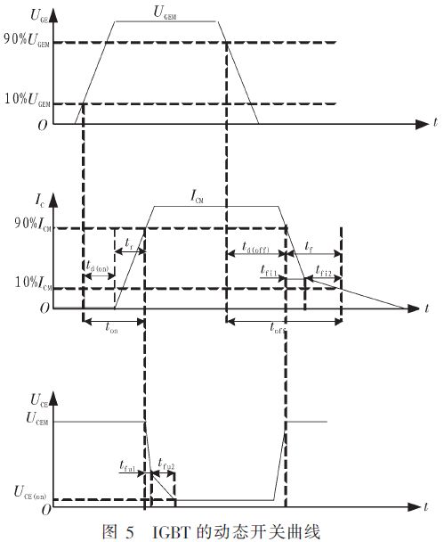
根据调制器的要求,由单片机输出一定重复频率的触发脉冲经接口保护电路转换后驱动IGBT的栅极。IGBT在栅极有驱动时接通,无驱动时关断,实现了可控的开关功能。IGBT的动态开关曲线如图5所示。
[page]
根据图4所示IGBT参数可知,在VOC=600V、VGE=±15V、RG=2.4 Ω、TC=25℃、IC=400 A时,ton=0.25μs,toff=0.7μs。从图5的UCE-t曲线图看,IGBT的开关曲线比氢闸流管的开关曲线更好,更适合于作为脉冲调制器的开关管使用。

由于单片机的采用,就可以使调制器的?;げ捎萌砑;?,这在减少调制器的体积与重量方面可以做出重大贡献。
单个固态调制器的制造成本比氢闸流管调制器稍高,但是其使用寿命长,也就是说性价比高,况且在性能、构造、可维性及可靠性方面远远胜于氢闸流管调制器。
4 仿真过程及结果
仿真软件使用流行的SIMNLINK。
设触发脉冲周期为2 ms,脉冲宽度为2μs,如图6中的第一示波器(图的下部),仿真线前端的波形如图6中的第二示波器(图的上部)。由第二示波器可见,当触发脉冲到来时,即IGBT网络导通时,仿真线迅速放电,放电速率为5 000 V/6μs(即从满电压5 000 V至放电完成时间约为6μs),并且无反冲。当触发脉冲过去时,即IGBT网络断开时,仿真线迅速充电,放电速率为5 000 V/3μs(即从充电开始至满电压5 000 V的时间约为3μs),并且无反冲。

由此可见,由IGBT网络替代的脉冲开关,完全能满足脉冲调制器的要求,其指标远远超过了氢闸流管脉冲调制器。
5 结论
器件固态化是系统发展的趋势,固态脉冲调制器正是在这一趋势的启发下提出来的。所设计的固态脉冲调制器具有结构简单、性价比高的特点,可以快速、方便地对现有雷达的脉冲调制器进行改装。改装成本低、周期短,具有很高的实用价值。



