- 探究电容式触控电荷转移横向模式技术
- 分析单层触控屏幕的工作特点
- 利用电荷转移技术解决应用挑战
- 采用双轴多触点技术
目前电阻式触控面板由于其多层材料堆栈架构的限制,使其在透光度与计算手指位置的精确度上不若电容式触控面板来得好,电容式触控面板若采用电荷转移技术中的横向模式方案,则更可解决电容式触控屏幕噪声与噪讯比的问题,从而开发更具优势的电容式触控屏幕。
由于触控屏幕反应迅速,而且是直观式操作,因此正迅速被各类消费电子产品和交通售票系统等工业及商业设备选为使用者接口。
在技术层面上,触控屏幕早在数10年前就已确实可行,但早期技术并不适用于低成本的大众市场应用,这些技术包括红外线系统与表面声波感测系统,由于红外线系统采用由水平和垂直两个方向构成的传感器数组,用以检测使用者的手指是否靠近屏幕表面,而阻断经过调制的光束,而表面声波传感器,因手指接近屏幕表面时会吸收声波,因此该技术可根据声波的变化确定是否有手指触及屏幕。
除上述提到的技术之外,还有几种其它技术,不过目前的主流趋势是电阻式和电容式感测,这两种技术都有其优势,但最新的电容式控制IC不单能简化单触控应用,而且还可以实现电阻式感测系统无法提供的多指触控功能。
电阻式触控面板 囿于架构而导致诸多缺点
电阻式触控屏幕已摆脱从1970年代就存在的专利限制桎梏,这种技术的工作原理很简单,主要部分是由两层微小空气隙隔离的透明电阻材料组成,一般是淀积在塑料膜和玻璃基板上的氧化铟锡(ITO),其中,顶层是软性的(Flexible),而低层是硬性的(Rigid),中间有许多细小的透明间隔点以隔离两个导电层(图1),当用户手指按压顶层时,在接触点形成电压梯度时,电子控制组件会对之进行感测,并计算出X、Y坐标的位置。

图1:电阻式触控面板原理示意

图2:电阻式触控屏幕电极正交电位计
在最简单的四线(Four-wire)电阻式连接中,顶层两端和低层两端分别各连接两个电极,两层的电极互相呈九十度交叉,形成四线星状连接结构,这实际上就是一对彼此正交的电位计(图2),相当于机械操纵杆的平面屏幕模拟。为了在X轴方向测量触摸位置,触控板的控制器将X-设为接地,而X+偏置为参考电压,然后从Y层的两端读取电压,以找出X轴上两层的接触点。同样地,控制器透过在Y层的电极上加载驱动电压,并从X层读取触摸点电压,可以确定Y轴上的触摸位置。
[page]
这种技术的变化形包括五线系统,基板带有ITO涂层,四边都有电极。软性隔膜为第五个电极,当用户手指压按时,控制器可测量出X和Y轴的电压,从而确定触摸的位置。这种排列通??商峁┍人南呓峁垢训奈榷ㄐ院透さ氖倜?。其它变化还有适用于大型屏幕、分辨率更高的六线和八线系统。
电阻式技术的主要优势在于其接口电子结构很简单,控制器只须在一对电极上加载参考电压,同时测量另一对电极间的电势即可,而这一点利用片上(On-chip)金属氧化物半导体场效晶体管(MOSFET)开关、模拟多路器和模拟数字转换器(ADC)就可轻松做到。若ADC进行差分测量,测量结果实际上成为比率计(Radiometric),可使用Vcc和接地作激励(Stimulus),透过适当的设计,就完全有可能获得4,09*,096的分辨率。
相反地,这种技术的主要缺点源于触控屏幕的多层结构。其基层一般是玻璃,表面涂有一层均匀的ITO,顶层通常由聚乙烯对苯二甲酸酯(PET)制造,内表面(Inner Surface)也涂有一层均匀的ITO,而外表面(Outer Surface)则有硬涂层,以为保护作用,而形成空气隙以把这些导电层隔离开的细小透明间隔点常在打印制程中产生。这种多层材料堆栈的多层结构对透光性有所影响,一般将降至约透明玻璃透光率的75%,同时,空气间隙可能产生薄雾效应,进一步降低清晰度。此外,这种结构很容易刮伤损坏,而且因为机械轴性不重合,还须仔细校准以确定X、Y坐标范围,其它弱点还包括可能吸收电气噪声,尤其是来自液晶显示器(LCD),这时一般须进行滤波,将导致反应时间的延长,当然,控制器一次只能处理一个触摸位置,也是一大局限。
利用电荷转移技术解决应用挑战
由于电阻式触控屏幕存在缺陷和局限性,许多设计人员已转向投射式电容感测技术。这种技术在IC形式上分为好几种电路,主要包括容抗(RC)时间常数测量电路,如弛张振荡器、直流(AC)电流测量组件,以及电荷转移(Charge-transfer)组件。电荷转移组件又分为单端模式(Single-ended)和横向模式(Transverse-mode),选择上述任何一种方法,利用在两层或更多迭层上的电极行列数组,都可以实现触控屏幕。
RC时间常数技术的基本原理是,当电容组件C随手指触摸改变时,电极区域充电或放电所需的时间也随之改变。测量充/放电期间的变化可得到C的变化,因为C是未知,所以假设为Cx,这种方法有许多变化形式,可测量频率或时间、可自由运行或以单周期为基础。RC时间常数测量的缺点是速度较慢,并易受泄漏电流干扰,其动态范围也非常有限,很难校准,而且容易受到恒定漂移问题的影响。此外,由于其电路的高阻抗特性,所以也极易受外界噪声干扰,尽管如此,仍有部分触控屏幕采用这种方案。
至于AC电流测量方法,由一个AC电压源驱动阻抗,继而驱动Cx,故测量阻抗产生的电压就可确定Cx的值。这些电路也有很多和RC电路相同的局限性,不过前者的驱动阻抗一般较低,然而其须利用放大器恢复串联阻抗产生的小电压,但讯噪比等方面的问题又随之而来,这种方法在触控屏幕中已有一定运用,尤其是在带低阻抗边沿的前表面板中。
和RC及AC技术相同,单端电荷转移电容传感器也是在每个感测通道采用一个电极板,但不依赖于时序测量或放大器,而是采用互补式金属氧化物半导体(CMOS)开关把电荷泵入Cx,并把电荷转移到一个参考采样电容(Cs)中。透过计算Cs达到预先设定的电压值所需的周期数,就可很容易求得电荷电平,且这个周期数与Cx成反比。众所周知,电荷转移方法有助于抑制泄漏电流的影响,而且由于其采用一个很大的Cs作为检测器,这个检测器相当于对外界的一个低阻抗,故其抗外部电气噪声的能力非常强。
与之相反,横向模式电荷转移感测是每个感测元素都采用两个电极。基本上,其电气行为与单端电荷转移感测相同,但这些电路在发送/接收矩阵中采用电极数组创造触控屏幕功能。该方案的优点是其需要的布线较少,更甚之能同时识别和区分多个触点之间的差异,单端电路也可感测多个触点,不过由于讯号本身模糊,故不能区分。此外,横向模式方案还有速度快和功耗低的优势,因为其能同时测量一条驱动线路上的所有节点,所以可减少50%的采集周期数。这种双电极式结构具有自我屏蔽外部噪声的功能,在定功率级上可提高讯号稳定性,因此,量研科技(Quantum Research)一直将横向模式感测技术作为驱动触控屏幕的主要方案,利用高载模式采样、扩频调制及数字讯号处理等各种增强型技术的结合,促成抗噪声源干扰能力强,即使在恶劣环境下也较稳健的解决方案。
在电气方面,横向模式感测的工作原理非常类似于T桥衰减器电路,使用者的手指实际上相当于一对电容之间的Cx项(图3)。手指触控屏幕表面吸收驱动电极和接收电极之间的耦合电荷,电荷经由大量杂散电容路径返回至电路的接地,这会降低讯号的强度,而降低的程度很容易且可靠地测出。

图3:横向模式感测的工作原理
尽管功耗极低,横向模式传感器却容易可穿过好几毫米厚的塑料、玻璃及其它材料,检测出使用多手指触摸,电极可由任何导电材料制作而成,如ITO,而且几乎任何尺寸和形状都可以。噪声消除算法可帮助这些传感器消除LCD等??椴脑肷?,通常毋需单独的屏蔽层,从而提高显示器的光传输性能,同时降低产品的建构成本和背光功率的要求,而厂商推出的QMatrix横向模式电路采用一种双斜坡转换形式,可确保电路对时间和温度的变化具有高度稳定性(图4)。

图4:QMatrix横向模式电路示意图
厂商发展的芯片透过与驱动脉冲同步开关的采样电容收集耦合到接收电极中的讯号,并利用一个脉冲串改进讯噪比,每个脉冲串的脉冲数量将直接影响电路的增益,因此,可方便调整电路增益,使其适合于不同的面板材料、按键尺寸和面板厚度。
脉冲串产生的第一个斜坡是加到采样电容上的梯级波形讯号,脉冲串过后,驱动器把斜率电阻的参考端切换为高电平,对采样电容进行放电,直到将电荷用完,电压比较器检测出零交叉点为止,获得零交叉点所需的斜坡时间与X、Y电荷耦合成比例,并随用户手指触摸面板表面而减小(图5)。

图5:零交叉点所需的斜坡时间与X、Y电荷耦合比例图
单层触控屏幕崛起
由于组件可以在片上执行所有讯号调节任务,故只需少量离散式电阻与电容,再加上一个简单的序列接口,如I2C即可。从软件程序设计人员的角度来看,组件拥有简单的命令集(Command Set)和用于不同寄存器的储存映像结构,这样一来,设计人员的主要任务就简化为设计感测矩阵和编写接口代码。投射式电容触控屏幕需要一个X、Y透明电极矩阵(图6),以精确确定手指的位置。

图6:投射式电容触控屏幕所需之X、Y透明电极矩阵
上述通常需要在玻璃或塑料涂敷的透镜后迭压两层或两层以上的ITO,由于每增加一层就会增加成本,并降低9%的透光性,因此应该尽可能减少层数。虽然厂商的触控屏幕芯片完全能支持多层钻石型图案,但这些芯片也可采用专有的单层膜技术。相较多层技术,单层膜电极的透明度要高得多、薄得多,成本也低得多,这些优点自然使其大受设计人员青睐。
双轴多触点技术面世
利用单层膜同步执行双触点检测也是可行的,但若采用能够同时解决多触点事件的双层技术,性能便会好得多。如图7显示在一个实验室测试模型中使用者用三根指头和大拇指时,电场的三维测量结果。

图7:使用多手指时电场三维测量结果
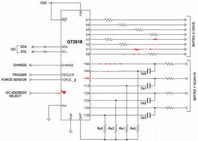
透过连接一个放在六电极Y层上的八电极X层,控制器可支持大至8寸的双触控屏幕,而且这种多功能控制器能感测多达六个滑块或四十八个离散式按键,或按键、滑块与触摸区域的组合,该控制器为接脚数精简的版本,利用类似的简单布线图(图8),能够驱动八条X轴和接收四条Y轴,或区分多达三十二个离散式按键。

图8:控制器电路图
而直接影响增益的斜率电阻器一般在1mΩ数量级,X和Y方向上可选配的电阻器能改善电磁兼容(EMC)性能和抗静电放电(ESD)能力,典型值在1~20kΩ范围。除了控制器外,厂商并推出触控屏幕演示*测工具套件,设计人员毋须使用使用者界面解释手势,如某个手势可能包含两根手指以水平或垂直方式或成某一角度的分开行动,在照片应用的情况中,这也许意味着对图像的某个区域局部缩放,而在全球卫星定位系统(GPS)地图绘制应用中,相同的动作则可能集中在某个特定区域或感兴趣的街道。此外,旋转手势可能代表旋转CAD程序三维空间中的某个物体,或是游戏作战区中某个外星指挥官的太空舰队着陆。正如其它众多创新一样,在设计人员的工具套件中增加概念简单的工具,可以激励创新性,催生出在诸多同类产品中脱颖而出的产品。





