- 讨论一种混合信号实现LED降压升压驱动电路
- 利用LED降压升压驱动电路
- 利用软件实现方案
针对照明应用的大功率LED要采用恒流源驱动,一些标准驱动电流常常用在不同LED生产商的产品中,其中,350mA和700 mA最为常见。根据串联结的类型和数量,LED两端的正向压降可能不同。许多生产厂商的大功率LED产品都在单个??橹屑闪硕喔鼋帷?br />
开关电源(SMPS)为LED驱动提供了效率更高的解决方案,它可以将输入电压升/降至适当的电平,从而提供所需要的LED电流。系统输入电压范围以及所需要的LED正向压降决定了对SMPS拓扑结构的选择。
降压-升压转换器
当供电电压高于或低于需要的输出电压时,使用降压-升压转换器结构。对于电池应用来说,降压-升压转换器非常有用。降压-升压结构还称为反激式(fly-back)变压器或逆变稳压器。
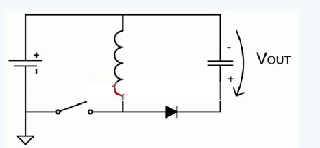
降压-升压转换器可按图1的方式实现。这种实现方案的优点是可使用简单的低端MOSFET驱动器电路,它的拓扑结构将产生相对于输入电压轨的正电压,这一降压-升压实现方案的缺点是负载并未以电路地为基准?!⊥?显示了LED驱动电路的简单设计方案,其中采用了一片混合信号高电压8位单片机,如PIC16HV785。 该电路的输出相对于电池电压,而非地电位。逆变器的输出连接到LED的阳极,产生的电压值高于输入电压。PIC16HV785混合信号单片机集成了一个8位单片机内核和多个片上模拟外设,包括:

两个片上运放,可用于放大电流检测电阻两端的电压。这样可以采用极小阻值的检测电阻,从而可以降低电路损耗并提高电路的总效率。
一个高电压分流稳压器,在输入电压更高时也不需要外部5V稳压器。
一个数字捕捉、比较和PWM(CCP)模块。
两个模拟比较器。
一个10位A/D转换器。
内部时钟电路,工作频率8MHz。
一个内部精确电压参考源,不需要昂贵的外部器件。
一个可编程欠压复位(BOR)电路。
运放和比较器的所有引脚都可以通过外部访问,因此可以实现任意电路配置。
[page]
电流检测电路
电流检测运放连接成差分放大器,以精确测量电流、检测电阻两端的电压。为简化电路要求,在电源返回路径上进行电流测量。R1、R2和C1构成一个低通滤波器,用来降低可能存在的开关噪声。为避免影响控制环的响应,该滤波器的截止频率必须大于电压转换器的开关频率。
稳流电路
稳定LED电流流量的电路由双相位PWM???、内部比较器和一个参考电压源构成。双相位PWM模块是按置位/复位原理工作的“模拟”式PWM模块。首先,从系统时钟产生的一个时钟信号用来周期性地开启PWM输出。PWM时钟信号确定基本的PWM频率。然后,当达到指定的参考电平时,来自一个片上比较器的复位信号会关断PWM输出。

软件实现方案
这一应用的软件部分非常简单,因为LED电流控制功能是采用模拟方式完成的。一旦所有外设被设为使能,并且正确设置了电流参考值,那么不需要软件干预,LED就会持续发光。
然后,应用程序代码可以测量供电电压(利用片上集成的10位A/D转换器)和供电电流,从而保证驱动LED工作在恒定功率模式。随着电池输入电压的变化,D/A电路(采用CCP外设实现)将产生新的参考电压值进行补偿。
设置LED亮度
由于单片机内核在稳定功率方面仅需要花费很小一部分时间,因此更多的时间可用于用户界面以及提供更多功能,如电池状态监控和亮度控制。利用这一电路及软件调整LED亮度有两种方法。其中一种技术基于LED亮度随驱动电流而变化的原理,事实上,利用这种方法可以实现近似线性的LED亮度控制。然而改变电流实现调光并非控制LED亮度的最高效方法,只有在生产商指定的最大驱动电流水平下,LED才能够达到最高的发光效率。
可利用一个低频PWM信号来调制LED驱动电流。采用这种方法,电流并未减小,即在点亮时,LED始终通过最大电流。但PWM信号的占空比设定了LED点亮的平均时间。PWM频率要选择得足够高,以使LED电流的开关速率足够快,从而使人眼感受不到光在闪烁;同时,PWM频率也要足够低,这样稳流电路在PWM导通时间内就有足够的时间稳定。如果这些条件都能够满足,那么人眼会对一段时间内的LED的光输出进行平均。PWM调光信号的频率通常在 60Hz 到 1000Hz之间。
总结
PIC16HV785几乎包含了实现大功率LED驱动电路所需要的元器件。根据输入电压范围,可以方便地配备成升压或降压-升压工作模式。这一应用仅使用了单片机RAM和闪存的一小部分,为其他用户应用程序代码留下了足够的空间。实际上,PIC16HV785单片机中还有足够的未用外设,可用来实现其它LED驱动器、电池充电器或开关电路。





