中心议题:
- Buck变换器AP3406的典型应用
- 反馈电阻在Buck变换器中的作用
解决方案:
- Buck变换器AP3406的环路增益测试
- Buck变换器系统的动态响应测试
Buck变换器由于具有效率高的优点而被广泛应用于手机、GPS、MP3等移动多媒体设备上,目前很多电源管理芯片制造厂商都推出了不同电流能力的Buck变换器,这类变换器虽然在电流能力和保护功能方面存在一些差异,但是他们电路的主框架结构是基本一致的,主要可以分为两个部分:一是实现电能转换的主功率部分,另一部分是实现负反馈控制的控制电路,如图1所示。

图1 Buck变换器电路主框图
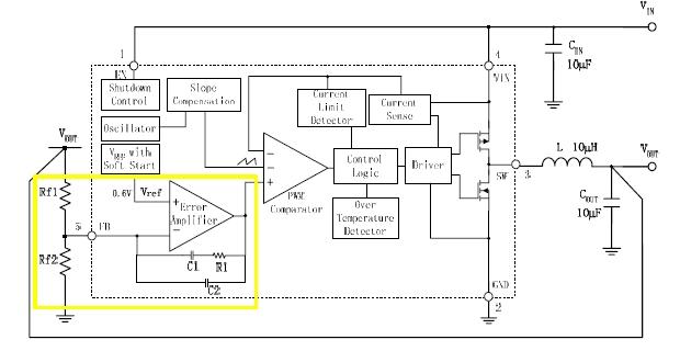
对于不同厂商设计的Buck变换器芯片,外围电路所需要的器件会有所不同,这是因为芯片的集成度有差异,比如,有的厂商会把功率管集成在芯片内部;有的厂商会把控制部分的补偿网络集成在芯片内部。集成度越高的芯片,外围电路所需要的器件就越少,因此对于客户来说,外围器件的选择需要根据具体芯片来决定。然而,对于任何一个输出可以调节的Buck变换器芯片,选择合适的反馈电阻是必不可少的。图2是BCD半导体公司的Buck变换器AP3406的典型应用图,由于该芯片集成度很高,外围只需要输入电容、输出电感、输出电容和反馈电阻,本文就以此为例对反馈电阻的作用做简要分析,为如何选择反馈电阻提供参考。

图2 Buck变换器芯片典型应用图
设置输出电压
反馈电阻Rf1和Rf2的第一个作用是设置Buck电路的输出电压值,如图2所示,稳态时,运算放大器的反相输入端和同相输入端电压是相等的,于是可以得到输出电压计算公式:
,其中VREF是芯片内部基准电压(本例中为0.6V)。
影响系统稳定性和动态响应
为了实现系统的抗干扰能力,Buck变换器除了主功率部分以外,还会有相应的负反馈控制电路,补偿网络是反馈控制电路的一部分。补偿网络的加入可以提高环路的低频增益,从而提高抗干扰能力;同时补偿网路使系统拥有足够的相位裕度,从而保证系统处于稳定的工作状态,不会振荡。图2中黄色框内的部分就是补偿网络部分,补偿网络中包括 R1,C1,C2和Rf1(注:Rf2在环路分析中不起作用),补偿网络的传递函数可以表示为:

从上式可以看出补偿网络产生了两个极点,其中一个极点在0点,另一个极点为
, 同时还产生了一个零点
[page]
在mathcad中做出Gc(s)的幅频特性和相频特性,如图3和图4所示,Rf1在补偿网络中的作用是改变中频段增益,对补偿网络中的零极点不会有影响,在图3和图4中的表现就是随着Rf1的改变,补偿网络Gc(s)的幅频特性上下平移,相频特性不变。

图3 补偿网络幅频特性

图4 补偿网络相频特性
因此,当补偿网络进入系统环路之后,Rf1的作用是使环路增益的幅频特性上下平移,同时环路增益的相频特性保持不变。

图5 Buck变换器环路增益测试结果1
[page]

图6 Buck变换器环路增益测试结果2
图5和图6是用网络分析仪进行AP3406环路增益测试的结果。由图可以看出,当Rf1从300k变化到470k,再变化到750k,系统的环路增益的幅频特性不断向下移动,同时相频特性基本不变。于是系统的带宽和相位裕度都有较大改变,测试结果如表1所示。

表1 AP3406环路增益测试结果
系统的带宽是影响系统动态响应的重要因素,相位裕度是影响系统稳定性的重要因素。如果选择不同的Rf1,系统的带宽和相位裕度会产生变化,也就是动态响应和稳定性会发生变化。具体以表1来分析,当Rf1从300k变到750k,系统地带宽从51.1kHz变到26.1kHz,因此系统的动态响应会相应的变差,而由于相位裕度都是足够的,因此系统都处于稳定工作的状态。图7和图8是做负载切换的动态响应测试结果,从测试结果可以看出环路响应速度变慢,导致输出电压过冲变大,动态响应效果变差。

图7 动态响应测试结果(Rf1=300k)

图8 动态响应测试结果(Rf1=750k)
从以上分析可以看出,选择合适的反馈电阻Rf1和Rf2对AP3406及同类补偿结构的Buck变换器有很重要的作用。选择反馈电阻时,不能只考虑稳态时,输出电压是否符合要求,还应该考虑,反馈电阻对系统稳定性和动态响应的影响。




