- 电源???/a>的选用方法
- 博大电源??榇τ梅绞?/strong>
- 博大电源模块并联应用方式
- 博大电源??楸冈τ?/strong>
电源系统的设计对于电子设计人员来说是极大的挑战,他们要利用有限的资源与空间,在最短时间内设计出灵活、高效、可靠且具有竞争力的电源系统。而电源??槭悄壳吧杓迫嗽钡淖罴蜒≡瘢阅?槭降缭慈〈至⑹阶榧纳杓品桨?,好比使用微处理器来替代集成电路,它可以更灵活、更快捷地完成系统设计及开发,缩短产品开发或更改设计所花费的时间,节省人力及技术投资。
系统电源设计是应用系统设计中的一项极重要的工作,它对整个系统是否能正常工作起着至关重要的作用。因此,在开发一个系统时,如果最后才设计电源的话,往往很容易导致成本增加及可靠度下降,一开始就将电源在系统中进行整体设计,就能节省开支、缩短开发时程并提高产品的可靠度。在此,国内最大的电源??椴反砩躺钲谥械缁堑缱蛹际跤邢薰咎厍氩┐竽?榈缭醋ㄒ倒こ淌ο虼蠹曳窒砟?榈缭囱∮眉按⒘τ?。
电源模块选用方法
电源??榈难∮?,首先必须确定电源规格,主要为电源功率、电源输出电压、输出端口数及电源尺寸。而在设计系统时,则尽可能选用市场上通用的电源模块,例如博大电源就拥有多达千款的标准??椋渲卸嗫羁捎肫渌放颇?榈缭唇涌谕ㄓ?。如此可缩短设计及开发时程、降低成本并提高产品可靠度。因此,在系统设计时,可将电源??榇钆洳煌淖楹戏绞嚼创锏教岣呤涑龅缪?、输出电流或备份应用,有效的减少系统电源的种类,提高电源??榈墓蚕硇约翱煽慷取?br />
博大电源??榇τ?/strong>
在实际应用中,由于板载面积、成本要求、特殊应用等需求,电源模块产品常常需要串联工作以获得较高的输出电压,其组合应用方式分述如下。
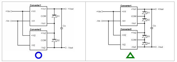
1. 双路输出电源??椋?/strong>

图2-1
图2-1为一般常见的串联工作应用,为了获得较高的电压输出,可将两个电源??榈氖涑龃鹄?,然后直接与负载连接,可得到两组输出相加之后的输出电压(Vo1 + Vo2)。
博大电源工程师一般会建议用户在各组输出并上二极管,用来防止两组输出因启动时间差,在输出端产生不正常的电流路径所造成的不良影响,串联后的输出电压,可再加上输出电容,用以降低因两电源??椴钇邓斐傻腞ipple & Noise。
2. 双路输出电源??椋?/strong>

图2-2
图2-2为两个双路输出电源??榇酉叻绞剑虼?,可得到四组Vout相加后的输出电压。单一个双路输出电源???,其两组输出之启动时间是一致的,故仅需在+/-Vo1及+/-Vo2各并上二极管即可,如图左所示。在上图中,输出端共并上4颗二极管,此方式亦可行,但较浪费成本。串联后的输出电压,可再加上输出电容,用以降低因两电源模块差频所造成的Ripple & Noise。
二极管的选用,应选择正向导通压降低的二极管,如萧特基二极管,且其反向耐压应大于对应的电源输出电压,顺向电流额定值应大于串联负载电流。
[page]
博大电源??椴⒘τ?/strong>
在实际应用各种,博大电源??榭赏腹阶榛蚨嘧椴⒘?,来达到多倍的输出功率,供系统使用。一般的电源??榇蠖辔潭ǖ缪故涑觯堑缭茨?楸旧砭哂锌刹⒘僮鞴δ埽裨虿挥Ω貌⒘褂?。主要的考虑点在于两个电源模块的输出电压调整不可能完全相等,那么输出电压较高的??榻崽峁┤康母涸氐缌?。其次,即使两个电源??榈氖涑龅缪沟髡耆嗟?,也会由于两者不同的输出阻抗及其随时间和温度不同产生的变化,将会造成两个电源??榈母涸氐缌鞑黄胶猓虼?,与串联应用相比,电源??槭涑龅牟⒘拖喽岳研矶唷O旅婢筒┐蟮缭茨?楣こ淌图父龀<牡缭茨?椴⒘τ梅绞剿得魅缦?。
1. Drop Resistor:

图3-1
在两组电源??榈氖涑龆?,分别串接Drop电阻,再并联使用,如图3-1所示。此种方式主要利用输出电流对R1及R2形成的线性电压降,使得两组电源??榛峋×看锏狡胶夤┯Ω涸氐哪康?,避免输出电压较高的电源??槔刺峁┐蟛糠莸母涸匦枨?。
依据中电华星的实际使用经验,此种方式的成本较低,适合使用在精度要求不高的系统应用中。
2. Decoupling Diode:

图3-2
图3-2为使用Decoupling Diode方式的输出并联应用方式,其方式为在二组电源??榈氖涑龆耍直鸫由隙?,再并联使用。
其原理与Drop Resistor相同,使用D1与D2取代电阻的作用,而使用二极管的好处,还可用来防止不同电源??橹涑龅缪鼓媪鞯搅硪桓龅缭茨??,这在某些电源架构上是需要的。
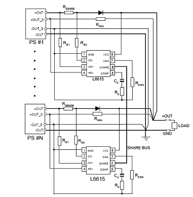
3. Current Share:

图3-3
如图3-3,为使用Current share专用IC进行并联使用,在此种方式,每一个电源??楸旧硇杈弑赣蠷emote sense或Trim的功能,方可进行均流控制。此种方式的每一个电源??槎伎梢跃魇涑?,对电源??榈氖倜邪镏?,但成本相对较高,适合应用于有较高精确度要求的应用场合。
[page]
博大电源??楸冈τ镁倮?/strong>
利用博大电源??楸冈δ苡τ弥饕墙礁鱿嗤哪?槭涑鐾ü芎蟛⒘?,可使输出能力倍增,同时提高了电源系统的可靠度。备援系统大多以N+1来表示,即以N个电源??樘峁┫低乘璧亩疃ǖ缭矗硗庵辽僭俣?组电源??椋鑫冈猛?,以防止电源??椴涣际痹斐上低澄薹ǔ中俗?,维持系统的正常运作。如果再搭配允许热插拔的电源??榧跋嘤κ涑龅木ǖ缏罚缭茨?榉旁诳梢圆鹦兜哪赶呱?,当故障出现时,可将电源??槭凳备?,电源系统将会拥有非常高的可靠性。
1. OR-ing Diode:

图4-1
在两组或多组电源??槭涑龌芈分?,各串接二极管后并联连接,使得当单一??椴斐J?,其它??榭山有峁┑缭?,维持系统工常运作。其中二极管应选择低顺向导通电压降(Low Vf),以降低导通损失。
2. OR-ing FET:

图4-2
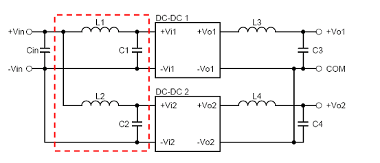
多组电源之EMI Decoupling
在一电源系统中,若同时使用多组电源模块,且输入端使用同一电源时,为防止二组或多组电源??橹涞慕换ジ扇?,形成系统所不乐见的EMI问题,甚至造成系统误动作的谐波,此时,可在电源系统前端与EMI filter之间加入L1、C1、L2与C2来减低电源模块之间的交互干扰。

图5-1



