中心议题:
- 静电感应晶闸管在电源电路中的应用
解决方案:
- 三种实际的开关电源应用电路
本文将驱动电路及SITH器件一起扩展成实际的开关电源应用电路,经测试,得到了比较先进的性能指标。这样,对SITH器件的应用研究就更加全面,使得对它的推广应用打下扎实的基础。
1 电路研究
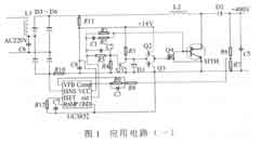
1.1 应用电路(一)
该应用电路是一个开关电源,是鉴于以下几点考虑而设计的:(1)针对电机调速、温度控制等大功率应用方向,确定是AC-DC变换,这里AC 专指交流50周单相电压220V工频电网;(2)该电源输入必须是高功率因数0.95以上,还必须是低噪扰,符合或优于国家标准;(3)该电源效率要求在 90%以上;(4)能体现SITH管的优势,避开其弱点。
这里采用了BOOST变换程式(图1)。图中 R1:1kΩ;R2:20Ω;R3:10kΩ;R 4:5kΩ;R5:5kΩ;R6:800kΩ;R7:10k Ω;R8:20kΩ;R9:1MΩ;R10:0.2 Ω;R11:50kΩ;R12:10kΩ;C1:0.01mf;C2:200pf; C3:0.1mf;C4:50mf;C5:100mf/400V; C6:2mf/~250V;C7:2000pf;D1:12V/0.5W稳压二极管;D2: 3A快恢二极管HER308; D3、D6:2A/400V整流桥;Q1、Q3:npn三极管8050;Q2:pnp三极管8550;Q4:VDMOS 10A/30V;L1:2mH/ 1A高频电感;L2:2mH/ 1A高频电感;IC:UC3852。
UC3852的详细工作原理请参阅Texas Instruments公司有关资料。要着重指出的是, UC3852是一种专门用来提高输入功率因数的开关电源控制芯片,它的基本原理是在远高于50周的频率下工作, 控制开关管以一个恒定的时间Ton导通,导通时电感L2承受全部交流输入电压Vin 。在Ton结束时, 电感电流,也就是输入电流I in=(Vin /L2)×Ton ,因此Iin与Vin成正比。接着,UC3852使开关管关闭, L2向负载端放电,Iin呈线性衰减, 当UC3852检测到Iin衰减到零时,又控制开关管导通,进入下一个Ton,见图2。
图中, 上部是UC3852的驱动波形, 高电平是驱动开关管导通,高电平的时间Ton 是恒定的;下部是输入电压Vin和输入电流 Iin的波形。在Ton时段内,Iin线性上升, 上升的速率与当时的Vin值成正比, 由于每次都是从零开始, 因此Iin的峰值也与Vin 成正比。实际上,UC3852的工作频率要比图中表示的高得多,约25kHz。因此可认为在每个三角形区段Vin恒定, 则Iin的平均值也正比于V in,经过L1、C6低通滤波后,输入电流波形与输入电压一致, 则功率因数必然很高。这就是UC3852的简单工作原理。
图1的电路参数构成一个输出为100W的电路, SITH管为主开关,采用驱动电路(一)的方案,由Q1、Q2、Q3和Q4组成SITH管的驱动电路; L2是BOOST电感;C5是输出滤波电容;R 6、R7、R8、R9和C3组成反馈电路, 供UC3852采用, 控制输出电压稳定;R12和C7是UC3852工作频率的定时电路, 这里定在25kHz左右;L1和C6是低通滤波器, 阻止Iin中的高频成分传回电网;R 10是电流采样电阻, 向UC3852提供Iin的波形。

从图2的波形上可以看出, 这是一种电流非连续方式, 它的好处是开关管总是从零电流开始导通,最终达到二倍的平均电流, 从而使SITH管避开了导通慢的弱点, 又发扬了其大电流性能好的优点。它又使二极管D2在正向电流到零后再承受反压, 避开了反向恢复损耗的问题。D2的作用是阻止输出电容 C5向L2和SITH管放电, 它正向流过的就是负载电流, 而反向承受的是400V电压。测试中D2使用中速的快恢二极管, 温升很低。 输出电压取400V是电路工作要求的(参阅Texas Instruments 公司有关资料),因而不能降低。 SITH管在关断时也承受400V的反压, 对它来说余量较大,也是优势所在。

测得其主要指标如下:输入电压:AC220V 50Hz;输入电流:0.58A;输入功率:111W;功率因数:0.95;输出电压:DC410V, 纹波峰峰值:Vpp=20V;输出负载电阻:1610Ω;输出功率:104W; 效率:0.94。由此看来,SITH器件及其驱动电路满足了要求,结果是令人满意的。
然而,SITH管在工作时大约有3.5W左右的管耗,是电路中唯一有明显温升的器件。电路中使用的SITH管是TO-220封装,最初加上50mm× 60mm散热片,开机5分钟内表面温升达50℃, 输入功率增加了3W。 后来, 改用带有风扇的CPU散热器, 风扇功率1W, 开机15分钟后,表面温升仍不迢过5℃, 输入功率始终在111W左右。由此可以认为, SITH管与其它电力器件一样,开关损耗随温度升高而增加。若散热不好,会形成恶性循环。频繁的高温差变化还会使焊锡过早脆化, 使焊接质量变坏。因此良好散热是保证可靠性、保证高效率的最有效最重要的手段。由于SITH管具有较强的过流能力, 因此在良好散热下, 不必采用“降容量使用”的传统方法, 可以选用电流额定值与工作额定值相当的器件, 以降低成本又不影响可靠性。
[page]
1.2 应用电路(二)
应用电路(一)的输出电压是固定直流400V, 不能灵活调整, 又没能与输入隔离, 往往需要加后级电路。本应用电路(二)是在电路(一)基础上加以改动, 将输出隔离, 又能调整电压, 见图3。图中:R1:1kΩ;R2:20Ω;R 3:10kΩ;R4:5kΩ;R5:5kΩ;R6:800kΩ;R7:10kΩ;R8:20kΩ;R9:1MΩ ;R10:0.2Ω;R11:50kΩ;R12:10k Ω;R13:20kΩ/3W;R14:40Ω/10W;C 1:0.01mf;C2:200pf;C3:0.1mf;C 4:50mf;C5:2000pf / 400V;C6:2mf / ~250V;C7:2000pf;C8:0.1mf / 600V;C9:3000mf / 50V;C10:2mf / 400V; D1:12V / 0.5W稳压二极管;D2、D7、D8、D9:3A快恢二极管HER308; D3、D4、D5、D6:2A/400V整流桥;D10:46V / 1W稻压二极管;Q1、Q3:npn三极管8050;Q2:pnp三极管8550;Q4:VDMOS 10A/30V;L1:2mH/ 1A高频电感; L2:2mH/ 1A高频电感;L3:500mH/ 2A高频电感;Tr:高频变压器;匝比:2:1×2;IC1:UC3852; IC2:光耦521-1。

此电路参数是48V/100W输出的直流电源。它的工作原理与电路(一)相同,只是输出部分用电容C 10将SITH管漏极的直流方波割直成交流方波,送到变压器Tr的初级,然后耦合到次级改变了电压,再经过整流滤波输出。次级分成两个线圈,分别通过不同的整流滤波环节,这是因为通过 C10的交流方波,是不对称的, 正向部分实际上是电感L2放电, 是电流源, 要用副边的上半部分整流;负向部分实际上是C10放电, 是电压源, 要用副边的下半部分整流。
改变Tr的匝比可以得到需要的输出电压, 也与输入电网隔离。光耦521-1是负反馈的隔离元件。D2、 C5、C8、R13、R14组成上冲吸收电路, 由于漏感的原因,变压器在接受电流源脉冲时, 上冲十分强烈, 对器件很不利, 同时还造成很大的高频噪扰, 必须衰减它。吸收电路可以有效地衰减上冲, 但是经大量试验表明, 这种衰减的能耗相当大, 是以降低效率为代价的。本试验中吸收环节要消耗6W左右的功率, 上冲仍占主波的25%, 使效率从91%下降到84%, 线路板上有一块明显的发热源。因此在没解决高效吸收问题之前, 该电路应考虑在小功率应用。
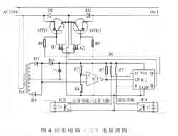
1.3 应用电路(三)
这是一个交流开关,可切换1000W的负载,应用很广。原本是用可控硅或双向可控硅组成,现用两只SITH管取代。它具有过零开通和过零关断的功能, 以减小对电网的冲击,在需要时也可以立即关断。由于使用了SITH管, 才具有强迫关断, 即快速关断的功能。这是可控硅或双向可控硅做不到的,它可以与单片机配合使用。这里仅提供强电部分原理图(图4)。图中:R1、R2:1kΩ; R3:10kΩ;R4:200Ω; R5、R6、R7:5.1kΩ; C1:300mF /16V ;D1、D2:10A/400V整流二极管;D3、D4、D5:1N4001;Q1、Q2:VDMOS (Ron=0.05W):IC1:LM393双比较器;IC2: CD4013 D触发器;IC3、IC4:光耦521;Tr1:电源变压器220V/9V×2~3W。

图中, 两只SITH管反串联, 而各自又与一个二极管反并联, 两只SITH管同时导通或同时关断,形成了交流开关。IC1比较器产生过零脉冲信号, 作为IC2 D触发器的时钟信号, 因此IC2只能在交流电压过零时改变输出。它的一对互补输出分别控制SITH管的栅极注入和VDMOS管, 也就控制了交流开关的过零导通和关断。强迫关断信号直接控制D触发器的R复位端, 立即关断交流开关??刂菩藕磐ü怦钍淙?, 这是为了防止干扰。




