- 开光电源两种导通模式的比较
- 开关控制器的选择
- 线路?;すδ艿挠τ?/strong>
开关电源的使用日益普及,电视机、机顶盒和录像机均采用这种方式供电,移动电话充电器、PDA(个人数字助理),甚至一些电动牙刷都采用开关电源。
与传统的线性电源相比,开关电源具有许多优点。在通常情况下,如果只需要一个直流输出,采用一个变压器、整流器和滤波电容就可构成线性电源。有时,可采用一个线性稳压器提供稳压输出。这种系统的主要优点是简单,所以成本通常较低。而开关电源通常结构复杂、价格昂贵,所以线性电源获得了广泛应用。表1列出了两种系统的优点和缺点。

表1线性与开关电源对比

开关电源电路有许多种,但最常见的是反激式转换器,其原理如图1所示,电源输入首先经过整流,然后滤波,接下来经过变压器和初级开关,以及初级控制器;这个控制器根据反馈信号来改变开关的占空比,反馈信号是由次级反馈而来。

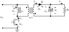
尽管可采用电感器,但所示设计采用的是未隔离的变压器。隔离设计在离线设备中更为常见,在离线设备中,变压器具有隔离作用,可方便地实现占空比调整。反激式开关电源可在非连续导通和连续导通两种模式下工作,不连续导通模式如图2所示。Ilm和Vlm是变压器磁化电感通过的电流和施加的电压。
表2开关电源的两种导通模式
[page]当开关闭合时,电压施加在变压器初级的两端,因为此时次级二极管是截止的,变压器所起的作用就像电感器。经过初级线圈的电流会上升,同时能量储存在磁通量中。当开关断开时,次级二极管导通,电流通过次级时会下降,因为能量被转换至次边大容量电容器。如果电流经过磁化电感区后降至零,这是不连续导通模式。如果磁化电流未降至零,如图3所示,则系统以连续导通模式工作。
表2列出了两种模式的优缺点。
两种模式各有其优缺点,可根据设计要求进行选择??梢蕴粞〈蟾涸氐牧J缴杓?,或选择小负载的非连续模式设计。有电压和电流两种控制模式,在电压模式中,次边电压被反馈,直接控制工作循环;而在电流模式中,次边电压被反馈,控制最大的开关电流,即控制IC的PWM部分使开关闭合,当电流达到反馈设定的极限时,开关就断开。
控制器的选择
过去,大多数SMPS系统采用分立控制器IC和用场效应晶体管(FET)作为开关,现在可以采用集成控制器,这些集成器件针对各种功率级别和应用进行了优化,通常可分为双芯片式和单芯片式两类。双芯片式包括控制器芯片和MOSFET芯片,而单芯片式仅有一个芯片,一般采用BCDMOS工艺制造。采用BCDMOS工艺制造高压功率MOSFET器件,它的局限性多于采用优化MOSFET工艺制造的器件。通常,采用BCDMOS工艺制造的芯片的单位面积RDS(on)值会高出许多。
然而,单芯片解决方案的成本较低,在低功率应用领域具有优势。因此,一般是为高功率应用选择双芯片方案,而为低功率应用选择单芯片方案,高低功率的分界点在15至20W左右,飞兆半导体有提供两种类型的功率开关。

应用实例
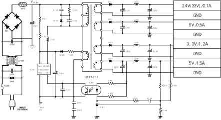
图4所示为采用KA5M0365R的通用开关模式电源的电路图,KA5M0365R是双芯片器件。电源的输入电压为85~265VAC,开关频率为66kHz,输出为3.3V、1.2A,5V、1.5A,9V、0.5A和33V、0.1A。
内部MOSFET的额定值为3A和650V,但不是简单的MOSFET,而是SenseFET,其源极面积约有1%被隔离出来,形成次感应源极。漏极电流的1%来自感应源极,它流经集成电阻器,便于准确地测量电流值,不存在与外部电流采样电阻器相关的损耗。
自线路输入端开始,首先是一个用于抑制EMI的滤波器,接下来是桥型整流器、NTC电阻器和滤波电容器。NTC电阻器用于避免开关闭合时的电流浪涌。在第一次接通电源时,FPS以旁路模式工作,吸收极少的电流,Vcc电容器被充电,一旦达到电压锁定阈值15V范围的上限,该器件就开始开关,它的电流需求增加,Vcc电压开始下降。然而,假定Vcc电容器足够大,Vcc电压仍保持在电压锁定阈值范围的较低水平,在正常运作期间,第三线圈开始供电。
缓冲网络(SnubberNetwork)连接在变压器初级的两端,以确保变压器泄漏电感引起的尖峰信号,不会造成开关漏极电压超过其击穿电压。如果超过击穿电压,器件会发生雪崩,由于它具有一定的雪崩额定值,这样仅仅多消耗一点功率,不需配置昂贵的齐纳缓冲器。
有四个次级线圈提供四路电压输出,通过一个光耦,由431型电压参考器提供反馈信号。
?;すδ?/strong>
所有的离线式电源必须达到一定的安全标准,图4所示的设计具有良好的?;すδ埽靡嬗诳刂破骶哂械墓乇;?、过压?;?、过流保护、欠压?;ず凸缺;ぬ匦?。
如果电源超负载但未短路,输出电压将会降低,反馈电压上升,占空比增加以进行补偿。然而,因为初边电流有限,可转换的最大功率也是有限的,因此反馈电压将继续上升。一旦它达到阈值,器件的开关动作就会停止。过载?;た裳邮币员苊飧涸厮脖涞贾碌拇砦蟠シⅰH绻诜蠢』芈分谐鱿挚饭收?,反馈引脚电压将上升,导致工作循环增加,输出电压也将上升,Vcc引脚电压同样也上升,一旦Vcc电压达到保护阈值,设备就关闭,以避免损害次级。
如果在反馈回路中出现短路故障,反馈引脚将接地,器件的开关动作也会停止。如果次级整流器发生短路,或负载短路,在开关闭合之后,立即有大电流流经开关,从而造成损害。因此,器件会测量在开关闭合后极短时间内的电流,如果电流值比阈值高,器件会停止运转。如果器件试着自动重新启动,?;すδ芑崴揽囟饕员苊庵馗吹挠α?。另外,器件具有前沿屏蔽功能。
针对特定应用的改进
低功率电源常常是备用、辅助电源,或用于内务处理,FSDH0165或FSDH565等单芯片器件适用于此类电源,芯片集成了控制器和SenseFET。

由于器件采用BCDMOS技术制造,不存在起动电阻器。有可能将高压整流电源直接连接到器件上,其起动与双芯片器件相似,然而,区别是该器件用内部电流源为Vcc电容器充电,一旦Vcc引脚电压达到阈值电压,器件起动,电流源从内部断开,因此在正常运作期间,不从电路中直接吸取能量,因而效率提高。对于较高功率电源,可采用图5所示的系统,它与先前的系统很相似,但它以准谐振模式工作,Lm不是一个单独的元件,而是变压器的一部分。
在这种模式下,开关频率与输入电压和负载水平无关,在低输入电压和大负载的情况下,频率降低,而在高输入电压和小负载的情况下,开关频率升高。在最大输入电压下,所需频率不应超过最高开关频率150kHz,因此施加的负载应有所限制。准谐振模式的优点是EMI较低和效率较高。
这里未出现先前所用的传统RCD(电阻器电容器二极管)缓冲器,作为替代,采用一个与开关并联的小型电容器,电源开关配有一个额外的同步引脚,用于开通SenseFET。在次级二极管截止之前,其工作与非连续电流反激方式基本相同。在初级二极管截止后,开关管漏极开始振铃动作,频率由串联的电容器和初级电感量所决定。同步引脚电压开始下降,当电压超过阈值时,开关再次闭合。选择合适的同步引脚元件,使得漏极电压达到最小值时,同步电压达到阈值。该系统为软开关型,具有很小的EMI,因为漏极电压很小,开关损耗也降至最低。但这里忽略了功率因数校正问题,因为在欧洲已经要求所有功耗超过75W的设备需进行功率因数校正。
有几种方法可实现功率因数校正,从简单的无源解决方案到较复杂和性能较好的有源解决方案。飞兆半导体的ML4803采用小型8引脚封装,集成了PFC和PWMSMPS控制器,在技术和成本具有相当的优势。现在已经有多种适合不同应用和功率范围的器件,使离线式开关电源的设计变得更为简单。




