有源滤波器的中心议题:
- 有源滤波器的原理及其结构
- 有源滤波器的拓扑结构及其应用
- 有源滤波器的发展趋势
- 并联型
- 串联型
- 混合型
1 引言
随着电力电子技术的迅猛发展和成熟,电力系统中的大型功率电子装置日益增多,在提高工业自动化水平和效益的同时,由于是各种使用传统相控整流技术的大容量非线性负荷,在运行过程中所产生的高谐波和低功率因数的运行状态,严重危害着电力系统的安全和电网供电质量。
传统的谐波抑制和无功补偿的方法是将电力无源滤波器与需补偿的非线性负载并联,为谐波提供一个低阻通路的同时也提供负载所需的无功功率。无源滤波器(PF)具有结构简单,使用方便,技术成熟以及成本低等优点。同时,它的缺点也很明显[1]: 1)它的补偿特性受电网及负载影响较大,其滤波效果依赖于电网和负载的参数,滤波特性较差;2)给电网带来一定隐患,可能发生电网与滤波器间的串、并联谐振;3)只能补偿固定的无功功率,对变化的无功功率不能进行精确的补偿,不能对谐波和无功实现动态补偿;4)所需储能元件的体积大。有源滤波器(APF, AcTIve POWER Filter)则有效的解决了无源滤波器的缺点。有源滤波器的补偿特性受电网及负载影响很小,不但避免了与电网发生串、并联谐振的危险,同时还可抑制串并联谐振的发生;实现了动态补偿,可以对频率和大小都变化的谐波以及变化的无功功率进行迅速的动态跟踪补偿;可以同时对谐波和无功进行补偿,且补偿无功的大小可做到连续调节,既可对一个谐波和无功源单独补偿,也可对多个谐波和无功源进行综合补偿;有源滤波器补偿无功功率时不需储能元件,补偿谐波时所需储能元件容量不大。
本文在介绍有源滤波器的基本原理和结构特点的基础上,介绍了有源滤波器拓扑结构的发展现状及其运用,最后展望了有源滤波器的发展前景。
2 有源滤波器的原理及其结构
有源滤波器是由一组开关器件和无源储能元件如电感和电容组成,其系统主要由指令电流运算电路和补偿电流发生电路两大部分组成。有源滤波器结构如图1。设负载电流 的高次谐波含量为 。它的基本工作原理是:检测补偿对象的电流(或电压),经过指令运算电路得到补偿电流的指令信号。该信号经控制器由补偿电流发生电路获得,补偿电流 与负载中的谐波电流 抵消,使电网的电流恢复为纯正弦波形;同时,有源滤波器发出基波无功电流,进行无功补偿。

图1 有源滤波器的结构
[page]
3 有源滤波器的拓扑结构及其应用
根据电力有源滤波器接入电网的方式,可将其系统构成分为三大类,即并联型[2-4],串联型[5,6]和混合型。
3.1 并联型有源滤波器
一般情况下,并联型有源滤波器有三种使用方式,单独使用方式、与PF混合使用方式以及注入电流方式。
3.1.1 并联APF单独使用方式
图2为单独使用方式的并联型有源滤波系统的构成拓扑。它是有源滤波器中最基本的形式,它可产生与负载谐波大小相等,方向相反的补偿电流,从而将电源侧电流补偿为正弦波。并联型有源滤波器主要用于感性电流源型负载的补偿,它也是工业上已投入运行最多的一种方案,但由于电源电压直接加在逆变桥上,因此对开关元件的电压等级要求高;负载谐波电流含量高时要求这种APF的容量必须很大,同时具备大的补偿容量和宽的补偿频带比较困难。

图2 单独使用的并联APF
3.1.2 与PF混合使用方式
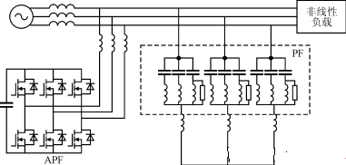
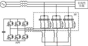
为克服单独使用时面临的缺点,并联型APF常常与PF混合使用。就与PF混合使用的形式来说又可分为两种:一种是有源电力滤波器与无源滤波器并联;另一种是有源电力滤波器与无源滤波器串联。图3(a)是并联型APF与PF并联的结构图。APF与PF并联接入电网,共同承担补偿谐波的任务。PF主要补偿较高次的谐波,是一个高通滤波器,它一方面用于消除补偿电流中因主电路中器件通断而引起的谐波,另一方面它可滤除补偿对象中次数较高的谐波,从而可降低对APF主电路中器件开关频率的要求。图3(b)为并联型APF与PF串联使用的结构图,该方式中,APF的用于改善PF的滤波特性,克服PF易受电网阻抗影响和易与电网阻抗发生谐振缺点。而谐波和无功主要由PF补偿,而这种方式中,APF不承受交流电源的基波电压,因此装置容量比较小。并联混合型有源电力滤波器具有安装、维护简单的优点, 可以直接在已有的无源滤波器上进行改造, 因此并联混合型电力有源滤波器的使用最为广泛。

图3(a)是并联型APF与PF并联的结构图

图3(b)为并联型APF与PF串联使用的结构图
3.1.3 注入电路方式
注入电路方式又可分为与LC串联谐振注入电路方式和与LC并联谐振注入电路方式两种。这种方式可降低APF的容量,它是用电感和电容构成注入回路,利用电感电容电路的谐振特性,使得APF只需承受很小部分的基波电压,从而使APF 容量减小。
3.2 串联型有源滤波器
串联型APF的包括单独使用方式和与无源滤波器混合使用方式两种。串联型APF的结构图如图4。这种装置相当于一个电压控制电压源,通过对电源电压中的谐波分量的检测,产生与之相反的附加电压信号,从而实现系统与谐波的隔离,使电源端电压恢复正弦波形。这种方式的特点是有源滤波器作为电压源串联在电源和基波源之间,它主要用于消除带电容二极管整流电路等,电压型谐波源负载对系统的影响,以及系统侧电压谐波与电压波动对敏感负载的影响。
与并联型APF相比,由于串联型APF中流过的是正常负荷电流,因此损耗较大;此外,串联型APF的投切,故障后的退出及各种?;ひ步喜⒘狝PF复杂。因此,目前应用较多的是串联型APF与PF混合使用方式。图5为这种方式的典型系统结构。该方案的特点是谐波基本由PF补偿,而APF作用只是改善PF的滤波特性。
[page]
3.3 混合型有源滤波器
混合型是指串联APF和并联APF的混合使用。如图6,串联的APFI将电源与负载隔离,阻止电源谐波电压传入负载端,同时也阻止了负载中的谐波电流污染电网;并联的APFII则提供了一个低阻抗的谐波电流支路,用于吸收负载中的谐波电流,阻止负载中的谐波电流在电源端产生额外的谐波电压。
这种混合型APF结合了串联型APF和并联型APF的优点,又称为统一电能质量调节器(UPQC)?;旌闲虯PF结构的主要缺点是控制方法复杂,成本较高。
4 有源滤波器的发展趋势
有源滤波器是改善供电质量,净化电网污染的一种有效装置,自从七十年代提出以来,有源滤波技术得到了长足的发展,越来越多的APF投入了运行,无论从现实功能还是运行功率上都有明显进步。目前,APF已经运用在提高电能质量,解决三相电力系统中终端电压调节,电压波动抑制,电压平衡改善以及谐波消除和无功补偿等问题上。从近年来的研究和应用[1-8]可以看出,有源滤波器的发展前景如下:
1)随着新型能源的发展,有源滤波器的运用范围得到极大扩展。特别是新型能源发电后并入电网时,有源滤波器可减少其对电网产生危害,如文献[8]介绍了一种可运用于太阳能发电的有源滤波器。
2)从成本和效率,以及扩大容量来说,APF与PF混合使用的有源滤波器系统将得到更加广泛得运用。
3)有源滤波器装置的多功能化也是其发展的一个方向。APF在消除高次谐波的同时,提高电力系统的稳定性,抑制闪变和补偿无功。这样既符合电力系统发展的需要,又从功能上降低了装置得成本。
5 结束语
本文在介绍有源滤波器的工作原理的基础上,分析了各种有源滤波器的结构特点,总结了有源滤波器的发展现状,展望了有源滤波器的发展趋势。
随着我国电力事业的发展,电能质量的要求将不断提高,利用有源滤波进行电能质量治理有着巨大的市场潜力。特别在补偿谐波、无功功率、中线电流、不平衡电流等方面,有源滤波技术必将拥有更加广阔的前景。





