设计LED驱动方案,如果电流大于500 mA,通常使用开关稳压器来驱动LED;若电流介于200 mA至500 mA之间,既可以采用开关稳压器,也可以采用线性稳压器;若电流低于200 mA,则可以采用线性稳压器,或分立器件方案,如电阻驱动电路。
就低于200 mA的低电流LED照明应用的驱动方案而言,线性稳压器或电阻驱动电路各有其优劣势。例如,线性稳压器结构比较简单,易于设计,提供稳流及过流?;?,具有外部电流设定点,且没有电磁兼容性(EMC)问题,但功率耗散和成本较高,而能效较低。电阻型驱动器利用电阻这样的简单分立器件来限制LED串电流,是最本最低的LED驱动方案,同样易于设计,且没有EMC问题,但这种方案的突出问题是输入电压变化时电流随之变化,从而引起亮度变化,不能保持恒定亮度。
从客户需求角度出发,市场上许多客户需要比线性稳压器经济、但在性能上又比电阻驱动电路高出许多的驱动方案。在这种背景下,安森美半导体运用正待批专利的自偏置晶体管(SBT)技术,结合自身超强的工艺控制能力,推出一种新的LED驱动方案——NSI45系列双端线性恒流稳压器(CCR)。
CCR的特性及应用优势
安森美半导体的CCR可以表征为可变电阻。随着CCR两端电压上升,内部阻抗也上升,从而维持接近稳流电流(Ireg)规格的电流。CCR还有负温度系数,故在CCR耗散功率(温度上升)时,内部阻抗增加,使电流减小。

图1:CCR结合电阻型驱动器与线性稳压器所长。
与电阻型驱动方案相比,安森美半导体的NSI45系列CCR具有突出的优势,例如交流电压增加时仍保持恒流、达到LED阈值电压后LED导通无延迟、低电压时LED保持明亮,以及保持LED免受电压浪涌影响等。此外,得益于CCR的恒流特性, 客户可以减少或消除源自不同供应商提供的不同LED的额外成本,降低系统总成本。
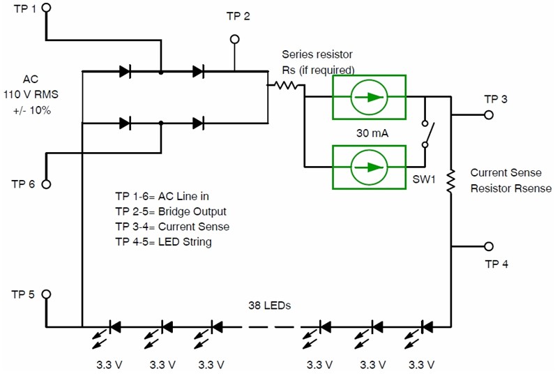
在各种低电流应用中,诸如装饰照明、工作灯、室外照明、景观照明、柜台照明和LED平板照明等建筑物和通用照明中,也可以直接采用交流电源供电。交流市电输入经过桥式整流后,只需要保证输入电压减去LED串总电压后所剩下的电压不超过CCR的最大阳极至阴极电压(VAK)即可,显示CCR非常易于用于设计。典型电路图参见图2。

图2:基本LED交流应用原理图。
CCR应用设计示例[page]
我们既可以采用CCR来开启新的设计,也可以采用CCR来修改既有设计。本文将主要以新设计为例,探讨采用SOT-223封装的CCR器件在110 Vac及220 Vac均方根(RMS)输入条件下在交流照明中的应用,简述其设计过程。由于全波桥整流的脉冲工作,稳态电流为30 mA的CCR在交流应用中的均方根电流为22 mA。CCR在交流电路中的工作电压范围为1.8 V至45 V。LED导通时间取决于LED串的正向压降(VF)。本应用的参考电路中,CCR导通时间约是峰值电压导通时间的一半。因此,约有50%的时间内LED处于导通状态。因此,LED均方根电流是稳流电流的约50%。
我们需要根据设计参数选定LED数量。设计参数是110 Vac RMS,±10%,HB LED (20 mA电流时VF为3.3 V)。先针对Vin=+10%(最大值)展开分析。
最大输入电压Vin (max)=110 V rms +10% = 120 V rms
整流峰值电压Vpeak=120 V rms x 1.414 =170 V
LED串总正向压降=170 V(peak Vin)-45 V(Vak max)=125 V (LED串VF )
故LED数量为:125 V/3.3 V=38 LED
再针对先针对Vin=-10%(最小值)展开分析。
测试最小输入电压Vin (min)=110 Vrms-10%=100 Vrms
整流峰值电压Vpeak=100 Vrmsx1.414=141 V
CCR阳极至阴极电压Vak=141 V-125 V=16 V
Vak范围将随着LED串中LED数量的变化而变化。另增3颗LED将使Vak范围设定为6 V到35 V。增加的HB LED提供更高的流明输出并减少CCR散热。

图3:CCR用于直接交流供电LED照明应用的电路图。
交流均方根电压经过全波整流后转换为频率为120 Hz的直流脉冲动。当这电压超过LED串与桥整流器正向压降之和时,CCR导通,控制电流,并将LED与峰值整流电压隔离开来。
根据图3,CCR的功率耗散计算公式如下:
P=(Vak rms)x(IREG*占空比)=(120 Vbr rms-(38x3.3 V LEDx0.707))x(30 mAx50%)
=31 V rms x 15 mA=465 mW
带面积100平方毫米、重量1盎司的铜散热片的SOT-223封装工作温度可达85℃。我们采用示波器测试了110 V±10%交流RMS输入条件下38颗串联LED应用电路板,稳流电流以100 Ω、精度1%的感测电阻来测量,相关迹线图详见参考设计方案(双端线性恒流稳压器CCR在交流供电低电流LED照明中的应用)。值得一提的是,CCR也可以并联工作,从而增加提供给电路的稳流电流。当然,CCR电流越大,电路的功率耗散也随之增加。
上述设计探讨的是110 Vac设计条件。当然,CCR同样也可以用于220 Vac设计,所要做的就是增加LED数量。LED数量的计算过程参照上述计算进行。
除了在新设计中使用CCR,也可以在既有设计中使用CCR,同样非常简单。我们假定这既有设计使用24颗LED(22 mA电流时VF为3.3 V),其它参数相同,即110 Vac RMS,±10%。为了将CCR保持在其工作电压限制范围(最大VAK为45 V)以内,我们需要在电路中增加一颗串联降压电阻(Rs),并计算其阻值。
同样,最大输入电压为120 V rms,整流峰值电压为170 V,而LED串正向压降为24x3.3 V= 79.2 V。因此,串联降压电阻所要求的电压降可用下述公式计算:
Vdrop, RS=Vpeak-(VF LEDs PK+VAK CCR pk+VRsense pk)
=170 V-(79.2 V+45 V+4V)=41.8 V
CCR峰值电流为34 mA;因此,Rs=41.8 V/0.034 A=1229 Ω。实际测试电路选择的是1200 Ω的Rs。因此,功率耗散为VxI=1.42 W pk或1.0 W RMS。
使用1200 Ω串联降压电阻来在最小输入电压条件下测试。这时整流峰值电压为100 Vrms x 1.414=142 V,故CCR Vak为141 V-(79.2 + 41.8 +4) =16 V,同样保持在工作电压限制范围以内。
总结:
在建筑物及通用照明等可以采用交流供电的低电流LED照明应用中,安森美半导体的NSI45系列双端线性恒流稳压器与普通线性稳压器相比成本更低,但性能上又比常见的电阻驱动电路方案高出许多,是一种高性价比及可靠的LED驱动方案,且设计过程非常简单,既可用于新设计,也可非常方便地用于修改既有设计。
您可能感兴趣的文章:



