桃花源qm花论坛(品茶),凤楼阁论坛官网入口网址,一品楼品凤楼论坛最新动态,风楼阁全国信息2024登录入口

你的位置:首页 > 电源管理 > 正文

不同电源供电及不同功率等级的LED照明解决方案

发布时间:2010-03-01 来源:安森美半导体

中心议题:

  • 安森美面向不同电源与不同应用的LED解决方案介绍

解决方案:

  • AC-DC LED照明解决方案
  • 功率高于50 W的AC-DC LED照明应用
  • 8 W-25 W AC-DC LED照明应用
  • DC-DC LED照明方案
  • LED手电筒驱动方案

LED照明的应用已经从传统的便携产品背光拓展至室内照明、室外照明及手电筒等应用。根据驱动电源的不同,LED照明通常可以划分为交流-直流(AC-DC) LED照明、直流-直流(DC-DC) LED照明电源以及电池供电的LED手电筒等不同类型,LED灯具及其功率也各不相同,如3 W PAR16、3×2 W PAR20、10 W/15 W PAR30、15 W/22 W PAR38、1 W G13、3 W GU10、1 W MR11、3 W MR16、3 W/9 W/15 W嵌灯、1 W LED阅读灯等。

AC-DC LED照明解决方案

安森美半导体在AC-DC电源供电的LED照明应用,提供各种离线控制器及功率因数校正(PFC)控制器,并配合隔离及非隔离要求提供不同的LED应用方案。

在交流线路电压与LED之间没有物理电气连接的隔离应用中,常见的拓扑结构有反激(Flyback)、正激(Forward)及双电感加单电容(LLC)半桥谐振。不同拓扑结构适合于不同的功率范围或是用于满足特别的设计要求。例如, 反激拓扑结构是小于100 W的中低功率应用的标准选择,而LLC半桥拓扑结构是高能效的首选。           
图1:不同功率范围的隔离型拓扑结构
图1:不同功率范围的隔离型拓扑结构。

AC-DC LED照明应用中,小功率的LED应用通常以恒流(CC)来驱动,而恒压(CV)功能是在输出开路的情况下作为?;すδ堋4蠊β实腖ED应用可能需要在电路中增加功率因数校正(PFC),其中的AC-DC转换与LED驱动两部分电路既可能采用整体式(integral)配置,即两者融合在一起,均位于照明灯具内,也可以采用分布式(distributed)配置,从而简化安全考虑,并增加系统灵活性。

从应用的具体功率范围来看,AC-DC LED照明应用主要包括:

  • 1 W-8 W:G13/GU10/PAR16/PAR20照明
  • 8W -25 W:PAR30/PAR38照明
  • 50 W-150 W:区域照明
  • 100 W-300 W:区域照明

1) 1 W-8 W AC-DC LED照明应用

这类应用要求的输入电压为90至264 Vac,能效达80%,同时提供短路?;?、过压?;さ缺;ぬ匦?,并提供350 mA、700 mA恒流,应用领域包括G13、GU10、PAR16、PAR20及嵌灯(downlight)等。

这类应用中可以采用安森美半导体的NCP1015自供电单片开关稳压器。这器件集成了固定频率(65/100/130 kHz)电流模式控制器和700 V的高压MOSFET,提供构建强固的低成本电源所需的全部特性,如软启动、频率抖动、短路?;?、跳周期、最大峰值电流设定点及动态自供电功能(无需辅助绕组)等。图1显示的是NCP1015在隔离型1 W-8 W范围AC-DC LED照明应用的电路示意图。指得一提的是,NCP1015同样可用于非隔离型(电路中不含高频变压器)1 W-8 W范围的AC-DC LED照明应用,电路中可以采用抽头(tapped)电感来提高MOSFET工作的占空比,并改善系统能效及电路性能。
图2:安森美半导体8 W LED驱动应用电路示电图(输入电压为85至264 Vac)。
图2:安森美半导体8 W LED驱动应用电路示电图(输入电压为85至264 Vac)[page]

2) 8 W-25 W AC-DC LED照明应用

美国能源部(DOE)“能源之星”(ENERGYSTAR™)固态照明(SSL)规范中规定任何功率等级皆须强制提供功率因数校正(PFC)。这标准适用于一系列特定产品,如嵌灯、橱柜灯及台灯,其中,住宅应用的LED驱动器功率因数须大于0.7,而商业应用中则须大于0.9。但这标准属于自愿性标准,即可以选择不遵从或是遵从。

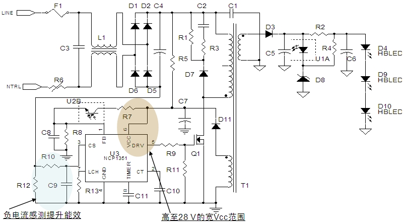
相应地,在8 W-25 W AC-DC LED照明应用中,我们考虑两种情况,一种是应用没有功率因数要求,即不需采用PFC控制器,另一种是要求采用PFC控制器。在不需要PFC的应用中,我们假定输入电压规格为90~132 Vac或180~264Vac(或通用输入),能效达85%,提供短路保护及开路?;さ缺;ぬ匦?,输出电流为350 mA、700 mA及1 A恒流,相应地可以采用安森美半导体的NCP1028或NCP1351。其中,NCP1028是一款增强型单片开关稳压器,适用于在通用主电源输入的应用中提供数瓦至15 W的输出功率。NCP1028的导通阻抗比NCP101x更低,提供800 mA峰值电流,具备NCP101x的诸多特性,此外还提供过功率?;ぁ⒛谥眯逼虏钩ゼ笆淙肭费贡;さ忍匦?。NCP1351则是一款固定导通时间、可变关闭时间脉宽调制(PWM)控制器,适用于成本至关重要的低功率离线反激开关电源应用。这器件支持频率反走,还具有闩锁输入、自然的频率抖动、负电流感测及扩展的电源电压范围等特性。图3显示的是90至264 Vac输入条件下基于NCP1351的8 W-25 W LED照明方案。
图3:基于NCP1351的8 W至25 W AC-DC LED照明应用电路示意图
图3:基于NCP1351的8 W至25 W AC-DC LED照明应用电路示意图。
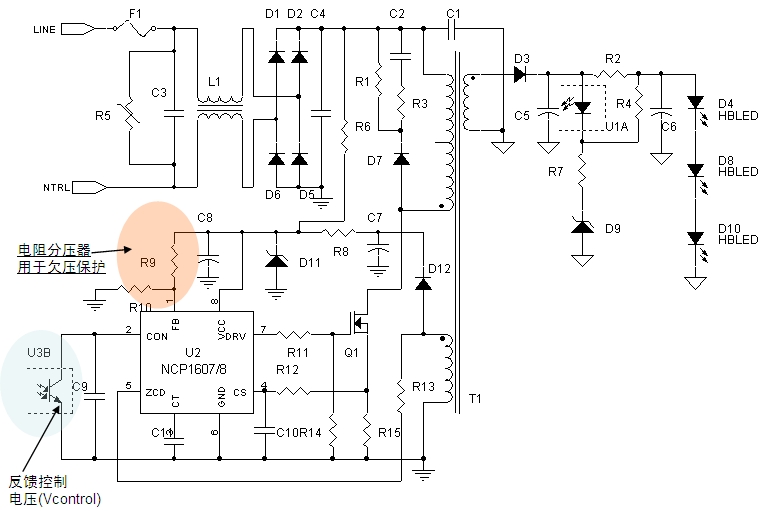
图4:基于NCP1607/8 PFC控制器的8 W-25 W AC-DC LED照明应用示意图
图4:基于NCP1607/8 PFC控制器的8 W-25 W AC-DC LED照明应用示意图。

需要PFC的8 W-25 W AC-DC LED照明应用中,假定输入电压规格为90至264 Vac,功率因数高于0.9,能效达80%,提供短路及过功率?;?,输出电流同样有350 mA、700 mA和1 A等不同选择。在这类应用中,可以采用安森美半导体的NCP1607或NCP1608 PFC控制器。NCP1607是一款高性价比的临界导电模式(CrM) PFC控制器。这器件与业界标准引脚对引脚兼容,简化工程师的设计??傻鹘诘墓贡;?OVP)及环路开路?;さ裙δ芤苍銮苛松杓屏榛钚约扒抗绦浴M?展示的是NCP1607/NCP1608在85至135 Vac或185至264 Vac输入条件下的LED照明应用方案。 [page]

 3) 功率高于50 W的AC-DC LED照明应用

功率高于50 W的AC-DC LED应用广泛用于街道照明及大功率区域照明,可以采用不同的LED方案,用于50 W-150 W或100W -200 W的功率范围。假定其输入电压规格为90至264 Vac,功率因数高于0.95,能效达85%,提供短路及过压?;?,及350 mA、700 mA和1 A的恒流输出。

此类应用可以采用下述不同方案,适合不同应用要求:

  • NCP1652:改进型单段式PFC
  • NCP1607/8+NCP1377:临界导电模式PFC+准谐振电流模式PWM
  • NCP1607/8+NCP1396:临界导电模式PFC+高性能半桥LLC PWM
  • NCP1901:最新型单段式PFC(PFC+半桥谐振)


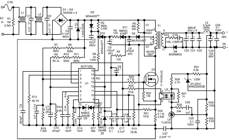
图5:基于NCP1652单段式PFC控制器的50 W-150 W AC-DC LED方案
图5:基于NCP1652单段式PFC控制器的50 W-150 W AC-DC LED方案

例如,在50 W-150 W的AC-DC LED应用中,既可以采用NCP1652这样的改进型单段式PFC控制器,也可以结合采用NCP1607/8 PFC控制器及NCP1377准谐振(QR)模式PWM控制器。其中,NCP1377结合了真正的电流模式调制器和退磁检测器,确保任何负载/线路条件下提供完整的CrM工作,并确保最低的漏电压开关(准谐振工作)。NCP1652驱动带有可编程死区时间的信号,支持有源钳位或同步整流,提供优化的能效。这器件还具有输入欠压?;?、过压保护、过流保护等?;ぬ匦?,支持频率抖动、跳周期及临界导电模式(CrM)/不连续导电模式(DCM)工作。基于NCP1652、采用85至135 Vac或185至264 Vac输入的50 W-150 W AC-DC LED方案的示意图如图5所示。

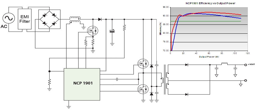
50 W以上功率的AC-DC LED照明应用如果需要更高能效的LED电源,则需要高能效的LED照明拓扑结构,往往从反激式拓扑结构转向谐振半桥拓扑结构,以充分发挥零电压开关(ZVS)技术的优势。NCP1396及NCP1901均是安森美半导体开发的LED电源用高能效谐振模式半桥方案。图6显示的是基于NCP1901的最新型半桥谐振+PFC LED方案,输入电压为90至264 Vac,功率100 W至200 W,其中半桥段工作在固定频率以及固定占空比,用于降低开关损耗。
图6:基于NCP1901的100W-200 W AC-DC LED照明方案
图6:基于NCP1901的100W-200 W AC-DC LED照明方案[page]

DC-DC LED照明方案

采用DC-DC电源供电的LED照明应用中,常见具体应用包括1 W-3 W MR11/MR16降压LED灯泡、1 W-20 W升压LED驱动器和20 W-60 W大功率LED驱动器。

其中,在1 W-3 W DC-DC LED照明应用中,可以采用安森美半导体的CAT4201降压LED驱动器,这器件兼容于12 V及24 V系统,提供达350 mA的LED驱动电流,能够在24 V系统中驱动7个串联的LED,能效高达94%。这器件采用专利的开关控制架构,帮助降低系统成本,支持CrM工作并提升能效。CAT4201还提供限流、热?;ぜ癓ED开路保护等全面的?;ぬ匦浴?/p>

而在功率范围达1 W-20 W的DC-DC升压LED应用中,可以采用安森美半导体的NCP3065/6或NCV3065/6(汽车应用版本)降压、升压、单端初级电感转换器(SEPIC)及逆变多模LED驱动器,并选择其中的升压配置模式。另外,功率范围达20 W-60 W的DC-DC升压LED应用中可以采用安森美半导体的NCP1034同步降压PWM控制器。
图7:基于NCP1421及NCP1529的LED手电筒升压和降压方案
图7:基于NCP1421及NCP1529的LED手电筒升压和降压方案。

LED手电筒驱动方案

手电筒DC-DC LED照明方案包括升压型及降压型两种。1 W-3 W的升压型DC-DC LED手电筒应用中可以采用带真关闭功能的NCP1421升压DC-DC转换器,而1 W-3 W的降压LED手电筒应用中可以采用NCP1529低压降压转换器,二者的应用示意图见图7。

要采购手电筒么,点这里了解一下价格!
特别推荐
技术文章更多>>
技术白皮书下载更多>>
热门搜索

关闭

?

关闭