- 双开关正激转换器更易于实现
- 探讨双开关正激转换器在低待机能耗应用中的设计
- 比较三次绕组、RCD钳位及双开关正激等常见的磁芯复位技术;
- 分析双开关正激转换器的优势
- 基于双开关正激磁芯复位技术的NCP1252固定频率控制器
摘要:与三次绕组和RCD钳位等常见变压器磁芯复位技术相比,双开关正激技术不需要特殊的复位电路,更易于实现,且保证可靠的磁芯复位,适用的功率等级比单开关正激技术更高。安森美半导体的NCP1252是一款增强型双开关正激转换器,具有可调节开关频率及跳周期模式,带闩锁过流?;さ榷嘀直;ぬ匦?,适合计算机ATX电源、交流适配器、UC38xx替代及其它任何需要低待机能耗的应用。


[page]
1) 变压器匝数比、占空比及励磁电感
首先计算变压器在连续导电模式(CCM)下的匝数比N。
根据等式(1)可以推导出等式(2):

其中,Vout是输出电压,η是目标能效,Vbulk min是最小输入电压(即350 Vdc),DCmax是NCP1252的最大占空比,N是变压器匝数比。
相应我们也可以验证出高输入线路电压(410 Vdc)时最小占空比,见等式(3):


2) LC输出滤波器
首先选择交越频率(fC)。因开关噪声缘故,fC大于10 kHz时要求无噪声布线,难于设计。故不推荐在较高的频率交越,直接选定fC为10 kHz。
如果我们假定由fC、输出电容(Cout)及最大阶跃负载电流(ΔIout)确定出ΔIout 时的最大压降(Vout)为250 mV,我们就能写出下述等式:

我们选择的是2颗松下FM系列的1,000 µF@16V 电容。从电容规范中解析出:
Ic,rms=5.36 A @ TA=+105 ℃RESR,low = 8.5 mW @ TA = +20 ℃
RESR,high = 28.5 mW @ TA = -10 ℃
接下来,以ΔIout = 5 A 来计算ΔVout ,见等式(7):

这里有一个经验法则,就是选择等式(6)计算出来的值一半的等效串联电阻(ESR)电容:RESR,max = 22 mW @ 0 ℃。这个规则考虑到了电容工艺变化,以及留出一些电源在极低环境温度条件下启动工作时的裕量。
最大峰值到峰值电流(ΔIL)的计算见等式(8):

要获取输出电感值,我们能够写出关闭时间期间的降压纹波电流等式:

对等式(9)进行转换,就可以得到等式(10),最终我们选择27 µH的标准值。

输出电容的均方根电流(ICout,rms)计算见等式(11):

其中,额定电感时间常数(τ)的计算见等式(12):

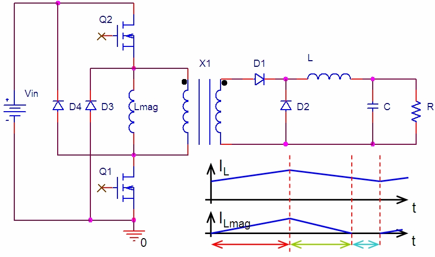
3) 变压器电流
经过一系列计算(详细计算过程参见参考资料3),可以得到:次级峰值电流(IL_pk)为11.13 A,次级谷底电流(IL_valley)为8.86 A,初级峰值电流(Ip_pk)为0.95 A,初级谷底电流(Ip_valley)为0.75 A,初级均方根电流(Ip,rms)为0.63 A。
4) MOSFET
由于NCP1252是双开关正激转换器,故作为开关的功率MOSFET的最大电压限制为输入电压。通常漏极至源极击穿电压(BVDSS)施加了等于15%的降额因数,如果我们选择500 V的功率MOSFET,降额后的最大电压应该是:500 V x 0.85 = 425 V。我们选择的功率MOSFET是采用TO220封装的FDP16N50,其BVDSS为500 V,导通阻抗(RDS(on))为0.434 Ω(@Tj=110℃),总门电荷(QG)为45 nC,门极至漏极电荷(QGD)为14 nC。
MOSFET的导电损耗、开关导通损耗计算见等式(13)到(14):

其中,交迭时间(Δt)由下列等式计算得出:

MOSFET的开关关闭损耗见等式(16):

其中,交迭时间(Δt)由下列等式计算得出:

因此,MOSFET的总损耗为:

5) 二极管
次极二极管D1和D2维持相同的峰值反相电压(PIV),结合二极管降额因数(kD)为40%,可以计算出PIV,见等式(19):

由于PIV<100 V,故能够选择30 A、60 V、TO-220封装的肖特基二极管MBRB30H60CT。
二极管导通时间期间的导电损耗为:

关闭时间期间的导电损耗为:

NCP1252应用设计:NCP1252元件计算
1) 用于选择开关频率的电阻Rt
采用一颗简单电阻,即可在50至500 kHz范围之间选择开关频率(FSW)。假定开关频率为125 kHz,那么我们就可以得到:

其中,VRt是Rt引脚上呈现的内部电压参考(2.2 V)。
2) 感测电阻
NCP1252的最大峰值电流感测电压达1 V。感测电阻(Rsense)以初级峰值电流的20%余量来计算,其中10%为励磁电流,10%为总公差:

3) 斜坡补偿
斜坡补偿旨在防止频率为开关频率一半时出现次斜坡振荡,这时转换器工作在CCM,占空比接近或高于50%。由于是正激拓扑结构,重要的是考虑由励磁电厂所致的自然补偿。根据所要求的斜坡补偿(通常为50%至100%),仅能够外部增加斜坡补偿与自然补偿之间的差值。
目标斜坡补偿等级为100%。相关计算等式如下:
内部斜坡:

初级自然斜坡:

次级向下斜坡:

自然斜坡补偿:

由于自然斜坡补偿低于100%的目标斜坡补偿,我们需要计算约33%的补偿:


由于RcompCCS网络滤波需要约220 ns的时间常数,故:

4) 输入欠压电阻
输入欠压(BO)引脚电压低于VBO参考时连接IBO电流源,从而产生BO磁滞。

NCP1252演示板图片及性能概览
NCP1252演示板的详细电路图参见参考资料2,其顶视图和底视图则见图3。





