中心议题:
- 低压大电流开关电源电路的设计
解决方案:
- 采用磁复位电路有源钳位技术控制磁饱和
- 使用功率MOSFET整流
- 在栅极上接稳压管避免击穿
开关电源是利用现代电力电子技术,控制开关晶体管开通和关断的时间比率,维持稳定输出电压的一种电源。从上世纪90年代以来开关电源相继进入各种电子、电器设备领域,计算机、程控交换机、通讯、电子检测设备电源、控制设备电源等都已广泛地使用了开关电源。
随着电源技术的发展,低电压,大电流的开关电源因其技术含量高,应用广,越来越受到人们重视。在开关电源中,正激和反激式有着电路拓扑简单,输入输出电气隔离等优点,广泛应用于中小功率电源变换场合。跟反激式相比,正激式变换器变压器铜损较低,同时,正激式电路副边纹波电压电流衰减比反激式明显,因此,一般认为正激式变换器适用在低压,大电流,功率较大的场合。
有源钳位技术
正激DC/DC变换器其固有缺点是功率晶体管截止期间高频变压器必须磁复位。以防变压器铁心饱和,因此必须采用专门的磁复位电路。通常采用的复位方式有三种,即传统的附加绕组法、RCD钳位法、有源钳位法。
三种方法各有优缺点:磁复位绕组法正激变换器的优点是技术成熟可靠,磁化能量可无损地回馈到直流电路中去,可是附加的磁复位绕组使变压器结构复杂化,变压器漏感引起的关断电压尖峰需要RC缓冲电路来抑制,占空比D<0.5,功率开关管承受的电压应力与输入电源电压成正比。
RCD钳位正激变换器的优点是磁复位电路简单,占空比D可以大于0.5,功率开关管承受电压应力较低,但大部分磁化能量消耗在钳位电阻中,因此它一般适用于变换效率不高且价廉的电源变换场合。
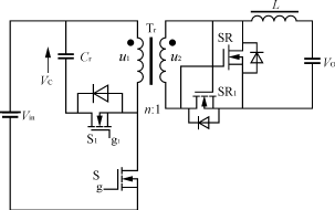
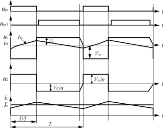
有源钳位技术是三种技术中效率最高的技术,它的电路图如图1所示,工作原理如图2所示。在DT时段之前,开关管S1导通,激磁电流iM为负,即从Cr通过S1流向Tr,在DT阶段,开关管S的驱动脉冲ugs使其导通,同时ugs1=0,使S1关断,在Vin的作用下,激磁电流由负变正,原边功率通过变压器传到副边,给输出端电感L充电;在(1-D)T时段,ugs=0,S关断,ugs1到来使S1导通,iM通过S1的反并二极管向Cr充电,在Cr和Tr漏感构成的谐振电路的作用下,iM由正变负,变压器反向激磁。
从以上分析中可以看出:有源钳位正激变换器变压器铁心工作在双向对称磁化状态,提高了铁心利用率,钳位电容的稳态电压随开关占空比而自动调节,因而占空比可大于50%;Vo一定时,主开关、辅助开关应力随Vin的变化不大;所以,在占空比和开关应力允许的范围内,能够适应较大输入电压变化范围的情况。不足之处是增加了一个管子,使得电路变得复杂。

图1有源钳位同步整流正激式电路图[page]

图2有源钳位电路工作原理图
同步整流技术
在低电压大电流功率变换器中,若采用传统的普通二极管或肖特基二极管整流由于其正向导通压降大(低压硅二极管正向压降约0.7V,肖持基二极管正向压降约0.45V,新型低电压肖特基二极管可达0.32V),整流损耗成为变换器的主要损耗,无法满足低电压大电流开关电源高效率,小体积的需要。
MOSFET导通时的伏安特性为一线性电阻,称为通态电阻RDS,低压MOSFET新器件的通态电阻很小,如:IRL3102(20V,61A)、IRL2203S(30V,116A)、IRL3803S(30V,100A)通态电阻分别为0.013Ω、0.007Ω和0.006Ω,它们在通过20A电流时,通态压降不到0.3V。
另外,功率MOSFET开关时间短,输入阻抗高,这些特点使得MOSFET成为低电压大电流功率变换器首选的整流器件。功率MOSFET是一种电压型控制器件,它作为整流元件时,要求控制电压与待整流电压的相位保持同步才能完成整流功能,故称为同步整流电路。图1为典型的降压型“同步”开关变换器电路(当电路中无SR时,为“普通”的降压型开关变换器电路)。
电路的设计
所设计的电源参数如下:输入电压为50(1±10%)V,输出电压为3.3V,电流为20A,工作频率为100kHz。
采用的主电路拓扑如图1所示。由于有源钳位采用的是FLYBACK型钳位电路,它的钳位电容电压为:
Vc=Vin
所选用的控制IC芯片为UC3844,它的最大占空比为50%,所以电容上的电压最大为Vin,电容耐压为60V以上,只要选取足够大即可保证电路能正常工作,本电路所选取的钳位电容为47μF/100V。
有源钳位管S1的驱动必须跟变压器原边的地隔离开,而且S1的驱动信号必须跟开关管S驱动信号反相,使用UCC3580可以实现两个管子的驱动,可是这个芯片并不常见,因而这里选用UC3844跟IR2110组合。UC3844出来的控制信号用来作为IR2110的低端输入,其反相信号作为IR2110的高端输入,IR2110的高端驱动通过内部自举电路来实现隔离。这样,我们就达到了驱动两个开关管的目的。
在输出整流电路中,当续流二极管(即SR的反并二极管)受正向电压导通时,应及时驱动SR导通,以减小压降和损耗。但为了避免SR与SR1同时导通,造成短路事故,必须有“死区”时间,这时仍靠二极管D导通。SR的开关瞬时要与续流二极管的通断瞬时密切配合,因此对开关速度要求很高。另外,从成本综合考虑,选用IRL3102。
变压器的设计跟一般正激式变换器变压器设计差不多,只是要考虑同步整流管的驱动。所选用的同步整流管的驱动开通电压为4V左右,电路输出电压为3.3V,输出端相当于一个降压型电路,占空比最大为0.5,所以变压器副边电压至少为6.6V。因为MOSFET的栅-源间的硅氧化层耐压有限,一旦被击穿则永久损坏,所以实际上栅-源电压最大值在20~30V之间,如电压超过20V,应该在栅极上接稳压管。[page]
实验结果和波形分析
开关管S1和S的Uds波形如图3所示,RefA为S管压降波形,50V/div,RefB为S1管压降波形,50V/div。电路此时工作在Vin=60V左右,S1和S的开关应力大概为120V,D=0.5左右。图4为变压器输出电压,也就是同步整流管SR1和SR的驱动信号,正的部分为SR的驱动信号,负的部分为SR1的驱动信号。实验所得波形和分析的波形基本吻合,只是在开关转换瞬间,电压有小尖峰,这是由电路的杂散参数引起的。该电路的工作效率经过测量大约在90%左右,基本达到设计的要求。

图3开关管S和S1的uds波形

图4同步整流管的驱动波形
3.3V/20A的开关电源的设计表明,有源逆变加同步整流电路用在低压大电流的正激式电路设计中,不加PFC电路时,能够取得很高的效率。



