- 介绍正激式变压器开关电源
- 正激式变压器开关电源的优缺点
- 正激式变压器开关电源电路参数的计算
- 正激式开关电源变压器初级线圈匝数的计算
- 变压器初、次级线圈匝数比的计算
正激式变压器开关电源
正激式变压器开关电源输出电压的瞬态控制特性和输出电压负载特性,相对来说比较好,因此,工作比较稳定,输出电压不容易产生抖动,在一些对输出电压参数要求比较高的场合,经常使用。
正激式变压器开关电源工作原理

所谓正激式变压器开关电源,是指当变压器的初级线圈正在被直流电压激励时,变压器的次级线圈正好有功率输出。
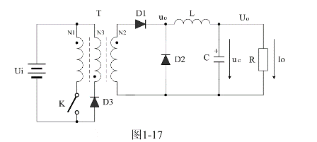
图1-17是正激式变压器开关电源的简单工作原理图,图1-17中Ui是开关电源的输入电压,T是开关变压器,K是控制开关,L是储能滤波电感,C是储能滤波电容,D2是续流二极管,D3是削反峰二极管,R是负载电阻。
在图1-17中,需要特别注意的是开关变压器初、次级线圈的同名端。如果把开关变压器初线圈或次级线圈的同名端弄反,图1-17就不再是正激式变压器开关电源了。
我们从(1-76)和(1-77)两式可知,改变控制开关K的占空比D,只能改变输出电压(图1-16-b中正半周)的平均值Ua ,而输出电压的幅值Up不变。因此,正激式变压器开关电源用于稳压电源,只能采用电压平均值输出方式。
图1-17中,储能滤波电感L和储能滤波电容C,还有续流二极管D2,就是电压平均值输出滤波电路。其工作原理与图1-2的串联式开关电源电压滤波输出电路完全相同,这里不再赘述。关于电压平均值输出滤波电路的详细工作原理,请参看“1-2.串联式开关电源”部分中的“串联式开关电源电压滤波输出电路”内容。
正激式变压器开关电源有一个最大的缺点,就是在控制开关K关断的瞬间开关电源变压器的初、次线圈绕组都会产生很高的反电动势,这个反电动势是由流过变压器初线圈绕组的励磁电流存储的磁能量产生的。因此,在图1-17中,为了防止在控制开关K关断瞬间产生反电动势击穿开关器件,在开关电源变压器中增加一个反电动势能量吸收反馈线圈N3绕组,以及增加了一个削反峰二极管D3。
反馈线圈N3绕组和削反峰二极管D3对于正激式变压器开关电源是十分必要的,一方面,反馈线圈N3绕组产生的感应电动势通过二极管D3可以对反电动势进行限幅,并把限幅能量返回给电源,对电源进行充电;另一方面,流过反馈线圈N3绕组中的电流产生的磁场可以使变压器的铁心退磁,使变压器铁心中的磁场强度恢复到初始状态。
由于控制开关突然关断,流过变压器初级线圈的励磁电流突然为0,此时,流过反馈线圈N3绕组中的电流正好接替原来励磁电流的作用,使变压器铁心中的磁感应强度由最大值Bm返回到剩磁所对应的磁感应强度Br位置,即:流过反馈线圈N3绕组中电流是由最大值逐步变化到0的。由此可知,反馈线圈N3绕组产生的感应电动势在对电源进行充电的同时,流过反馈线圈N3绕组中的电流也在对变压器铁心进行退磁。
[page]图1-18是图1-17中正激式变压器开关电源中几个关键点的电压、电流波形图。图1-18-a)是变压器次级线圈N2绕组整流输出电压波形,图1-18-b)是变压器次级线圈N3绕组整流输出电压波形,图1-18-c)是流过变压器初级线圈N1绕组和次级线圈N3绕组的电流波形。
图1-17中,在Ton期间,控制开关K接通,输入电源Ui对变压器初级线圈N1绕组加电,初级线圈N1绕组有电流i1流过,在N1两端产生自感电动势的同时,在变压器次级线圈N2绕组的两端也同时产生感应电动势,并向负载提供输出电压??乇溲蛊鞔渭断呷κ涑龅缪勾笮∮桑?-63)、(1-69)、(1-76)、(1-77)等式给出,电压输出波形如图1-18-a)。
图1-18-c)是流过变压器初级线圈电流i1的波形。流过正激式开关电源变压器的电流与流过电感线圈的电流不同,流过正激式开关电源变压器中的电流有突变,而流过电感线圈的电流不能突变。因此,在控制开关K接通瞬间流过正激式开关电源变压器的电流立刻就可以达到某个稳定值,这个稳定电流值是与变压器次级线圈电流大小相关的。如果我们把这个电流记为i10,变压器次级线圈电流为i2,那么就是:i10 = n i2 ,其中n为变压器次级电压与初级电压比。
另外,流过正激式开关电源变压器的电流i1除了i10之外还有一个励磁电流,我们把励磁电流记为?i1。从图1-18-c)中可以看出,?i1就是i1中随着时间线性增长的部份,励磁电流?i1由下式给出:

当控制开关K由接通突然转为关断瞬间,流过变压器初级线圈的电流i1突然为0,由于变压器铁心中的磁通量 不能突变,必须要求流过变压器次级线圈回路的电流也跟着突变,以抵消变压器初级线圈电流突变的影响,要么,在变压器初级线圈回路中将出现非常高的反电动势电压,把控制开关或变压器击穿。
如果变压器铁心中的磁通 产生突变,变压器的初、次级线圈就会产生无限高的反电动势,反电动势又会产生无限大的电流,而电流又会抵制磁通的变化,因此,变压器铁心中的磁通变化,最终还是要受到变压器初、次级线圈中的电流来约束的。
因此,控制开关K由接通状态突然转为关断,变压器初级线圈回路中的电流突然为0时,变压器次级线圈回路中的电流i2一定正好等于控制开关K接通期间的电流i2(Ton+),与变压器初级线圈励磁电流?i1被折算到变压器次级线圈的电流之和。但由于变压器初级线圈中励磁电流?i1被折算到变压器次级线圈的电流?i1/n的方向与原来变压器次级线圈的电流i2(Ton+)的方向是相反的,整流二极管D1对电流?i1/n并不导通,因此,电流?i1/n只能通过变压器次级线圈N3绕组产生的反电动势,经整流二极管D3向输入电压Ui进行反充电。
在Ton期间,由于开关电源变压器的电流的i10等于0,变压器次级线圈N2绕组回路中的电流i2自然也等于0,所以,流过变压器次级线圈N3绕组中的电流,只有变压器初级线圈中励磁电流?i1被折算到变压器次级线圈N3绕组回路中的电流i3 (等于?i1/n),这个电流的大小是随着时间下降的。[page]
一般正激式开关电源变压器的初级线圈匝数与次级反电动势能量吸收反馈线圈N3绕组的匝数是相等的,即:初、次级线圈匝数比为:1 :1 ,因此,?i1 = i3 。图1-18-c)中,i3用虚线表示。
图1-18-b)正激式开关电源变压器次级反电动势能量吸收反馈线圈N3绕组的电压波形。这里取变压器初、次级线圈匝数比为:1 :1,因此,当次级线圈N3绕组产生的反电动势电压超过输入电压Ui时,整流二极管D3就导通,反电动势电压就被输入电压Ui和整流二极管D3进行限幅,并把限幅时流过整流二极管的电流送回供电回路对电源或储能滤波电容进行充电。
精确计算电流i3的大小,可以根据(1-80)式以及下面方程式求得,当控制开关K关闭时:


上式中右边的第一项就是流过变压器初级线圈N1绕组中的最大励磁电流被折算到次级线圈N3绕组中的电流,第二项是i3中随着时间变化的分量。其中n为变压器次级线圈与初级线圈的变压比。值得注意的是,变压器初、次级线圈的电感量不是与线圈匝数N成正比,而是与线圈匝数N2成正比。由(1-82)式可以看出,变压器次级线圈N3绕组的匝数增多,即:L3电感量增大,变压器次级线圈N3绕组的电流i3就变小,并且容易出现断流,说明反电动势的能量容易释放完。因此,变压器次级线圈N3绕组匝数与变压器初级线圈N1绕组匝数之比n最好大于一或等于一。
当N1等于N3时,即:L1等于L3时,上式可以变为:

(1-83)式表明,当变压器初级线圈N1绕组的匝数与次级线圈N3绕组的匝数相等时,如果控制开关的占空比D小于0.5,电流i3是不连续的;如果占空比D等于0.5,电流i3为临界连续;如果占空比D大于0.5,电流i3为连续电流。
这里顺便说明,在图1-17中,最好在整流二极管D1的两端并联一个高频电容(图中未画出)。其好处一方面可以吸收当控制开关K关断瞬间变压器次级线圈产生的高压反电动势能量,防止整流二极管D1击穿;另一方面,电容吸收的能量在下半周整流二极管D1还没导通前,它会通过放电(与输出电压串联)的形式向负载提供能量。这个并联电容不但可以提高电源的输出电压(相当于倍压整流的作用),还可以大大地减小整流二极管D1的损耗,提高工作效率。同时,它还会降低反电动势的电压上升率,对降低电磁辐射有好处。[page]
正激式变压器开关电源的优缺点
为了表征各种电压或电流波形的好坏,一般都是拿电压或电流的幅值、平均值、有效值、一次谐波等参量互相进行比较。在开关电源之中,电压或电流的幅值和平均值最直观,因此,我们用电压或电流的幅值与其平均值之比,称为脉动系数S;也有人用电压或电流的有效值与其平均值之比,称为波形系数K。
因此,电压和电流的脉动系数Sv、Si以及波形系数Kv、Ki分别表示为:




上面4式中,Sv、Si、Kv、Ki分别表示:电压和电流的脉动系数S,和电压和电流的波形系数K,在一般可以分清楚的情况下一般都只写字母大写S或K。脉动系数S和波形系数K都是表征电压或者电流好坏的指标,S和K的值,显然是越小越好。S和K的值越小,表示输出电压和电流越稳定,电压和电流的纹波也越小。
正激式变压器开关电源正好是在变压器的初级线圈被直流电压激励时,变压器的次级线圈向负载提供功率输出,并且输出电压的幅度是基本稳定的,此时尽管输出功率不停地变化,但输出电压的幅度基本还是不变,这说明正激式变压器开关电源输出电压的瞬态控制特性相对来说比较好;只有在控制开关处于关断期间,功率输出才全部由储能电感和储能电容两者同时提供,此时输出电压虽然受负载电流的影响,但如果储能电容的容量取得比较大,负载电流对输出电压的影响也很小。
另外,由于正激式变压器开关电源一般都是选取变压器输出电压的一周平均值,储能电感在控制开关接通和关断期间都向负载提供电流输出,因此,正激式变压器开关电源的负载能力相对来说比较强,输出电压的纹波比较小。如果要求正激式变压器开关电源输出电压有较大的调整率,在正常负载的情况下,控制开关的占空比最好选取在0.5左右,或稍大于0.5,此时流过储能滤波电感的电流才是连续电流。当流过储能滤波电感的电流为连续电流时,负载能力相对来说比较强。
当控制开关的占空比为0.5时,正激式变压器开关电源输出电压uo的幅值正好等于电压平均值Ua的两倍,流过滤波储能电感电流的最大值Im也正好是平均电流Io(输出电流)的两倍,因此,正激式变压器开关电源的电压和电流的脉动系数S都约等于2,而与反激式变压器开关电源的电压和电流的脉动系数S相比,差不多小一倍,说明正激式变压器开关电源的电压和电流输出特性要比反激式变压器开关电源好很多。[page]
正激式变压器开关电源的缺点也是非常明显的。其中一个是电路比反激式变压器开关电源多用一个大储能滤波电感,以及一个续流二极管。此外,正激式变压器开关电源输出电压受占空比的调制幅度,相对于反激式变压器开关电源来说要低很多,这个从(1-77)和(1-78)式的对比就很明显可以看出来。因此,正激式变压器开关电源要求调控占空比的误差信号幅度比较高,误差信号放大器的增益和动态范围也比较大。
另外,正激式变压器开关电源为了减少变压器的励磁电流,提高工作效率,变压器的伏秒容量一般都取得比较大(伏秒容量等于输入脉冲电压幅度与脉冲宽度的乘积,这里用US来表示),并且为了防止变压器初级线圈产生的反电动势把开关管击穿,正激式变压器开关电源的变压器要比反激式变压器开关电源的变压器多一个反电动势吸收绕组,因此,正激式变压器开关电源的变压器的体积要比反激式变压器开关电源的变压器的体积大。
正激式变压器开关电源还有一个更大的缺点是在控制开关关断时,变压器初级线圈产生的反电动势电压要比反激式变压器开关电源产生的反电动势电压高。因为一般正激式变压器开关电源工作时,控制开关的占空比都取在0.5左右,而反激式变压器开关电源控制开关的占空比都取得比较小。
正激式变压器开关电源在控制开关关断时,变压器初级线圈两端产生的反电动势电压是由流过变压器初级线圈的励磁电流产生的。因此,为了提高工作效率和降低反电动势电压的幅度,尽量减小正激式开关电源变压器初级线圈的励磁电流是值得考虑的。
当控制开关的占空比为0.5时,在控制开关关断时刻,电源变压器初级会产生反电动势,反电动势产生的电流方向与输入电压Ui产生的电流方向相同,因此,控制开关两端的电压正好等于输入电压Ui与反电动势Up-之和,即:

式中Ukp为控制开关关断时刻,控制开关两端的电压;Up-为变压器初级线圈产生反电动势电压的峰值。根据(1-68)式和图1-16-b可知,Up-一般都大于输入电压Ui,因此Ukp大于两倍Ui。
一般正激式变压器开关电源都设置有一个反电动势能量吸收回路,如图1-17中的变压器反馈线圈N3绕组和整流二极管D3,此时,反电动势电压的峰值一般都被限幅到输入电压Ui的值,如果不考虑变压器初、次级线圈的漏感,则(1-88)式可以改写为:
这个电压对于电源开关管来说是很高的。例如电源输入电压为交流220伏,经整流滤波后其最大值就是311伏,根据(1-89)式可求得Uk = 622伏;如果输入电压为交流253伏(±15%),那么,可以求得Ukp = 715伏,这还不算变压器初级线圈漏感产生的反电动势电压。一般图1-17中的变压器反馈线圈N3绕组和整流二极管D3,对变压器初级线圈N1绕组漏感产生的反电动势电压是无法进行吸收的,这一点需要特别注意。为了吸收变压器初级线圈N1绕组漏感产生的反电动势,在变压器初级线圈回路中还要专门设置一个反电动势吸收电路,这一方面内容后面还要更详细介绍。
一般电源开关管的耐压都在650伏左右,因此,正激式变压器开关电源在输入电压为交流220伏的设备中很少使用,或者用两个电源开关管串联来使用。由于正激式变压器开关电源输出电压的瞬态控制特性相对来说比较好,因此,目前在一些对瞬态控制特性要求比较高的场合,用两个电源开关管串联的正激式变压器开关电源也逐步开始增加。[page]
正激式变压器开关电源电路参数的计算
正激式变压器开关电源电路参数计算主要对储能滤波电感、储能滤波电容,以及开关电源变压器的参数进行计算。
0.1.正激式变压器开关电源储能滤波电感和储能滤波电容参数的计算
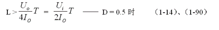
图1-17中,储能滤波电感和储能滤波电容参数的计算,与图1-2的串联式开关电源中储能滤波电感和储能滤波电容参数的计算方法基本相同,因此,我们可以直接引用(1-14)式和(1-18)式,即:


式中Io为流过负载的电流(平均电流),当D = 0.5时,其大小正好等于流过储能电感L最大电流iLm的二分之一;T为开关电源的工作周期,T正好等于2倍控制开关的接通时间Ton ;ΔUP-P为输出电压的波纹电压,波纹电压ΔUP-P一般取峰-峰值,所以波纹电压等于电容器充电或放电时的电压增量,即:ΔUP-P = 2ΔUc 。
同理,(1-90)式和(1-91)式的计算结果,只给出了计算正激式变压器开关电源储能滤波电感L和滤波电容C的中间值,或平均值,对于极端情况可以在平均值的计算结果上再乘以一个大于1的系数。
关于电压平均值输出滤波电路的详细工作原理与参数计算,请参看“1-2.串联式开关电源”部分中的“串联式开关电源电压滤波输出电路”内容,这里不再赘述。
正激式开关电源变压器参数的计算
正激式开关电源变压器参数的计算主要从这几个方面来考虑。一个是变压器初级线圈的匝数和伏秒容量,伏秒容量越大变压器的励磁电流就越??;另一个是变压器初、次级线圈的匝数比,以及变压器各个绕组的额定输入或输出电流或功率。关于开关电源变压器的工作原理以及参数设计后面还要更详细分析,这里只做比较简单的介绍。
正激式开关电源变压器初级线圈匝数的计算
图1-17中,当输入电压Ui加于开关电源变压器初级线圈的两端,且变压器的所有次级线圈均开路时,流过变压器的电流只有励磁电流,变压器铁心中的磁通量全部都是由励磁电流产生的。当控制开关接通以后,励磁电流就会随时间增加而增加,变压器铁心中的磁通量也随时间增加而增加。根据电磁感应定理:

式中E1为变压器初级线圈产生的电动势,L1为变压器初级线圈的电感量, 为变压器铁心中的磁通量,Ui为变压器初级线圈的输入电压。其中磁通量 还可以表示为:

上式中,S为变压器铁心的导磁面积(单位:平方厘米),B为磁感应强度,也称磁感应密度(单位:高斯),即:单位面积的磁通量。
把(1-93)式代入(1-92)式并进行积分:

由此求得:

(1-95)式就是计算单激式开关电源变压器初级线圈N1绕组匝数的公式。式中,N1为变压器初级线圈N1绕组的最少匝数,S为变压器铁心的导磁面积(单位:平方厘米),Bm为变压器铁心的最大磁感应强度(单位:高斯),Br为变压器铁心的剩余磁感应强度(单位:高斯),Br一般简称剩磁,τ = Ton,为控制开关的接通时间,简称脉冲宽度,或电源开关管导通时间的宽度(单位:秒),一般τ取值时要预留20%以上的余量,Ui为工电压,单位为伏。式中的指数是统一单位用的,选用不同单位,指数的值也不一样,这里选用CGS单位制,即:长度为厘米(cm),磁感应强度为高斯(Gs),磁通单位为麦克斯韦(Mx)。
(1-95)式中,Ui×? 就是变压器的伏秒容量,即:伏秒容量等于输入脉冲电压幅度与脉冲宽度的乘积,这里我们把伏秒容量用US来表示。伏秒容量US表示:一个变压器能够承受多高的输入电压和多长时间的冲击。[page]
在一定的变压器伏秒容量条件下,输入电压越高,变压器能够承受冲击的时间就越短,反之,输入电压越低,变压器能够承受冲击的时间就越长;而在一定的工作电压条件下,变压器的伏秒容量越大,变压器的铁心中的磁感应强度就越低,变压器铁心就更不容易饱和。变压器的伏秒容量与变压器的体积以及功率无关,而只与磁通的变化量有关。
必须指出Bm和Br都不是一个常量,当流过变压器初级线圈的电流很小时,Bm是随着电流增大而增大的,但当电流再继续增大时,Bm将不能继续增大,这种现象称磁饱和。变压器要避免工作在磁饱和状态。为了防止脉冲变压器饱和,一般开关变压器都在磁回路中留一定的气隙。由于空气的导磁率与铁心的导磁率相差成千上万倍,因此,只要在磁回路中留百分之一或几百分之一的气隙长度,其磁阻或者磁动势将大部分都落在气隙上,因此磁心也就很难饱和。
在没有留气隙的变压器铁心中的Bm和Br的值一般都很高,但两者之间的差值却很??;留有气隙的变压器铁心,Bm和Br的值一般都要降低,但两者之间的差值却可以增大,气隙留得越大,两者之间的差值就越大,一般Bm可取1000~4000高斯,Br可取500~1000。顺便指出,变压器铁心的气隙留得过大,变压器初、次级线圈之间的耦合系数会降低,从而使变压器初、次级线圈的漏感增大,降低工作效率,并且还容易产生反电动势把电源开关管击穿。
还有一些高导磁率、高磁通密度磁材料(如坡莫合金),这种变压器铁心的导磁率和Bm值都可达10000高斯以上,但这些高导磁率、高磁通密度磁材料一般只用于双激式开关电源变压器中。
在(1-95)式中虽然没有看到变压器初级线圈电感这个变量,但从(1-92)式可以求得:

上式表示,变压器初级线圈的电感量等于穿过变压器初级线圈的总磁通,与流过变压器初级线圈励磁电流之比,另外,由于线圈之间有互感作用,即励磁电流出了受输入电压的作用外,同时也受线圈电感量的影响,因此,变压器线圈的电感量与变压器线圈的匝数的平方成正比。从(1-95)式和(1-96)式可以看出,变压器初级线圈的匝数越多,伏秒容量和初级线圈的电感量也越大。因此,对于正激式开关电源变压器来说,如果不考虑变压器初级线圈本身的电阻损耗,变压器初级线圈的匝数是越多越好,电感量也是越大越好。但在进行变压器设计的时候,还要对成本以及铜阻损耗等因素一起进行考虑。
变压器初、次级线圈匝数比的计算
正激式开关电源输出电压一般是脉动直流的平均值,而脉动直流的平均值与控制开关的占空比有关,因此,在计算正激式开关电源变压器初、次级线圈的匝数比之前,首先要确定控制开关的占空比D,把占空比D确定之后,根据(1-77)式就可以计算出正激式开关电源变压器的初、次级线圈的匝数比:

由(1-77)可以求得:

上式中,n为正激式开关电源变压器次级线圈与初级线圈的匝数比,即:n = N2/N1 ;Uo为输出直流电压,Ui为变压器初级输入电压,D为控制开关的占空比。
在正常输出负载的情况下,正激式开关电源控制开关的占空比D最好取值为0.5左右。这样,当负载比较轻的时候,占空比D会小于0.5,虽然储能滤波电感会出现断流,储能滤波电容充电时间缩短,放电时间增加,但由于输出电流比较小,储能滤波电容充、放电的电流也很小,所以在电容两端产生的电压纹波不会增大,反而减?。坏笔涑龈涸乇冉现氐氖焙?,控制开关的占空比D会大于0.5,此时流过储能滤波电感的电流为连续电流,输出电流增大,储能滤波电容充电的时间增加,放电的时间缩短,因此,电容两端产生的电压纹波也不会增大很多。
因此,如果正激式开关电源电路中的储能滤波电感和储能滤波电容充电以及控制开关占空比,三者取得合适,输出电压纹波会很小。
正激式开关电源变压器次级反电动势能量吸收反馈线圈N3绕组与初线圈N1绕组的匝数比n一般为1 :1 ,即:N3/N1 = 1。如果n大于1,反馈线圈N3绕组与整流二极管D3的限幅保护作用就会增强,但流过反馈线圈N3绕组和整流二极管D3的电流也会增大,从而会增加损耗;如果n小于1,反馈线圈N3绕组与整流二极管D3的限幅?;ぷ饔镁突峒跞?,尖峰脉冲很容易把电源开关管击穿。
正激式开关电源变压器次级反电动势能量吸收反馈线圈N3绕组匝数的计算与限幅稳压二极管的计算方法是很相似的,不过线圈匝数与稳压二极管的击穿电压正好相反,击穿电压取得越高限幅保护的作用反而越弱。
这里顺便提一下,变压器线圈漆包线的电流密度一般取每平方毫米为2~3安培比较合适。当开关电源的工作频率取得很高时,电流密度最好取得小一些,或者用多股线代替单股线,以免电流在导体中产生趋肤效应,增大损耗使导线发热。另外,目前绕制变压器使用的漆包线大部分都不是纯铜线,因此电阻率相对比较大,把这些因素一起考虑,电流密度更不能取高。


