中心议题
- IGBT在UPS中的应用情况
- IGBT在UPS应用中损坏的原因
- 过流、过压、桥臂共导、以及过温损坏的避免办法
解决方案:
- 保证IGBT 的最大工作电流应不超过IGBT 的IDM 值
- 适当加大驱动电阻RG 、延长关断时间,减小IGBT 的di/dt
- 优化主电路的工艺结构
- 适当增加IGBT 驱动电阻Rg 使开关速度减慢
- 设计缓冲电路,对尖峰电压进行抑制
- 在控制电路应该考虑到各种运行状况下的驱动问题控制时序问题。
- 通过降额使用,加大散热器,涂敷导热胶,强制风扇制冷等方法解决过热损坏
- 进行必要的静电?;?/strong>
在UPS 中使用的功率器件有双极型功率晶体管、功率MOSFET、可控硅和IGBT,IGBT 既有功率MOSFET易于驱动、控制简单、开关频率高的优点,又有功率晶体管的导通电压低,通态电流大的优点、使用IGBT 成为UPS 功率设计的首选,只有对IGBT的特性充分了解和对电路进行可靠性设计,才能发挥IGBT 的优点。本文介绍UPS中的IGBT 的应用情况和使用中的注意事项。
IGBT在UPS中的应用情况
绝缘栅双极型晶体管(IGBT是一种MOSFET 与双极晶体管复合的器件。它既有功率MOSFET易于驱动、控制简单、开关频率高的优点,又有功率晶体管的导通电压低,通态电流大,损耗小的显著优点。据东芝公司资料,1200V/100A 的IGBT 的导通电阻是同一耐压规格的功率MOSFET 的1/10,而开关时间是同规格GTR 的1/10。由于这些优点,IGBT广泛应用于不间断电源系统(UPS)的设计中。这种使用IGBT的在线式UPS具有效率高,抗冲击能力强、可靠性高的显著优点。
UPS主要有后备式、在线互动式和在线式三种结构。在线式UPS 以其可靠性高,输出电压稳定,无中断时间等显著优点,广泛用于通信系统、税务、金融、证券、电力、铁路、民航、政府机关的机房中。本文以在线式为介绍对象,介绍UPS中的IGBT的应用。

图1 在线式不间断电源主电路图
图1 为在线式UPS 的主电路,在线式UPS 电源具有独立的旁路开关、AC/DC 整流器、充电器、DC/AC 逆变器等系统,工作原理是:市电正常时AC/DC 整流器将交流电整流成直流电,同时对蓄电池进行充电,再经DC/AC 逆变器将直流电逆变为标准正弦波交流电,市电异常时,电池对逆变器供电,在UPS 发生故障时将输出转为旁路供电。在线式UPS输出的电压和频率最为稳定,能为用户提供真正高质量的正弦波电源。
a.旁路开关(AC BYPASS SWITCH)
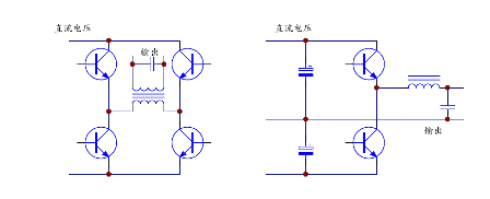
旁路开关常使用继电器和可控硅。继电器在中小功率的UPS 中广泛应用。优点是控制简单,成本低,缺点是继电器有转换时间,还有就是机电器件的寿命问题??煽毓璩<谥写蠊β蔝PS 中。优点是控制电流大,没有切换时间。但缺点就是控制复杂,且由于可控硅的触发工作特性,在触发导通后要在反向偏置后才能关断,这样就会产生一个最大10ms 的环流电流,如图2。如果采用IGBT,如图3,则可以避免这个问题,使用IGBT 有控制简单的优点,但成本较高。其工作原理为:当输入为正半周时,电流流经Q1、D2,负半周时电流流经D1、Q2。

b.整流器AC/DC
UPS 整流电路分为普通桥堆整流、SCR 相控整流和PFC 高频功率因数校正的整流器。传统的整流器由于基频为50HZ,滤波器的体积重量较重,随着UPS 技术的发展和各国对电源输入功率因数要求,采用PFC 功率因数校正的UPS 日益普及,PFC 电路工作的基频至少20KHZ,使用的滤波器电感和滤波电容的体积重量大大减少,不必加谐波滤波器就可使输入功率因数达到0.99,PFC 电路中常用IGBT 作为功率器件,应用IGBT 的PFC 整流器是有效率高、功率容量大、绿色环保的优点。
c.充电器
UPS 的充电器常用的有反激式、BOOST 升压式和半桥式。大电流充电器中可采用单管IGBT,用于功率控制,可以取得很高的效率和较大的充电电流。
d.DC/AC 逆变器
3KVA 以上功率的在线式UPS 几乎全部采用IGBT 作为逆变部分的功率器件,常用全桥式电路和半桥电路,如下图4。

IGBT 损坏的原因
UPS 在使用过程中,经常受到容性或感性负载的冲击、过负荷甚至负载短路等,以及UPS 的误操作,可能导致IGBT 损坏。IGBT 在使用时的损坏原因主要有以下几种情况:
a.过电流损坏;
IGBT 有一定抗过电流能力,但必须注意防止过电流损坏。IGBT 复合器件内有一个寄生晶闸管,所以有擎住效应。图5 为一个IGBT 的等效电路,在规定的漏极电流范围内,NPN 的正偏压不足以使NPN 晶体管导通,当漏极电流大到一定程度时,这个正偏压足以使NPN 晶体管开通,进而使NPN 和PNP 晶体管处于饱和状态,于是寄生晶闸管开通,门极失去了控制作用,便发生了擎住效应。IGBT 发生擎住效应后,漏极电流过大造成了过高的功耗,最后导致器件的损坏。
b.过电压损坏;
IGBT 在关断时,由于逆变电路中存在电感成分,关断瞬间产生尖峰电压,如果尖峰电压过压则可能造成IGBT 击穿损坏。
c.桥臂共导损坏;
d.过热损坏和静电损坏。
IGBT 损坏的解决对策
a.过电流损坏
为了避免IGBT 发生擎住效应而损坏,电路设计中应保证IGBT 的最大工作电流应不超过IGBT 的IDM 值,同时注意可适当加大驱动电阻RG 的办法延长关断时间,减小IGBT 的di/dt。驱动电压的大小也会影响IGBT 的擎住效应,驱动电压低,承受过电流时间长,IGBT 必须加负偏压,IGBT 生产厂家一般推荐加-5V 左右的反偏电压。在有负偏压情况下,驱动正电压在10—15V 之间,漏极电流可在5~10μs 内超过额定电流的4~10 倍,所以驱动IGBT 必须设计负偏压。由于UPS 负载冲击特性各不相同,且供电的设备可能发生电源故障短路,所以在UPS 设计中采取限流措施进行IGBT的电流限制也是必须的,可考虑采用IGBT 厂家提供的驱动厚膜电路。如FUJI 公司的EXB841、EXB840,三菱公司的M57959AL,57962CL,它们对IGBT 的集电极电压进行检测,如果IGBT 发生过电流,内部电路进行关闭驱动。这种办法有时还是不能?;GBT,根据IR 公司的资料,IR 公司推荐的短路?;し椒ㄊ牵菏紫燃觳馔ㄌ菇礦ce,如果Vce 超过设定值,?;さ缏仿砩辖缪菇滴?V,于是IGBT 由饱和状态转入放大区,通态电阻增大,短路电路减削,经过4us 连续检测通态压降Vce,如果正常,将驱动电压恢复正常,如果未恢复,将驱动关闭,使集电极电流减为零,这样实现短路电流软关断,可以避免快速关断造成的过大di/dt 损坏IGBT,另外根据最新三菱公司IGBT 资料,三菱推出的F 系列IGBT 的均内含过流限流电路(RTC circuit),如图6,当发生过电流,10us 内将IGBT 的启动电压减为9V,配合M57160AL 驱动厚膜电路可以快速软关断?;GBT。

b.过电压损坏
防止过电压损坏方法有:优化主电路的工艺结构,通过缩小大电流回路的路径来减小线路寄生电感;适当增加IGBT 驱动电阻Rg 使开关速度减慢(但开关损耗也增加了);设计缓冲电路,对尖峰电压进行抑制。用于缓冲电路中的二极管必须是快恢复的二极管,电容必须是高频、损耗小,频率特性好的薄膜电容。这样才能取得好的吸收效果。常见电路有耗能式和回馈式缓冲电路。回馈式又有无源式和有源式两种,详细电路设计可参见所选用器件的技术手册。
c.桥臂共导损坏
在UPS 中,逆变桥同臂支路两个驱动必须是互锁的,而且应该设置死区时间(即共同不导通时间)。如果发生共导,IGBT 会迅速损坏。在控制电路应该考虑到各种运行状况下的驱动问题控制时序问题。
d.过热损坏
可通过降额使用,加大散热器,涂敷导热胶,强制风扇制冷,设置过温度?;さ确椒ɡ唇饩龉人鸹档奈侍狻4送饣挂⒁獍沧肮讨械木驳缢鸹滴侍?,操作人员、工具必须进行防静电?;?。
结论
a.IGBT 兼具有功率MOSFET 和GTR 的优点,是UPS 中的充电、旁路开关、逆变器,整流器等功率变换的理想器件。
b.只有合理运用IGBT,并采取有效的?;し桨福趴赡?br />




