中心议题:
- 介绍模拟滤波及无源滤波器和有源滤波器的比较
- 分析视频放大器/滤波器的电源电压、功耗、信号耦合等方面的模拟要求和实施方法
解决方案:
- 经数据转换的图像须经过滤波,保持较好的图像质量
- 采用巴特沃思滤波器,平衡电平平坦度、截止频率、衰减和群延迟间的差异
- 采用单电源数据转换器,系统使用会比较简单
- 采用THS7303或THS7313 6dB增益放大器、参考接地的DAC或编码器驱动,DC输入模式会很理想
- 线路驱动器放大器采用AC耦合,消除任何可能的DC偏置电流
模拟滤波
为什么模拟视频要使用过滤技术呢?如前所述,将模拟视频信号与数字视频信号相互转换是很常见的。对显示器和DVD刻录机等接收设备来说,这就需要使用模数转换器(ADC)。对机顶盒和DVD播放器来说,就需要使用数模转换器(DAC)。ADC和DAC提供的画质都取决于采样频率。
为了保持较好的图像质量,经数据转换的图像必须经过滤波(见图1)。这时我们就要在信号路径上放置模拟滤波器。用滤波器来消除DAC图形(即重构滤波器)。

图1 经过滤波器的标清视频DAC图形
消除DAC和ADC图形可提高画质。不过,我们应采用哪种滤波器类型呢?需要多少极点呢?最适合视频信号的截止频率、平坦度和群延迟是什么呢?如果问10位工程师这个问题,我们可能会得到10个不同的答案。
比较好的做法是,尽可能保持带通的平坦度,以及大部分衰减靠近数据转换器的采样频率。如果只考虑这个要求,我们可以采用椭圆滤波器或契比雪夫滤波器等类型。如果只关心电平平坦度和衰减,那么这些滤波器会比较理想,使任何系统都能满足SMPTE滤波器的特性要求。不过,我们不能忘记群延迟,因为SMPTE标准还包括群延迟方面的限制,系统应努力满足上述两种要求,而不是只满足一种要求。
因此,我们必须在电平平坦度、截止频率、衰减和群延迟差异间取得平衡,以获得合适的视频滤波器。大家一致认为,巴特沃思滤波器对消费类电子视频来说是一种较好的平衡型滤波器,电平响应实现了最大的平坦度,衰减率适当,群延迟也不错。它虽说不上是最理想的,但通常对系统而言已经足够好了。
滤波器示例
THS73x3系列是集成滤波器/放大器,采用功能改进型五阶巴特沃思滤波器结构,略微降低了Q 或峰值因数,以最小化群延迟差异。其缺点在于,平坦度不像真巴特沃思滤波器那么理想,但衰减性基本相同。
我们选择了五个极点而不是四个或六个,这是因为奇数阶滤波器有真正的实极点,而不是像偶数阶滤波器那样都提供复极点。有人可能认为实极点没什么关系,不过实际经验证明,实极点对有源滤波器系统会非常有用,特别是在采用 Sallen-Key架构时。Sallen-Key系统中有高频路径通过,能较方便地通过放大器带宽限制以外的高频。系统中的实极点可将高频信号通过旁路接地,不受放大器带宽限制的影响。因此,这有助于确保滤波器保持高频。
为了显示群延迟和电平平坦度的影响,我们模拟了一个五极的0.5dB契比雪夫滤波器,截止频率(在-0.5dB以下时)为10MHz。此外,我们还模拟了五阶功能改进型巴特沃思滤波器,截止频率(以-3dB以下时)为8.5MHz。从图2中可以看出每个滤波器的电平响应。与预期一样,契比雪夫滤波器的纹波为0.5,不过平坦度为10MHz,大大超过巴特沃思滤波器的平坦度。此外,在27MHz的临界点上,契比雪夫滤波器的衰减率较高,达到了56dB的衰减率。在27MHz上,巴特沃思滤波器只实现了46dB的衰减率。事实上,这对视频系统而言已经足够了。

图2 滤波器电平响应
使用有源滤波器时要牢记,滤波器的Q越高,放大器的带宽就越高。如果使用贝塞尔或巴特沃思滤波器乃至更高阶的版本,我们要把各级的Q保持相对较低。设计支持椭圆或契比雪夫响应的滤波器,其Q值较高,需要较高带宽的放大器才能适当实施。否则,放大器对滤波器就会造成影响,从而改变我们所需的响应。我们可通过修改组件值来实现上述目标,不过放大器之间的差异会因此变得更大。
无源滤波器和有源滤波器的比较
无源滤波器因为其成本较低,所以在目前比较常见。不过,在PCB电路板面积、占用、额外组件数量、组装时间、带通信号损失、对电感器造成电磁干扰以及容限方面,它又存在一些缺点。电感器和电容通?;岽嬖?plusmn;10%个体差异,特别是低成本组件的差异会更大一些。
在集成有源滤波器设计中(比如 THS73x3 所采用的单位增益Sallen-Key滤波器),平坦度和峰值的差异可以得到严格的控制。我们对单位增益Sallen-Key滤波器进行敏感度分析??梢钥闯?,只要电阻间和电容间与单位增益的匹配比较严格,那么只有截止频率会有所差异,Q不会出现差异。如果Q出现差异,那么就会导致较大的群延迟差异,这是我们所不愿看到的。只要采用高质量电容和电阻,在假定放大器的自然带宽大大高于滤波器的截止频率情况下,有源滤波器的可控特性就必将大大优于无源滤波器。此外,有源滤波器占用的 PCB 电路板面积也要小很多,只需采购一个组件,这样就大大减少了组件数量。
多极无源滤波器还有一个重要特点,就是其截止频率不能轻易地被修改,若想修改就要花费大量工作,成本也很高。设计支持可选滤波器的有源滤波器就非常容易实施。对于不必改变滤波器频率的CVBS和S-Video系统来说,这一特性并不怎么吸引人,不过,对分量视频系统或G’B’R’系统来说,改变滤波器的频率就非常有用了,这样就能设置为 SD、ED或HD(720p/1080i)乃至1080p HD等不同标准。
上述情况对接受 Y’P’BP’R或G’B’R’分量视频信号的接收机系统来说尤为重要。举例来说,如果我们用固定的35MHz无源滤波器为显示器提供所有分量信号,那么在输入端采用480i或576i SD分量信号怎么办呢?一般的 DAC 对这种信号的采样频率为27MHz。如果DAC不带重构滤波器的话,那么27MHz基本频率两侧出现的图像将直接通过显示器的无源35MHz滤波器,造成图像未经衰减,因此显示器上显示的画质通常非常差。
ED 480p/576p信号也可能出现这种情况。此类信号通常采样频率为54MHz,视频带宽为 12MHz。因此,第二Nyquist区图像会在42MHz时出现。如果无源滤波器为35MHz或更高,那么图像的衰减也会很小,同样也会导致画质非常差。
这就说明了,可选滤波器对使用THS7303的DAC侧和使用THS7353的ADC侧的重要性。这种集成的滤波器/放大器采用可选的五阶功能改进型巴特沃思滤波器结构,可设为9MHz,满足 SD信号的需要,也可设为16MHz,满足ED信号需要,还可针对HD 720p/1080i信号设为35MHz,针对1080p等极快的信号设为大于150MHz的旁路模式。图3显示了有关情况。

图3 固定滤波器与可选滤波器的比较
为了提高灵活性,THS73x3的每个通道必须能实现独立控制。利用这一特性,我们就能选择35MHz以支持Luma通
道,又可选择16MHz以支持色差通道,根据模拟信号带宽要求,这都是可行的。不过这也有一个缺点,就是不同滤波器的延迟在相同频率比例下会有差异,如果不通过数字处理加以解决的话,就可能导致计时问题。
高端系统而言(其相位偏移和群延迟为非常重要的参数)也能受益于上述特性。这时,我们可用16MHz滤波器支持SD信号,确保整个SD频带内都能实现平稳的平坦响应,时域脉冲响应几乎不会出现过冲。这对支持ED信号的35MHz滤波器以及支持HD信号的旁路模式同样适用。
最后,无源过滤在不同频率上会造成较大阻抗差异,这会导致DAC和ADC的交互问题。此外,如果源电阻或端接电阻超出了75Ω的要求,也会导致振铃问题。THS73x3有源滤波器/放大器缓解了这一问题,其输入阻抗可大于1MΩ,而其输出阻抗在10MHz时则小于1Ω,从而有助于消除ADC的反冲问题或解码器输入钳位问题。
电源电压和功耗
大多数视频系统都采用单电源数据转换器,供电电压为3.3V。如果该电源可用于视频滤波器/放大器,那么系统使用会比较简单,也有助于减少一到两个电源数量,从而降低成本。THS73x3器件利用这一特点,采用2.7~5V的单电源工作。BiCom-3工艺根据设计,可以工作在上述电压上,在整个工作范围内都不会产生性能下降的问题。
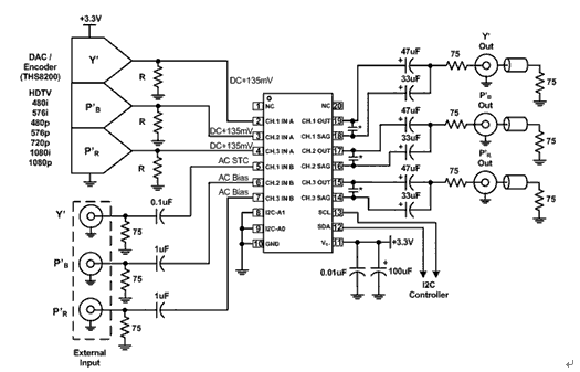
图4显示了THS7303放大器作为DAC缓冲、接受外部输入的典型配置。它同时还使用3.3V电源,支持输出端的SAG校正。

图4 THS7303采用3.3V单电源的典型系统配置
功耗是另一个要考虑的因素。类似于THS73x3产品的5V单电源器件有很多,但大多功耗都达到500mW以上,有的甚至高达1.2W,这就会导致芯片温度非常高,很容易影响长期可靠性。THS73x3的工作电压为3.3V,功耗仅为55mW,这几乎消除了散热和可靠性方面的问题。
信号耦合
如果系统设计中已经采用了THS7303或THS7313 6dB增益放大器,并采用了参考接地的DAC或编码器驱动,那么DC输入模式会很理想。问题在于,DAC生成的电压有多低?如果同步信号(通常这是视频信号中电压最低的)电压低于50mV,那么6dB放大器的输出就应生成低于100mV的电压,由于CMOS和双极放大器都存在晶体管饱和方面的限制,因此这对任何放大器来说都是很难做到的。
为了消除这一限制,所有THS73x3产品都支持DC+Shift模式,其可以为视频输入信号增加内部DC电压偏移。这种偏移只是内置的,不会影响应用信号,这种偏移还将确保即便THS73x3的输入为0V,输出也不会饱和,不会出现视频剪切。
如果DAC输出电压仅为100mV,那么DC输入模式就是非常理想的。这种模式不会给系统增加偏移,因为系统根本不需要偏移。要牢记,任何放大器都存在偏移,对THS73x3也一样。
如果DAC的参考电压为3.3V或1.8V或者是外部输入,那么采用AC耦合就是最佳模式。AC耦合使THS73x3能忽略DC偏置点的来源,并能重新建立自己的DC偏置点。AC耦合选项包括AC偏置和AC同步端钳位。
AC偏置非常简单。THS73x3有两个电阻,其可在电源和接地间创建分压器。该模式的输入阻抗为20kΩ,因此所用的电容应足够大,以尽可能减小倾斜或下垂问题。该模式最适用于Chroma或色差信号,也可用于Luma信号、G’B’R’信号或计算机的R’G’B’信号。由于信号为AC耦合,且DC偏置点与平均信号电平有差异,因此对于带5V电源同步信息的信号而言,我们最好用AC偏置模式,以确保没有剪切问题发生。
正在申请专利的AC同步端钳位 (STC) 模式(见图5)最适合视频信号最低点同步的信号,这就是说,Luma (Y’)、带同步功能的G’B’R’或带同步信号的计算机R’G’B’最好都采用AC-STC 模式。THS73x3中的同步端钳位系统具有内部电流汇集(current-sink) 功能以将耦合电容放电,用滤波器来最小化可能存在的高频干扰信号交互,用放大器来监控输入电压和参考电压的差别,并在信号低于参考电压时用晶体管为电容充电。因此,这是一种动态的系统,根本不依靠计时技术。这种类型的系统通常也称作DC恢复系统,而不是二极管钳位系统。二极管钳位系统的问题在于:任何高频信号或过冲都会对其造成影响,从而导致过大DC偏置点偏移,并造成信号剪切。

图5 AC-STC基本系统
输出功能
线路驱动器放大器的最常见输出配置就是采用AC耦合,以消除任何可能的DC偏置电流,使系统更具有通用性。放大器输出通常采用220~1000μF的电容,以降低线路倾斜。
在某些系统中,DC偏置电流不是主要问题。相反,成本和PCB电路板的尺寸反而更加重要。THS73x3支持DC耦合,不会因为轨至轨输出放大器级而造成问题。输出摆幅在电源和接地的100mV范围之内,可驱动高达80mA的电流。
其他系统可能需要AC耦合,但PCB电路板的尺寸非常重要。THS7303和THS7313具有灵活性可支持SAG校正,这是实现上述目标的一种办法。SAG校正需要两个电容,但电容的体积要较小,额定值仅为47μF和33μF,其可能实现与330μF电容相同的倾斜性能。如果分别将其提高到68μF和 47μF,那么将能实现相当于470μF电容的性能。
SAG功能能在频率降低时提高增益,从而实现上述性能。放大器增益抵消了47μF电容的下降,从而扩大了可实现的带通。选择33μF电容时,可获得较小的峰值或Q增强,这会使视频系统实现适当的线路倾斜或低垂,特别是能够支持场方波信号。
图6显示了SAG在THS7303和THS7313中的基本配置情况。其他厂商也使用了SAG校正技术,但其通常要求较大的电容或电压更高的电源,这样才能满足系统出现较大DC增益的要求。

图6 THS7303系统级示意图



